メカニカル部品技術窓口
ミスミ品のみ対象

クリーン洗浄品はミスミメカニカル部品を洗浄した商品です。「禁油仕様品」としてもご利用いただけます。「脱...
詳細を確認
| コーナー形状仕様 | |
| コーナーカット | コーナーR |
| SL-JTMAS SH-JTMAS SHD-JTMAS | SL-JTMAR SH-JTMAR SHD-JTMAR |
4×C2以下![]() | 4×R2以下![]() |
| 穴種 | ボルト通し穴 | タップ穴(並目) | ||
| Code | N・NA | M・MA | ||
| 形状図 |
| ![]() |
| Type | 材質記号 | [ M ]材質 | [ S ]表面処理 | 洗浄方法 | ||||
| コーナーカット | コーナーR | 洗浄方法 | 洗浄環境 | 梱包形態 | 梱包環境 | |||
| SL-JTMAS | SL-JTMAR | SUD | T0.8~6.0:SUS304(2B) T9.0:SUS304(No.1) | - | 脱脂洗浄 | 一般環境 | 防錆梱包 | 一般環境 |
| SH-JTMAS | SH-JTMAR | 精密洗浄 | クラス1000 | 脱気2重梱包 | クラス10 | |||
| SHD-JTMAS | SHD-JTMAR | 電解研磨+精密洗浄 | ||||||
| SL-JTMAS | SL-JTMAR | AM | A5052 | - | 脱脂洗浄 | 一般環境 | 防錆梱包 | 一般環境 |
| SH-JTMAS | SH-JTMAR | 精密洗浄 | クラス1000 | 脱気2重梱包 | クラス10 | |||
| SHD-JTMAS | - | 電解研磨+精密洗浄 | ||||||
| SL-JTMAS | SL-JTMAR | AMW | アルマイト処理(白) | 脱脂洗浄 | 一般環境 | 防錆梱包 | 一般環境 | |
| SH-JTMAS | SH-JTMAR | 精密洗浄 | クラス1000 | 脱気2重梱包 | クラス10 | |||
| SL-JTMAS | SL-JTMAR | AMB | アルマイト処理(黒) | 脱脂洗浄 | 一般環境 | 防錆梱包 | 一般環境 | |
| SH-JTMAS | SH-JTMAR | 精密洗浄 | クラス1000 | 脱気2重梱包 | クラス10 | |||
| SL-JTMAS | SL-JTMAR | SPU | T0.8~3.2: SPCC T4.5~6.0: SPHC T9.0:SS400(黒皮) | 三価クロメート(白) | 脱脂洗浄 | 一般環境 | 防錆梱包 | 一般環境 |
| SH-JTMAS | SH-JTMAR | 精密洗浄 | クラス1000 | 脱気2重梱包 | クラス10 | |||
| SL-JTMAS | SL-JTMAR | SPK | 三価クロメート(黒) | 脱脂洗浄 | 一般環境 | 防錆梱包 | 一般環境 | |
| SH-JTMAS | SH-JTMAR | 精密洗浄 | クラス1000 | 脱気2重梱包 | クラス10 | |||
| 型式 | - | A | - | B | - | T | - | X | - | F | - | Y | - | 穴指定① Code・呼び径 | - | L | S | - | 穴指定② Code・呼び径 | |||
| - | ||||||||||||||||||||||
| Type | - | 材質記号 | ||||||||||||||||||||
| SL-JTMAS | - | SUD | - | A120 | - | B80 | - | T2.3 | - | X20 | - | F20 | - | Y40 | - | N6 | - | L100 | - | S40 | - | NA8 |
| 型式 | 指定1mm単位 | 選択 | X | F | Y | 穴指定① | L | S | 穴指定② | |||||
| Type | 材質記号 | A | B | T | Code/指定方法 | Code/指定方法 | ||||||||
| SL-JTMAS SH-JTMAS SHD-JTMAS | SL-JTMAS SH-JTMAS SHD-JTMAS | SUD | 10 ~ 300 | 5 ~ 300 [ ! ] | 0.8 ・ 1.0 ・ 1.2 ・ 1.5 ・ 2.0 3.0 ・ 4.0 ・ 5.0 ・ 6.0 ・ 9.0 | 指定 0.1mm単位 | N (ボルト通し穴) 0・3・4・5 6・8・10 (選択) [ ! ] | M (タップ穴) 0・3・4・5 6・8・10 (選択) [ ! ] | 指定 0.1mm単位 | NA (ボルト通し穴) 0・3・4・5 6・8・10 (選択) [ ! ] | MA (タップ穴) 0・3・4・5 6・8・10 (選択) [ ! ] | |||
| SL-JTMAS SH-JTMAS SHD-JTMAS | SL-JTMAS SH-JTMAS | AM | 1.0 ・ 1.5 ・ 2.0 ・ 3.0 ・ 4.0 ・ 5.0 | |||||||||||
| SL-JTMAS SH-JTMAS | SL-JTMAS SH-JTMAS | AMW AMB | ||||||||||||
| SPU SPK | 0.8 ・ 1.0 ・ 1.2 ・ 1.6 ・ 2.3 3.2 ・ 4.5 ・ 6.0 ・ 9.0 | |||||||||||||
| [ ! ]T6.0は、B≧6 T9.0は、B≧9 [ ! ]穴が端面に近すぎると穴が変形する可能性がありますが、加工限界内であればそのまま加工します。 | ||||||||||||||
| N・NA指定値 | 通し穴径(d) |
| 0 | (穴無し) |
| 3 | 3.5 |
| 4 | 4.5 |
| 5 | 5.5 |
| 6 | 6.5 |
| 8 | 9 |
| 10 | 11 |
| T | N・NA(ボルト通し穴) | MA(タップ穴) |
| 0.8 | 0・3・4・5・6・8・10 | 0 |
| 1.0、1.2 | 0・3 | |
| 1.5、1.6 | 0・3・4 | |
| 2.0、2.3 | 0・3・4・5・6 | |
| 3.0、3.2 | 0・3・4・5・6・8 | |
| 4.0~6.0 | 0・3・4・5・6・8・10 | |
| 9.0 | 0・5・6・8・10 | 0・5・6・8・10 |
Alteration | コーナーカット | コーナーR加工 | ||
![]() | ![]() | |||
Code | CC | CR | ||
Spec. | CC=指定1mm単位 1≦CC≦10
(例)~-CC5 | CR=指定1mm単位 1≦CR≦10
(例)~-CR5 | ||
¥/1Code | 600 | 600 |
| 商品 | 基準寸法の区分 (A・B寸法) | 6以下 | 6を超え 30以下 | 30を超え 120以下 | 120を超え 400以下 |
| 板金(曲げ無) | 許容差(a・b) | ±0.1 | ±0.2 | ±0.3 | ±0.5 |


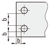
[ ! ]5. 穴と穴、穴と端面の肉厚に加工限界があります。(例:下図b部)

| T | b | ||
| SPCC SPHC SS400 | |||
| A5052 | SUS304 | ||
| 0.8 | ー | ー | 1 |
| 1.0 | ー | 1.0 | 1 |
| 1.2 | ー | ー | 1 |
| 1.6 | 1.5 | 1.5 | 1 |
| 2.3 | 2.0 | 2.0 | 1.5 |
| 3.2 | 3.0 | 3.0 | 1.5 |
| 4.5 | 4.0 | 4.0 | 2 |
| ー | 5.0 | 5.0 | 2.5 |
| 6.0 | ー | ー | 2.5 |
| 9.0 | ー | ー | 4 |
| 三価クロメート(白) | 三価クロメート(黒) | |
| SPU | SPK | |
| SPCC T0.8~3.2 | ![]() | ![]() |
| SPHC T4.5~6.0 | ![]() | ![]() |
| SS400(黒皮) T9.0 | ![]() | ![]() |
| なし | アルマイト処理(白) | アルマイト処理(黒) | |
| AM | AMW | AMB | |
| A5052 | ![]() | ![]() | ![]() |
| なし | |
| SUD | |
| SUS304(2B) T0.8~6.0 | ![]() |
| SUS304(No.1) T9.0 | ![]() |
洗浄工程| ※材質がステンレスの場合、アルカリ系温水洗浄となることがあります。 | |
| ・脱脂洗浄(型式:SL-□□) | ※表面処理が低温黒色クロムメッキの場合、IPA洗浄となります。 |
作業環境:一般環境 | ||||||
|---|---|---|---|---|---|---|
![]() 炭化水素系洗浄※ Ro水洗浄 中性洗剤洗浄 | ![]() | ![]() 高圧ジェット水洗(Ro水) 後に純水(10MΩ・cm)で 洗浄 | ![]() | ![]() エアブロー(オイルフリー) 使用 | ![]() | ![]() 防錆袋使用 |
| ・精密洗浄(型式:SH-□□) | ※表面処理が低温黒色クロムメッキの場合、IPA洗浄となります。 |
作業環境:クラス1000 | 作業環境:クラス10 | |||||||
|---|---|---|---|---|---|---|---|---|
![]() 炭化水素系洗浄※ Ro水洗浄 中性洗剤洗浄 | ![]() | ![]() 高圧ジェット水洗(Ro水) 後に純水(10MΩ・cm)で 洗浄 | ![]() | ![]() 温純水(13MΩ・cm)使用 | ![]() | ![]() 窒素ブロー使用 | ![]() | ![]() クリーンベンチ(クラス10) で実施 |
作業環境:クラス1000 | 作業環境:クラス10 | |||||||||
|---|---|---|---|---|---|---|---|---|---|---|
![]() 炭化水素系洗浄 Ro水洗浄 中性洗剤洗浄 | ![]() | ![]() 材質に応じた電解研磨槽 で電解研磨 | ![]() | ![]() 高圧ジェット水洗(Ro水) 後に純水(10MΩ・cm)で 洗浄 | ![]() | ![]() 温純水(13MΩ・cm)使用 | ![]() | ![]() 窒素ブロー使用 | ![]() | ![]() クリーンベンチ(クラス10) で実施 |
梱包例| 脱脂洗浄の場合 (TYPE型番:SL-□□) | 精密洗浄または電解研磨+精密洗浄の場合 | |
| (TYPE型番:SH-□□・SHD-□□) | ||
| オーステナイト系ステンレス・アルミ材質の場合 | 鉄・マルテンサイト系ステンレス材質の場合 | |
![]() | ![]() | ![]() |
| 一部商品・サイズによっては、 梱包形態が異なる場合がございます。 | [ ! ]1重目・2重目の梱包とも、脱気されております。 | [ ! ]防錆対策として乾燥剤を同封しております。 1梱包につき1つになります。 |
洗浄効果・利用推奨環境洗浄方法 | 商品型番 | 梱包形態 | 未洗浄品と比べた効果 | ご利用環境(目安) | 利用シーン・工程 |
|---|---|---|---|---|---|
| 脱脂洗浄 | SL-□□ | 防錆梱包 | 油分除去 | 一般環境 | 通常組立工程 |
| バッテリー組立後工程 | |||||
| 精密洗浄 | SH-□□ | 脱気2重梱包 | 油分除去 粉塵除去 | クリーン環境(クラス10~1,000) | バッテリー組立工程 |
| 液晶関連組立後工程 | |||||
| 車載カメラ組立工程 | |||||
| 電解研磨+精密洗浄 | SHD-□□ | 脱気2重梱包 | 油分除去 粉塵除去 アウトガス低減 | 真空環境 クリーン環境(クラス10~1,000) | 半導体前工程 |
| 液晶成膜工程 | |||||
| 有機EL前工程 |
| 型番 |
|---|
通常単価(税別)
(税込単価) | 通常出荷日 |
洗浄不要の場合の代替品
|
|---|
- ( - ) | 7日目 |
- |
- ( - ) | 9日目 |
- |
- ( - ) | 9日目 |
- |
- ( - ) | 6日目 |
- |
- ( - ) | 6日目 |
- |
- ( - ) | 6日目 |
- |
- ( - ) | 6日目 |
|
- ( - ) | 8日目 |
|
- ( - ) | 8日目 |
|
- ( - ) | 6日目 |
|
- ( - ) | 6日目 |
|
- ( - ) | 6日目 |
|
- ( - ) | 6日目 |
- |
- ( - ) | 6日目 |
|
- ( - ) | 6日目 |
|
- ( - ) | 7日目 |
- |
- ( - ) | 9日目 |
- |
- ( - ) | 9日目 |
- |
- ( - ) | 6日目 |
- |
- ( - ) | 6日目 |
- |
- ( - ) | 6日目 |
- |
- ( - ) | 6日目 |
|
- ( - ) | 8日目 |
|
- ( - ) | 8日目 |
|
- ( - ) | 6日目 |
|
- ( - ) | 6日目 |
|
- ( - ) | 6日目 |
| ・脱脂洗浄(防錆1重梱包) | :型番SL-□□ |
| ・精密洗浄(脱気2重梱包) | :型番SH-□□ |
| ・電解研磨+精密洗浄(脱気2重梱包) | :型番SHD-□□ |
| 商品型番 | 洗浄方法 | 梱包形態 | 未洗浄品と比べた効果 | ご利用環境(目安) | 工程別 |
| SL-□□ | 脱脂洗浄 | 防錆梱包 | 油分除去 | 一般環境 | 通常組立工程 |
| バッテリー組立後工程 | |||||
| SH-□□ | 精密洗浄 | 脱気2重梱包 | 油分除去 粉塵除去 | クリーン環境(クラス10~1,000) | バッテリー組立工程 |
| 液晶関連組立後工程 | |||||
| 車載カメラ組立工程 | |||||
| SHD-□□ | 電解研磨+精密洗浄 | 脱気2重梱包 | 油分除去 粉塵除去 アウトガス低減 | 真空環境 クリーン環境(クラス10~1,000) | 半導体前工程 |
| 液晶成膜工程 | |||||
| 有機EL前工程 |
| A | B | T | ¥基準単価 | |||||
| コーナーカット | コーナーR | |||||||
| SL-JTMAS | SH-JTMAS | SHD-JTMAS | SL-JTMAR | SH-JTMAR | SHD-JTMAR | |||
| 10~100 | 5~100 | 0.8~1.5 | 2,360 | 2,760 | 3,000 | 1,910 | 2,190 | 2,280 |
| 2.0・3.0 | 2,600 | 3,000 | 3,240 | 2,150 | 2,430 | 2,520 | ||
| 4.0・5.0 | 2,990 | 3,390 | 3,630 | 2,540 | 2,820 | 2,910 | ||
| 6.0 | ー | ー | ー | 2,760 | 3,040 | 3,130 | ||
| 9.0 | ー | ー | ー | 3,250 | 3,530 | 3,620 | ||
| 101~200 | 1.0~1.5 | 2,440 | 2,840 | 3,080 | 1,990 | 2,270 | 2,360 | |
| 2.0・3.0 | 2,750 | 3,150 | 3,390 | 2,300 | 2,580 | 2,670 | ||
| 4.0・5.0 | 3,230 | 3,630 | 3,870 | 2,780 | 3,060 | 3,150 | ||
| 6.0 | ー | ー | ー | 3,390 | 3,670 | 3,760 | ||
| 9.0 | ー | ー | ー | 4,310 | 4,590 | 4,680 | ||
| 201~300 | 1.0~1.5 | ー | ー | ー | 2,100 | 2,380 | 2,470 | |
| 2.0・3.0 | ー | ー | ー | 2,410 | 2,690 | 2,780 | ||
| 4.0・5.0 | ー | ー | ー | 3,010 | 3,290 | 3,380 | ||
| 6.0 | ー | ー | ー | 4,340 | 4,620 | 4,710 | ||
| 9.0 | ー | ー | ー | 5,940 | 6,220 | 6,310 | ||
| 101~200 | 5~100 | 1.0~1.5 | 2,440 | 2,840 | 3,080 | 1,990 | 2,270 | 2,360 |
| 2.0・3.0 | 2,750 | 3,150 | 3,390 | 2,300 | 2,580 | 2,670 | ||
| 4.0・5.0 | 3,460 | 3,860 | 4,100 | 3,010 | 3,290 | 3,380 | ||
| 6.0 | ー | ー | ー | 3,810 | 4,090 | 4,180 | ||
| 9.0 | ー | ー | ー | 4,510 | 4,790 | 4,880 | ||
| 101~200 | 1.0~1.5 | 2,620 | 3,020 | 3,260 | 2,170 | 2,450 | 2,540 | |
| 2.0・3.0 | 2,990 | 3,390 | 3,630 | 2,540 | 2,820 | 2,910 | ||
| 4.0・5.0 | 3,810 | 4,210 | 4,450 | 3,360 | 3,640 | 3,730 | ||
| 6.0 | ー | ー | ー | 4,870 | 5,150 | 5,240 | ||
| 9.0 | ー | ー | ー | 6,460 | 6,740 | 6,830 | ||
| 201~300 | 1.0~1.5 | ー | ー | ー | 2,170 | 2,450 | 2,540 | |
| 2.0・3.0 | ー | ー | ー | 2,540 | 2,820 | 2,910 | ||
| 4.0・5.0 | ー | ー | ー | 3,360 | 3,640 | 3,730 | ||
| 6.0 | ー | ー | ー | 4,870 | 5,150 | 5,240 | ||
| 9.0 | ー | ー | ー | 6,460 | 6,740 | 6,830 | ||
| 201~300 | 5~100 | 1.0~1.5 | ー | ー | ー | 2,620 | 2,900 | 2,990 |
| 2.0・3.0 | ー | ー | ー | 3,070 | 3,350 | 3,440 | ||
| 4.0・5.0 | ー | ー | ー | 3,670 | 3,950 | 4,040 | ||
| 6.0 | ー | ー | ー | 4,670 | 4,950 | 5,040 | ||
| 9.0 | ー | ー | ー | 5,540 | 5,820 | 5,910 | ||
| 101~200 | 1.0~1.5 | ー | ー | ー | 2,980 | 3,260 | 3,350 | |
| 2.0・3.0 | ー | ー | ー | 3,590 | 3,870 | 3,960 | ||
| 4.0・5.0 | ー | ー | ー | 4,170 | 4,450 | 4,540 | ||
| 6.0 | ー | ー | ー | 6,470 | 6,750 | 6,840 | ||
| 9.0 | ー | ー | ー | 8,620 | 8,900 | 8,990 | ||
| 201~300 | 1.0~1.5 | ー | ー | ー | 3,320 | 3,600 | 3,690 | |
| 2.0・3.0 | ー | ー | ー | 4,070 | 4,350 | 4,440 | ||
| 4.0・5.0 | ー | ー | ー | 4,670 | 4,950 | 5,040 | ||
| 6.0 | ー | ー | ー | 8,350 | 8,630 | 8,720 | ||
| 9.0 | ー | ー | ー | 12,350 | 12,630 | 12,720 | ||
| A | B | T | ¥基準単価 | ||||||||||||
| コーナーカット | コーナーR | ||||||||||||||
| AM | AMW | AMB | AM | AMW | AMB | ||||||||||
| SL-JTMAS | SH-JTMAS | SHD-JTMAS | SL-JTMAS | SH-JTMAS | SL-JTMAS | SH-JTMAS | SL-JTMAR | SH-JTMAR | SL-JTMAR | SH-JTMAR | SL-JTMAR | SH-JTMAR | |||
| 10~100 | 5~100 | 1.0・1.5 | 2,350 | 2,750 | 2,990 | 2,860 | 3,260 | 3,020 | 3,420 | 1,900 | 2,180 | 2,410 | 2,690 | 2,570 | 2,850 |
| 2.0~3.0 | 2,350 | 2,750 | 2,990 | 2,860 | 3,260 | 3,020 | 3,420 | 1,900 | 2,180 | 2,410 | 2,690 | 2,570 | 2,850 | ||
| 4.0~5.0 | 2,810 | 3,210 | 3,450 | 3,480 | 3,880 | 3,690 | 4,090 | 2,360 | 2,640 | 3,030 | 3,310 | 3,240 | 3,520 | ||
| 101~200 | 1.0・1.5 | 2,490 | 2,890 | 3,130 | 3,320 | 3,720 | 3,500 | 3,900 | 2,040 | 2,320 | 2,870 | 3,150 | 3,050 | 3,330 | |
| 2.0~3.0 | 2,490 | 2,890 | 3,130 | 3,320 | 3,720 | 3,500 | 3,900 | 2,040 | 2,320 | 2,870 | 3,150 | 3,050 | 3,330 | ||
| 4.0~5.0 | 2,990 | 3,390 | 3,630 | 4,100 | 4,500 | 4,320 | 4,720 | 2,540 | 2,820 | 3,650 | 3,930 | 3,870 | 4,150 | ||
| 201~300 | 1.0・1.5 | 2,610 | 3,010 | 3,250 | 3,780 | 4,180 | 3,950 | 4,350 | 2,160 | 2,440 | 3,330 | 3,610 | 3,500 | 3,780 | |
| 2.0~3.0 | 2,610 | 3,010 | 3,250 | 3,780 | 4,180 | 3,950 | 4,350 | 2,160 | 2,440 | 3,330 | 3,610 | 3,500 | 3,780 | ||
| 4.0~5.0 | 3,160 | 3,560 | 3,800 | 4,680 | 5,080 | 4,900 | 5,300 | 2,710 | 2,990 | 4,230 | 4,510 | 4,450 | 4,730 | ||
| 101~200 | 5~100 | 1.0・1.5 | 2,610 | 3,010 | 3,250 | 3,780 | 4,180 | 3,950 | 4,350 | 2,160 | 2,440 | 3,330 | 3,610 | 3,500 | 3,780 |
| 2.0~3.0 | 2,610 | 3,010 | 3,250 | 3,780 | 4,180 | 3,950 | 4,350 | 2,160 | 2,440 | 3,330 | 3,610 | 3,500 | 3,780 | ||
| 4.0~5.0 | 3,160 | 3,560 | 3,800 | 4,680 | 5,080 | 4,900 | 5,300 | 2,710 | 2,990 | 4,230 | 4,510 | 4,450 | 4,730 | ||
| 101~200 | 1.0・1.5 | 2,920 | 3,320 | 3,560 | 4,590 | 4,990 | 4,920 | 5,320 | 2,470 | 2,750 | 4,140 | 4,420 | 4,470 | 4,750 | |
| 2.0~3.0 | 2,920 | 3,320 | 3,560 | 4,590 | 4,990 | 4,920 | 5,320 | 2,470 | 2,750 | 4,140 | 4,420 | 4,470 | 4,750 | ||
| 4.0~5.0 | 3,550 | 3,950 | 4,190 | 5,730 | 6,130 | 6,140 | 6,540 | 3,100 | 3,380 | 5,280 | 5,560 | 5,690 | 5,970 | ||
| 201~300 | 1.0・1.5 | 3,210 | 3,610 | 3,850 | 5,210 | 5,610 | 5,530 | 5,930 | 2,760 | 3,040 | 4,760 | 5,040 | 5,080 | 5,360 | |
| 2.0~3.0 | 3,210 | 3,610 | 3,850 | 5,210 | 5,610 | 5,530 | 5,930 | 2,760 | 3,040 | 4,760 | 5,040 | 5,080 | 5,360 | ||
| 4.0~5.0 | 3,930 | 4,330 | 4,570 | 6,520 | 6,920 | 6,960 | 7,360 | 3,480 | 3,760 | 6,070 | 6,350 | 6,510 | 6,790 | ||
| 201~300 | 5~100 | 1.0・1.5 | 3,210 | 3,610 | 3,850 | 4,370 | 4,770 | 4,540 | 4,940 | 2,760 | 3,040 | 3,920 | 4,200 | 4,090 | 4,370 |
| 2.0~3.0 | 3,210 | 3,610 | 3,850 | 4,370 | 4,770 | 4,540 | 4,940 | 2,760 | 3,040 | 3,920 | 4,200 | 4,090 | 4,370 | ||
| 4.0~5.0 | 3,930 | 4,330 | 4,570 | 5,440 | 5,840 | 5,670 | 6,070 | 3,480 | 3,760 | 4,990 | 5,270 | 5,220 | 5,500 | ||
| 101~200 | 1.0・1.5 | 3,690 | 4,090 | 4,330 | 5,870 | 6,270 | 6,350 | 6,750 | 3,240 | 3,520 | 5,420 | 5,700 | 5,900 | 6,180 | |
| 2.0~3.0 | 3,690 | 4,090 | 4,330 | 5,870 | 6,270 | 6,350 | 6,750 | 3,240 | 3,520 | 5,420 | 5,700 | 5,900 | 6,180 | ||
| 4.0~5.0 | 4,570 | 4,970 | 5,210 | 7,390 | 7,790 | 8,050 | 8,450 | 4,120 | 4,400 | 6,940 | 7,220 | 7,600 | 7,880 | ||
| 201~300 | 1.0・1.5 | 4,160 | 4,560 | 4,800 | 7,140 | 7,540 | 7,720 | 8,120 | 3,710 | 3,990 | 6,690 | 6,970 | 7,270 | 7,550 | |
| 2.0~3.0 | 4,160 | 4,560 | 4,800 | 7,140 | 7,540 | 7,720 | 8,120 | 3,710 | 3,990 | 6,690 | 6,970 | 7,270 | 7,550 | ||
| 4.0~5.0 | 5,190 | 5,590 | 5,830 | 9,070 | 9,470 | 9,820 | 10,220 | 4,740 | 5,020 | 8,620 | 8,900 | 9,370 | 9,650 | ||
| A | B | T | ¥基準単価 | |||
| コーナーカット | コーナーR | |||||
| SL-JTMAS | SH-JTMAS | SL-JTMAR | SH-JTMAR | |||
| 10~100 | 5~100 | 0.8~1.6 | 2,250 | 2,650 | 1,800 | 2,080 |
| 2.3・3.2 | 2,340 | 2,740 | 1,890 | 2,170 | ||
| 4.5 | 2,750 | 3,150 | 2,300 | 2,580 | ||
| 6.0 | 2,750 | 3,150 | 2,300 | 2,580 | ||
| 9.0 | 2,950 | 3,350 | 2,500 | 2,780 | ||
| 101~200 | 0.8~1.6 | 2,290 | 2,690 | 1,840 | 2,120 | |
| 2.3・3.2 | 2,400 | 2,800 | 1,950 | 2,230 | ||
| 4.5 | 2,840 | 3,240 | 2,390 | 2,670 | ||
| 6.0 | 2,840 | 3,240 | 2,390 | 2,670 | ||
| 9.0 | 3,250 | 3,650 | 2,800 | 3,080 | ||
| 201~300 | 0.8~1.6 | 2,320 | 2,720 | 1,870 | 2,150 | |
| 2.3・3.2 | 2,470 | 2,870 | 2,020 | 2,300 | ||
| 4.5 | 2,910 | 3,310 | 2,460 | 2,740 | ||
| 6.0 | 2,910 | 3,310 | 2,460 | 2,740 | ||
| 9.0 | 3,970 | 4,370 | 3,520 | 3,800 | ||
| 101~200 | 5~100 | 0.8~1.6 | 2,270 | 2,670 | 1,820 | 2,100 |
| 2.3・3.2 | 2,450 | 2,850 | 2,000 | 2,280 | ||
| 4.5 | 2,880 | 3,280 | 2,430 | 2,710 | ||
| 6.0 | 2,880 | 3,280 | 2,430 | 2,710 | ||
| 9.0 | 3,300 | 3,700 | 2,850 | 3,130 | ||
| 101~200 | 0.8~1.6 | 2,380 | 2,780 | 1,930 | 2,210 | |
| 2.3・3.2 | 2,560 | 2,960 | 2,110 | 2,390 | ||
| 4.5 | 3,070 | 3,470 | 2,620 | 2,900 | ||
| 6.0 | 3,070 | 3,470 | 2,620 | 2,900 | ||
| 9.0 | 3,980 | 4,380 | 3,530 | 3,810 | ||
| 201~300 | 0.8~1.6 | 2,450 | 2,850 | 2,000 | 2,280 | |
| 2.3・3.2 | 2,640 | 3,040 | 2,190 | 2,470 | ||
| 4.5 | 3,230 | 3,630 | 2,780 | 3,060 | ||
| 6.0 | 3,230 | 3,630 | 2,780 | 3,060 | ||
| 9.0 | 4,690 | 5,090 | 4,240 | 4,520 | ||
| 201~300 | 5~100 | 0.8~1.6 | 2,730 | 3,130 | 2,280 | 2,560 |
| 2.3・3.2 | 2,790 | 3,190 | 2,340 | 2,620 | ||
| 4.5 | 3,230 | 3,630 | 2,780 | 3,060 | ||
| 6.0 | 3,230 | 3,630 | 2,780 | 3,060 | ||
| 9.0 | 3,720 | 4,120 | 3,270 | 3,550 | ||
| 101~200 | 0.8~1.6 | 2,880 | 3,280 | 2,430 | 2,710 | |
| 2.3・3.2 | 3,170 | 3,570 | 2,720 | 3,000 | ||
| 4.5 | 3,700 | 4,100 | 3,250 | 3,530 | ||
| 6.0 | 3,700 | 4,100 | 3,250 | 3,530 | ||
| 9.0 | 4,860 | 5,260 | 4,410 | 4,690 | ||
| 201~300 | 0.8~1.6 | 3,040 | 3,440 | 2,590 | 2,870 | |
| 2.3・3.2 | 3,350 | 3,750 | 2,900 | 3,180 | ||
| 4.5 | 4,150 | 4,550 | 3,700 | 3,980 | ||
| 6.0 | 4,150 | 4,550 | 3,700 | 3,980 | ||
| 9.0 | 6,160 | 6,560 | 5,710 | 5,990 | ||
| 数量区分 | 標準対応 | 個別対応 | ||||
| 小口 | 大口 | 大口 | ||||
| 数 量 | 1〜3 | 4〜7 | 8〜19 | 20〜39 | 40〜100 | 101~ |
| 値引率 | 基準価格 | 35% | 40% | 50% | 50% | お見積り |
| 出荷日 | 通常 | +2日 | +5日 | |||
| 6 | 日目出荷 |
| 8 | 日目出荷 |
| 11 | 日目出荷 |

通常価格、通常出荷日が表示と異なる場合がございます
通常価格、通常出荷日が表示と異なる場合がございます

ミスミ
板金 取付板・ブラケット -フリー寸法タイプ- JTDAS・JTDAR
4.4
ミスミ
板金 取付板・ブラケット-センター振り分けタイプ- JSDAS
4.6
ミスミ
板金 取付板・ブラケット -フリー寸法タイプ- JTAAS・JTAAR
4.6
ミスミ
板金 取付板・ブラケット-センター振り分けタイプ- JSAAS
4.4
ミスミ
板金 取付板・ブラケット -フリー寸法タイプ- JTABS・JTABR
4.4
ミスミ
フラットバー/アルミ圧延材 取付板・ブラケット-B寸選択- HRMQA HUMQA
4.4
ミスミ
板金 取付板・ブラケット -フリー寸法タイプ- JTNAS・JTNAR
4.6
ミスミ
板金 取付板・ブラケット -フリー寸法タイプ- JTHAS・JTHAR
4.5
ミスミ
6面フライス 取付板・ブラケット-外径寸法フリー指定- HFMQA
4.9