メカニカル部品技術窓口
ミスミ品のみ対象


| Type | [ M ]材質 | [ S ]表面処理 | 洗浄方法 | ||||
| ねじ長さ固定タイプ | ねじ長さ指定タイプ | 洗浄方法 | 洗浄環境 | 梱包形態 | 梱包環境 | ||
| SL-SFXAB | SL-SFXNAB | SUS304 | - | 脱脂洗浄 | 一般環境 | 防錆梱包 | 一般環境 |
| SH-SFXAB | SH-SFXNAB | 精密洗浄 | クラス1000 | 脱気2重梱包 | クラス10 | ||
| SHD-SFXAB | SHD-SFXNAB | 電解研磨+精密洗浄 | |||||
| SL-PFXAB | SL-PFXNAB | S45C相当 | 無電解ニッケルメッキ | 脱脂洗浄 | 一般環境 | 防錆梱包 | 一般環境 |
| SH-PFXAB | SH-PFXNAB | 精密洗浄 | クラス1000 | 脱気2重梱包 | クラス10 | ||
| SL-PHFXAB | − | SCM435相当 硬度35〜40HRC | 無電解ニッケルメッキ | 脱脂洗浄 | 一般環境 | 防錆梱包 | 一般環境 |
| SH-PHFXAB | − | 精密洗浄 | クラス1000 | 脱気2重梱包 | クラス10 | ||
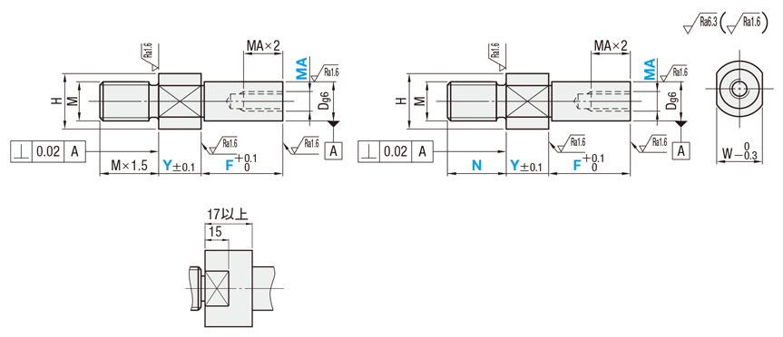
詳細図を記載しておりますので、ご確認ください。| 型式 | − | Y | − | F | − | N | − | MA |
| SL-SFXNAB10 | − | 25 | − | F18 | − | N12 | − | MA5 |
| SH-SFXAB12 | − | 15 | − | F25 | − | MA6 | ||
| SHD-SFXAB15 | − | 40 | − | F20 | − | MA6 |

| 並目ねじ | |||
| ねじ径 (M) | g | r | f |
| 6 | 1.5~2.5 | 0.2~0.6 | 4.3~4.9 |
| 8 | 6.3~6.6 | ||
| 10 | 8.1~8.3 | ||
| 12 | 1.5~3.0 | 0.2~1.0 | 9.8~10.1 |
| 16 | 13.6~13.8 | ||
| 20 | 1.5~4.0 | 17.0~17.2 | |
| 型式 | Dg6 | 指定1mm単位 | MA(並目) 選択 | H | W | M (並目) | ||||
| Type | No. | Y | F | [ ! ]N | ||||||
| ねじ長さ固定タイプ SL-SFXAB SH-SFXAB SHD-SFXAB SL-PFXAB SH-PFXAB SL-PHFXAB SH-PHFXAB ねじ長さ指定タイプ SL-SFXNAB SH-SFXNAB SHD-SFXNAB SL-PFXNAB SH-PFXNAB | 6 | 6 | −0.004 −0.012 | 2〜60 | 5〜100 | 6〜12 | 3 | 10 | 8 | M 6 |
| 6A | 14 | 12 | ||||||||
| 8 | 8 | −0.005 −0.014 | 8〜16 | 4 | 12 | 10 | M 8 | |||
| 8A | 16 | 14 | ||||||||
| 10 | 10 | 10〜20 | 4 5 6 | 15 | 13 | M10 | ||||
| 10A | 20 | 17 | ||||||||
| 12 | 12 | −0.006 −0.017 | 10〜150 | 12〜24 | 5 6 8 | 17 | 14 | M12 | ||
| 13 | 13 | 18 | 15 | |||||||
| 15 | 15 | 6 8 10 | 20 | 17 | ||||||
| 16 | 16 | 21 | 18 | |||||||
| 17 | 17 | 22 | 19 | |||||||
| 18 | 18 | 23 | 20 | |||||||
| 20 | 20 | −0.007 −0.020 | 4〜75 | 20〜40 | 6 8 10 12 | 26 | 24 | M20 | ||
| 20A | M16 | |||||||||
| 22 | 22 | 28 | M20 | |||||||
| 22A | M16 | |||||||||
| 25 | 25 | 8 10 12 16 | 31 | 27 | M20 | |||||
| 25A | M16 | |||||||||
| 30 | 30 | 8 10 12 16 20 | 36 | 32 | M20 | |||||
| 30A | M16 | |||||||||
| No. | ¥基準単価 | |||||||||||
| ねじ長さ固定タイプ | ねじ長さ指定タイプ | |||||||||||
| SL-SFXAB | SH-SFXAB | SHD-SFXAB | SL-PFXAB | SH-PFXAB | SL-PHFXAB | SH-PHFXAB | SL-SFXNAB | SH-SFXNAB | SHD-SFXNAB | SL-PFXNAB | SH-PFXNAB | |
| 6 | 2,520 | 2,970 | 3,240 | 2,270 | 2,720 | 2,730 | 3,180 | 3,050 | 3,500 | 3,770 | 2,730 | 3,180 |
| 6A | 2,700 | 3,150 | 3,420 | 2,420 | 2,870 | 2,930 | 3,380 | 3,290 | 3,740 | 4,010 | 2,920 | 3,370 |
| 8 | 2,630 | 3,080 | 3,350 | 2,370 | 2,820 | 2,860 | 3,310 | 3,200 | 3,650 | 3,920 | 2,860 | 3,310 |
| 8A | 2,930 | 3,380 | 3,650 | 2,610 | 3,060 | 3,180 | 3,630 | 3,590 | 4,040 | 4,310 | 3,170 | 3,620 |
| 10 | 2,750 | 3,200 | 3,470 | 2,460 | 2,910 | 2,980 | 3,430 | 3,360 | 3,810 | 4,080 | 2,980 | 3,430 |
| 10A | 3,260 | 3,710 | 3,980 | 2,900 | 3,350 | 3,580 | 4,030 | 4,050 | 4,500 | 4,770 | 3,550 | 4,000 |
| 12 | 2,970 | 3,420 | 3,690 | 2,660 | 3,110 | 3,250 | 3,700 | 3,650 | 4,100 | 4,370 | 3,250 | 3,700 |
| 13 | 3,210 | 3,660 | 3,930 | 2,870 | 3,320 | 3,510 | 3,960 | 3,970 | 4,420 | 4,690 | 3,500 | 3,950 |
| 15 | 3,320 | 3,770 | 4,040 | 2,950 | 3,400 | 3,630 | 4,080 | 4,110 | 4,560 | 4,830 | 3,620 | 4,070 |
| 16 | 3,740 | 4,190 | 4,460 | 3,300 | 3,750 | 4,110 | 4,560 | 4,680 | 5,130 | 5,400 | 4,080 | 4,530 |
| 17 | 3,920 | 4,370 | 4,640 | 3,450 | 3,900 | 4,320 | 4,770 | 4,930 | 5,380 | 5,650 | 4,290 | 4,740 |
| 18 | 3,990 | 4,440 | 4,710 | 3,520 | 3,970 | 4,400 | 4,850 | 5,020 | 5,470 | 5,740 | 4,380 | 4,830 |
| 20 | 4,020 | 4,470 | 4,740 | 3,550 | 4,000 | 4,430 | 4,880 | 5,060 | 5,510 | 5,780 | 4,420 | 4,870 |
| 20A | 4,020 | 4,470 | 4,740 | 3,550 | 4,000 | 4,430 | 4,880 | 5,060 | 5,510 | 5,780 | 4,420 | 4,870 |
| 22 | 4,410 | 4,860 | 5,130 | 3,870 | 4,320 | 4,870 | 5,320 | 5,570 | 6,020 | 6,290 | 4,860 | 5,310 |
| 22A | 4,410 | 4,860 | 5,130 | 3,870 | 4,320 | 4,870 | 5,320 | 5,570 | 6,020 | 6,290 | 4,860 | 5,310 |
| 25 | 4,580 | 5,030 | 5,300 | 4,020 | 4,470 | 5,060 | 5,510 | 5,790 | 6,240 | 6,510 | 5,060 | 5,510 |
| 25A | 4,580 | 5,030 | 5,300 | 4,020 | 4,470 | 5,060 | 5,510 | 5,790 | 6,240 | 6,510 | 5,060 | 5,510 |
| 30 | 5,270 | 5,720 | 5,990 | 4,610 | 5,060 | 5,840 | 6,290 | 6,720 | 7,170 | 7,440 | 5,840 | 6,290 |
| 30A | 5,270 | 5,720 | 5,990 | 4,610 | 5,060 | 5,840 | 6,290 | 6,720 | 7,170 | 7,440 | 5,840 | 6,290 |
| MA | Y+F |
| M 3 | Y+F≧11.5 |
| M 4 | Y+F≧14.0 |
| M 5 | Y+F≧16.2 |
| M 6 | Y+F≧18.5 |
| M 8 | Y+F≧23.5 |
| M10 | Y+F≧28.5 |
| M12 | Y+F≧35.5 |
| M16 | Y+F≧45.0 |
| M20 | Y+F≧55.0 |
| 型式 | − | Y | − | F | − | N | − | MA | − | (YKC・WSC) |
| SH-SFXAB20 | − | 20 | − | F20 | − | MA10 | − | YKC |
| Alterations | Y寸法公差変更 | スパナ掛け四面変更 |
![]() | ![]() | |
| Code | YKC | WSC |
| Spec. | Y寸法公差を±0.05へ 変更します。 [ ! ]すべてのタイプに適用 指定方法 YKC | スパナ掛け二面幅を四面 カットに追加工します。 [ ! ]標準・段付タイプに適用 指定方法 WSC |
| ¥/1Code | 400 | 400 |
洗浄工程| ※材質がステンレスの場合、アルカリ系温水洗浄となることがあります。 | |
| ・脱脂洗浄(型式:SL-□□) | ※表面処理が低温黒色クロムメッキの場合、IPA洗浄となります。 |
作業環境:一般環境 | ||||||
|---|---|---|---|---|---|---|
![]() 炭化水素系洗浄※ Ro水洗浄 中性洗剤洗浄 | ![]() | ![]() 高圧ジェット水洗(Ro水) 後に純水(10MΩ・cm)で 洗浄 | ![]() | ![]() エアブロー(オイルフリー) 使用 | ![]() | ![]() 防錆袋使用 |
| ・精密洗浄(型式:SH-□□) | ※表面処理が低温黒色クロムメッキの場合、IPA洗浄となります。 |
作業環境:クラス1000 | 作業環境:クラス10 | |||||||
|---|---|---|---|---|---|---|---|---|
![]() 炭化水素系洗浄※ Ro水洗浄 中性洗剤洗浄 | ![]() | ![]() 高圧ジェット水洗(Ro水) 後に純水(10MΩ・cm)で 洗浄 | ![]() | ![]() 温純水(13MΩ・cm)使用 | ![]() | ![]() 窒素ブロー使用 | ![]() | ![]() クリーンベンチ(クラス10) で実施 |
作業環境:クラス1000 | 作業環境:クラス10 | |||||||||
|---|---|---|---|---|---|---|---|---|---|---|
![]() 炭化水素系洗浄 Ro水洗浄 中性洗剤洗浄 | ![]() | ![]() 材質に応じた電解研磨槽 で電解研磨 | ![]() | ![]() 高圧ジェット水洗(Ro水) 後に純水(10MΩ・cm)で 洗浄 | ![]() | ![]() 温純水(13MΩ・cm)使用 | ![]() | ![]() 窒素ブロー使用 | ![]() | ![]() クリーンベンチ(クラス10) で実施 |
梱包例| 脱脂洗浄の場合 (TYPE型番:SL-□□) | 精密洗浄または電解研磨+精密洗浄の場合 | |
| (TYPE型番:SH-□□・SHD-□□) | ||
| オーステナイト系ステンレス・アルミ材質の場合 | 鉄・マルテンサイト系ステンレス材質の場合 | |
![]() | ![]() | ![]() |
| 一部商品・サイズによっては、 梱包形態が異なる場合がございます。 | [ ! ]1重目・2重目の梱包とも、脱気されております。 | [ ! ]防錆対策として乾燥剤を同封しております。 1梱包につき1つになります。 |
洗浄効果・利用推奨環境| 洗浄方法 | 商品型番 | 梱包形態 | 未洗浄品と比べた効果 | ご利用環境(目安) | 利用シーン・工程 |
|---|---|---|---|---|---|
| 脱脂洗浄 | SL-□□ | 防錆梱包 | 油分除去 | 一般環境 | 通常組立工程 |
| バッテリー組立後工程 | |||||
| 精密洗浄 | SH-□□ | 脱気2重梱包 | 油分除去 粉塵除去 | クリーン環境(クラス10~1,000) | バッテリー組立工程 |
| 液晶関連組立後工程 | |||||
| 車載カメラ組立工程 | |||||
| 電解研磨+精密洗浄 | SHD-□□ | 脱気2重梱包 | 油分除去 粉塵除去 アウトガス低減 | 真空環境 クリーン環境(クラス10~1,000) | 半導体前工程 |
| 液晶成膜工程 | |||||
| 有機EL前工程 |
| 型番 |
|---|
通常単価(税別)
(税込単価) | 通常出荷日 |
洗浄不要の場合の代替品
|
|---|
- ( - ) | 5日目 |
|
- ( - ) | 5日目 |
|
- ( - ) | 5日目 |
|
- ( - ) | 5日目 |
|
- ( - ) | 5日目 |
|
- ( - ) | 5日目 |
|
- ( - ) | 5日目 |
|
- ( - ) | 5日目 |
|
- ( - ) | 5日目 |
|
- ( - ) | 5日目 |
|
- ( - ) | 5日目 |
|
- ( - ) | 5日目 |
|
- ( - ) | 5日目 |
|
- ( - ) | 5日目 |
|
- ( - ) | 5日目 |
|
- ( - ) | 5日目 |
|
- ( - ) | 5日目 |
|
- ( - ) | 5日目 |
|
- ( - ) | 5日目 |
|
- ( - ) | 5日目 |
|
- ( - ) | 5日目 |
|
- ( - ) | 5日目 |
|
- ( - ) | 5日目 |
|
- ( - ) | 5日目 |
|
- ( - ) | 5日目 |
|
- ( - ) | 5日目 |
|
- ( - ) | 5日目 |
|
- ( - ) | 5日目 |
|
- ( - ) | 5日目 |
|
- ( - ) | 5日目 |
|
- ( - ) | 5日目 |
|
- ( - ) | 5日目 |
|
- ( - ) | 5日目 |
|
- ( - ) | 5日目 |
|
- ( - ) | 5日目 |
|
- ( - ) | 5日目 |
|
- ( - ) | 5日目 |
|
- ( - ) | 5日目 |
|
- ( - ) | 5日目 |
|
- ( - ) | 5日目 |
|
- ( - ) | 6日目 |
|
- ( - ) | 6日目 |
|
- ( - ) | 6日目 |
|
- ( - ) | 6日目 |
|
- ( - ) | 6日目 |
|
- ( - ) | 6日目 |
|
- ( - ) | 6日目 |
|
- ( - ) | 6日目 |
|
- ( - ) | 6日目 |
|
- ( - ) | 6日目 |
|
- ( - ) | 6日目 |
|
- ( - ) | 6日目 |
|
- ( - ) | 6日目 |
|
- ( - ) | 6日目 |
|
- ( - ) | 6日目 |
|
- ( - ) | 6日目 |
|
- ( - ) | 6日目 |
|
- ( - ) | 6日目 |
|
- ( - ) | 6日目 |
|
- ( - ) | 6日目 |
| ・脱脂洗浄(防錆1重梱包) | :型番SL-□□ |
| ・精密洗浄(脱気2重梱包) | :型番SH-□□ |
| ・電解研磨+精密洗浄(脱気2重梱包) | :型番SHD-□□ |
| 商品型番 | 洗浄方法 | 梱包形態 | 未洗浄品と比べた効果 | ご利用環境(目安) | 工程別 |
| SL-□□ | 脱脂洗浄 | 防錆梱包 | 油分除去 | 一般環境 | 通常組立工程 |
| バッテリー組立後工程 | |||||
| SH-□□ | 精密洗浄 | 脱気2重梱包 | 油分除去 粉塵除去 | クリーン環境(クラス10~1,000) | バッテリー組立工程 |
| 液晶関連組立後工程 | |||||
| 車載カメラ組立工程 | |||||
| SHD-□□ | 電解研磨+精密洗浄 | 脱気2重梱包 | 油分除去 粉塵除去 アウトガス低減 | 真空環境 クリーン環境(クラス10~1,000) | 半導体前工程 |
| 液晶成膜工程 | |||||
| 有機EL前工程 |
| 数量区分 | 標準対応 | 個別対応 | |||||
| 小口 | 大口 | 大口 | |||||
| 数 量 | 1〜4 | 5〜12 | 13〜19 | 20〜49 | 50〜100 | 101〜200 | 201以上 |
| 値引率 | 基準単価 | 5% | 10% | 18% | 20% | 20% | お見積り |
| 出荷日 | 通常 | +1日 | +6日 | +12日 | |||
| 数量区分 | 標準対応 | 個別対応 | |||||
| 小口 | 大口 | 大口 | |||||
| 数 量 | 1〜4 | 5〜12 | 13〜19 | 20〜49 | 50〜100 | 101〜200 | 201以上 |
| 値引率 | 基準単価 | 5% | 10% | 18% | 20% | 20% | お見積り |
| 出荷日 | 通常 | +5日 | +11日 | ||||

通常価格、通常出荷日が表示と異なる場合がございます
通常価格、通常出荷日が表示と異なる場合がございます

ミスミ
片持ちピン おねじ取付 止め輪溝タイプ・標準タイプ・六角穴付タイプ
4.4
ミスミ
片持ちピン おねじ取付・めねじタイプ・段付タイプ標準タイプ
4.4
ミスミ
片持ちピン おねじ取付 止め輪溝タイプ・六角タイプ・六角穴付タイプ
4.7
ミスミ
片持ちピン ボルトマウント・止め輪溝タイプ・標準タイプ・六角穴付タイプ
4
ミスミ
片持ちピン インローおねじ取付・止め輪溝タイプ・標準タイプ・六角付タイプ
5
ミスミ
片持ちピン おねじ取付・おねじタイプ・標準タイプ
5
ミスミ
六角片持ちピン -テンションアイドラー用-止め輪タイプ・六角穴付タイプ
4.5
ミスミ
片持ちピン おねじ取付 止め輪溝タイプ・段付タイプ・六角穴付タイプ
4.6
ミスミ
片持ちピン フランジ・ボルト止めタイプ/薄型フランジ・ボルト止めタイプ
3.5