メカニカル部品技術窓口
ミスミ品のみ対象


![]() |
| ||||||||||||||||||||||||||||||||||||||||||||||
| [ ! ]]KA<1、KA+A=L、KB+B=L、L-KC-C<1の場合、 キー溝は下図の形状になります。 ![]() | |||||||||||||||||||||||||||||||||||||||||||||||
、h7(研磨棒)・g6(研磨棒)は
になります。
| D | 真円度 M | |
| を超え | 以下 | |
| 5 | 13 | 0.004 |
| 13 | 20 | 0.005 |
| 20 | 40 | 0.006 |
| 40 | 50 | 0.007 |
| 寸法 | 寸法 公差 | |
| を超え | 以下 | |
| 2 | 6 | ±0.1 |
| 6 | 30 | ±0.2 |
| 30 | 120 | ±0.3 |
| 120 | 400 | ±0.5 |
| 400 | 800 | ±0.8 |
| Type | D公差 | [ M ]材質 | [ M ]材質 | 洗浄方法 | ||||
| 洗浄方法 | 洗浄環境 | 梱包形態 | 梱包環境 | |||||
| ① | SL-SSFMKRT | h9(みがき棒) | SUS304 | - | 脱脂洗浄 | 一般環境 | 防錆梱包 | 一般環境 |
| SH-SSFMKRT | 精密洗浄 | クラス1000 | 脱気2重梱包 | クラス10 | ||||
| SHD-SSFMKRT | 電解研磨+精密洗浄 | |||||||
| SL-PSFMKRT | S45C相当 | 無電解ニッケルメッキ | 脱脂洗浄 | 一般環境 | 防錆梱包 | 一般環境 | ||
| SH-PSFMKRT | 精密洗浄 | クラス1000 | 脱気2重梱包 | クラス10 | ||||
| ② | SL-SSFHKRT | h7(研磨棒) | SUS304 | - | 脱脂洗浄 | 一般環境 | 防錆梱包 | 一般環境 |
| SH-SSFHKRT | 精密洗浄 | クラス1000 | 脱気2重梱包 | クラス10 | ||||
| SHD-SSFHKRT | 電解研磨+精密洗浄 | |||||||
| SL-PSFHKRT | S45C相当 | 無電解ニッケルメッキ | 脱脂洗浄 | 一般環境 | 防錆梱包 | 一般環境 | ||
| SH-PSFHKRT | 精密洗浄 | クラス1000 | 脱気2重梱包 | クラス10 | ||||
| ③ | SL-SSFGKRT | g6(研磨棒) | SUS304 | - | 脱脂洗浄 | 一般環境 | 防錆梱包 | 一般環境 |
| SH-SSFGKRT | 精密洗浄 | クラス1000 | 脱気2重梱包 | クラス10 | ||||
| SHD-SSFGKRT | 電解研磨+精密洗浄 | |||||||
| SL-PSFGKRT | S45C相当 | 無電解ニッケルメッキ | 脱脂洗浄 | 一般環境 | 防錆梱包 | 一般環境 | ||
| SH-PSFGKRT | 精密洗浄 | クラス1000 | 脱気2重梱包 | クラス10 | ||||
詳細図を記載しておりますので、ご確認ください。| 型式 | L | M | キー溝① | キー溝② | キー溝③ | ||||||||||||
| − | − | − | − | − | |||||||||||||
| KA | − | A | KB | − | B | KC | − | C | |||||||||
| キー溝付1ヶ所 | SL-SSFMKRT10 | − | 325 | − | M4 | − | KA20 | − | A50 | ||||||||
| キー溝付2ヶ所 | SH-SSFHKRT30 | − | 300 | − | M10 | − | KA20 | − | A50 | − | KB120 | − | B20 | ||||
| キー溝付3ヶ所 | SHD-SSFGKRT25 | − | 350 | − | M8 | − | KA10 | − | A60 | − | KB90 | − | B30 | − | KC210 | − | C30 |
| 型式 | L 指定0.1mm単位 | M(並目) 選択 | キー溝① | キー溝② | キー溝③ | |||||||||||
| Type | Dh9 | KA・A | KB・B | KC・C | ||||||||||||
| 公差 | 指定0.1mm単位 | |||||||||||||||
| SL-SSFMKRT SH-SSFMKRT SHD-SSFMKRT | 6 | 0 -0.030 | 15.0〜500.0 | (2.6) | (3) | (4) | KA+A≦L KA≧0 b≦A≦100 | KB+B≦L KB≧KA+A b≦B≦100 | KC+C≦L KC≧KB+B b≦C≦100 | |||||||
| 8 | 0 -0.036 | 15.0〜500.0 | (2.6) | (3) | (4) | (5) | (6) | |||||||||
| 10 | 15.0〜800.0 | 3 | 4 | (5) | (6) | |||||||||||
| 12 | 0 -0.043 | 15.0〜800.0 | 3 | 4 | 5 | (6) | (8) | |||||||||
| 15 | 15.0〜800.0 | 3 | 4 | 5 | 6 | (8) | (10) | |||||||||
| 16 | 15.0〜800.0 | 4 | 5 | 6 | 8 | (10) | (12) | |||||||||
| 20 | 0 -0.052 | 20.0〜800.0 | 4 | 5 | 6 | 8 | 10 | (12) | (16) | |||||||
| 25 | 20.0〜800.0 | 4 | 5 | 6 | 8 | 10 | 12 | (16) | ||||||||
| 30 | 20.0〜800.0 | 5 | 6 | 8 | 10 | 12 | 16 | 20 | ||||||||
| 35 | 0 -0.062 | 70.0〜800.0 | 6 | 8 | 10 | 12 | 16 | 20 | ||||||||
| 型式 | L 指定0.1mm単位 | M(並目) 選択 | キー溝① KA・A | キー溝② KB・B | キー溝③ KC・C | |||||||||||
| Type | Dh9 | |||||||||||||||
| 公差 | 指定0.1mm単位 | |||||||||||||||
| SL-PSFMKRT SH-PSFMKRT | 6 | 0 −0.030 | 15.0〜500.0 | (2.6) | (3) | (4) | KA+A≦L KA≧0 b≦A≦100 | KB+B≦L KB≧KA+A b≦B≦100 | KC+C≦L KC≧KB+B b≦C≦100 | |||||||
| 8 | 0 −0.036 | 15.0〜500.0 | (2.6) | (3) | (4) | (5) | (6) | |||||||||
| 10 | 15.0〜800.0 | 3 | 4 | (5) | (6) | |||||||||||
| 12 | 0 −0.043 | 15.0〜800.0 | 3 | 4 | 5 | (6) | (8) | |||||||||
| 13 | 15.0〜800.0 | 3 | 4 | 5 | 6 | (8) | ||||||||||
| 15 | 15.0〜800.0 | 3 | 4 | 5 | 6 | (8) | (10) | |||||||||
| 16 | 15.0〜800.0 | 4 | 5 | 6 | 8 | (10) | (12) | |||||||||
| 17 | 20.0〜800.0 | 4 | 5 | 6 | 8 | (10) | (12) | |||||||||
| 18 | 20.0〜800.0 | 4 | 5 | 6 | 8 | (10) | (12) | |||||||||
| 20 | 0 −0.052 | 20.0〜800.0 | 4 | 5 | 6 | 8 | 10 | (12) | (16) | |||||||
| 22 | 20.0〜800.0 | 4 | 5 | 6 | 8 | 10 | 12 | (16) | ||||||||
| 25 | 20.0〜800.0 | 4 | 5 | 6 | 8 | 10 | 12 | (16) | ||||||||
| 30 | 20.0〜800.0 | 5 | 6 | 8 | 10 | 12 | 16 | 20 | ||||||||
| 35 | 0 −0.062 | 70.0〜800.0 | 6 | 8 | 10 | 12 | 16 | 20 | ||||||||
| 型式 | L 指定0.1mm単位 | M(並目) 選択 | キー溝① KA・A | キー溝② KB・B | キー溝③ KC・C | |||||||||||||
| Type | Dh7 | |||||||||||||||||
| 公差 | 指定0.1mm単位 | |||||||||||||||||
| SL-SSFHKRT SH-SSFHKRT SHD-SSFHKRT SL-PSFHKRT SH-PSFHKRT | 6 | 0 −0.012 | 15.0〜500.0 | (2.6) | (3) | (4) | KA+A≦L KA≧0 b≦A≦100 | KB+B≦L KB≧KA+A b≦B≦100 | KC+C≦L KC≧KB+B b≦C≦100 | |||||||||
| 8 | 0 −0.015 | 15.0〜500.0 | (2.6) | (3) | (4) | (5) | (6) | |||||||||||
| 10 | 15.0〜800.0 | 3 | 4 | (5) | (6) | |||||||||||||
| 12 | 0 −0.018 | 15.0〜800.0 | 3 | 4 | 5 | (6) | (8) | |||||||||||
| 15 | 15.0〜800.0 | 3 | 4 | 5 | 6 | (8) | (10) | |||||||||||
| 17 | 20.0〜800.0 | 4 | 5 | 6 | (8) | (10) | (12) | |||||||||||
| 20 | 0 −0.021 | 20.0〜800.0 | 4 | 5 | 6 | 8 | (10) | (12) | (16) | |||||||||
| 25 | 20.0〜800.0 | 4 | 5 | 6 | 8 | 10 | 12 | (16) | ||||||||||
| 30 | 20.0〜800.0 | 5 | 6 | 8 | 10 | 12 | 16 | 20 | ||||||||||
| 35 | 0 −0.025 | 70.0〜800.0 | 6 | 8 | 10 | 12 | 16 | 20 | ||||||||||
| 40 | 80.0〜800.0 | 10 | 12 | 16 | 20 | 24 | ||||||||||||
| 50 | 100.0〜800.0 | 12 | 16 | 20 | 24 | 30 | ||||||||||||
| 型式 | L 指定0.1mm単位 | M(並目) 選択 | キー溝① KA・A | キー溝② KB・B | キー溝③ KC・C | |||||||||||||
| Type | Dg6 | |||||||||||||||||
| 公差 | 指定0.1mm単位 | |||||||||||||||||
| SL-SSFGKRT SH-SSFGKRT SHD-SSFGKRT SL-PSFGKRT SH-PSFGKRT | 6 | −0.004 −0.012 | 15.0〜500.0 | (2.6) | (3) | (4) | KA+A≦L KA≧0 b≦A≦100 | KB+B≦L KB≧KA+A b≦B≦100 | KC+C≦L KC≧KB+B b≦C≦100 | |||||||||
| 8 | −0.005 −0.014 | 15.0〜500.0 | (2.6) | (3) | (4) | (5) | (6) | |||||||||||
| 10 | 15.0〜800.0 | 3 | 4 | (5) | (6) | |||||||||||||
| 12 | −0.006 −0.017 | 15.0〜900.0 | 3 | 4 | 5 | (6) | (8) | |||||||||||
| 13 | 15.0〜900.0 | 3 | 4 | 5 | 6 | (8) | ||||||||||||
| 15 | 15.0〜1000.0 | 3 | 4 | 5 | 6 | (8) | (10) | |||||||||||
| 16 | 15.0〜1000.0 | 4 | 5 | 6 | 8 | (10) | (12) | |||||||||||
| 17 | 20.0〜1000.0 | 4 | 5 | 6 | 8 | (10) | (12) | |||||||||||
| 18 | 20.0〜1000.0 | 4 | 5 | 6 | 8 | (10) | (12) | |||||||||||
| 20 | −0.007 −0.020 | 20.0〜1000.0 | 4 | 5 | 6 | 8 | 10 | (12) | (16) | |||||||||
| 22 | 20.0〜1000.0 | 4 | 5 | 6 | 8 | 10 | 12 | (16) | ||||||||||
| 25 | 20.0〜1000.0 | 4 | 5 | 6 | 8 | 10 | 12 | (16) | ||||||||||
| 30 | 20.0〜1000.0 | 5 | 6 | 8 | 10 | 12 | 16 | 20 | ||||||||||
| 35 | −0.009 −0.025 | 70.0〜1000.0 | 6 | 8 | 10 | 12 | 16 | 20 | ||||||||||
| 40 | 80.0〜1000.0 | 10 | 12 | 16 | 20 | 24 | ||||||||||||
| 50 | 100.0〜1000.0 | 12 | 16 | 20 | 24 | 30 | ||||||||||||
| 型式 | − | L | − | M | − | KA | − | A | − | KB | − | B | − | KC | − | C | − | (LKC・FC…etc.) |
| SH-SSFHKRT30 | − | 200 | − | M10 | − | KA20 | − | A50 | − | KB120 | − | B20 | − | LKC |
| 追加工 コード | 追加工内容 | 適用条件 | 指定例 | \/1Code | ||||||||||||
| FC | 平面取り1ヶ所追加![]() | FC・G=1mm単位指定 [ ! ]G≦70 ※Hはこちらを参照 | SFHKRT30-300-M10-KA20-A50-KB120-B20-FC10-G3 | 200 | ||||||||||||
| WFC | 平面取り2ヶ所追加![]() | WFC・J・W・V=1mm単位指定 [ ! ]J・V≦70 ※Hはこちらを参照 | SFHKRT30-300-M10-KA20-A50-KB120-B20-WFC10-J15-W10-V20 | 300 | ||||||||||||
| SFC | 平面取り、角度指定2面取り追加![]() | SFC・SG=1mm単位指定 AG=15度単位指定 [ ! ]SG≦70 ※Hはこちらを参照 | SFHKRT30-300-M10-KA20-A50-KB120-B20-SFC10-SG3-AG120 | 500 | ||||||||||||
| UC | スリットカム用溝の追加![]() | UC=1mm単位指定 [ NG ]φ2・2.5、D13以上は不可 ※d・ℓ1はこちらを参照 | SFHKRT10-300-M8-KA20-A50-KB120-B20-UC10 | 200 | ||||||||||||
| TA・TB | 止め輪溝の追加![]() | TA・TB=0.1mm単位指定 [ ! ]2≦TA・TB≦150 止輪溝タイプはこちらにて対応。 | SFHKRT30-300-M10-KA20-A50-KB120-B20-TA10 | 200 | ||||||||||||
| LKC | L寸法公差変更![]() | L<500・・・L±0.05 L≧500・・・L±0.1 | SFHKRT30-300-M10-KA20-A50-KB120-B20-LKC | 400 | ||||||||||||
| SC | スパナ溝の追加![]() | SC=1mm単位指定 ※W・ℓ2はこちらを参照 | SFHKRT30-300-M10-KA20-A50-KB120-B20-SC10 | 400 | ||||||||||||
| MM | すり割り溝の追加![]() | めねじと反対側にすり割り溝を追加します。 [ NG ]D35以上は不可
| SFHKRT30-300-M10-KA20-A50-KB120-B20-MM | 400 | ||||||||||||
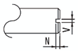
| CD | D部面取りの変更![]() | D部の面取りの大きさを変更 ※CDは表より選択 [ ! ]対応径に記載の径のみ対応
| SFHKRT30-300-M10-KA20-A50-KB120-B20-CD4 | 100 | ||||||||||||
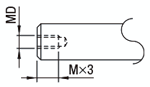
| MD | めねじ深さ変更![]() | MをMDにかえて指定 [ NG ]M2・M2.6・M24・M30は不可 | SFHKRT30-300-MD10-KA20-A50-KB120-B20 | 200 |
回転軸 軸径に対する止め輪溝部詳細寸法
|
| ![]() | |||||||||||||||||||||||||||||||||||||||||||||||||||||||||||||||||||||||||||||||||||||||||||||||||||||||||||||||||||||||||||||||||||||||
洗浄工程| ※材質がステンレスの場合、アルカリ系温水洗浄となることがあります。 | |
| ・脱脂洗浄(型式:SL-□□) | ※表面処理が低温黒色クロムメッキの場合、IPA洗浄となります。 |
作業環境:一般環境 | ||||||
|---|---|---|---|---|---|---|
![]() 炭化水素系洗浄※ Ro水洗浄 中性洗剤洗浄 | ![]() | ![]() 高圧ジェット水洗(Ro水) 後に純水(10MΩ・cm)で 洗浄 | ![]() | ![]() エアブロー(オイルフリー) 使用 | ![]() | ![]() 防錆袋使用 |
| ・精密洗浄(型式:SH-□□) | ※表面処理が低温黒色クロムメッキの場合、IPA洗浄となります。 |
作業環境:クラス1000 | 作業環境:クラス10 | |||||||
|---|---|---|---|---|---|---|---|---|
![]() 炭化水素系洗浄※ Ro水洗浄 中性洗剤洗浄 | ![]() | ![]() 高圧ジェット水洗(Ro水) 後に純水(10MΩ・cm)で 洗浄 | ![]() | ![]() 温純水(13MΩ・cm)使用 | ![]() | ![]() 窒素ブロー使用 | ![]() | ![]() クリーンベンチ(クラス10) で実施 |
作業環境:クラス1000 | 作業環境:クラス10 | |||||||||
|---|---|---|---|---|---|---|---|---|---|---|
![]() 炭化水素系洗浄 Ro水洗浄 中性洗剤洗浄 | ![]() | ![]() 材質に応じた電解研磨槽 で電解研磨 | ![]() | ![]() 高圧ジェット水洗(Ro水) 後に純水(10MΩ・cm)で 洗浄 | ![]() | ![]() 温純水(13MΩ・cm)使用 | ![]() | ![]() 窒素ブロー使用 | ![]() | ![]() クリーンベンチ(クラス10) で実施 |
梱包例| 脱脂洗浄の場合 (TYPE型番:SL-□□) | 精密洗浄または電解研磨+精密洗浄の場合 | |
| (TYPE型番:SH-□□・SHD-□□) | ||
| オーステナイト系ステンレス・アルミ材質の場合 | 鉄・マルテンサイト系ステンレス材質の場合 | |
![]() | ![]() | ![]() |
| 一部商品・サイズによっては、 梱包形態が異なる場合がございます。 | [ ! ]1重目・2重目の梱包とも、脱気されております。 | [ ! ]防錆対策として乾燥剤を同封しております。 1梱包につき1つになります。 |
洗浄効果・利用推奨環境洗浄方法 | 商品型番 | 梱包形態 | 未洗浄品と比べた効果 | ご利用環境(目安) | 利用シーン・工程 |
|---|---|---|---|---|---|
| 脱脂洗浄 | SL-□□ | 防錆梱包 | 油分除去 | 一般環境 | 通常組立工程 |
| バッテリー組立後工程 | |||||
| 精密洗浄 | SH-□□ | 脱気2重梱包 | 油分除去 粉塵除去 | クリーン環境(クラス10~1,000) | バッテリー組立工程 |
| 液晶関連組立後工程 | |||||
| 車載カメラ組立工程 | |||||
| 電解研磨+精密洗浄 | SHD-□□ | 脱気2重梱包 | 油分除去 粉塵除去 アウトガス低減 | 真空環境 クリーン環境(クラス10~1,000) | 半導体前工程 |
| 液晶成膜工程 | |||||
| 有機EL前工程 |
| 型番 |
|---|
通常単価(税別)
(税込単価) | 通常出荷日 |
洗浄不要の場合の代替品
|
|---|
- ( - ) | 5日目 |
|
- ( - ) | 5日目 |
|
- ( - ) | 5日目 |
|
- ( - ) | 5日目 |
|
- ( - ) | 5日目 |
|
- ( - ) | 5日目 |
|
- ( - ) | 5日目 |
|
- ( - ) | 5日目 |
|
- ( - ) | 5日目 |
|
- ( - ) | 5日目 |
|
- ( - ) | 5日目 |
|
- ( - ) | 5日目 |
|
- ( - ) | 5日目 |
|
- ( - ) | 5日目 |
|
- ( - ) | 5日目 |
|
- ( - ) | 5日目 |
|
- ( - ) | 5日目 |
|
- ( - ) | 5日目 |
|
- ( - ) | 5日目 |
|
- ( - ) | 5日目 |
|
- ( - ) | 5日目 |
|
- ( - ) | 5日目 |
|
- ( - ) | 5日目 |
|
- ( - ) | 5日目 |
|
- ( - ) | 5日目 |
|
- ( - ) | 5日目 |
|
- ( - ) | 5日目 |
|
- ( - ) | 5日目 |
|
- ( - ) | 5日目 |
|
- ( - ) | 5日目 |
|
- ( - ) | 5日目 |
|
- ( - ) | 5日目 |
|
- ( - ) | 5日目 |
|
- ( - ) | 5日目 |
|
- ( - ) | 5日目 |
|
- ( - ) | 5日目 |
|
- ( - ) | 5日目 |
|
- ( - ) | 5日目 |
|
- ( - ) | 5日目 |
|
- ( - ) | 5日目 |
|
- ( - ) | 5日目 |
|
- ( - ) | 5日目 |
|
- ( - ) | 5日目 |
|
- ( - ) | 5日目 |
|
- ( - ) | 5日目 |
|
- ( - ) | 5日目 |
|
- ( - ) | 5日目 |
|
- ( - ) | 5日目 |
|
- ( - ) | 5日目 |
|
- ( - ) | 5日目 |
|
- ( - ) | 5日目 |
|
- ( - ) | 5日目 |
|
- ( - ) | 5日目 |
|
- ( - ) | 5日目 |
|
- ( - ) | 5日目 |
|
- ( - ) | 5日目 |
|
- ( - ) | 5日目 |
|
- ( - ) | 5日目 |
|
- ( - ) | 5日目 |
|
- ( - ) | 5日目 |
| ・脱脂洗浄(防錆1重梱包) | :型番SL-□□ |
| ・精密洗浄(脱気2重梱包) | :型番SH-□□ |
| ・電解研磨+精密洗浄(脱気2重梱包) | :型番SHD-□□ |
| 商品型番 | 洗浄方法 | 梱包形態 | 未洗浄品と比べた効果 | ご利用環境(目安) | 工程別 |
| SL-□□ | 脱脂洗浄 | 防錆梱包 | 油分除去 | 一般環境 | 通常組立工程 |
| バッテリー組立後工程 | |||||
| SH-□□ | 精密洗浄 | 脱気2重梱包 | 油分除去 粉塵除去 | クリーン環境(クラス10~1,000) | バッテリー組立工程 |
| 液晶関連組立後工程 | |||||
| 車載カメラ組立工程 | |||||
| SHD-□□ | 電解研磨+精密洗浄 | 脱気2重梱包 | 油分除去 粉塵除去 アウトガス低減 | 真空環境 クリーン環境(クラス10~1,000) | 半導体前工程 |
| 液晶成膜工程 | |||||
| 有機EL前工程 |
| D | SL-SSFMKRT | SH-SSFMKRT | SHD-SSFMKRT | |||||||||||||||||||||
| 最短L | L50.1 | L100.1 | L150.1 | L200.1 | L300.1 | L400.1 | L600.1 | 最短L | L50.1 | L100.1 | L150.1 | L200.1 | L300.1 | L400.1 | L600.1 | 最短L | L50.1 | L100.1 | L150.1 | L200.1 | L300.1 | L400.1 | L600.1 | |
| ~ | ~ | ~ | ~ | ~ | ~ | ~ | ~ | ~ | ~ | ~ | ~ | ~ | ~ | ~ | ~ | ~ | ~ | ~ | ~ | ~ | ~ | ~ | ~ | |
| 50.0 | 100.0 | 150.0 | 200.0 | 300.0 | 400.0 | 600.0 | 800.0 | 50.0 | 100.0 | 150.0 | 200.0 | 300.0 | 400.0 | 600.0 | 800.0 | 50.0 | 100.0 | 150.0 | 200.0 | 300.0 | 400.0 | 600.0 | 800.0 | |
| 6 | 1,990 | 2,060 | 2,150 | 2,220 | 2,610 | 2,750 | 2,890 | - | 2,590 | 2,660 | 2,750 | 2,970 | 3,810 | 4,250 | 4,390 | - | 3,040 | 3,110 | 3,200 | 3,420 | 4,560 | 5,000 | 5,140 | - |
| 8 | 1,990 | 2,060 | 2,150 | 2,220 | 2,610 | 2,750 | 2,890 | - | 2,590 | 2,660 | 2,750 | 2,970 | 3,810 | 4,250 | 4,390 | - | 3,040 | 3,110 | 3,200 | 3,420 | 4,560 | 5,000 | 5,140 | - |
| 10 | 1,990 | 2,060 | 2,150 | 2,220 | 2,690 | 2,750 | 2,890 | 3,120 | 2,590 | 2,660 | 2,750 | 2,970 | 3,890 | 4,250 | 4,390 | 4,620 | 3,040 | 3,110 | 3,200 | 3,420 | 4,640 | 5,000 | 5,140 | 5,370 |
| 12 | 2,080 | 2,180 | 2,250 | 2,340 | 2,700 | 2,870 | 3,220 | 3,670 | 2,680 | 2,780 | 3,000 | 3,090 | 3,900 | 4,370 | 4,720 | 5,170 | 3,130 | 3,230 | 3,450 | 3,540 | 4,650 | 5,120 | 5,470 | 5,920 |
| 15 | 2,220 | 2,350 | 2,370 | 2,470 | 2,900 | 3,050 | 3,450 | 3,970 | 2,970 | 3,100 | 3,120 | 3,220 | 4,100 | 4,550 | 4,950 | 5,470 | 3,420 | 3,550 | 3,570 | 3,670 | 4,850 | 5,300 | 5,700 | 6,220 |
| 16 | 2,260 | 2,400 | 2,430 | 2,540 | 3,000 | 3,270 | 3,870 | 4,570 | 3,010 | 3,150 | 3,180 | 3,290 | 4,200 | 4,770 | 5,370 | 6,070 | 3,460 | 3,600 | 3,630 | 3,740 | 4,950 | 5,520 | 6,120 | 6,820 |
| 20 | 2,330 | 2,540 | 2,570 | 2,710 | 3,240 | 3,820 | 4,980 | 6,120 | 3,080 | 3,290 | 3,320 | 3,460 | 4,440 | 5,320 | 6,480 | 7,620 | 3,530 | 3,740 | 3,770 | 3,910 | 5,190 | 6,070 | 7,230 | 8,370 |
| 25 | 2,490 | 2,850 | 2,960 | 3,140 | 4,000 | 4,770 | 6,520 | 8,010 | 3,240 | 3,600 | 3,710 | 3,890 | 5,200 | 6,270 | 8,020 | 9,510 | 3,690 | 4,050 | 4,160 | 4,340 | 5,950 | 7,020 | 8,770 | 10,260 |
| 30 | 2,670 | 2,980 | 3,190 | 3,650 | 4,770 | 5,780 | 8,050 | 10,240 | 3,420 | 3,730 | 3,940 | 4,400 | 5,970 | 7,280 | 9,550 | 11,740 | 3,870 | 4,180 | 4,390 | 4,850 | 6,720 | 8,030 | 10,300 | 12,490 |
| 35 | - | 3,830 | 4,140 | 4,700 | 6,230 | 7,820 | 11,030 | 13,840 | - | 4,580 | 4,890 | 5,450 | 7,430 | 9,320 | 12,530 | 15,340 | - | 5,030 | 5,340 | 5,900 | 8,180 | 10,070 | 13,280 | 16,090 |
| D | SL-PSFMKRT | SH-PSFMKRT | ||||||||||||||
| 最短L | L50.1 | L100.1 | L150.1 | L200.1 | L300.1 | L400.1 | L600.1 | 最短L | L50.1 | L100.1 | L150.1 | L200.1 | L300.1 | L400.1 | L600.1 | |
| ~ | ~ | ~ | ~ | ~ | ~ | ~ | ~ | ~ | ~ | ~ | ~ | ~ | ~ | ~ | ~ | |
| 50.0 | 100.0 | 150.0 | 200.0 | 300.0 | 400.0 | 600.0 | 800.0 | 50.0 | 100.0 | 150.0 | 200.0 | 300.0 | 400.0 | 600.0 | 800.0 | |
| 6 | 1,950 | 2,010 | 2,110 | 2,150 | 2,440 | 3,380 | 3,510 | - | 2,550 | 2,610 | 2,860 | 2,900 | 3,640 | 4,080 | 4,210 | - |
| 8 | 1,950 | 2,010 | 2,110 | 2,150 | 2,440 | 3,380 | 3,510 | - | 2,550 | 2,610 | 2,860 | 2,900 | 3,640 | 4,080 | 4,210 | - |
| 10 | 1,950 | 2,010 | 2,110 | 2,150 | 2,440 | 3,380 | 3,510 | 3,830 | 2,550 | 2,610 | 2,860 | 2,900 | 3,640 | 4,080 | 4,210 | 4,530 |
| 12 | 2,000 | 2,100 | 2,130 | 2,200 | 2,480 | 3,430 | 3,880 | 4,270 | 2,600 | 2,700 | 2,880 | 2,950 | 3,680 | 4,130 | 4,580 | 4,970 |
| 13 | 2,030 | 2,140 | 2,170 | 2,250 | 2,590 | 3,530 | 4,040 | 4,460 | 2,630 | 2,740 | 2,920 | 3,000 | 3,790 | 4,230 | 4,740 | 5,160 |
| 15 | 2,050 | 2,150 | 2,180 | 2,260 | 2,630 | 3,580 | 4,110 | 4,540 | 2,650 | 2,750 | 2,930 | 3,010 | 3,830 | 4,280 | 4,810 | 5,240 |
| 16 | 2,090 | 2,200 | 2,240 | 2,320 | 2,680 | 3,640 | 4,170 | 4,760 | 2,690 | 2,800 | 2,990 | 3,070 | 3,880 | 4,340 | 4,870 | 5,460 |
| 17 | 2,160 | 2,320 | 2,350 | 2,450 | 2,830 | 3,810 | 4,330 | 5,340 | 2,910 | 2,920 | 3,100 | 3,200 | 4,030 | 4,510 | 5,030 | 6,040 |
| 18 | 2,220 | 2,400 | 2,440 | 2,540 | 2,930 | 3,930 | 4,450 | 5,730 | 2,970 | 3,000 | 3,190 | 3,290 | 4,130 | 4,630 | 5,150 | 6,430 |
| 20 | 2,250 | 2,440 | 2,480 | 2,600 | 2,990 | 4,000 | 4,510 | 5,980 | 3,000 | 3,040 | 3,230 | 3,350 | 4,190 | 4,700 | 5,210 | 6,680 |
| 22 | 2,390 | 2,780 | 2,890 | 3,060 | 3,770 | 5,430 | 6,890 | 8,430 | 3,140 | 3,380 | 3,640 | 3,810 | 4,970 | 6,130 | 7,590 | 9,130 |
| 25 | 2,430 | 2,910 | 3,050 | 3,240 | 4,090 | 5,760 | 7,480 | 9,020 | 3,180 | 3,510 | 3,800 | 3,990 | 5,290 | 6,460 | 8,180 | 9,720 |
| 30 | 2,630 | 3,010 | 3,170 | 3,720 | 4,740 | 6,660 | 8,840 | 11,040 | 3,380 | 3,610 | 3,920 | 4,470 | 5,940 | 7,360 | 9,540 | 11,740 |
| 35 | - | 3,680 | 3,900 | 4,680 | 6,220 | 8,640 | 11,930 | 14,960 | - | 4,280 | 4,650 | 5,430 | 7,420 | 9,340 | 12,630 | 15,660 |
| D | SL-SSFHKRT | SH-SSFHKRT | SHD-SSFHKRT | |||||||||||||||||||||
| 最短L | L50.1 | L100.1 | L150.1 | L200.1 | L300.1 | L400.1 | L600.1 | 最短L | L50.1 | L100.1 | L150.1 | L200.1 | L300.1 | L400.1 | L600.1 | 最短L | L50.1 | L100.1 | L150.1 | L200.1 | L300.1 | L400.1 | L600.1 | |
| ~ | ~ | ~ | ~ | ~ | ~ | ~ | ~ | ~ | ~ | ~ | ~ | ~ | ~ | ~ | ~ | ~ | ~ | ~ | ~ | ~ | ~ | ~ | ~ | |
| 50.0 | 100.0 | 150.0 | 200.0 | 300.0 | 400.0 | 600.0 | 800.0 | 50.0 | 100.0 | 150.0 | 200.0 | 300.0 | 400.0 | 600.0 | 800.0 | 50.0 | 100.0 | 150.0 | 200.0 | 300.0 | 400.0 | 600.0 | 800.0 | |
| 6 | 2,050 | 2,110 | 2,210 | 2,300 | 2,730 | 2,890 | 3,030 | - | 2,650 | 2,710 | 2,960 | 3,050 | 3,930 | 4,390 | 4,530 | - | 3,100 | 3,160 | 3,410 | 3,500 | 4,680 | 5,140 | 5,280 | - |
| 8 | 2,050 | 2,110 | 2,210 | 2,300 | 2,730 | 2,890 | 3,030 | - | 2,650 | 2,710 | 2,960 | 3,050 | 3,930 | 4,390 | 4,530 | - | 3,100 | 3,160 | 3,410 | 3,500 | 4,680 | 5,140 | 5,280 | - |
| 10 | 2,050 | 2,110 | 2,210 | 2,300 | 2,700 | 2,890 | 3,030 | 3,400 | 2,650 | 2,710 | 2,960 | 3,050 | 3,900 | 4,390 | 4,530 | 4,900 | 3,100 | 3,160 | 3,410 | 3,500 | 4,650 | 5,140 | 5,280 | 5,650 |
| 12 | 2,140 | 2,260 | 2,320 | 2,420 | 2,820 | 3,010 | 3,410 | 3,930 | 2,740 | 3,010 | 3,070 | 3,170 | 4,020 | 4,510 | 4,910 | 5,430 | 3,190 | 3,460 | 3,520 | 3,620 | 4,770 | 5,260 | 5,660 | 6,180 |
| 15 | 2,300 | 2,430 | 2,470 | 2,570 | 3,040 | 3,220 | 3,660 | 4,240 | 3,050 | 3,180 | 3,220 | 3,320 | 4,240 | 4,720 | 5,160 | 5,740 | 3,500 | 3,630 | 3,670 | 3,770 | 4,990 | 5,470 | 5,910 | 6,490 |
| 17 | 2,330 | 2,540 | 2,570 | 2,640 | 3,170 | 3,350 | 4,080 | 4,930 | 3,080 | 3,290 | 3,320 | 3,390 | 4,370 | 4,850 | 5,580 | 6,430 | 3,530 | 3,740 | 3,770 | 3,840 | 5,120 | 5,600 | 6,330 | 7,180 |
| 20 | 2,410 | 2,660 | 2,690 | 2,830 | 3,430 | 4,070 | 5,350 | 6,620 | 3,160 | 3,410 | 3,440 | 3,580 | 4,630 | 5,570 | 6,850 | 8,120 | 3,610 | 3,860 | 3,890 | 4,030 | 5,380 | 6,320 | 7,600 | 8,870 |
| 25 | 2,590 | 3,000 | 3,320 | 3,550 | 4,270 | 5,410 | 7,080 | 8,720 | 3,340 | 3,750 | 4,070 | 4,300 | 5,470 | 6,910 | 8,580 | 10,220 | 3,790 | 4,200 | 4,520 | 4,750 | 6,220 | 7,660 | 9,330 | 10,970 |
| 30 | 2,800 | 3,140 | 3,370 | 3,880 | 5,120 | 6,260 | 8,780 | 11,200 | 3,550 | 3,890 | 4,120 | 4,630 | 6,320 | 7,760 | 10,280 | 12,700 | 4,000 | 4,340 | 4,570 | 5,080 | 7,070 | 8,510 | 11,030 | 13,450 |
| 35 | - | 4,080 | 4,420 | 5,050 | 6,750 | 8,510 | 12,080 | 15,200 | - | 4,830 | 5,170 | 5,800 | 7,950 | 10,010 | 13,580 | 16,700 | - | 5,280 | 5,620 | 6,250 | 8,700 | 10,760 | 14,330 | 17,450 |
| 40 | - | 4,630 | 5,000 | 5,780 | 7,810 | 9,940 | 14,220 | 17,970 | - | 5,380 | 5,750 | 6,530 | 9,010 | 11,440 | 15,720 | 19,470 | - | 5,830 | 6,200 | 6,980 | 9,760 | 12,190 | 16,470 | 20,220 |
| 50 | - | 5,530 | 6,070 | 7,050 | 9,360 | 11,950 | 18,040 | 22,960 | - | 6,280 | 6,820 | 7,800 | 10,560 | 13,450 | 19,540 | 24,460 | - | 6,730 | 7,270 | 8,250 | 11,310 | 14,200 | 20,290 | 25,210 |
| D | SL-PSFHKRT | SH-PSFHKRT | ||||||||||||||
| 最短L | L50.1 | L100.1 | L150.1 | L200.1 | L300.1 | L400.1 | L600.1 | 最短L | L50.1 | L100.1 | L150.1 | L200.1 | L300.1 | L400.1 | L600.1 | |
| ~ | ~ | ~ | ~ | ~ | ~ | ~ | ~ | ~ | ~ | ~ | ~ | ~ | ~ | ~ | ~ | |
| 50.0 | 100.0 | 150.0 | 200.0 | 300.0 | 400.0 | 600.0 | 800.0 | 50.0 | 100.0 | 150.0 | 200.0 | 300.0 | 400.0 | 600.0 | 800.0 | |
| 6 | 2,000 | 2,090 | 2,180 | 2,230 | 2,560 | 3,510 | 3,670 | - | 2,600 | 2,690 | 2,930 | 2,980 | 3,760 | 4,210 | 4,370 | - |
| 8 | 2,000 | 2,090 | 2,180 | 2,230 | 2,560 | 3,510 | 3,670 | - | 2,600 | 2,690 | 2,930 | 2,980 | 3,760 | 4,210 | 4,370 | - |
| 10 | 2,000 | 2,090 | 2,180 | 2,230 | 2,560 | 3,510 | 3,670 | 4,020 | 2,600 | 2,690 | 2,930 | 2,980 | 3,760 | 4,210 | 4,370 | 4,720 |
| 12 | 2,080 | 2,170 | 2,200 | 2,300 | 2,620 | 3,580 | 4,100 | 4,520 | 2,680 | 2,770 | 2,950 | 3,050 | 3,820 | 4,280 | 4,800 | 5,220 |
| 15 | 2,120 | 2,230 | 2,270 | 2,360 | 2,780 | 3,740 | 4,350 | 4,840 | 2,720 | 2,830 | 3,020 | 3,110 | 3,980 | 4,440 | 5,050 | 5,540 |
| 17 | 2,170 | 2,360 | 2,400 | 2,540 | 2,970 | 3,980 | 4,570 | 5,670 | 2,920 | 2,960 | 3,150 | 3,290 | 4,170 | 4,680 | 5,270 | 6,370 |
| 20 | 2,350 | 2,560 | 2,620 | 2,750 | 3,190 | 4,220 | 4,810 | 6,470 | 3,100 | 3,160 | 3,370 | 3,500 | 4,390 | 4,920 | 5,510 | 7,170 |
| 25 | 2,560 | 3,090 | 3,250 | 3,470 | 4,430 | 6,230 | 8,180 | 9,930 | 3,310 | 3,690 | 4,000 | 4,220 | 5,630 | 6,930 | 8,880 | 10,630 |
| 30 | 2,780 | 3,210 | 3,390 | 4,010 | 5,190 | 7,250 | 9,720 | 12,230 | 3,530 | 3,810 | 4,140 | 4,760 | 6,390 | 7,950 | 10,420 | 12,930 |
| 35 | - | 3,960 | 4,220 | 5,110 | 6,860 | 9,510 | 13,230 | 16,680 | - | 4,560 | 4,970 | 5,860 | 8,060 | 10,210 | 13,930 | 17,380 |
| 40 | - | 4,450 | 4,760 | 5,840 | 7,930 | 10,940 | 15,420 | 19,580 | - | 5,050 | 5,510 | 6,590 | 9,130 | 11,640 | 16,120 | 20,280 |
| 50 | - | 5,370 | 5,750 | 7,170 | 9,840 | 13,550 | 19,360 | 24,760 | - | 5,970 | 6,500 | 7,920 | 11,040 | 14,250 | 20,060 | 25,460 |
| D | SL-SSFGKRT | SH-SSFGKRT | SHD-SSFGKRT | |||||||||||||||||||||
| 最短L | L50.1 | L100.1 | L150.1 | L200.1 | L300.1 | L400.1 | L600.1 | 最短L | L50.1 | L100.1 | L150.1 | L200.1 | L300.1 | L400.1 | L600.1 | 最短L | L50.1 | L100.1 | L150.1 | L200.1 | L300.1 | L400.1 | L600.1 | |
| ~ | ~ | ~ | ~ | ~ | ~ | ~ | ~ | ~ | ~ | ~ | ~ | ~ | ~ | ~ | ~ | ~ | ~ | ~ | ~ | ~ | ~ | ~ | ~ | |
| 50.0 | 100.0 | 150.0 | 200.0 | 300.0 | 400.0 | 600.0 | 800.0 | 50.0 | 100.0 | 150.0 | 200.0 | 300.0 | 400.0 | 600.0 | 800.0 | 50.0 | 100.0 | 150.0 | 200.0 | 300.0 | 400.0 | 600.0 | 800.0 | |
| 6 | 2,050 | 2,110 | 2,210 | 2,300 | 2,730 | 2,890 | 3,030 | - | 2,650 | 2,710 | 2,960 | 3,050 | 3,930 | 4,390 | 4,530 | - | 3,100 | 3,160 | 3,410 | 3,500 | 4,680 | 5,140 | 5,280 | - |
| 8 | 2,050 | 2,110 | 2,210 | 2,300 | 2,730 | 2,890 | 3,030 | - | 2,650 | 2,710 | 2,960 | 3,050 | 3,930 | 4,390 | 4,530 | - | 3,100 | 3,160 | 3,410 | 3,500 | 4,680 | 5,140 | 5,280 | - |
| 10 | 2,050 | 2,110 | 2,210 | 2,300 | 2,700 | 2,890 | 3,030 | 3,400 | 2,650 | 2,710 | 2,960 | 3,050 | 3,900 | 4,390 | 4,530 | 4,900 | 3,100 | 3,160 | 3,410 | 3,500 | 4,650 | 5,140 | 5,280 | 5,650 |
| 12 | 2,140 | 2,260 | 2,320 | 2,420 | 2,820 | 3,010 | 3,410 | 3,930 | 2,740 | 3,010 | 3,070 | 3,170 | 4,020 | 4,510 | 4,910 | 5,430 | 3,190 | 3,460 | 3,520 | 3,620 | 4,770 | 5,260 | 5,660 | 6,180 |
| 13 | 2,250 | 2,380 | 2,420 | 2,530 | 2,970 | 3,160 | 3,580 | 4,140 | 3,000 | 3,130 | 3,170 | 3,280 | 4,170 | 4,660 | 5,080 | 5,640 | 3,450 | 3,580 | 3,620 | 3,730 | 4,920 | 5,410 | 5,830 | 6,390 |
| 15 | 2,300 | 2,430 | 2,470 | 2,570 | 3,040 | 3,220 | 3,660 | 4,240 | 3,050 | 3,180 | 3,220 | 3,320 | 4,240 | 4,720 | 5,160 | 5,740 | 3,500 | 3,630 | 3,670 | 3,770 | 4,990 | 5,470 | 5,910 | 6,490 |
| 16 | 2,320 | 2,510 | 2,540 | 2,620 | 3,130 | 3,310 | 3,950 | 4,700 | 3,070 | 3,260 | 3,290 | 3,370 | 4,330 | 4,810 | 5,450 | 6,200 | 3,520 | 3,710 | 3,740 | 3,820 | 5,080 | 5,560 | 6,200 | 6,950 |
| 17 | 2,330 | 2,540 | 2,570 | 2,640 | 3,170 | 3,350 | 4,080 | 4,930 | 3,080 | 3,290 | 3,320 | 3,390 | 4,370 | 4,850 | 5,580 | 6,430 | 3,530 | 3,740 | 3,770 | 3,840 | 5,120 | 5,600 | 6,330 | 7,180 |
| 18 | 2,390 | 2,620 | 2,660 | 2,770 | 3,350 | 3,940 | 5,100 | 6,290 | 3,140 | 3,370 | 3,410 | 3,520 | 4,550 | 5,440 | 6,600 | 7,790 | 3,590 | 3,820 | 3,860 | 3,970 | 5,300 | 6,190 | 7,350 | 8,540 |
| 20 | 2,410 | 2,660 | 2,690 | 2,830 | 3,430 | 4,070 | 5,350 | 6,620 | 3,160 | 3,410 | 3,440 | 3,580 | 4,630 | 5,570 | 6,850 | 8,120 | 3,610 | 3,860 | 3,890 | 4,030 | 5,380 | 6,320 | 7,600 | 8,870 |
| 22 | 2,540 | 2,890 | 3,110 | 3,310 | 3,990 | 5,140 | 6,740 | 8,300 | 3,290 | 3,640 | 3,860 | 4,060 | 5,190 | 6,640 | 8,240 | 9,800 | 3,740 | 4,090 | 4,310 | 4,510 | 5,940 | 7,390 | 8,990 | 10,550 |
| 25 | 2,590 | 3,000 | 3,320 | 3,550 | 4,270 | 5,410 | 7,080 | 8,720 | 3,340 | 3,750 | 4,070 | 4,300 | 5,470 | 6,910 | 8,580 | 10,220 | 3,790 | 4,200 | 4,520 | 4,750 | 6,220 | 7,660 | 9,330 | 10,970 |
| 30 | 2,800 | 3,140 | 3,370 | 3,880 | 5,120 | 6,260 | 8,780 | 11,200 | 3,550 | 3,890 | 4,120 | 4,630 | 6,320 | 7,760 | 10,280 | 12,700 | 4,000 | 4,340 | 4,570 | 5,080 | 7,070 | 8,510 | 11,030 | 13,450 |
| 35 | - | 4,080 | 4,420 | 5,050 | 6,750 | 8,510 | 12,080 | 15,200 | - | 4,830 | 5,170 | 5,800 | 7,950 | 10,010 | 13,580 | 16,700 | - | 5,280 | 5,620 | 6,250 | 8,700 | 10,760 | 14,330 | 17,450 |
| 40 | - | 4,630 | 5,000 | 5,780 | 7,810 | 9,940 | 14,220 | 17,970 | - | 5,380 | 5,750 | 6,530 | 9,010 | 11,440 | 15,720 | 19,470 | - | 5,830 | 6,200 | 6,980 | 9,760 | 12,190 | 16,470 | 20,220 |
| 50 | - | 5,530 | 6,070 | 7,050 | 9,360 | 11,950 | 18,040 | 22,960 | - | 6,280 | 6,820 | 7,800 | 10,560 | 13,450 | 19,540 | 24,460 | - | 6,730 | 7,270 | 8,250 | 11,310 | 14,200 | 20,290 | 25,210 |
| D | SL-PSFGKRT | SH-PSFGKRT | ||||||||||||||
| 最短L | L50.1 | L100.1 | L150.1 | L200.1 | L300.1 | L400.1 | L600.1 | 最短L | L50.1 | L100.1 | L150.1 | L200.1 | L300.1 | L400.1 | L600.1 | |
| ~ | ~ | ~ | ~ | ~ | ~ | ~ | ~ | ~ | ~ | ~ | ~ | ~ | ~ | ~ | ~ | |
| 50.0 | 100.0 | 150.0 | 200.0 | 300.0 | 400.0 | 600.0 | 800.0 | 50.0 | 100.0 | 150.0 | 200.0 | 300.0 | 400.0 | 600.0 | 800.0 | |
| 6 | 2,000 | 2,090 | 2,180 | 2,230 | 2,560 | 3,510 | 3,670 | - | 2,000 | 2,090 | 2,180 | 2,230 | 2,560 | 3,510 | 3,670 | - |
| 8 | 2,000 | 2,090 | 2,180 | 2,230 | 2,560 | 3,510 | 3,670 | - | 2,000 | 2,090 | 2,180 | 2,230 | 2,560 | 3,510 | 3,670 | - |
| 10 | 2,000 | 2,090 | 2,180 | 2,230 | 2,560 | 3,510 | 3,670 | 4,020 | 2,000 | 2,090 | 2,180 | 2,230 | 2,560 | 3,510 | 3,670 | 4,020 |
| 12 | 2,080 | 2,170 | 2,200 | 2,300 | 2,620 | 3,580 | 4,100 | 4,520 | 2,080 | 2,170 | 2,200 | 2,300 | 2,620 | 3,580 | 4,100 | 4,520 |
| 13 | 2,110 | 2,220 | 2,260 | 2,340 | 2,690 | 3,650 | 4,220 | 4,680 | 2,110 | 2,220 | 2,260 | 2,340 | 2,690 | 3,650 | 4,220 | 4,680 |
| 15 | 2,120 | 2,230 | 2,270 | 2,360 | 2,780 | 3,740 | 4,350 | 4,840 | 2,120 | 2,230 | 2,270 | 2,360 | 2,780 | 3,740 | 4,350 | 4,840 |
| 16 | 2,160 | 2,350 | 2,380 | 2,460 | 2,940 | 3,950 | 4,540 | 5,540 | 2,160 | 2,350 | 2,380 | 2,460 | 2,940 | 3,950 | 4,540 | 5,540 |
| 17 | 2,170 | 2,360 | 2,400 | 2,540 | 2,970 | 3,980 | 4,570 | 5,670 | 2,170 | 2,360 | 2,400 | 2,540 | 2,970 | 3,980 | 4,570 | 5,670 |
| 18 | 2,240 | 2,450 | 2,510 | 2,660 | 3,160 | 4,200 | 4,770 | 6,220 | 2,240 | 2,450 | 2,510 | 2,660 | 3,160 | 4,200 | 4,770 | 6,220 |
| 20 | 2,350 | 2,560 | 2,620 | 2,750 | 3,190 | 4,220 | 4,810 | 6,470 | 2,350 | 2,560 | 2,620 | 2,750 | 3,190 | 4,220 | 4,810 | 6,470 |
| 22 | 2,550 | 2,810 | 2,940 | 3,100 | 3,590 | 4,700 | 5,430 | 6,880 | 2,550 | 2,810 | 2,940 | 3,100 | 3,590 | 4,700 | 5,430 | 6,880 |
| 25 | 2,560 | 3,090 | 3,250 | 3,470 | 4,430 | 6,230 | 8,180 | 9,930 | 2,560 | 3,090 | 3,250 | 3,470 | 4,430 | 6,230 | 8,180 | 9,930 |
| 30 | 2,780 | 3,210 | 3,390 | 4,010 | 5,190 | 7,250 | 9,720 | 12,230 | 2,780 | 3,210 | 3,390 | 4,010 | 5,190 | 7,250 | 9,720 | 12,230 |
| 35 | - | 3,960 | 4,220 | 5,110 | 6,860 | 9,510 | 13,230 | 16,680 | - | 3,960 | 4,220 | 5,110 | 6,860 | 9,510 | 13,230 | 16,680 |
| 40 | - | 4,450 | 4,760 | 5,840 | 7,930 | 10,940 | 15,420 | 19,580 | - | 4,450 | 4,760 | 5,840 | 7,930 | 10,940 | 15,420 | 19,580 |
| 50 | - | 5,370 | 5,750 | 7,170 | 9,840 | 13,550 | 19,360 | 24,760 | - | 5,370 | 5,750 | 7,170 | 9,840 | 13,550 | 19,360 | 24,760 |
| 数量区分 | 標準対応 | 個別対応 | |||||
| 小口 | 大口 | 大口 | |||||
| 数量 | 1~9 | 10~14 | 15~19 | 20~49 | 50~300 | 301~400 | 401~ |
| 値引率 | 基準単価 | 5% | 10% | 20% | 25% | 45% | お見積り |
| 出荷日 | 通常 | +1日 | +2日 | +3日 | |||
| キー溝数 | 価格 |
| 1ヶ所 | 200 |
| 2ヶ所 | 400 |
| 3ヶ所 | 600 |

通常価格、通常出荷日が表示と異なる場合がございます
通常価格、通常出荷日が表示と異なる場合がございます

ミスミ
回転軸 ストレートタイプ
4.6
ミスミ
回転軸 両端めねじタイプ
4.7
ミスミ
回転軸 片端めねじタイプ/片端めねじスパナ溝付タイプ
4.7
ミスミ
回転軸 止め輪溝タイプ
4.6
ミスミ
回転軸 ストレート キー溝付きタイプ
4.6
ミスミ
回転軸 両端段付タイプ
4.5
ミスミ
回転軸 片端段付タイプ
4.7
ミスミ
回転軸 片端段付 片端おねじタイプ/片端段付 片端おねじスパナ溝付タイプ
4.4
ミスミ
回転軸 片端段付 片端おねじ 片端めねじタイプ/片端段付 片端おねじ 片端めねじスパナ溝付タイプ
4.4