メカニカル部品技術窓口
ミスミ品のみ対象


、h7(研磨棒)・g6(研磨棒)は
になります。■公差表
| ![]() ■真円度・真直度 ■同軸度・直角度 |
| D | 真円度 M | |
| を超え | 以下 | |
| 5 | 13 | 0.004 |
| 13 | 20 | 0.005 |
| 20 | 40 | 0.006 |
| 40 | 50 | 0.007 |
| 寸法 | 寸法 公差 | |
| を超え | 以下 | |
| 2 | 6 | ±0.1 |
| 6 | 30 | ±0.2 |
| 30 | 120 | ±0.3 |
| 120 | 400 | ±0.5 |
| 400 | 800 | ±0.8 |
| Type | 公差 | [ M ]材質 | [ S ]表面処理 | 洗浄方法 | ||||||
| 標準タイプ | スパナ溝付タイプ | D | P | 洗浄方法 | 洗浄環境 | 梱包形態 | 梱包環境 | |||
| ① | SL-SSFRMHH | SL-SSFRMHHS | h9 (みがき棒) | h7 | SUS304 | - | 脱脂洗浄 | 一般環境 | 防錆梱包 | 一般環境 |
| SH-SSFRMHH | SH-SSFRMHHS | 精密洗浄 | クラス1000 | 脱気2重梱包 | クラス10 | |||||
| SHD-SSFRMHH | SHD-SSFRMHHS | 電解研磨+精密洗浄 | ||||||||
| SL-PSFRMHH | SL-PSFRMHHS | S45C相当 | 無電解ニッケルメッキ | 脱脂洗浄 | 一般環境 | 防錆梱包 | 一般環境 | |||
| SH-PSFRMHH | SH-PSFRMHHS | 精密洗浄 | クラス1000 | 脱気2重梱包 | クラス10 | |||||
| ② | SL-SSFRMGH | SL-SSFRMGHS | g6 | SUS304 | - | 脱脂洗浄 | 一般環境 | 防錆梱包 | 一般環境 | |
| SH-SSFRMGH | SH-SSFRMGHS | 精密洗浄 | クラス1000 | 脱気2重梱包 | クラス10 | |||||
| SHD-SSFRMGH | SHD-SSFRMGHS | 電解研磨+精密洗浄 | ||||||||
| SL-PSFRMGH | SL-PSFRMGHS | S45C相当 | 無電解ニッケルメッキ | 脱脂洗浄 | 一般環境 | 防錆梱包 | 一般環境 | |||
| SH-PSFRMGH | SH-PSFRMGHS | 精密洗浄 | クラス1000 | 脱気2重梱包 | クラス10 | |||||
| ③ | SL-SSFRHH | SL-SSFRHHS | h7 (研磨棒) | h7 | SUS304 | - | 脱脂洗浄 | 一般環境 | 防錆梱包 | 一般環境 |
| SH-SSFRHH | SH-SSFRHHS | 精密洗浄 | クラス1000 | 脱気2重梱包 | クラス10 | |||||
| SHD-SSFRHH | SHD-SSFRHHS | 電解研磨+精密洗浄 | ||||||||
| SL-PSFRHH | SL-PSFRHHS | S45C相当 | 無電解ニッケルメッキ | 脱脂洗浄 | 一般環境 | 防錆梱包 | 一般環境 | |||
| SH-PSFRHH | SH-PSFRHHS | 精密洗浄 | クラス1000 | 脱気2重梱包 | クラス10 | |||||
| ④ | SL-SSFRH | SL-SSFRHS | g6 (研磨棒) | g6 | SUS304 | - | 脱脂洗浄 | 一般環境 | 防錆梱包 | 一般環境 |
| SH-SSFRH | SH-SSFRHS | 精密洗浄 | クラス1000 | 脱気2重梱包 | クラス10 | |||||
| SHD-SSFRH | SHD-SSFRHS | 電解研磨+精密洗浄 | ||||||||
| SL-PSFRH | SL-PSFRHS | S45C相当 | 無電解ニッケルメッキ | 脱脂洗浄 | 一般環境 | 防錆梱包 | 一般環境 | |||
| SH-PSFRH | SH-PSFRHS | 精密洗浄 | クラス1000 | 脱気2重梱包 | クラス10 | |||||
詳細図を記載しておりますので、ご確認ください。| 型式 | − | L | − | F | − | P | − | T | − | M | − | SC | |
| ①D部h9/P部h7 | SL-SSFRMHH30 | − | 250 | − | F30 | − | P28 | − | T30 | − | M20 | ||
| ③h7(研磨棒)スパナ溝付 | SH-SSFRMGHS20 | − | 200 | − | F25 | − | P18 | − | T25 | − | M10 | − | SC20 |
| ④g6(研磨棒) | SHD-SSFRH20 | − | 200 | − | F25 | − | P18 | − | T25 | − | M10 |
| 型式 | 指定0.1mm単位 | 指定1mm単位 | M(並目) 選択 | 指定1mm単位 | W | ℓ2 | (Y) max. | |||||||||||||
| Type | D | L | F・T | P | SC スパナ溝付タイプのみ | |||||||||||||||
| 標準タイプ | スパナ溝付タイプ | |||||||||||||||||||
| ①D部h9・P部h7 SL-SSFRMHH SH-SSFRMHH SHD-SSFRMHH ②D部h9・P部g6 SL-SSFRMGH SH-SSFRMGH SHD-SSFRMGH | ①D部h9・P部h7 SL-SSFRMHHS SH-SSFRMHHS SHD-SSFRMHHS ②D部h9・P部g6 SL-SSFRMGHS SH-SSFRMGHS SHD-SSFRMGHS | 6 | 15.0〜496.0 | 2≦F・T≦P×5 | 5 | 2.6 | 3 | SC+2≦L SC=0またはSC≧1 [ ! ]SC≦M×3−F(T) の場合W−M≧2 | 5 | 8 | 500 | |||||||||
| 8 | 15.0〜496.0 | M3〜M8のとき M+2≦P<D M10〜M16のとき M+3≦P<D M20,M24のとき M+4≦P<D | 2.6 | 3 | 4 | 5 | 7 | 500 | ||||||||||||
| 10 | 15.0〜800.0 | 3 | 4 | 5 | 6 | 8 | 804 | |||||||||||||
| 12 | 15.0〜800.0 | 3 | 4 | 5 | 6 | 8 | 10 | 10 | ||||||||||||
| 15 | 15.0〜800.0 | 3 | 4 | 5 | 6 | 8 | 10 | 13 | ||||||||||||
| 16 | 15.0〜800.0 | 4 | 5 | 6 | 8 | 10 | 14 | |||||||||||||
| 20 | 24.0〜800.0 | 4 | 5 | 6 | 8 | 10 | 12 | 16 | 17 | |||||||||||
| 25 | 24.0〜800.0 | 4 | 5 | 6 | 8 | 10 | 12 | 16 | 20 | 22 | ||||||||||
| 30 | 24.0〜800.0 | 5 | 6 | 8 | 10 | 12 | 16 | 20 | 27 | 15 | ||||||||||
| 35 | 40.0〜800.0 | 6 | 8 | 10 | 12 | 16 | 20 | 24 | 30 | |||||||||||
| 型式 | 指定0.1mm単位 | 指定1mm単位 | M(並目) 選択 | 指定1mm単位 | W | ℓ2 | (Y) max. | ||||||||||||||
| Type | D | L | F・T | P | SC スパナ溝付タイプのみ | ||||||||||||||||
| 標準タイプ | スパナ溝付タイプ | ||||||||||||||||||||
| 6 | 15.0〜496.0 | 2≦F・T≦P×5 | 5 | 2.6 | 3 | SC+2≦L SC=0またはSC≧1 [ ! ]SC≦M×3−F(T) の場合W−M≧2 | 5 | 8 | 500 | ||||||||||||
| 8 | 15.0〜496.0 | M3〜M8のとき M+2≦P<D M10〜M16のとき M+3≦P<D M20,M24のとき M+4≦P<D | 2.6 | 3 | 4 | 5 | 7 | 500 | |||||||||||||
| 10 | 15.0〜800.0 | 3 | 4 | 5 | 6 | 8 | 804 | ||||||||||||||
| ①D部h9・P部h7 | ①D部h9・P部h7 | 12 | 15.0〜800.0 | 3 | 4 | 5 | 6 | 8 | 10 | 10 | |||||||||||
| SL-PSFRMHH | SL-PSFRMHHS | 13 | 15.0〜800.0 | 3 | 4 | 5 | 6 | 8 | 11 | ||||||||||||
| SH-PSFRMHH | SH-PSFRMHHS | 15 | 15.0〜800.0 | 3 | 4 | 5 | 6 | 8 | 10 | 13 | |||||||||||
| 16 | 15.0〜800.0 | 4 | 5 | 6 | 8 | 10 | 14 | ||||||||||||||
| ②D部h9・P部g6 | ②D部h9・P部g6 | 17 | 24.0〜800.0 | 4 | 5 | 6 | 8 | 10 | 12 | ||||||||||||
| SL-PSFRMGH | SL-PSFRMGHS | 18 | 24.0〜800.0 | 4 | 5 | 6 | 8 | 10 | 12 | 15 | |||||||||||
| SH-PSFRMGH | SH-PSFRMGHS | 20 | 24.0〜800.0 | 4 | 5 | 6 | 8 | 10 | 12 | 16 | 17 | ||||||||||
| 22 | 24.0〜800.0 | 4 | 5 | 6 | 8 | 10 | 12 | 16 | 19 | ||||||||||||
| 25 | 24.0〜800.0 | 4 | 5 | 6 | 8 | 10 | 12 | 16 | 20 | 22 | |||||||||||
| 30 | 24.0〜800.0 | 5 | 6 | 8 | 10 | 12 | 16 | 20 | 27 | 15 | |||||||||||
| 35 | 40.0〜800.0 | 6 | 8 | 10 | 12 | 16 | 20 | 24 | 30 | ||||||||||||
| 型式 | 指定0.1mm単位 | 指定1mm単位 | M(並目) 選択 | 指定1mm単位 | W | ℓ2 | (Y) max. | ||||||||||||||
| Type | D | L | F・T | P | SC スパナ溝付タイプのみ | ||||||||||||||||
| 標準タイプ | スパナ溝付タイプ | ||||||||||||||||||||
| SL-SSFRHH SH-SSFRHH SHD-SSFRHH | SL-SSFRHHS SH-SSFRHHS SHD-SSFRHHS | 6 | 15.0〜496.0 | 2≦F・T≦P×5 | 5 | 2.6 | 3 | SC+2≦L SC=0またはSC≧1 [ ! ]SC≦M×3−F(T) の場合W−M≧2 | 5 | 8 | 500 | ||||||||||
| 8 | 15.0〜496.0 | M3〜M8のとき M+2≦P<D M10〜M16のとき M+3≦P<D M20,M24のとき M+4≦P<D M30のとき M+5≦P<D | 2.6 | 3 | 4 | 5 | 7 | 500 | |||||||||||||
| 10 | 15.0〜800.0 | 3 | 4 | 5 | 6 | 8 | 804 | ||||||||||||||
| 12 | 15.0〜800.0 | 3 | 4 | 5 | 6 | 8 | 10 | 10 | |||||||||||||
| 15 | 15.0〜800.0 | 3 | 4 | 5 | 6 | 8 | 10 | 13 | |||||||||||||
| 17 | 24.0〜800.0 | 4 | 5 | 6 | 8 | 10 | 12 | 14 | |||||||||||||
| 20 | 24.0〜800.0 | 4 | 5 | 6 | 8 | 10 | 12 | 16 | 17 | ||||||||||||
| 25 | 24.0〜800.0 | 4 | 5 | 6 | 8 | 10 | 12 | 16 | 20 | 22 | |||||||||||
| 30 | 24.0〜800.0 | 5 | 6 | 8 | 10 | 12 | 16 | 20 | 27 | 15 | |||||||||||
| 35 | 40.0〜800.0 | 6 | 8 | 10 | 12 | 16 | 20 | 24 | 30 | ||||||||||||
| 40 | 40.0〜800.0 | 10 | 12 | 16 | 20 | 24 | 30 | 36 | 20 | ||||||||||||
| 50 | 40.0〜800.0 | 12 | 16 | 20 | 24 | 30 | 41 | ||||||||||||||
| 型式 | 指定0.1mm単位 | 指定1mm単位 | M(並目) 選択 | 指定1mm単位 | W | ℓ2 | (Y) max. | ||||||||||||||
| Type | D | L | F・T | P | SC スパナ溝付タイプのみ | ||||||||||||||||
| 標準タイプ | スパナ溝付タイプ | ||||||||||||||||||||
| SL-PSFRHH SH-PSFRHH | SL-PSFRHHS SH-PSFRHHS | 6 | 15.0〜496.0 | 2≦F・T≦P×5 | 5 | 2.6 | 3 | SC+2≦L SC=0またはSC≧1 [ ! ]SC≦M×3−F(T) の場合W−M≧2 | 5 | 8 | 500 | ||||||||||
| 8 | 15.0〜496.0 | M3〜M8のとき M+2≦P<D M10〜M16のとき M+3≦P<D M20,M24のとき M+4≦P<D M30のとき M+5≦P<D | 2.6 | 3 | 4 | 5 | 7 | 500 | |||||||||||||
| 10 | 15.0〜800.0 | 3 | 4 | 5 | 6 | 8 | 804 | ||||||||||||||
| 12 | 15.0〜800.0 | 3 | 4 | 5 | 6 | 8 | 10 | 10 | |||||||||||||
| 15 | 15.0〜800.0 | 3 | 4 | 5 | 6 | 8 | 10 | 13 | |||||||||||||
| 17 | 24.0〜800.0 | 4 | 5 | 6 | 8 | 10 | 12 | 14 | |||||||||||||
| 20 | 24.0〜800.0 | 4 | 5 | 6 | 8 | 10 | 12 | 16 | 17 | ||||||||||||
| 25 | 24.0〜800.0 | 4 | 5 | 6 | 8 | 10 | 12 | 16 | 20 | 22 | |||||||||||
| 30 | 24.0〜800.0 | 5 | 6 | 8 | 10 | 12 | 16 | 20 | 27 | 15 | |||||||||||
| 35 | 40.0〜800.0 | 6 | 8 | 10 | 12 | 16 | 20 | 24 | 30 | ||||||||||||
| 40 | 40.0〜800.0 | 10 | 12 | 16 | 20 | 24 | 30 | 36 | 20 | ||||||||||||
| 50 | 40.0〜800.0 | 12 | 16 | 20 | 24 | 30 | 41 | ||||||||||||||
| 型式 | 指定0.1mm単位 | 指定1mm単位 | M(並目) 選択 | 指定1mm単位 | W | ℓ2 | (Y) max. | ||||||||||||||
| Type | D | L | F・T | P | SC スパナ溝付タイプのみ | ||||||||||||||||
| 標準タイプ | スパナ溝付タイプ | ||||||||||||||||||||
| SL-SSFRH SH-SSFRH SHD-SSFRH | SL-SSFRHS SH-SSFRHS SHD-SSFRHS | 6 | 15.0〜496.0 | 2≦F・T≦P×5 | 5 | 2.6 | 3 | SC+2≦L SC=0またはSC≧1 [ ! ]SC≦M×3−F(T) の場合W−M≧2 | 5 | 8 | 500 | ||||||||||
| 8 | 15.0〜496.0 | M3〜M8のとき M+2≦P<D M10〜M16のとき M+3≦P<D M20,M24のとき M+4≦P<D M30のとき M+5≦P<D | 2.6 | 3 | 4 | 5 | 7 | ||||||||||||||
| 10 | 15.0〜800.0 | 3 | 4 | 5 | 6 | 8 | 804 | ||||||||||||||
| 12 | 15.0〜800.0 | 3 | 4 | 5 | 6 | 8 | 10 | 10 | |||||||||||||
| 13 | 15.0〜800.0 | 3 | 4 | 5 | 6 | 8 | 11 | ||||||||||||||
| 15 | 15.0〜800.0 | 3 | 4 | 5 | 6 | 8 | 10 | 13 | |||||||||||||
| 16 | 15.0〜800.0 | 4 | 5 | 6 | 8 | 10 | 14 | ||||||||||||||
| 17 | 24.0〜800.0 | 4 | 5 | 6 | 8 | 10 | 12 | ||||||||||||||
| 18 | 24.0〜800.0 | 4 | 5 | 6 | 8 | 10 | 12 | 15 | |||||||||||||
| 20 | 24.0〜800.0 | 4 | 5 | 6 | 8 | 10 | 12 | 16 | 17 | ||||||||||||
| 22 | 24.0〜800.0 | 4 | 5 | 6 | 8 | 10 | 12 | 16 | 19 | ||||||||||||
| 25 | 24.0〜800.0 | 4 | 5 | 6 | 8 | 10 | 12 | 16 | 20 | 22 | |||||||||||
| 30 | 24.0〜800.0 | 5 | 6 | 8 | 10 | 12 | 16 | 20 | 27 | 15 | |||||||||||
| 35 | 40.0〜800.0 | 6 | 8 | 10 | 12 | 16 | 20 | 24 | 30 | ||||||||||||
| 40 | 40.0〜800.0 | 10 | 12 | 16 | 20 | 24 | 30 | 36 | 20 | ||||||||||||
| 50 | 40.0〜800.0 | 12 | 16 | 20 | 24 | 30 | 41 | ||||||||||||||
| 型式 | 指定0.1mm単位 | 指定1mm単位 | M(並目) 選択 | 指定1mm単位 | W | ℓ2 | (Y) max. | ||||||||||||||
| Type | D | L | F・T | P | SC スパナ溝付タイプのみ | ||||||||||||||||
| 標準タイプ | スパナ溝付タイプ | ||||||||||||||||||||
| SL-PSFRH SH-PSFRH | SL-PSFRHS SH-PSFRHS | 6 | 15.0〜496.0 | 2≦F・T≦P×5 | 5 | 2.6 | 3 | SC+2≦L SC=0またはSC≧1 [ ! ]SC≦M×3−F(T) の場合W−M≧2 | 5 | 8 | 500 | ||||||||||
| 8 | 15.0〜496.0 | M3〜M8のとき M+2≦P<D M10〜M16のとき M+3≦P<D M20,M24のとき M+4≦P<D M30のとき M+5≦P<D | 2.6 | 3 | 4 | 5 | 7 | 500 | |||||||||||||
| 10 | 15.0〜800.0 | 3 | 4 | 5 | 6 | 8 | 804 | ||||||||||||||
| 12 | 15.0〜896.0 | 3 | 4 | 5 | 6 | 8 | 10 | 10 | |||||||||||||
| 13 | 15.0〜896.0 | 3 | 4 | 5 | 6 | 8 | 11 | ||||||||||||||
| 15 | 15.0〜996.0 | 3 | 4 | 5 | 6 | 8 | 10 | 13 | |||||||||||||
| 16 | 15.0〜996.0 | 4 | 5 | 6 | 8 | 10 | 14 | ||||||||||||||
| 17 | 24.0〜996.0 | 4 | 5 | 6 | 8 | 10 | 12 | ||||||||||||||
| 18 | 24.0〜996.0 | 4 | 5 | 6 | 8 | 10 | 12 | 15 | |||||||||||||
| 20 | 24.0〜996.0 | 4 | 5 | 6 | 8 | 10 | 12 | 16 | 17 | ||||||||||||
| 22 | 24.0〜996.0 | 4 | 5 | 6 | 8 | 10 | 12 | 16 | 19 | ||||||||||||
| 25 | 24.0〜996.0 | 4 | 5 | 6 | 8 | 10 | 12 | 16 | 20 | 22 | |||||||||||
| 30 | 24.0〜996.0 | 5 | 6 | 8 | 10 | 12 | 16 | 20 | 27 | 15 | |||||||||||
| 35 | 40.0〜996.0 | 6 | 8 | 10 | 12 | 16 | 20 | 24 | 30 | ||||||||||||
| 40 | 40.0〜996.0 | 10 | 12 | 16 | 20 | 24 | 30 | 36 | 20 | ||||||||||||
| 50 | 40.0〜996.0 | 12 | 16 | 20 | 24 | 30 | 41 | ||||||||||||||
| 型式 | − | L | − | F | − | P | − | T | − | M | − | SC | − | (KC・WKC・FC…etc.) |
| SL-SSFRMHHS25 | − | 300 | − | F15 | − | P18 | − | T15 | − | M10 | − | SC30 | − | LKC |
| 追加工 コード | 追加工内容 | 適用条件 | 指定例 | \/1Code | ||||||
| KC | キー溝1ヶ所追加![]() | KC・A=0.1mm単位指定 [ ! ]キー溝加工位置が端面から1mm未満の場合、 [ NG ]φ5以下は不可 | SFRMHH30-300-F25-P20-T25-M10-KC20-A10 | 200 | ||||||
| WKC | キー溝2ヶ所追加![]() | WKC・C・K・E=0.1mm単位指定 [ ! ]キー溝加工位置が端面から1mm未満の場合、 [ NG ]φ5以下は不可 | SFRMHH30-300-F25-P20-T25-M10-WKC5-C20-K5-E10 | 400 | ||||||
| KZ | キー溝1ヶ所(4ヵ所目用)追加![]() | KZ・Z=0.1mm単位指定 [ ! ]キー溝加工位置が端面から1mm未満の場合、 [ ! ]KC・WKCと併用時のみ指定可 | SFRMHH30-300-F25-P20-T25-M10-KC5-A10-WKC20-C10-K60-E10-KZ100-Z10 | 200 | ||||||
| PKC・QKC | 段部Pキー溝(端面0地点)追加![]() | PKC・QKC=0.1mm単位指定 [ ! ]キー溝長さ≦70 [ NG ]P5以下は不可 | SFRMHH30-300-F25-P20-T25-M10-PKC20.0 | 300 | ||||||
| PP・QQ | 段部Pキー溝(位置指定)追加![]() | PP・PK=0.1mm単位指定 QQ・QK=0.1mm単位指定 [ ! ]キー溝長さ≦70 [ NG ]P5以下は不可 | SFRMHH30-300-F25-P20-T25-M10-PP10-PK10 | 300 | ||||||
| PV・QV | 段部Pキー溝複数ヶ所追加![]() | PV・PW=0.1mm単位指定 QV・QW=0.1mm単位指定 [ ! ]キー溝長さ≦70 [ NG ]P5以下は不可 [ ! ]PP(QQ)と併用時のみ指定可 | SFRMHH30-300-F30-P20-T25-M10-PP3-PK5-PV12-PW5 | 300 | ||||||
| TL・TR | D部に止め輪溝追加工![]() | TL・TR=0.1mm単位指定 [ ! ]2≦TL(TR)+F(T)≦150 ※m寸はこちらを参照 | SFRMHH30-300-F25-P20-T25-M10-TL5-TR5 | 200 | ||||||
| TF・TT | 段部に止め輪溝追加工![]() | TF・TT=0.1mm単位指定 [ ! ]2≦TF(TT)≦150 ※m寸はこちらを参照 | SFRMHH30-300-F25-P20-T25-M10-TF5 | 300 | ||||||
| FC | 平面取り1ヶ所追加![]() | FC・G=1mm単位指定 [ ! ]G≦70 ※Hはこちらを参照 | SFRMHH30-300-F25-P20-T25-M10-FC10-G3 | 200 | ||||||
| WFC | 平面取り2ヶ所追加![]() | WFC・J・W・V=1mm単位指定 [ ! ]J・V≦70 ※Hはこちらを参照 | SFRMHH30-300-F25-P20-T25-M10-WFC10-J15-W10-V20 | 300 | ||||||
| SFC | 平面取り、角度指定2面取り追加![]() | SFC・SG=1mm単位指定 AG=15度単位指定 [ ! ]SG≦70 ※Hはこちらを参照 | SFRMHH30-300-F25-P20-T25-M10-SFC10-SG3-AG120 | 500 | ||||||
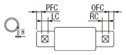
| PFC・QFC | 段部に平面取り追加![]() | PFC・LC=1mm単位指定 QFC・RC=1mm単位指定 [ ! ]LC・RC≦70 ※Hはこちらを参照 | SFRMHH30-300-F25-P20-T25-M10-PFC5-LC10 | 200 | ||||||
| UC | スリットカム用溝の追加![]() | UC=1mm単位指定 [ NG ]φ2・2.5、D13以上は不可 ※d・ℓ1はこちらを参照 | SFRMHH10-300-F25-P8-T25-M8-UC10 | 200 | ||||||
| LKC | L寸法公差変更![]() | L<500・・・L±0.05 L≧500・・・L±0.1 | SFRMHH30-300-F25-P20-T25-M10-LKC | 400 | ||||||
| CKC | 同軸度変更![]() | 同軸度を0.02に変更します。 [ NG ]D部h9は不可 [ ! ]Lmaxは右表参照
| SFRMHH30-300-F25-P20-T25-M10-CKC | 800 | ||||||
| MD | めねじ深さ変更![]() | 両端のめねじに適用 MをMDにかえて指定 [ NG ]M2・M2.6・M24・M30は不可 | SFRMHH30-300-F25-P20-T25-MD10 | 200 |
キー溝寸法
| ![]() | ||||||||||||||||||||||||||||||||||||||||||||||


回転軸 軸径に対する止め輪溝部詳細寸法
|
| ![]() | |||||||||||||||||||||||||||||||||||||||||||||||||||||||||||||||||||||||||||||||||||||||||||||||||||||||||||||||||||||||||||||||||||||||
洗浄工程| ※材質がステンレスの場合、アルカリ系温水洗浄となることがあります。 | |
| ・脱脂洗浄(型式:SL-□□) | ※表面処理が低温黒色クロムメッキの場合、IPA洗浄となります。 |
作業環境:一般環境 | ||||||
|---|---|---|---|---|---|---|
![]() 炭化水素系洗浄※ Ro水洗浄 中性洗剤洗浄 | ![]() | ![]() 高圧ジェット水洗(Ro水) 後に純水(10MΩ・cm)で 洗浄 | ![]() | ![]() エアブロー(オイルフリー) 使用 | ![]() | ![]() 防錆袋使用 |
| ・精密洗浄(型式:SH-□□) | ※表面処理が低温黒色クロムメッキの場合、IPA洗浄となります。 |
作業環境:クラス1000 | 作業環境:クラス10 | |||||||
|---|---|---|---|---|---|---|---|---|
![]() 炭化水素系洗浄※ Ro水洗浄 中性洗剤洗浄 | ![]() | ![]() 高圧ジェット水洗(Ro水) 後に純水(10MΩ・cm)で 洗浄 | ![]() | ![]() 温純水(13MΩ・cm)使用 | ![]() | ![]() 窒素ブロー使用 | ![]() | ![]() クリーンベンチ(クラス10) で実施 |
作業環境:クラス1000 | 作業環境:クラス10 | |||||||||
|---|---|---|---|---|---|---|---|---|---|---|
![]() 炭化水素系洗浄 Ro水洗浄 中性洗剤洗浄 | ![]() | ![]() 材質に応じた電解研磨槽 で電解研磨 | ![]() | ![]() 高圧ジェット水洗(Ro水) 後に純水(10MΩ・cm)で 洗浄 | ![]() | ![]() 温純水(13MΩ・cm)使用 | ![]() | ![]() 窒素ブロー使用 | ![]() | ![]() クリーンベンチ(クラス10) で実施 |
梱包例| 脱脂洗浄の場合 (TYPE型番:SL-□□) | 精密洗浄または電解研磨+精密洗浄の場合 | |
| (TYPE型番:SH-□□・SHD-□□) | ||
| オーステナイト系ステンレス・アルミ材質の場合 | 鉄・マルテンサイト系ステンレス材質の場合 | |
![]() | ![]() | ![]() |
| 一部商品・サイズによっては、 梱包形態が異なる場合がございます。 | [ ! ]1重目・2重目の梱包とも、脱気されております。 | [ ! ]防錆対策として乾燥剤を同封しております。 1梱包につき1つになります。 |
洗浄効果・利用推奨環境洗浄方法 | 商品型番 | 梱包形態 | 未洗浄品と比べた効果 | ご利用環境(目安) | 利用シーン・工程 |
|---|---|---|---|---|---|
| 脱脂洗浄 | SL-□□ | 防錆梱包 | 油分除去 | 一般環境 | 通常組立工程 |
| バッテリー組立後工程 | |||||
| 精密洗浄 | SH-□□ | 脱気2重梱包 | 油分除去 粉塵除去 | クリーン環境(クラス10~1,000) | バッテリー組立工程 |
| 液晶関連組立後工程 | |||||
| 車載カメラ組立工程 | |||||
| 電解研磨+精密洗浄 | SHD-□□ | 脱気2重梱包 | 油分除去 粉塵除去 アウトガス低減 | 真空環境 クリーン環境(クラス10~1,000) | 半導体前工程 |
| 液晶成膜工程 | |||||
| 有機EL前工程 |
| 型番 |
|---|
通常単価(税別)
(税込単価) | 通常出荷日 |
洗浄不要の場合の代替品
|
|---|
- ( - ) | 5日目 |
|
- ( - ) | 5日目 |
|
- ( - ) | 5日目 |
|
- ( - ) | 5日目 |
|
- ( - ) | 5日目 |
|
- ( - ) | 5日目 |
|
- ( - ) | 5日目 |
|
- ( - ) | 5日目 |
|
- ( - ) | 5日目 |
|
- ( - ) | 5日目 |
|
- ( - ) | 5日目 |
|
- ( - ) | 5日目 |
|
- ( - ) | 5日目 |
|
- ( - ) | 5日目 |
|
- ( - ) | 5日目 |
|
- ( - ) | 5日目 |
|
- ( - ) | 5日目 |
|
- ( - ) | 5日目 |
|
- ( - ) | 5日目 |
|
- ( - ) | 5日目 |
|
- ( - ) | 5日目 |
|
- ( - ) | 5日目 |
|
- ( - ) | 5日目 |
|
- ( - ) | 5日目 |
|
- ( - ) | 5日目 |
|
- ( - ) | 5日目 |
|
- ( - ) | 5日目 |
|
- ( - ) | 5日目 |
|
- ( - ) | 5日目 |
|
- ( - ) | 5日目 |
|
- ( - ) | 5日目 |
|
- ( - ) | 5日目 |
|
- ( - ) | 5日目 |
|
- ( - ) | 5日目 |
|
- ( - ) | 5日目 |
|
- ( - ) | 5日目 |
|
- ( - ) | 5日目 |
|
- ( - ) | 5日目 |
|
- ( - ) | 5日目 |
|
- ( - ) | 5日目 |
|
- ( - ) | 5日目 |
|
- ( - ) | 5日目 |
|
- ( - ) | 5日目 |
|
- ( - ) | 5日目 |
|
- ( - ) | 5日目 |
|
- ( - ) | 5日目 |
|
- ( - ) | 5日目 |
|
- ( - ) | 5日目 |
|
- ( - ) | 5日目 |
|
- ( - ) | 5日目 |
|
- ( - ) | 5日目 |
|
- ( - ) | 5日目 |
|
- ( - ) | 5日目 |
|
- ( - ) | 5日目 |
|
- ( - ) | 5日目 |
|
- ( - ) | 5日目 |
|
- ( - ) | 5日目 |
|
- ( - ) | 5日目 |
|
- ( - ) | 5日目 |
|
- ( - ) | 5日目 |
| ・脱脂洗浄(防錆1重梱包) | :型番SL-□□ |
| ・精密洗浄(脱気2重梱包) | :型番SH-□□ |
| ・電解研磨+精密洗浄(脱気2重梱包) | :型番SHD-□□ |
| 商品型番 | 洗浄方法 | 梱包形態 | 未洗浄品と比べた効果 | ご利用環境(目安) | 工程別 |
| SL-□□ | 脱脂洗浄 | 防錆梱包 | 油分除去 | 一般環境 | 通常組立工程 |
| バッテリー組立後工程 | |||||
| SH-□□ | 精密洗浄 | 脱気2重梱包 | 油分除去 粉塵除去 | クリーン環境(クラス10~1,000) | バッテリー組立工程 |
| 液晶関連組立後工程 | |||||
| 車載カメラ組立工程 | |||||
| SHD-□□ | 電解研磨+精密洗浄 | 脱気2重梱包 | 油分除去 粉塵除去 アウトガス低減 | 真空環境 クリーン環境(クラス10~1,000) | 半導体前工程 |
| 液晶成膜工程 | |||||
| 有機EL前工程 |
| D | SL-SSFRMHH | SH-SSFRMHH | SHD-SSFRMHH | |||||||||||||||||||||
| 最短L | L50.1 | L100.1 | L150.1 | L200.1 | L300.1 | L400.1 | L600.1 | 最短L | L50.1 | L100.1 | L150.1 | L200.1 | L300.1 | L400.1 | L600.1 | 最短L | L50.1 | L100.1 | L150.1 | L200.1 | L300.1 | L400.1 | L600.1 | |
| ~ | ~ | ~ | ~ | ~ | ~ | ~ | ~ | ~ | ~ | ~ | ~ | ~ | ~ | ~ | ~ | ~ | ~ | ~ | ~ | ~ | ~ | ~ | ~ | |
| 50.0 | 100.0 | 150.0 | 200.0 | 300.0 | 400.0 | 600.0 | 800.0 | 50.0 | 100.0 | 150.0 | 200.0 | 300.0 | 400.0 | 600.0 | 800.0 | 50.0 | 100.0 | 150.0 | 200.0 | 300.0 | 400.0 | 600.0 | 800.0 | |
| 6 | 1,700 | 1,790 | 1,950 | 2,050 | 2,620 | 3,300 | 3,500 | - | 2,200 | 2,290 | 2,450 | 2,550 | 3,420 | 4,800 | 5,000 | - | 2,500 | 2,590 | 2,750 | 2,850 | 3,920 | 5,550 | 5,750 | - |
| 8 | 1,700 | 1,790 | 1,950 | 2,050 | 2,620 | 3,300 | 3,500 | - | 2,200 | 2,290 | 2,450 | 2,550 | 3,420 | 4,800 | 5,000 | - | 2,500 | 2,590 | 2,750 | 2,850 | 3,920 | 5,550 | 5,750 | - |
| 10 | 1,700 | 1,790 | 1,950 | 2,050 | 2,580 | 3,300 | 3,500 | 3,960 | 2,200 | 2,290 | 2,450 | 2,550 | 3,380 | 4,800 | 5,000 | 5,460 | 2,500 | 2,590 | 2,750 | 2,850 | 3,880 | 5,550 | 5,750 | 6,210 |
| 12 | 1,830 | 2,000 | 2,050 | 2,210 | 2,720 | 3,480 | 3,990 | 4,650 | 2,330 | 2,500 | 2,550 | 2,710 | 3,520 | 4,980 | 5,490 | 6,150 | 2,630 | 2,800 | 2,850 | 3,010 | 4,020 | 5,730 | 6,240 | 6,900 |
| 15 | 2,040 | 2,230 | 2,270 | 2,420 | 3,020 | 3,760 | 4,340 | 5,090 | 2,540 | 2,730 | 2,770 | 2,920 | 3,820 | 5,260 | 5,840 | 6,590 | 2,840 | 3,030 | 3,070 | 3,220 | 4,320 | 6,010 | 6,590 | 7,340 |
| 16 | 2,290 | 2,470 | 2,530 | 2,760 | 3,360 | 4,260 | 5,250 | 6,300 | 2,790 | 2,970 | 3,030 | 3,260 | 4,160 | 5,760 | 6,750 | 7,800 | 3,090 | 3,270 | 3,330 | 3,560 | 4,660 | 6,510 | 7,500 | 8,550 |
| 20 | 2,930 | 3,080 | 3,190 | 3,650 | 4,260 | 5,570 | 7,630 | 9,480 | 3,430 | 3,580 | 3,690 | 4,150 | 5,060 | 7,070 | 9,130 | 10,980 | 3,730 | 3,880 | 3,990 | 4,450 | 5,560 | 7,820 | 9,880 | 11,730 |
| 25 | 3,380 | 3,860 | 4,080 | 4,320 | 4,930 | 6,840 | 9,390 | 11,980 | 3,880 | 4,360 | 4,580 | 4,820 | 5,730 | 8,340 | 10,890 | 13,480 | 4,180 | 4,660 | 4,880 | 5,120 | 6,230 | 9,090 | 11,640 | 14,230 |
| 30 | 4,560 | 5,270 | 5,440 | 6,050 | 7,110 | 8,710 | 11,780 | 15,100 | 5,060 | 5,770 | 5,940 | 6,550 | 7,910 | 10,210 | 13,280 | 16,600 | 5,360 | 6,070 | 6,240 | 6,850 | 8,410 | 10,960 | 14,030 | 17,350 |
| 35 | 6,650 | 7,220 | 7,690 | 8,620 | 9,390 | 11,810 | 16,420 | 21,320 | 7,150 | 7,720 | 8,190 | 9,120 | 10,190 | 13,310 | 17,920 | 22,820 | 7,450 | 8,020 | 8,490 | 9,420 | 10,690 | 14,060 | 18,670 | 23,570 |
| D | SL-PSFRMHH | SH-PSFRMHH | ||||||||||||||
| 最短L | L50.1 | L100.1 | L150.1 | L200.1 | L300.1 | L400.1 | L600.1 | 最短L | L50.1 | L100.1 | L150.1 | L200.1 | L300.1 | L400.1 | L600.1 | |
| ~ | ~ | ~ | ~ | ~ | ~ | ~ | ~ | ~ | ~ | ~ | ~ | ~ | ~ | ~ | ~ | |
| 50.0 | 100.0 | 150.0 | 200.0 | 300.0 | 400.0 | 600.0 | 800.0 | 50.0 | 100.0 | 150.0 | 200.0 | 300.0 | 400.0 | 600.0 | 800.0 | |
| 6 | 1,670 | 1,790 | 1,910 | 1,980 | 2,670 | 3,940 | 4,150 | - | 2,170 | 2,290 | 2,410 | 2,480 | 3,710 | 4,640 | 4,850 | - |
| 8 | 1,670 | 1,790 | 1,910 | 1,980 | 2,670 | 3,940 | 4,150 | - | 2,170 | 2,290 | 2,410 | 2,480 | 3,710 | 4,640 | 4,850 | - |
| 10 | 1,670 | 1,790 | 1,910 | 1,980 | 2,670 | 3,940 | 4,150 | 4,680 | 2,170 | 2,290 | 2,410 | 2,480 | 3,710 | 4,640 | 4,850 | 5,380 |
| 12 | 1,760 | 1,910 | 1,960 | 2,080 | 2,770 | 4,020 | 4,730 | 5,030 | 2,260 | 2,410 | 2,460 | 2,580 | 3,810 | 4,720 | 5,430 | 5,730 |
| 13 | 1,810 | 1,960 | 2,020 | 2,130 | 2,880 | 4,170 | 4,950 | 5,280 | 2,310 | 2,460 | 2,520 | 2,630 | 3,920 | 4,870 | 5,650 | 5,980 |
| 15 | 1,830 | 1,980 | 2,040 | 2,150 | 2,940 | 4,260 | 5,060 | 5,410 | 2,330 | 2,480 | 2,540 | 2,650 | 3,980 | 4,960 | 5,760 | 6,110 |
| 16 | 1,990 | 2,150 | 2,230 | 2,390 | 3,180 | 4,510 | 5,390 | 6,060 | 2,490 | 2,650 | 2,730 | 2,890 | 4,220 | 5,210 | 6,090 | 6,760 |
| 17 | 2,400 | 2,570 | 2,710 | 3,010 | 3,800 | 5,180 | 6,220 | 7,740 | 2,900 | 3,070 | 3,210 | 3,510 | 4,840 | 5,880 | 6,920 | 8,440 |
| 18 | 2,700 | 2,870 | 3,040 | 3,430 | 4,220 | 5,630 | 6,790 | 8,920 | 3,200 | 3,370 | 3,540 | 3,930 | 5,260 | 6,330 | 7,490 | 9,620 |
| 20 | 2,870 | 3,050 | 3,250 | 3,700 | 4,480 | 5,920 | 7,150 | 9,650 | 3,370 | 3,550 | 3,750 | 4,200 | 5,520 | 6,620 | 7,850 | 10,350 |
| 22 | 3,310 | 3,630 | 3,900 | 4,280 | 5,150 | 7,450 | 9,910 | 12,640 | 3,810 | 4,130 | 4,400 | 4,780 | 6,190 | 8,150 | 10,610 | 13,340 |
| 25 | 3,480 | 3,850 | 4,150 | 4,500 | 5,400 | 7,790 | 10,560 | 13,340 | 3,980 | 4,350 | 4,650 | 5,000 | 6,440 | 8,490 | 11,260 | 14,040 |
| 30 | 4,620 | 5,340 | 5,660 | 6,060 | 7,500 | 9,530 | 12,710 | 16,190 | 5,120 | 5,840 | 6,160 | 6,560 | 8,540 | 10,230 | 13,410 | 16,890 |
| 35 | 6,630 | 7,330 | 7,990 | 8,680 | 10,020 | 12,790 | 17,650 | 22,480 | 7,130 | 7,830 | 8,490 | 9,180 | 11,060 | 13,490 | 18,350 | 23,180 |
| D | SL-SSFRMHHS | SH-SSFRMHHS | SHD-SSFRMHHS | |||||||||||||||||||||
| 最短L | L50.1 | L100.1 | L150.1 | L200.1 | L300.1 | L400.1 | L600.1 | 最短L | L50.1 | L100.1 | L150.1 | L200.1 | L300.1 | L400.1 | L600.1 | 最短L | L50.1 | L100.1 | L150.1 | L200.1 | L300.1 | L400.1 | L600.1 | |
| ~ | ~ | ~ | ~ | ~ | ~ | ~ | ~ | ~ | ~ | ~ | ~ | ~ | ~ | ~ | ~ | ~ | ~ | ~ | ~ | ~ | ~ | ~ | ~ | |
| 50.0 | 100.0 | 150.0 | 200.0 | 300.0 | 400.0 | 600.0 | 800.0 | 50.0 | 100.0 | 150.0 | 200.0 | 300.0 | 400.0 | 600.0 | 800.0 | 50.0 | 100.0 | 150.0 | 200.0 | 300.0 | 400.0 | 600.0 | 800.0 | |
| 6 | 2,120 | 2,210 | 2,370 | 2,470 | 3,040 | 3,720 | 3,920 | - | 2,620 | 2,710 | 2,870 | 2,970 | 3,840 | 5,220 | 5,420 | - | 2,920 | 3,010 | 3,170 | 3,270 | 4,340 | 5,970 | 6,170 | - |
| 8 | 2,120 | 2,210 | 2,370 | 2,470 | 3,040 | 3,720 | 3,920 | - | 2,620 | 2,710 | 2,870 | 2,970 | 3,840 | 5,220 | 5,420 | - | 2,920 | 3,010 | 3,170 | 3,270 | 4,340 | 5,970 | 6,170 | - |
| 10 | 2,120 | 2,210 | 2,370 | 2,470 | 3,000 | 3,720 | 3,920 | 4,380 | 2,620 | 2,710 | 2,870 | 2,970 | 3,800 | 5,220 | 5,420 | 5,880 | 2,920 | 3,010 | 3,170 | 3,270 | 4,300 | 5,970 | 6,170 | 6,630 |
| 12 | 2,250 | 2,420 | 2,470 | 2,630 | 3,140 | 3,900 | 4,410 | 5,070 | 2,750 | 2,920 | 2,970 | 3,130 | 3,940 | 5,400 | 5,910 | 6,570 | 3,050 | 3,220 | 3,270 | 3,430 | 4,440 | 6,150 | 6,660 | 7,320 |
| 15 | 2,460 | 2,650 | 2,690 | 2,840 | 3,440 | 4,180 | 4,760 | 5,510 | 2,960 | 3,150 | 3,190 | 3,340 | 4,240 | 5,680 | 6,260 | 7,010 | 3,260 | 3,450 | 3,490 | 3,640 | 4,740 | 6,430 | 7,010 | 7,760 |
| 16 | 2,710 | 2,890 | 2,950 | 3,180 | 3,780 | 4,680 | 5,670 | 6,720 | 3,210 | 3,390 | 3,450 | 3,680 | 4,580 | 6,180 | 7,170 | 8,220 | 3,510 | 3,690 | 3,750 | 3,980 | 5,080 | 6,930 | 7,920 | 8,970 |
| 20 | 3,350 | 3,500 | 3,610 | 4,070 | 4,680 | 5,990 | 8,050 | 9,900 | 3,850 | 4,000 | 4,110 | 4,570 | 5,480 | 7,490 | 9,550 | 11,400 | 4,150 | 4,300 | 4,410 | 4,870 | 5,980 | 8,240 | 10,300 | 12,150 |
| 25 | 3,800 | 4,280 | 4,500 | 4,740 | 5,350 | 7,260 | 9,810 | 12,400 | 4,300 | 4,780 | 5,000 | 5,240 | 6,150 | 8,760 | 11,310 | 13,900 | 4,600 | 5,080 | 5,300 | 5,540 | 6,650 | 9,510 | 12,060 | 14,650 |
| 30 | 4,980 | 5,690 | 5,860 | 6,470 | 7,530 | 9,130 | 12,200 | 15,520 | 5,480 | 6,190 | 6,360 | 6,970 | 8,330 | 10,630 | 13,700 | 17,020 | 5,780 | 6,490 | 6,660 | 7,270 | 8,830 | 11,380 | 14,450 | 17,770 |
| 35 | 7,070 | 7,640 | 8,110 | 9,040 | 9,810 | 12,230 | 16,840 | 21,740 | 7,570 | 8,140 | 8,610 | 9,540 | 10,610 | 13,730 | 18,340 | 23,240 | 7,870 | 8,440 | 8,910 | 9,840 | 11,110 | 14,480 | 19,090 | 23,990 |
| D | SL-PSFRMHHS | SH-PSFRMHHS | ||||||||||||||
| 最短L | L50.1 | L100.1 | L150.1 | L200.1 | L300.1 | L400.1 | L600.1 | 最短L | L50.1 | L100.1 | L150.1 | L200.1 | L300.1 | L400.1 | L600.1 | |
| ~ | ~ | ~ | ~ | ~ | ~ | ~ | ~ | ~ | ~ | ~ | ~ | ~ | ~ | ~ | ~ | |
| 50.0 | 100.0 | 150.0 | 200.0 | 300.0 | 400.0 | 600.0 | 800.0 | 50.0 | 100.0 | 150.0 | 200.0 | 300.0 | 400.0 | 600.0 | 800.0 | |
| 6 | 2,120 | 2,230 | 2,350 | 2,430 | 3,120 | 4,380 | 4,590 | - | 2,620 | 2,730 | 2,850 | 2,930 | 4,160 | 5,080 | 5,290 | - |
| 8 | 2,120 | 2,230 | 2,350 | 2,430 | 3,120 | 4,380 | 4,590 | - | 2,620 | 2,730 | 2,850 | 2,930 | 4,160 | 5,080 | 5,290 | - |
| 10 | 2,120 | 2,230 | 2,350 | 2,430 | 3,120 | 4,380 | 4,590 | 5,120 | 2,620 | 2,730 | 2,850 | 2,930 | 4,160 | 5,080 | 5,290 | 5,820 |
| 12 | 2,200 | 2,350 | 2,400 | 2,520 | 3,210 | 4,470 | 5,180 | 5,470 | 2,700 | 2,850 | 2,900 | 3,020 | 4,250 | 5,170 | 5,880 | 6,170 |
| 13 | 2,260 | 2,400 | 2,470 | 2,570 | 3,330 | 4,620 | 5,400 | 5,730 | 2,760 | 2,900 | 2,970 | 3,070 | 4,370 | 5,320 | 6,100 | 6,430 |
| 15 | 2,280 | 2,430 | 2,490 | 2,590 | 3,380 | 4,700 | 5,510 | 5,860 | 2,780 | 2,930 | 2,990 | 3,090 | 4,420 | 5,400 | 6,210 | 6,560 |
| 16 | 2,440 | 2,590 | 2,680 | 2,840 | 3,630 | 4,950 | 5,830 | 6,500 | 2,940 | 3,090 | 3,180 | 3,340 | 4,670 | 5,650 | 6,530 | 7,200 |
| 17 | 2,850 | 3,020 | 3,160 | 3,450 | 4,240 | 5,620 | 6,660 | 8,190 | 3,350 | 3,520 | 3,660 | 3,950 | 5,280 | 6,320 | 7,360 | 8,890 |
| 18 | 3,150 | 3,320 | 3,490 | 3,880 | 4,670 | 6,080 | 7,230 | 9,360 | 3,650 | 3,820 | 3,990 | 4,380 | 5,710 | 6,780 | 7,930 | 10,060 |
| 20 | 3,320 | 3,500 | 3,700 | 4,140 | 4,930 | 6,360 | 7,590 | 10,100 | 3,820 | 4,000 | 4,200 | 4,640 | 5,970 | 7,060 | 8,290 | 10,800 |
| 22 | 3,760 | 4,080 | 4,350 | 4,730 | 5,600 | 7,900 | 10,360 | 13,090 | 4,260 | 4,580 | 4,850 | 5,230 | 6,640 | 8,600 | 11,060 | 13,790 |
| 25 | 3,930 | 4,300 | 4,600 | 4,960 | 5,850 | 8,240 | 11,010 | 13,800 | 4,430 | 4,800 | 5,100 | 5,460 | 6,890 | 8,940 | 11,710 | 14,500 |
| 30 | 5,080 | 5,790 | 6,110 | 6,510 | 7,960 | 9,980 | 13,160 | 16,650 | 5,580 | 6,290 | 6,610 | 7,010 | 9,000 | 10,680 | 13,860 | 17,350 |
| 35 | 7,090 | 7,790 | 8,450 | 9,140 | 10,470 | 13,250 | 18,110 | 22,930 | 7,590 | 8,290 | 8,950 | 9,640 | 11,510 | 13,950 | 18,810 | 23,630 |
| D | SL-SSFRMGH | SH-SSFRMGH | SHD-SSFRMGH | |||||||||||||||||||||
| 最短L | L50.1 | L100.1 | L150.1 | L200.1 | L300.1 | L400.1 | L600.1 | 最短L | L50.1 | L100.1 | L150.1 | L200.1 | L300.1 | L400.1 | L600.1 | 最短L | L50.1 | L100.1 | L150.1 | L200.1 | L300.1 | L400.1 | L600.1 | |
| ~ | ~ | ~ | ~ | ~ | ~ | ~ | ~ | ~ | ~ | ~ | ~ | ~ | ~ | ~ | ~ | ~ | ~ | ~ | ~ | ~ | ~ | ~ | ~ | |
| 50.0 | 100.0 | 150.0 | 200.0 | 300.0 | 400.0 | 600.0 | 800.0 | 50.0 | 100.0 | 150.0 | 200.0 | 300.0 | 400.0 | 600.0 | 800.0 | 50.0 | 100.0 | 150.0 | 200.0 | 300.0 | 400.0 | 600.0 | 800.0 | |
| 6 | 1,700 | 1,790 | 1,950 | 2,050 | 2,620 | 3,300 | 3,500 | - | 2,200 | 2,290 | 2,450 | 2,550 | 3,420 | 4,800 | 5,000 | - | 2,500 | 2,590 | 2,750 | 2,850 | 3,920 | 5,550 | 5,750 | - |
| 8 | 1,700 | 1,790 | 1,950 | 2,050 | 2,620 | 3,300 | 3,500 | - | 2,200 | 2,290 | 2,450 | 2,550 | 3,420 | 4,800 | 5,000 | - | 2,500 | 2,590 | 2,750 | 2,850 | 3,920 | 5,550 | 5,750 | - |
| 10 | 1,700 | 1,790 | 1,950 | 2,050 | 2,580 | 3,300 | 3,500 | 3,960 | 2,200 | 2,290 | 2,450 | 2,550 | 3,380 | 4,800 | 5,000 | 5,460 | 2,500 | 2,590 | 2,750 | 2,850 | 3,880 | 5,550 | 5,750 | 6,210 |
| 12 | 1,830 | 2,000 | 2,050 | 2,210 | 2,720 | 3,480 | 3,990 | 4,650 | 2,330 | 2,500 | 2,550 | 2,710 | 3,520 | 4,980 | 5,490 | 6,150 | 2,630 | 2,800 | 2,850 | 3,010 | 4,020 | 5,730 | 6,240 | 6,900 |
| 15 | 2,040 | 2,230 | 2,270 | 2,420 | 3,020 | 3,760 | 4,340 | 5,090 | 2,540 | 2,730 | 2,770 | 2,920 | 3,820 | 5,260 | 5,840 | 6,590 | 2,840 | 3,030 | 3,070 | 3,220 | 4,320 | 6,010 | 6,590 | 7,340 |
| 16 | 2,290 | 2,470 | 2,530 | 2,760 | 3,360 | 4,260 | 5,250 | 6,300 | 2,790 | 2,970 | 3,030 | 3,260 | 4,160 | 5,760 | 6,750 | 7,800 | 3,090 | 3,270 | 3,330 | 3,560 | 4,660 | 6,510 | 7,500 | 8,550 |
| 20 | 2,930 | 3,080 | 3,190 | 3,650 | 4,260 | 5,570 | 7,630 | 9,480 | 3,430 | 3,580 | 3,690 | 4,150 | 5,060 | 7,070 | 9,130 | 10,980 | 3,730 | 3,880 | 3,990 | 4,450 | 5,560 | 7,820 | 9,880 | 11,730 |
| 25 | 3,380 | 3,860 | 4,080 | 4,320 | 4,930 | 6,840 | 9,390 | 11,980 | 3,880 | 4,360 | 4,580 | 4,820 | 5,730 | 8,340 | 10,890 | 13,480 | 4,180 | 4,660 | 4,880 | 5,120 | 6,230 | 9,090 | 11,640 | 14,230 |
| 30 | 4,560 | 5,270 | 5,440 | 6,050 | 7,110 | 8,710 | 11,780 | 15,100 | 5,060 | 5,770 | 5,940 | 6,550 | 7,910 | 10,210 | 13,280 | 16,600 | 5,360 | 6,070 | 6,240 | 6,850 | 8,410 | 10,960 | 14,030 | 17,350 |
| 35 | 6,650 | 7,220 | 7,690 | 8,620 | 9,390 | 11,810 | 16,420 | 21,320 | 7,150 | 7,720 | 8,190 | 9,120 | 10,190 | 13,310 | 17,920 | 22,820 | 7,450 | 8,020 | 8,490 | 9,420 | 10,690 | 14,060 | 18,670 | 23,570 |
| D | SL-PSFRMGH | SH-PSFRMGH | ||||||||||||||
| 最短L | L50.1 | L100.1 | L150.1 | L200.1 | L300.1 | L400.1 | L600.1 | 最短L | L50.1 | L100.1 | L150.1 | L200.1 | L300.1 | L400.1 | L600.1 | |
| ~ | ~ | ~ | ~ | ~ | ~ | ~ | ~ | ~ | ~ | ~ | ~ | ~ | ~ | ~ | ~ | |
| 50.0 | 100.0 | 150.0 | 200.0 | 300.0 | 400.0 | 600.0 | 800.0 | 50.0 | 100.0 | 150.0 | 200.0 | 300.0 | 400.0 | 600.0 | 800.0 | |
| 6 | 1,670 | 1,790 | 1,910 | 1,980 | 2,670 | 3,940 | 4,150 | - | 2,170 | 2,290 | 2,410 | 2,480 | 3,710 | 4,640 | 4,850 | - |
| 8 | 1,670 | 1,790 | 1,910 | 1,980 | 2,670 | 3,940 | 4,150 | - | 2,170 | 2,290 | 2,410 | 2,480 | 3,710 | 4,640 | 4,850 | - |
| 10 | 1,670 | 1,790 | 1,910 | 1,980 | 2,670 | 3,940 | 4,150 | 4,680 | 2,170 | 2,290 | 2,410 | 2,480 | 3,710 | 4,640 | 4,850 | 5,380 |
| 12 | 1,760 | 1,910 | 1,960 | 2,080 | 2,770 | 4,020 | 4,730 | 5,030 | 2,260 | 2,410 | 2,460 | 2,580 | 3,810 | 4,720 | 5,430 | 5,730 |
| 13 | 1,810 | 1,960 | 2,020 | 2,130 | 2,880 | 4,170 | 4,950 | 5,280 | 2,310 | 2,460 | 2,520 | 2,630 | 3,920 | 4,870 | 5,650 | 5,980 |
| 15 | 1,830 | 1,980 | 2,040 | 2,150 | 2,940 | 4,260 | 5,060 | 5,410 | 2,330 | 2,480 | 2,540 | 2,650 | 3,980 | 4,960 | 5,760 | 6,110 |
| 16 | 1,990 | 2,150 | 2,230 | 2,390 | 3,180 | 4,510 | 5,390 | 6,060 | 2,490 | 2,650 | 2,730 | 2,890 | 4,220 | 5,210 | 6,090 | 6,760 |
| 17 | 2,400 | 2,570 | 2,710 | 3,010 | 3,800 | 5,180 | 6,220 | 7,740 | 2,900 | 3,070 | 3,210 | 3,510 | 4,840 | 5,880 | 6,920 | 8,440 |
| 18 | 2,700 | 2,870 | 3,040 | 3,430 | 4,220 | 5,630 | 6,790 | 8,920 | 3,200 | 3,370 | 3,540 | 3,930 | 5,260 | 6,330 | 7,490 | 9,620 |
| 20 | 2,870 | 3,050 | 3,250 | 3,700 | 4,480 | 5,920 | 7,150 | 9,650 | 3,370 | 3,550 | 3,750 | 4,200 | 5,520 | 6,620 | 7,850 | 10,350 |
| 22 | 3,310 | 3,630 | 3,900 | 4,280 | 5,150 | 7,450 | 9,910 | 12,640 | 3,810 | 4,130 | 4,400 | 4,780 | 6,190 | 8,150 | 10,610 | 13,340 |
| 25 | 3,480 | 3,850 | 4,150 | 4,500 | 5,400 | 7,790 | 10,560 | 13,340 | 3,980 | 4,350 | 4,650 | 5,000 | 6,440 | 8,490 | 11,260 | 14,040 |
| 30 | 4,620 | 5,340 | 5,660 | 6,060 | 7,500 | 9,530 | 12,710 | 16,190 | 5,120 | 5,840 | 6,160 | 6,560 | 8,540 | 10,230 | 13,410 | 16,890 |
| 35 | 6,630 | 7,330 | 7,990 | 8,680 | 10,020 | 12,790 | 17,650 | 22,480 | 7,130 | 7,830 | 8,490 | 9,180 | 11,060 | 13,490 | 18,350 | 23,180 |
| D | SL-SSFRMGHS | SH-SSFRMGHS | SHD-SSFRMGHS | |||||||||||||||||||||
| 最短L | L50.1 | L100.1 | L150.1 | L200.1 | L300.1 | L400.1 | L600.1 | 最短L | L50.1 | L100.1 | L150.1 | L200.1 | L300.1 | L400.1 | L600.1 | 最短L | L50.1 | L100.1 | L150.1 | L200.1 | L300.1 | L400.1 | L600.1 | |
| ~ | ~ | ~ | ~ | ~ | ~ | ~ | ~ | ~ | ~ | ~ | ~ | ~ | ~ | ~ | ~ | ~ | ~ | ~ | ~ | ~ | ~ | ~ | ~ | |
| 50.0 | 100.0 | 150.0 | 200.0 | 300.0 | 400.0 | 600.0 | 800.0 | 50.0 | 100.0 | 150.0 | 200.0 | 300.0 | 400.0 | 600.0 | 800.0 | 50.0 | 100.0 | 150.0 | 200.0 | 300.0 | 400.0 | 600.0 | 800.0 | |
| 6 | 2,120 | 2,210 | 2,370 | 2,470 | 3,040 | 3,720 | 3,920 | - | 2,620 | 2,710 | 2,870 | 2,970 | 3,840 | 5,220 | 5,420 | - | 2,920 | 3,010 | 3,170 | 3,270 | 4,340 | 5,970 | 6,170 | - |
| 8 | 2,120 | 2,210 | 2,370 | 2,470 | 3,040 | 3,720 | 3,920 | - | 2,620 | 2,710 | 2,870 | 2,970 | 3,840 | 5,220 | 5,420 | - | 2,920 | 3,010 | 3,170 | 3,270 | 4,340 | 5,970 | 6,170 | - |
| 10 | 2,120 | 2,210 | 2,370 | 2,470 | 3,000 | 3,720 | 3,920 | 4,380 | 2,620 | 2,710 | 2,870 | 2,970 | 3,800 | 5,220 | 5,420 | 5,880 | 2,920 | 3,010 | 3,170 | 3,270 | 4,300 | 5,970 | 6,170 | 6,630 |
| 12 | 2,250 | 2,420 | 2,470 | 2,630 | 3,140 | 3,900 | 4,410 | 5,070 | 2,750 | 2,920 | 2,970 | 3,130 | 3,940 | 5,400 | 5,910 | 6,570 | 3,050 | 3,220 | 3,270 | 3,430 | 4,440 | 6,150 | 6,660 | 7,320 |
| 15 | 2,460 | 2,650 | 2,690 | 2,840 | 3,440 | 4,180 | 4,760 | 5,510 | 2,960 | 3,150 | 3,190 | 3,340 | 4,240 | 5,680 | 6,260 | 7,010 | 3,260 | 3,450 | 3,490 | 3,640 | 4,740 | 6,430 | 7,010 | 7,760 |
| 16 | 2,710 | 2,890 | 2,950 | 3,180 | 3,780 | 4,680 | 5,670 | 6,720 | 3,210 | 3,390 | 3,450 | 3,680 | 4,580 | 6,180 | 7,170 | 8,220 | 3,510 | 3,690 | 3,750 | 3,980 | 5,080 | 6,930 | 7,920 | 8,970 |
| 20 | 3,350 | 3,500 | 3,610 | 4,070 | 4,680 | 5,990 | 8,050 | 9,900 | 3,850 | 4,000 | 4,110 | 4,570 | 5,480 | 7,490 | 9,550 | 11,400 | 4,150 | 4,300 | 4,410 | 4,870 | 5,980 | 8,240 | 10,300 | 12,150 |
| 25 | 3,800 | 4,280 | 4,500 | 4,740 | 5,350 | 7,260 | 9,810 | 12,400 | 4,300 | 4,780 | 5,000 | 5,240 | 6,150 | 8,760 | 11,310 | 13,900 | 4,600 | 5,080 | 5,300 | 5,540 | 6,650 | 9,510 | 12,060 | 14,650 |
| 30 | 4,980 | 5,690 | 5,860 | 6,470 | 7,530 | 9,130 | 12,200 | 15,520 | 5,480 | 6,190 | 6,360 | 6,970 | 8,330 | 10,630 | 13,700 | 17,020 | 5,780 | 6,490 | 6,660 | 7,270 | 8,830 | 11,380 | 14,450 | 17,770 |
| 35 | 7,070 | 7,640 | 8,110 | 9,040 | 9,810 | 12,230 | 16,840 | 21,740 | 7,570 | 8,140 | 8,610 | 9,540 | 10,610 | 13,730 | 18,340 | 23,240 | 7,870 | 8,440 | 8,910 | 9,840 | 11,110 | 14,480 | 19,090 | 23,990 |
| D | SL-PSFRMGHS | SH-PSFRMGHS | ||||||||||||||
| 最短L | L50.1 | L100.1 | L150.1 | L200.1 | L300.1 | L400.1 | L600.1 | 最短L | L50.1 | L100.1 | L150.1 | L200.1 | L300.1 | L400.1 | L600.1 | |
| ~ | ~ | ~ | ~ | ~ | ~ | ~ | ~ | ~ | ~ | ~ | ~ | ~ | ~ | ~ | ~ | |
| 50.0 | 100.0 | 150.0 | 200.0 | 300.0 | 400.0 | 600.0 | 800.0 | 50.0 | 100.0 | 150.0 | 200.0 | 300.0 | 400.0 | 600.0 | 800.0 | |
| 6 | 2,120 | 2,230 | 2,350 | 2,430 | 3,120 | 4,380 | 4,590 | - | 2,620 | 2,730 | 2,850 | 2,930 | 4,160 | 5,080 | 5,290 | - |
| 8 | 2,120 | 2,230 | 2,350 | 2,430 | 3,120 | 4,380 | 4,590 | - | 2,620 | 2,730 | 2,850 | 2,930 | 4,160 | 5,080 | 5,290 | - |
| 10 | 2,120 | 2,230 | 2,350 | 2,430 | 3,120 | 4,380 | 4,590 | 5,120 | 2,620 | 2,730 | 2,850 | 2,930 | 4,160 | 5,080 | 5,290 | 5,820 |
| 12 | 2,200 | 2,350 | 2,400 | 2,520 | 3,210 | 4,470 | 5,180 | 5,470 | 2,700 | 2,850 | 2,900 | 3,020 | 4,250 | 5,170 | 5,880 | 6,170 |
| 13 | 2,260 | 2,400 | 2,470 | 2,570 | 3,330 | 4,620 | 5,400 | 5,730 | 2,760 | 2,900 | 2,970 | 3,070 | 4,370 | 5,320 | 6,100 | 6,430 |
| 15 | 2,280 | 2,430 | 2,490 | 2,590 | 3,380 | 4,700 | 5,510 | 5,860 | 2,780 | 2,930 | 2,990 | 3,090 | 4,420 | 5,400 | 6,210 | 6,560 |
| 16 | 2,440 | 2,590 | 2,680 | 2,840 | 3,630 | 4,950 | 5,830 | 6,500 | 2,940 | 3,090 | 3,180 | 3,340 | 4,670 | 5,650 | 6,530 | 7,200 |
| 17 | 2,850 | 3,020 | 3,160 | 3,450 | 4,240 | 5,620 | 6,660 | 8,190 | 3,350 | 3,520 | 3,660 | 3,950 | 5,280 | 6,320 | 7,360 | 8,890 |
| 18 | 3,150 | 3,320 | 3,490 | 3,880 | 4,670 | 6,080 | 7,230 | 9,360 | 3,650 | 3,820 | 3,990 | 4,380 | 5,710 | 6,780 | 7,930 | 10,060 |
| 20 | 3,320 | 3,500 | 3,700 | 4,140 | 4,930 | 6,360 | 7,590 | 10,100 | 3,820 | 4,000 | 4,200 | 4,640 | 5,970 | 7,060 | 8,290 | 10,800 |
| 22 | 3,760 | 4,080 | 4,350 | 4,730 | 5,600 | 7,900 | 10,360 | 13,090 | 4,260 | 4,580 | 4,850 | 5,230 | 6,640 | 8,600 | 11,060 | 13,790 |
| 25 | 3,930 | 4,300 | 4,600 | 4,960 | 5,850 | 8,240 | 11,010 | 13,800 | 4,430 | 4,800 | 5,100 | 5,460 | 6,890 | 8,940 | 11,710 | 14,500 |
| 30 | 5,080 | 5,790 | 6,110 | 6,510 | 7,960 | 9,980 | 13,160 | 16,650 | 5,580 | 6,290 | 6,610 | 7,010 | 9,000 | 10,680 | 13,860 | 17,350 |
| 35 | 7,090 | 7,790 | 8,450 | 9,140 | 10,470 | 13,250 | 18,110 | 22,930 | 7,590 | 8,290 | 8,950 | 9,640 | 11,510 | 13,950 | 18,810 | 23,630 |
| D | SL-SSFRHH | SH-SSFRHH | SHD-SSFRHH | |||||||||||||||||||||
| 最短L | L50.1 | L100.1 | L150.1 | L200.1 | L300.1 | L400.1 | L600.1 | 最短L | L50.1 | L100.1 | L150.1 | L200.1 | L300.1 | L400.1 | L600.1 | 最短L | L50.1 | L100.1 | L150.1 | L200.1 | L300.1 | L400.1 | L600.1 | |
| ~ | ~ | ~ | ~ | ~ | ~ | ~ | ~ | ~ | ~ | ~ | ~ | ~ | ~ | ~ | ~ | ~ | ~ | ~ | ~ | ~ | ~ | ~ | ~ | |
| 50.0 | 100.0 | 150.0 | 200.0 | 300.0 | 400.0 | 600.0 | 800.0 | 50.0 | 100.0 | 150.0 | 200.0 | 300.0 | 400.0 | 600.0 | 800.0 | 50.0 | 100.0 | 150.0 | 200.0 | 300.0 | 400.0 | 600.0 | 800.0 | |
| 6 | 1,780 | 1,870 | 2,040 | 2,170 | 2,800 | 3,500 | 3,720 | - | 2,280 | 2,370 | 2,540 | 2,670 | 3,600 | 5,000 | 5,220 | - | 2,580 | 2,670 | 2,840 | 2,970 | 4,100 | 5,750 | 5,970 | - |
| 8 | 1,780 | 1,870 | 2,040 | 2,170 | 2,800 | 3,500 | 3,720 | - | 2,280 | 2,370 | 2,540 | 2,670 | 3,600 | 5,000 | 5,220 | - | 2,580 | 2,670 | 2,840 | 2,970 | 4,100 | 5,750 | 5,970 | - |
| 10 | 1,780 | 1,870 | 2,040 | 2,170 | 2,800 | 3,500 | 3,720 | 4,190 | 2,280 | 2,370 | 2,540 | 2,670 | 3,600 | 5,000 | 5,220 | 5,690 | 2,580 | 2,670 | 2,840 | 2,970 | 4,100 | 5,750 | 5,970 | 6,440 |
| 12 | 1,910 | 2,100 | 2,170 | 2,330 | 2,910 | 3,690 | 4,260 | 5,000 | 2,410 | 2,600 | 2,670 | 2,830 | 3,710 | 5,190 | 5,760 | 6,500 | 2,710 | 2,900 | 2,970 | 3,130 | 4,210 | 5,940 | 6,510 | 7,250 |
| 15 | 2,160 | 2,370 | 2,410 | 2,560 | 3,240 | 4,000 | 4,650 | 5,490 | 2,660 | 2,870 | 2,910 | 3,060 | 4,040 | 5,500 | 6,150 | 6,990 | 2,960 | 3,170 | 3,210 | 3,360 | 4,540 | 6,250 | 6,900 | 7,740 |
| 17 | 2,210 | 2,510 | 2,550 | 2,660 | 3,430 | 4,320 | 5,450 | 6,020 | 2,710 | 3,010 | 3,050 | 3,160 | 4,230 | 5,820 | 6,950 | 7,520 | 3,010 | 3,310 | 3,350 | 3,460 | 4,730 | 6,570 | 7,700 | 8,270 |
| 20 | 3,140 | 3,310 | 3,440 | 3,940 | 4,610 | 6,030 | 8,300 | 10,360 | 3,640 | 3,810 | 3,940 | 4,440 | 5,410 | 7,530 | 9,800 | 11,860 | 3,940 | 4,110 | 4,240 | 4,740 | 5,910 | 8,280 | 10,550 | 12,610 |
| 25 | 3,650 | 4,170 | 4,410 | 4,690 | 5,360 | 7,430 | 10,260 | 13,130 | 4,150 | 4,670 | 4,910 | 5,190 | 6,160 | 8,930 | 11,760 | 14,630 | 4,450 | 4,970 | 5,210 | 5,490 | 6,660 | 9,680 | 12,510 | 15,380 |
| 30 | 4,950 | 5,750 | 5,920 | 6,610 | 7,780 | 9,510 | 12,910 | 16,600 | 5,450 | 6,250 | 6,420 | 7,110 | 8,580 | 11,010 | 14,410 | 18,100 | 5,750 | 6,550 | 6,720 | 7,410 | 9,080 | 11,760 | 15,160 | 18,850 |
| 35 | 7,270 | 7,900 | 8,420 | 9,460 | 10,310 | 12,960 | 18,070 | 23,520 | 7,770 | 8,400 | 8,920 | 9,960 | 11,110 | 14,460 | 19,570 | 25,020 | 8,070 | 8,700 | 9,220 | 10,260 | 11,610 | 15,210 | 20,320 | 25,770 |
| 40 | 8,600 | 9,270 | 9,910 | 11,130 | 12,170 | 15,240 | 21,390 | 27,930 | 9,100 | 9,770 | 10,410 | 11,630 | 12,970 | 16,740 | 22,890 | 29,430 | 9,400 | 10,070 | 10,710 | 11,930 | 13,470 | 17,490 | 23,640 | 30,180 |
| 50 | 11,270 | 11,760 | 12,580 | 14,390 | 15,500 | 19,370 | 27,380 | 35,860 | 11,770 | 12,260 | 13,080 | 14,890 | 16,300 | 20,870 | 28,880 | 37,360 | 12,070 | 12,560 | 13,380 | 15,190 | 16,800 | 21,620 | 29,630 | 38,110 |
| D | SL-PSFRHH | SH-PSFRHH | ||||||||||||||
| 最短L | L50.1 | L100.1 | L150.1 | L200.1 | L300.1 | L400.1 | L600.1 | 最短L | L50.1 | L100.1 | L150.1 | L200.1 | L300.1 | L400.1 | L600.1 | |
| ~ | ~ | ~ | ~ | ~ | ~ | ~ | ~ | ~ | ~ | ~ | ~ | ~ | ~ | ~ | ~ | |
| 50.0 | 100.0 | 150.0 | 200.0 | 300.0 | 400.0 | 600.0 | 800.0 | 50.0 | 100.0 | 150.0 | 200.0 | 300.0 | 400.0 | 600.0 | 800.0 | |
| 6 | 1,760 | 3,190 | 3,290 | 3,360 | 3,730 | 4,710 | 4,890 | - | 2,260 | 3,940 | 4,040 | 4,110 | 4,480 | 5,860 | 6,040 | - |
| 8 | 1,760 | 1,880 | 2,030 | 2,120 | 2,850 | 4,150 | 4,390 | - | 2,260 | 2,380 | 2,530 | 2,620 | 3,890 | 4,850 | 5,090 | - |
| 10 | 1,760 | 1,880 | 2,030 | 2,120 | 2,850 | 4,150 | 4,390 | 4,990 | 2,260 | 2,380 | 2,530 | 2,620 | 3,890 | 4,850 | 5,090 | 5,690 |
| 12 | 1,860 | 2,020 | 2,090 | 2,200 | 2,950 | 4,240 | 5,050 | 5,400 | 2,360 | 2,520 | 2,590 | 2,700 | 3,990 | 4,940 | 5,750 | 6,100 |
| 15 | 1,930 | 2,110 | 2,170 | 2,310 | 3,150 | 4,510 | 5,430 | 5,820 | 2,430 | 2,610 | 2,670 | 2,810 | 4,190 | 5,210 | 6,130 | 6,520 |
| 17 | 1,610 | 1,760 | 1,800 | 1,920 | 2,610 | 3,800 | 4,320 | 5,270 | 2,110 | 2,260 | 2,300 | 2,420 | 3,650 | 4,500 | 5,020 | 5,970 |
| 20 | 3,120 | 3,330 | 3,550 | 4,060 | 4,910 | 6,410 | 7,810 | 10,640 | 3,620 | 3,830 | 4,050 | 4,560 | 5,950 | 7,110 | 8,510 | 11,340 |
| 25 | 3,800 | 4,220 | 4,570 | 4,990 | 5,960 | 8,530 | 11,680 | 14,830 | 4,300 | 4,720 | 5,070 | 5,490 | 7,000 | 9,230 | 12,380 | 15,530 |
| 30 | 5,110 | 5,930 | 6,280 | 6,740 | 8,350 | 10,500 | 14,120 | 18,080 | 5,610 | 6,430 | 6,780 | 7,240 | 9,390 | 11,200 | 14,820 | 18,780 |
| 35 | 7,390 | 8,200 | 8,930 | 9,720 | 11,210 | 14,230 | 19,740 | 25,220 | 7,890 | 8,700 | 9,430 | 10,220 | 12,250 | 14,930 | 20,440 | 25,920 |
| 40 | 8,660 | 9,640 | 10,510 | 11,470 | 13,200 | 16,600 | 23,200 | 29,790 | 9,160 | 10,140 | 11,010 | 11,970 | 14,240 | 17,300 | 23,900 | 30,490 |
| 50 | 10,960 | 12,190 | 13,340 | 14,620 | 16,740 | 20,910 | 29,490 | 38,050 | 11,460 | 12,690 | 13,840 | 15,120 | 17,780 | 21,610 | 30,190 | 38,750 |
| D | SL-SSFRHHS | SH-SSFRHHS | SHD-SSFRHHS | |||||||||||||||||||||
| 最短L | L50.1 | L100.1 | L150.1 | L200.1 | L300.1 | L400.1 | L600.1 | 最短L | L50.1 | L100.1 | L150.1 | L200.1 | L300.1 | L400.1 | L600.1 | 最短L | L50.1 | L100.1 | L150.1 | L200.1 | L300.1 | L400.1 | L600.1 | |
| ~ | ~ | ~ | ~ | ~ | ~ | ~ | ~ | ~ | ~ | ~ | ~ | ~ | ~ | ~ | ~ | ~ | ~ | ~ | ~ | ~ | ~ | ~ | ~ | |
| 50.0 | 100.0 | 150.0 | 200.0 | 300.0 | 400.0 | 600.0 | 800.0 | 50.0 | 100.0 | 150.0 | 200.0 | 300.0 | 400.0 | 600.0 | 800.0 | 50.0 | 100.0 | 150.0 | 200.0 | 300.0 | 400.0 | 600.0 | 800.0 | |
| 6 | 2,200 | 2,290 | 2,460 | 2,590 | 3,220 | 3,920 | 4,140 | - | 2,700 | 2,790 | 2,960 | 3,090 | 4,020 | 5,420 | 5,640 | - | 3,000 | 3,090 | 3,260 | 3,390 | 4,520 | 6,170 | 6,390 | - |
| 8 | 2,200 | 2,290 | 2,460 | 2,590 | 3,220 | 3,920 | 4,140 | - | 2,700 | 2,790 | 2,960 | 3,090 | 4,020 | 5,420 | 5,640 | - | 3,000 | 3,090 | 3,260 | 3,390 | 4,520 | 6,170 | 6,390 | - |
| 10 | 2,200 | 2,290 | 2,460 | 2,590 | 3,220 | 3,920 | 4,140 | 4,610 | 2,700 | 2,790 | 2,960 | 3,090 | 4,020 | 5,420 | 5,640 | 6,110 | 3,000 | 3,090 | 3,260 | 3,390 | 4,520 | 6,170 | 6,390 | 6,860 |
| 12 | 2,330 | 2,520 | 2,590 | 2,750 | 3,330 | 4,110 | 4,680 | 5,420 | 2,830 | 3,020 | 3,090 | 3,250 | 4,130 | 5,610 | 6,180 | 6,920 | 3,130 | 3,320 | 3,390 | 3,550 | 4,630 | 6,360 | 6,930 | 7,670 |
| 15 | 2,580 | 2,790 | 2,830 | 2,980 | 3,660 | 4,420 | 5,070 | 5,910 | 3,080 | 3,290 | 3,330 | 3,480 | 4,460 | 5,920 | 6,570 | 7,410 | 3,380 | 3,590 | 3,630 | 3,780 | 4,960 | 6,670 | 7,320 | 8,160 |
| 17 | 2,630 | 2,930 | 2,970 | 3,080 | 3,850 | 4,740 | 5,870 | 6,440 | 3,130 | 3,430 | 3,470 | 3,580 | 4,650 | 6,240 | 7,370 | 7,940 | 3,430 | 3,730 | 3,770 | 3,880 | 5,150 | 6,990 | 8,120 | 8,690 |
| 20 | 3,560 | 3,730 | 3,860 | 4,360 | 5,030 | 6,450 | 8,720 | 10,780 | 4,060 | 4,230 | 4,360 | 4,860 | 5,830 | 7,950 | 10,220 | 12,280 | 4,360 | 4,530 | 4,660 | 5,160 | 6,330 | 8,700 | 10,970 | 13,030 |
| 25 | 4,070 | 4,590 | 4,830 | 5,110 | 5,780 | 7,850 | 10,680 | 13,550 | 4,570 | 5,090 | 5,330 | 5,610 | 6,580 | 9,350 | 12,180 | 15,050 | 4,870 | 5,390 | 5,630 | 5,910 | 7,080 | 10,100 | 12,930 | 15,800 |
| 30 | 5,370 | 6,170 | 6,340 | 7,030 | 8,200 | 9,930 | 13,330 | 17,020 | 5,870 | 6,670 | 6,840 | 7,530 | 9,000 | 11,430 | 14,830 | 18,520 | 6,170 | 6,970 | 7,140 | 7,830 | 9,500 | 12,180 | 15,580 | 19,270 |
| 35 | 7,690 | 8,320 | 8,840 | 9,880 | 10,730 | 13,380 | 18,490 | 23,940 | 8,190 | 8,820 | 9,340 | 10,380 | 11,530 | 14,880 | 19,990 | 25,440 | 8,490 | 9,120 | 9,640 | 10,680 | 12,030 | 15,630 | 20,740 | 26,190 |
| 40 | 9,020 | 9,690 | 10,330 | 11,550 | 12,590 | 15,660 | 21,810 | 28,350 | 9,520 | 10,190 | 10,830 | 12,050 | 13,390 | 17,160 | 23,310 | 29,850 | 9,820 | 10,490 | 11,130 | 12,350 | 13,890 | 17,910 | 24,060 | 30,600 |
| 50 | 11,690 | 12,180 | 13,000 | 14,810 | 15,920 | 19,790 | 27,800 | 36,280 | 12,190 | 12,680 | 13,500 | 15,310 | 16,720 | 21,290 | 29,300 | 37,780 | 12,490 | 12,980 | 13,800 | 15,610 | 17,220 | 22,040 | 30,050 | 38,530 |
| D | SL-PSFRHHS | SH-PSFRHHS | ||||||||||||||
| 最短L | L50.1 | L100.1 | L150.1 | L200.1 | L300.1 | L400.1 | L600.1 | 最短L | L50.1 | L100.1 | L150.1 | L200.1 | L300.1 | L400.1 | L600.1 | |
| ~ | ~ | ~ | ~ | ~ | ~ | ~ | ~ | ~ | ~ | ~ | ~ | ~ | ~ | ~ | ~ | |
| 50.0 | 100.0 | 150.0 | 200.0 | 300.0 | 400.0 | 600.0 | 800.0 | 50.0 | 100.0 | 150.0 | 200.0 | 300.0 | 400.0 | 600.0 | 800.0 | |
| 6 | 2,200 | 2,330 | 2,480 | 2,560 | 3,300 | 4,590 | 4,840 | - | 2,700 | 2,830 | 2,980 | 3,060 | 4,340 | 5,290 | 5,540 | - |
| 8 | 2,200 | 2,330 | 2,480 | 2,560 | 3,300 | 4,590 | 4,840 | - | 2,700 | 2,830 | 2,980 | 3,060 | 4,340 | 5,290 | 5,540 | - |
| 10 | 2,200 | 2,330 | 2,480 | 2,560 | 3,300 | 4,590 | 4,840 | 5,430 | 2,700 | 2,830 | 2,980 | 3,060 | 4,340 | 5,290 | 5,540 | 6,130 |
| 12 | 2,310 | 2,470 | 2,530 | 2,650 | 3,390 | 4,690 | 5,500 | 5,850 | 2,810 | 2,970 | 3,030 | 3,150 | 4,430 | 5,390 | 6,200 | 6,550 |
| 15 | 2,370 | 2,550 | 2,620 | 2,750 | 3,590 | 4,950 | 5,880 | 6,270 | 2,870 | 3,050 | 3,120 | 3,250 | 4,630 | 5,650 | 6,580 | 6,970 |
| 17 | 2,570 | 2,760 | 2,880 | 2,970 | 3,990 | 5,320 | 6,240 | 7,390 | 3,070 | 3,260 | 3,380 | 3,470 | 5,030 | 6,020 | 6,940 | 8,090 |
| 20 | 3,570 | 3,770 | 3,990 | 4,500 | 5,350 | 6,850 | 8,250 | 11,080 | 4,070 | 4,270 | 4,490 | 5,000 | 6,390 | 7,550 | 8,950 | 11,780 |
| 25 | 4,260 | 4,680 | 5,020 | 5,440 | 6,410 | 8,980 | 12,130 | 15,290 | 4,760 | 5,180 | 5,520 | 5,940 | 7,450 | 9,680 | 12,830 | 15,990 |
| 30 | 5,560 | 6,380 | 6,730 | 7,190 | 8,800 | 10,960 | 14,570 | 18,540 | 6,060 | 6,880 | 7,230 | 7,690 | 9,840 | 11,660 | 15,270 | 19,240 |
| 35 | 7,840 | 8,650 | 9,390 | 10,170 | 11,660 | 14,680 | 20,190 | 25,680 | 8,340 | 9,150 | 9,890 | 10,670 | 12,700 | 15,380 | 20,890 | 26,380 |
| 40 | 9,120 | 10,100 | 10,960 | 11,920 | 13,650 | 17,060 | 23,660 | 30,240 | 9,620 | 10,600 | 11,460 | 12,420 | 14,690 | 17,760 | 24,360 | 30,940 |
| 50 | 11,420 | 12,650 | 13,790 | 15,080 | 17,190 | 21,370 | 29,940 | 38,510 | 11,920 | 13,150 | 14,290 | 15,580 | 18,230 | 22,070 | 30,640 | 39,210 |
| D | SL-SSFRH | SH-SSFRH | SHD-SSFRH | |||||||||||||||||||||
| 最短L | L50.1 | L100.1 | L150.1 | L200.1 | L300.1 | L400.1 | L600.1 | 最短L | L50.1 | L100.1 | L150.1 | L200.1 | L300.1 | L400.1 | L600.1 | 最短L | L50.1 | L100.1 | L150.1 | L200.1 | L300.1 | L400.1 | L600.1 | |
| ~ | ~ | ~ | ~ | ~ | ~ | ~ | ~ | ~ | ~ | ~ | ~ | ~ | ~ | ~ | ~ | ~ | ~ | ~ | ~ | ~ | ~ | ~ | ~ | |
| 50.0 | 100.0 | 150.0 | 200.0 | 300.0 | 400.0 | 600.0 | 800.0 | 50.0 | 100.0 | 150.0 | 200.0 | 300.0 | 400.0 | 600.0 | 800.0 | 50.0 | 100.0 | 150.0 | 200.0 | 300.0 | 400.0 | 600.0 | 800.0 | |
| 6 | 1,780 | 1,870 | 2,040 | 2,170 | 2,800 | 3,500 | 3,720 | - | 2,280 | 2,370 | 2,540 | 2,670 | 3,600 | 5,000 | 5,220 | - | 2,580 | 2,670 | 2,840 | 2,970 | 4,100 | 5,750 | 5,970 | - |
| 8 | 1,780 | 1,870 | 2,040 | 2,170 | 2,800 | 3,500 | 3,720 | - | 2,280 | 2,370 | 2,540 | 2,670 | 3,600 | 5,000 | 5,220 | - | 2,580 | 2,670 | 2,840 | 2,970 | 4,100 | 5,750 | 5,970 | - |
| 10 | 1,780 | 1,870 | 2,040 | 2,170 | 2,800 | 3,500 | 3,720 | 4,190 | 2,280 | 2,370 | 2,540 | 2,670 | 3,600 | 5,000 | 5,220 | 5,690 | 2,580 | 2,670 | 2,840 | 2,970 | 4,100 | 5,750 | 5,970 | 6,440 |
| 12 | 1,910 | 2,100 | 2,170 | 2,330 | 2,910 | 3,690 | 4,260 | 5,000 | 2,410 | 2,600 | 2,670 | 2,830 | 3,710 | 5,190 | 5,760 | 6,500 | 2,710 | 2,900 | 2,970 | 3,130 | 4,210 | 5,940 | 6,510 | 7,250 |
| 13 | 2,080 | 2,280 | 2,330 | 2,490 | 3,130 | 3,900 | 4,520 | 5,330 | 2,580 | 2,780 | 2,830 | 2,990 | 3,930 | 5,400 | 6,020 | 6,830 | 2,880 | 3,080 | 3,130 | 3,290 | 4,430 | 6,150 | 6,770 | 7,580 |
| 15 | 2,160 | 2,370 | 2,410 | 2,560 | 3,240 | 4,000 | 4,650 | 5,490 | 2,660 | 2,870 | 2,910 | 3,060 | 4,040 | 5,500 | 6,150 | 6,990 | 2,960 | 3,170 | 3,210 | 3,360 | 4,540 | 6,250 | 6,900 | 7,740 |
| 16 | 2,200 | 2,470 | 2,510 | 2,630 | 3,360 | 4,220 | 5,190 | 5,840 | 2,700 | 2,970 | 3,010 | 3,130 | 4,160 | 5,720 | 6,690 | 7,340 | 3,000 | 3,270 | 3,310 | 3,430 | 4,660 | 6,470 | 7,440 | 8,090 |
| 17 | 2,210 | 2,510 | 2,550 | 2,660 | 3,430 | 4,320 | 5,450 | 6,020 | 2,710 | 3,010 | 3,050 | 3,160 | 4,230 | 5,820 | 6,950 | 7,520 | 3,010 | 3,310 | 3,350 | 3,460 | 4,730 | 6,570 | 7,700 | 8,270 |
| 18 | 2,830 | 3,050 | 3,140 | 3,510 | 4,210 | 5,690 | 7,740 | 9,500 | 3,330 | 3,550 | 3,640 | 4,010 | 5,010 | 7,190 | 9,240 | 11,000 | 3,630 | 3,850 | 3,940 | 4,310 | 5,510 | 7,940 | 9,990 | 11,750 |
| 20 | 3,140 | 3,310 | 3,440 | 3,940 | 4,610 | 6,030 | 8,300 | 10,360 | 3,640 | 3,810 | 3,940 | 4,440 | 5,410 | 7,530 | 9,800 | 11,860 | 3,940 | 4,110 | 4,240 | 4,740 | 5,910 | 8,280 | 10,550 | 12,610 |
| 22 | 3,480 | 3,890 | 4,090 | 4,430 | 5,110 | 7,160 | 9,870 | 12,590 | 3,980 | 4,390 | 4,590 | 4,930 | 5,910 | 8,660 | 11,370 | 14,090 | 4,280 | 4,690 | 4,890 | 5,230 | 6,410 | 9,410 | 12,120 | 14,840 |
| 25 | 3,650 | 4,170 | 4,410 | 4,690 | 5,360 | 7,430 | 10,260 | 13,130 | 4,150 | 4,670 | 4,910 | 5,190 | 6,160 | 8,930 | 11,760 | 14,630 | 4,450 | 4,970 | 5,210 | 5,490 | 6,660 | 9,680 | 12,510 | 15,380 |
| 30 | 4,950 | 5,750 | 5,920 | 6,610 | 7,780 | 9,510 | 12,910 | 16,600 | 5,450 | 6,250 | 6,420 | 7,110 | 8,580 | 11,010 | 14,410 | 18,100 | 5,750 | 6,550 | 6,720 | 7,410 | 9,080 | 11,760 | 15,160 | 18,850 |
| 35 | 7,270 | 7,900 | 8,420 | 9,460 | 10,310 | 12,960 | 18,070 | 23,520 | 7,770 | 8,400 | 8,920 | 9,960 | 11,110 | 14,460 | 19,570 | 25,020 | 8,070 | 8,700 | 9,220 | 10,260 | 11,610 | 15,210 | 20,320 | 25,770 |
| 40 | 8,600 | 9,270 | 9,910 | 11,130 | 12,170 | 15,240 | 21,390 | 27,930 | 9,100 | 9,770 | 10,410 | 11,630 | 12,970 | 16,740 | 22,890 | 29,430 | 9,400 | 10,070 | 10,710 | 11,930 | 13,470 | 17,490 | 23,640 | 30,180 |
| 50 | 11,270 | 11,760 | 12,580 | 14,390 | 15,500 | 19,370 | 27,380 | 35,860 | 11,770 | 12,260 | 13,080 | 14,890 | 16,300 | 20,870 | 28,880 | 37,360 | 12,070 | 12,560 | 13,380 | 15,190 | 16,800 | 21,620 | 29,630 | 38,110 |
| D | SL-PSFRH | SH-PSFRH | ||||||||||||||
| 最短L | L50.1 | L100.1 | L150.1 | L200.1 | L300.1 | L400.1 | L600.1 | 最短L | L50.1 | L100.1 | L150.1 | L200.1 | L300.1 | L400.1 | L600.1 | |
| ~ | ~ | ~ | ~ | ~ | ~ | ~ | ~ | ~ | ~ | ~ | ~ | ~ | ~ | ~ | ~ | |
| 50.0 | 100.0 | 150.0 | 200.0 | 300.0 | 400.0 | 600.0 | 800.0 | 50.0 | 100.0 | 150.0 | 200.0 | 300.0 | 400.0 | 600.0 | 800.0 | |
| 6 | 1,760 | 1,880 | 2,030 | 2,120 | 2,850 | 4,150 | 4,390 | - | 2,260 | 2,380 | 2,530 | 2,620 | 3,890 | 4,850 | 5,090 | - |
| 8 | 1,760 | 1,880 | 2,030 | 2,120 | 2,850 | 4,150 | 4,390 | - | 2,260 | 2,380 | 2,530 | 2,620 | 3,890 | 4,850 | 5,090 | - |
| 10 | 1,760 | 1,880 | 2,030 | 2,120 | 2,850 | 4,150 | 4,390 | 4,990 | 2,260 | 2,380 | 2,530 | 2,620 | 3,890 | 4,850 | 5,090 | 5,690 |
| 12 | 1,860 | 2,020 | 2,090 | 2,200 | 2,950 | 4,240 | 5,050 | 5,400 | 2,360 | 2,520 | 2,590 | 2,700 | 3,990 | 4,940 | 5,750 | 6,100 |
| 13 | 1,920 | 2,100 | 2,160 | 2,300 | 3,130 | 4,490 | 5,400 | 5,790 | 2,420 | 2,600 | 2,660 | 2,800 | 4,170 | 5,190 | 6,100 | 6,490 |
| 15 | 1,930 | 2,110 | 2,170 | 2,310 | 3,150 | 4,510 | 5,430 | 5,820 | 2,430 | 2,610 | 2,670 | 2,810 | 4,190 | 5,210 | 6,130 | 6,520 |
| 16 | 2,130 | 2,310 | 2,430 | 2,510 | 3,520 | 4,840 | 5,760 | 6,920 | 2,630 | 2,810 | 2,930 | 3,010 | 4,560 | 5,540 | 6,460 | 7,620 |
| 17 | 2,130 | 2,320 | 2,440 | 2,520 | 3,540 | 4,870 | 5,790 | 6,950 | 2,630 | 2,820 | 2,940 | 3,020 | 4,580 | 5,570 | 6,490 | 7,650 |
| 18 | 2,300 | 2,620 | 2,710 | 2,910 | 3,880 | 5,230 | 6,140 | 8,090 | 2,800 | 3,120 | 3,210 | 3,410 | 4,920 | 5,930 | 6,840 | 8,790 |
| 20 | 3,120 | 3,330 | 3,550 | 4,060 | 4,910 | 6,410 | 7,810 | 10,640 | 3,620 | 3,830 | 4,050 | 4,560 | 5,950 | 7,110 | 8,510 | 11,340 |
| 22 | 3,250 | 3,800 | 4,100 | 4,450 | 5,810 | 7,450 | 9,030 | 11,180 | 3,750 | 4,300 | 4,600 | 4,950 | 6,850 | 8,150 | 9,730 | 11,880 |
| 25 | 3,800 | 4,220 | 4,570 | 4,990 | 5,960 | 8,530 | 11,680 | 14,830 | 4,300 | 4,720 | 5,070 | 5,490 | 7,000 | 9,230 | 12,380 | 15,530 |
| 30 | 5,110 | 5,930 | 6,280 | 6,740 | 8,350 | 10,500 | 14,120 | 18,080 | 5,610 | 6,430 | 6,780 | 7,240 | 9,390 | 11,200 | 14,820 | 18,780 |
| 35 | 7,390 | 8,200 | 8,930 | 9,720 | 11,210 | 14,230 | 19,740 | 25,220 | 7,890 | 8,700 | 9,430 | 10,220 | 12,250 | 14,930 | 20,440 | 25,920 |
| 40 | 8,660 | 9,640 | 10,510 | 11,470 | 13,200 | 16,600 | 23,200 | 29,790 | 9,160 | 10,140 | 11,010 | 11,970 | 14,240 | 17,300 | 23,900 | 30,490 |
| 50 | 10,960 | 12,190 | 13,340 | 14,620 | 16,740 | 20,910 | 29,490 | 38,050 | 11,460 | 12,690 | 13,840 | 15,120 | 17,780 | 21,610 | 30,190 | 38,750 |
| D | SL-SSFRHS | SH-SSFRHS | SHD-SSFRHS | |||||||||||||||||||||
| 最短L | L50.1 | L100.1 | L150.1 | L200.1 | L300.1 | L400.1 | L600.1 | 最短L | L50.1 | L100.1 | L150.1 | L200.1 | L300.1 | L400.1 | L600.1 | 最短L | L50.1 | L100.1 | L150.1 | L200.1 | L300.1 | L400.1 | L600.1 | |
| ~ | ~ | ~ | ~ | ~ | ~ | ~ | ~ | ~ | ~ | ~ | ~ | ~ | ~ | ~ | ~ | ~ | ~ | ~ | ~ | ~ | ~ | ~ | ~ | |
| 50.0 | 100.0 | 150.0 | 200.0 | 300.0 | 400.0 | 600.0 | 800.0 | 50.0 | 100.0 | 150.0 | 200.0 | 300.0 | 400.0 | 600.0 | 800.0 | 50.0 | 100.0 | 150.0 | 200.0 | 300.0 | 400.0 | 600.0 | 800.0 | |
| 6 | 2,200 | 2,290 | 2,460 | 2,590 | 3,220 | 3,920 | 4,140 | - | 2,700 | 2,790 | 2,960 | 3,090 | 4,020 | 5,420 | 5,640 | - | 3,000 | 3,090 | 3,260 | 3,390 | 4,520 | 6,170 | 6,390 | - |
| 8 | 2,200 | 2,290 | 2,460 | 2,590 | 3,220 | 3,920 | 4,140 | - | 2,700 | 2,790 | 2,960 | 3,090 | 4,020 | 5,420 | 5,640 | - | 3,000 | 3,090 | 3,260 | 3,390 | 4,520 | 6,170 | 6,390 | - |
| 10 | 2,200 | 2,290 | 2,460 | 2,590 | 3,220 | 3,920 | 4,140 | 4,610 | 2,700 | 2,790 | 2,960 | 3,090 | 4,020 | 5,420 | 5,640 | 6,110 | 3,000 | 3,090 | 3,260 | 3,390 | 4,520 | 6,170 | 6,390 | 6,860 |
| 12 | 2,330 | 2,520 | 2,590 | 2,750 | 3,330 | 4,110 | 4,680 | 5,420 | 2,830 | 3,020 | 3,090 | 3,250 | 4,130 | 5,610 | 6,180 | 6,920 | 3,130 | 3,320 | 3,390 | 3,550 | 4,630 | 6,360 | 6,930 | 7,670 |
| 13 | 2,500 | 2,700 | 2,750 | 2,910 | 3,550 | 4,320 | 4,940 | 5,750 | 3,000 | 3,200 | 3,250 | 3,410 | 4,350 | 5,820 | 6,440 | 7,250 | 3,300 | 3,500 | 3,550 | 3,710 | 4,850 | 6,570 | 7,190 | 8,000 |
| 15 | 2,580 | 2,790 | 2,830 | 2,980 | 3,660 | 4,420 | 5,070 | 5,910 | 3,080 | 3,290 | 3,330 | 3,480 | 4,460 | 5,920 | 6,570 | 7,410 | 3,380 | 3,590 | 3,630 | 3,780 | 4,960 | 6,670 | 7,320 | 8,160 |
| 16 | 2,620 | 2,890 | 2,930 | 3,050 | 3,780 | 4,640 | 5,610 | 6,260 | 3,120 | 3,390 | 3,430 | 3,550 | 4,580 | 6,140 | 7,110 | 7,760 | 3,420 | 3,690 | 3,730 | 3,850 | 5,080 | 6,890 | 7,860 | 8,510 |
| 17 | 2,630 | 2,930 | 2,970 | 3,080 | 3,850 | 4,740 | 5,870 | 6,440 | 3,130 | 3,430 | 3,470 | 3,580 | 4,650 | 6,240 | 7,370 | 7,940 | 3,430 | 3,730 | 3,770 | 3,880 | 5,150 | 6,990 | 8,120 | 8,690 |
| 18 | 3,250 | 3,470 | 3,560 | 3,930 | 4,630 | 6,110 | 8,160 | 9,920 | 3,750 | 3,970 | 4,060 | 4,430 | 5,430 | 7,610 | 9,660 | 11,420 | 4,050 | 4,270 | 4,360 | 4,730 | 5,930 | 8,360 | 10,410 | 12,170 |
| 20 | 3,560 | 3,730 | 3,860 | 4,360 | 5,030 | 6,450 | 8,720 | 10,780 | 4,060 | 4,230 | 4,360 | 4,860 | 5,830 | 7,950 | 10,220 | 12,280 | 4,360 | 4,530 | 4,660 | 5,160 | 6,330 | 8,700 | 10,970 | 13,030 |
| 22 | 3,900 | 4,310 | 4,510 | 4,850 | 5,530 | 7,580 | 10,290 | 13,010 | 4,400 | 4,810 | 5,010 | 5,350 | 6,330 | 9,080 | 11,790 | 14,510 | 4,700 | 5,110 | 5,310 | 5,650 | 6,830 | 9,830 | 12,540 | 15,260 |
| 25 | 4,070 | 4,590 | 4,830 | 5,110 | 5,780 | 7,850 | 10,680 | 13,550 | 4,570 | 5,090 | 5,330 | 5,610 | 6,580 | 9,350 | 12,180 | 15,050 | 4,870 | 5,390 | 5,630 | 5,910 | 7,080 | 10,100 | 12,930 | 15,800 |
| 30 | 5,370 | 6,170 | 6,340 | 7,030 | 8,200 | 9,930 | 13,330 | 17,020 | 5,870 | 6,670 | 6,840 | 7,530 | 9,000 | 11,430 | 14,830 | 18,520 | 6,170 | 6,970 | 7,140 | 7,830 | 9,500 | 12,180 | 15,580 | 19,270 |
| 35 | 7,690 | 8,320 | 8,840 | 9,880 | 10,730 | 13,380 | 18,490 | 23,940 | 8,190 | 8,820 | 9,340 | 10,380 | 11,530 | 14,880 | 19,990 | 25,440 | 8,490 | 9,120 | 9,640 | 10,680 | 12,030 | 15,630 | 20,740 | 26,190 |
| 40 | 9,020 | 9,690 | 10,330 | 11,550 | 12,590 | 15,660 | 21,810 | 28,350 | 9,520 | 10,190 | 10,830 | 12,050 | 13,390 | 17,160 | 23,310 | 29,850 | 9,820 | 10,490 | 11,130 | 12,350 | 13,890 | 17,910 | 24,060 | 30,600 |
| 50 | 11,690 | 12,180 | 13,000 | 14,810 | 15,920 | 19,790 | 27,800 | 36,280 | 12,190 | 12,680 | 13,500 | 15,310 | 16,720 | 21,290 | 29,300 | 37,780 | 12,490 | 12,980 | 13,800 | 15,610 | 17,220 | 22,040 | 30,050 | 38,530 |
| D | SL-PSFRHS | SH-PSFRHS | ||||||||||||||
| 最短L | L50.1 | L100.1 | L150.1 | L200.1 | L300.1 | L400.1 | L600.1 | 最短L | L50.1 | L100.1 | L150.1 | L200.1 | L300.1 | L400.1 | L600.1 | |
| ~ | ~ | ~ | ~ | ~ | ~ | ~ | ~ | ~ | ~ | ~ | ~ | ~ | ~ | ~ | ~ | |
| 50.0 | 100.0 | 150.0 | 200.0 | 300.0 | 400.0 | 600.0 | 800.0 | 50.0 | 100.0 | 150.0 | 200.0 | 300.0 | 400.0 | 600.0 | 800.0 | |
| 6 | 2,200 | 2,330 | 2,480 | 2,560 | 3,300 | 4,590 | 4,840 | - | 2,700 | 2,830 | 2,980 | 3,060 | 4,340 | 5,290 | 5,540 | - |
| 8 | 2,200 | 2,330 | 2,480 | 2,560 | 3,300 | 4,590 | 4,840 | - | 2,700 | 2,830 | 2,980 | 3,060 | 4,340 | 5,290 | 5,540 | - |
| 10 | 2,200 | 2,330 | 2,480 | 2,560 | 3,300 | 4,590 | 4,840 | 5,430 | 2,700 | 2,830 | 2,980 | 3,060 | 4,340 | 5,290 | 5,540 | 6,130 |
| 12 | 2,310 | 2,470 | 2,530 | 2,650 | 3,390 | 4,690 | 5,500 | 5,850 | 2,810 | 2,970 | 3,030 | 3,150 | 4,430 | 5,390 | 6,200 | 6,550 |
| 13 | 2,360 | 2,540 | 2,610 | 2,740 | 3,570 | 4,930 | 5,850 | 6,240 | 2,860 | 3,040 | 3,110 | 3,240 | 4,610 | 5,630 | 6,550 | 6,940 |
| 15 | 2,370 | 2,550 | 2,620 | 2,750 | 3,590 | 4,950 | 5,880 | 6,270 | 2,870 | 3,050 | 3,120 | 3,250 | 4,630 | 5,650 | 6,580 | 6,970 |
| 16 | 2,570 | 2,750 | 2,870 | 2,960 | 3,970 | 5,280 | 6,210 | 7,360 | 3,070 | 3,250 | 3,370 | 3,460 | 5,010 | 5,980 | 6,910 | 8,060 |
| 17 | 2,570 | 2,760 | 2,880 | 2,970 | 3,990 | 5,320 | 6,240 | 7,390 | 3,070 | 3,260 | 3,380 | 3,470 | 5,030 | 6,020 | 6,940 | 8,090 |
| 18 | 2,740 | 3,060 | 3,160 | 3,360 | 4,330 | 5,680 | 6,590 | 8,540 | 3,240 | 3,560 | 3,660 | 3,860 | 5,370 | 6,380 | 7,290 | 9,240 |
| 20 | 3,570 | 3,770 | 3,990 | 4,500 | 5,350 | 6,850 | 8,250 | 11,080 | 4,070 | 4,270 | 4,490 | 5,000 | 6,390 | 7,550 | 8,950 | 11,780 |
| 22 | 3,700 | 4,260 | 4,560 | 4,900 | 6,260 | 7,900 | 9,490 | 11,640 | 4,200 | 4,760 | 5,060 | 5,400 | 7,300 | 8,600 | 10,190 | 12,340 |
| 25 | 4,260 | 4,680 | 5,020 | 5,440 | 6,410 | 8,980 | 12,130 | 15,290 | 4,760 | 5,180 | 5,520 | 5,940 | 7,450 | 9,680 | 12,830 | 15,990 |
| 30 | 5,560 | 6,380 | 6,730 | 7,190 | 8,800 | 10,960 | 14,570 | 18,540 | 6,060 | 6,880 | 7,230 | 7,690 | 9,840 | 11,660 | 15,270 | 19,240 |
| 35 | 7,840 | 8,650 | 9,390 | 10,170 | 11,660 | 14,680 | 20,190 | 25,680 | 8,340 | 9,150 | 9,890 | 10,670 | 12,700 | 15,380 | 20,890 | 26,380 |
| 40 | 9,120 | 10,100 | 10,960 | 11,920 | 13,650 | 17,060 | 23,660 | 30,240 | 9,620 | 10,600 | 11,460 | 12,420 | 14,690 | 17,760 | 24,360 | 30,940 |
| 50 | 11,420 | 12,650 | 13,790 | 15,080 | 17,190 | 21,370 | 29,940 | 38,510 | 11,920 | 13,150 | 14,290 | 15,580 | 18,230 | 22,070 | 30,640 | 39,210 |
| 数量区分 | 標準対応 | 個別対応 | |||||
| 小口 | 大口 | 大口 | |||||
| 数量 | 1~9 | 10~14 | 15~19 | 20~49 | 50~300 | 301~400 | 401~ |
| 値引率 | 基準単価 | 5% | 10% | 20% | 25% | 45% | お見積り |
| 出荷日 | 通常 | +1日 | +2日 | +3日 | |||

通常価格、通常出荷日が表示と異なる場合がございます
通常価格、通常出荷日が表示と異なる場合がございます

ミスミ
回転軸 両端めねじタイプ
4.7
ミスミ
回転軸 ストレートタイプ
4.6
ミスミ
回転軸 止め輪溝タイプ
4.6
ミスミ
回転軸 ストレート キー溝付きタイプ
4.6
ミスミ
回転軸 両端段付タイプ
4.5
ミスミ
回転軸 片端めねじタイプ/片端めねじスパナ溝付タイプ
4.7
ミスミ
回転軸 片端段付タイプ
4.7
ミスミ
回転軸 片端段付 片端おねじ 片端めねじタイプ/片端段付 片端おねじ 片端めねじスパナ溝付タイプ
4.4
ミスミ
回転軸 廻り止めタイプ
4.7