メカニカル部品技術窓口


[ ! ]逃げ部形状は任意となります。
| Type | [ M ]材質 | [ H ]硬度 | 洗浄方法 | |||||
| Dp6 | Dm6 | Dh7 | 洗浄方法 | 洗浄環境 | 梱包形態 | 梱包環境 | ||
| SL-JBKH | SL-JBKHM | SL-JBKHS | 高硬度ステンレス | 35HRC~ | 脱脂洗浄 | 一般環境 | 防錆梱包 | 一般環境 |
| SH-JBKH | SH-JBKHM | SH-JBKHS | 精密洗浄 | クラス1000 | 脱気2重梱包 | クラス10 | ||
| SHD-JBKH | SHD-JBKHM | SHD-JBKHS | 電解研磨+精密洗浄 | |||||
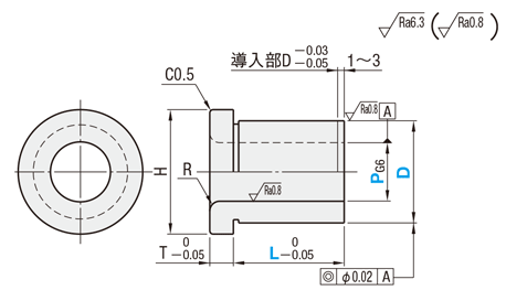
詳細図を記載しておりますので、ご確認ください。| 型式 | P | L | ||||
| − | − | |||||
| Type | D | |||||
| SL-JBKH | 8 | − | 5.9 | − | 12 | |
| SH-JBKHS | 10 | − | 8 | − | 17 | |
| D | p6 | m6 | h7 |
| 5 | +0.020 +0.012 | +0.012 +0.004 | 0 −0.012 |
| 6 | |||
| 7 | +0.024 +0.015 | +0.015 +0.006 | 0 −0.015 |
| 8 | |||
| 9 | |||
| 10 | |||
| 11 | +0.029 +0.018 | +0.018 +0.007 | 0 −0.018 |
| 12 | |||
| 13 | |||
| 14 | |||
| 15 | |||
| 16 | |||
| 18 | |||
| 19 | +0.035 +0.022 | +0.021 +0.008 | 0 −0.021 |
| 20 | |||
| 21 | |||
| 22 |
| 型式 | P 指定0.1mm単位 | L 指定0.1mm単位 | T | R | H | |
| Type | D | |||||
| (p6) SL-JBKH SH-JBKH SHD-JBKH (m6) SL-JBKHM SH-JBKHM SD-JBKHM (h7) SL-JBKHS SH-JBKHS SHD-JBKHS | 5 | 2.0~3.0 | 5.0~7.5 | 2.5 | 0.5 | 9 |
| 6 | 2.0~4.0 | 5.0~7.5 | ||||
| 7 | 2.0~5.0 | 5.0~7.5 | 11 | |||
| 8 | 3.0~6.0 | 5.0~12.0 | 3 | 12 | ||
| 9 | 3.0~6.5 | 5.0~12.0 | 13.5 | |||
| 10 | 4.0~8.0 | 5.0~17.0 | 14 | |||
| 11 | 4.0~9.0 | 5.0~17.0 | 15 | |||
| 12 | 6.0~10.0 | 5.0~26.0 | 4 | 16 | ||
| 13 | 6.0~10.0 | 5.0~26.0 | 17 | |||
| 14 | 6.0~11.0 | 5.0~26.0 | 18 | |||
| 15 | 8.0~12.5 | 5.0~35.0 | 19 | |||
| 16 | 8.0~12.5 | 5.0~35.0 | 1 | |||
| 18 | 10.0~14.0 | 5.0~35.0 | 22 | |||
| 19 | 10.0~14.0 | 5.0~35.0 | 5 | 24 | ||
| 20 | 12.0~15.0 | 5.0~35.0 | 25 | |||
| 21 | 12.0~15.0 | 5.0~35.0 | 2 | |||
| 22 | 12.0~17.0 | 5.0~35.0 | ||||
| 型式 | P | L | − | (FC・NC・RN・…etc) | ||||
| − | − | |||||||
| Type | D | |||||||
| SL-JBKH | 8 | − | 5.9 | − | 12.0 | − | RN | |
| SH-JBKHS | 15 | − | 8.0 | − | 17.0 | − | TC3 | |
| Alterations | Code | Spec. | ¥/1Code |
| 溝追加工 (接着剤溜まり用) ![]() | FC | 接着剤溜まり用の溝加工を追加し ます。 指定方法 FC [ ! ]D≧P+3:ブッシュの肉厚が | 200 |
| 溝追加工 (抜け止め防止) ![]() | NC | 抜け止め防止の溝加工を追加します。 指定方法 NC [ ! ]D≧P+3:ブッシュの肉厚が | 300 |
内径R C面取り![]() | RN | RをC面取り(0.5以下)にします。 指定方法 RN | 無料 |
内径R ピン角![]() | CRN | Rをピン角にします。 指定方法 CRN [ ! ]バリがでることがあります。 | 無料 |
| Alterations | Code | Spec. | ¥/1Code |
| 接着溝加工 L≦13.0の場合 L>13.0の場合 ![]() | RS | 接着用の溝を加工します。 指定方法 RS [ ! ]外径溝数 ・L≦13.0の場合→2本加工 ・L>13.0の場合→3本加工 [ ! ]D≦13の時、D−P≧3 | 300 |
内径R追加![]() | RC | 両側に内径Rを加工します。 指定方法 RC | 300 |
ツバ厚変更![]() | TC | 指定1mm単位 指定方法 TC4 3≦TC<T [ ! ]全長T−TC分短くなります。 [ ! ]D≧12に適用 | 200 |
平取り追加工![]() | HT | ブッシュに平取りを追加します。 指定方法 HT [ ! ]ツバ部は平取りしません。 [ ! ]D≧6に適用 [ ! ]D−P≧4 | 200 |
洗浄工程作業環境:一般環境 | ||||||
|---|---|---|---|---|---|---|
![]() アルカリ系温純水 | ![]() | ![]() 純水洗浄実施後 超音波純水洗浄 ※3回実施 | ![]() | ![]() 乾燥 | ![]() | ![]() 防錆袋1重梱包 |
作業環境:クラス1000 | 作業環境:クラス10 | |||||||
|---|---|---|---|---|---|---|---|---|
![]() 炭化水素系洗浄 Ro水洗浄 | ![]() | ![]() 高圧ジェット水洗(Ro水)後 純水(10MΩ・cm)で洗浄 | ![]() | ![]() 純水(13MΩ・cm)使用 | ![]() | ![]() 窒素ブロー使用 | ![]() | ![]() クラス10クリーン環境内の クリーンベンチで実施 |
作業環境:クラス1000 | 作業環境:クラス10 | |||||||||
|---|---|---|---|---|---|---|---|---|---|---|
![]() 炭化水素系洗浄 Ro水洗浄 | ![]() | ![]() 材質に応じた電解研磨層で 電解研磨 | ![]() | ![]() 高圧ジェット水洗(Ro水)後 純水(10MΩ・cm)で洗浄 | ![]() | ![]() 温純水(13MΩ・cm)使用 | ![]() | ![]() 窒素ブロー使用 | ![]() | ![]() クラス10クリーン環境内の クリーンベンチで実施 |
梱包例| 脱脂洗浄の場合 (TYPE型番:SL-□□) ![]() | 精密洗浄または電解研磨+精密洗浄の場合 (TYPE型番:SH-□□・SHD-□□) ![]() [ ! ]1重目・2重目の梱包とも、脱気されております。 |
洗浄効果・利用推奨環境洗浄方法 | 商品型番 | 梱包形態 | 未洗浄品と比べた効果 | ご利用環境(目安) | 利用シーン・工程 |
|---|---|---|---|---|---|
| 脱脂洗浄 | SL-□□ | 防錆梱包 | 油分除去 | 一般環境 | 通常組立工程 |
| バッテリー組立後工程 | |||||
| 精密洗浄 | SH-□□ | 脱気2重梱包 | 油分除去 粉塵除去 | クリーン環境(クラス10~1,000) | バッテリー組立工程 |
| 液晶関連組立後工程 | |||||
| 車載カメラ組立工程 | |||||
| 電解研磨+精密洗浄 | SHD-□□ | 脱気2重梱包 | 油分除去 粉塵除去 アウトガス低減 | 真空環境 クリーン環境(クラス10~1,000) | 半導体前工程 |
| 液晶成膜工程 | |||||
| 有機EL前工程 |
| 型番 |
|---|
通常単価(税別)
(税込単価) | 通常出荷日 |
洗浄不要の場合の代替品
|
|---|
- ( - ) | 6日目 |
|
- ( - ) | 6日目 |
|
- ( - ) | 6日目 |
|
- ( - ) | 6日目 |
|
- ( - ) | 6日目 |
|
- ( - ) | 6日目 |
|
- ( - ) | 6日目 |
|
- ( - ) | 6日目 |
|
- ( - ) | 6日目 |
|
- ( - ) | 6日目 |
|
- ( - ) | 6日目 |
|
- ( - ) | 6日目 |
|
- ( - ) | 6日目 |
|
- ( - ) | 6日目 |
|
- ( - ) | 6日目 |
|
- ( - ) | 6日目 |
|
- ( - ) | 6日目 |
|
- ( - ) | 6日目 |
|
- ( - ) | 6日目 |
|
- ( - ) | 6日目 |
|
- ( - ) | 6日目 |
|
- ( - ) | 6日目 |
|
- ( - ) | 6日目 |
|
- ( - ) | 6日目 |
|
- ( - ) | 6日目 |
|
- ( - ) | 6日目 |
|
- ( - ) | 6日目 |
|
- ( - ) | 6日目 |
|
- ( - ) | 6日目 |
|
- ( - ) | 6日目 |
|
- ( - ) | 6日目 |
|
- ( - ) | 6日目 |
|
- ( - ) | 6日目 |
|
- ( - ) | 6日目 |
|
- ( - ) | 6日目 |
|
- ( - ) | 6日目 |
|
- ( - ) | 6日目 |
|
- ( - ) | 6日目 |
|
- ( - ) | 6日目 |
|
- ( - ) | 6日目 |
|
- ( - ) | 6日目 |
|
- ( - ) | 6日目 |
|
- ( - ) | 6日目 |
|
- ( - ) | 6日目 |
|
- ( - ) | 6日目 |
|
- ( - ) | 6日目 |
|
- ( - ) | 6日目 |
|
- ( - ) | 6日目 |
|
- ( - ) | 6日目 |
|
- ( - ) | 6日目 |
|
- ( - ) | 6日目 |
|
- ( - ) | 6日目 |
|
- ( - ) | 6日目 |
|
- ( - ) | 6日目 |
|
- ( - ) | 6日目 |
|
- ( - ) | 6日目 |
|
- ( - ) | 6日目 |
|
- ( - ) | 6日目 |
|
- ( - ) | 6日目 |
|
- ( - ) | 6日目 |
| ・脱脂洗浄(防錆1重梱包) | :型番SL-□□ |
| ・精密洗浄(脱気2重梱包) | :型番SH-□□ |
| ・電解研磨+精密洗浄(脱気2重梱包) | :型番SHD-□□ |
| 商品型番 | 洗浄方法 | 梱包形態 | 未洗浄品と比べた効果 | ご利用環境(目安) | 工程別 |
| SL-□□ | 脱脂洗浄 | 防錆梱包 | 油分除去 | 一般環境 | 通常組立工程 |
| バッテリー組立後工程 | |||||
| SH-□□ | 精密洗浄 | 脱気2重梱包 | 油分除去 粉塵除去 | クリーン環境(クラス10~1,000) | バッテリー組立工程 |
| 液晶関連組立後工程 | |||||
| 車載カメラ組立工程 | |||||
| SHD-□□ | 電解研磨+精密洗浄 | 脱気2重梱包 | 油分除去 粉塵除去 アウトガス低減 | 真空環境 クリーン環境(クラス10~1,000) | 半導体前工程 |
| 液晶成膜工程 | |||||
| 有機EL前工程 |
| 型式 | ¥基準単価 | ¥スライド単価 | |||
| Type | D | 1~19コ | 20~49コ | 50~100コ | 101~300コ |
| SL-JBKH(p6) SL-JBKHM(m6) SL-JBKHS(h7) | 5 | 1,840 | 1,656 | 1,472 | 1,380 |
| 6 | 1,840 | 1,656 | 1,472 | 1,380 | |
| 7 | 1,840 | 1,656 | 1,472 | 1,380 | |
| 8 | 1,560 | 1,404 | 1,248 | 1,170 | |
| 9 | 1,560 | 1,404 | 1,248 | 1,170 | |
| 10 | 1,560 | 1,404 | 1,248 | 1,170 | |
| 11 | 1,560 | 1,404 | 1,248 | 1,170 | |
| 12 | 1,560 | 1,404 | 1,248 | 1,170 | |
| 13 | 1,560 | 1,404 | 1,248 | 1,170 | |
| 14 | 1,560 | 1,404 | 1,248 | 1,170 | |
| 15 | 1,790 | 1,611 | 1,432 | 1,324 | |
| 16 | 1,790 | 1,611 | 1,432 | 1,324 | |
| 18 | 1,880 | 1,710 | 1,504 | 1,410 | |
| 19 | 2,060 | 1,854 | 1,648 | 1,545 | |
| 20 | 2,060 | 1,854 | 1,648 | 1,545 | |
| 21 | 2,060 | 1,854 | 1,648 | 1,545 | |
| 22 | 2,060 | 1,854 | 1,648 | 1,545 | |
| 型式 | ¥基準単価 | ¥スライド単価 | |||
| Type | D | 1~19コ | 20~49コ | 50~100コ | 101~300コ |
| SH-JBKH(p6) SH-JBKHM(m6) SH-JBKHS(h7) | 5 | 2,010 | 1,809 | 1,608 | 1,507 |
| 6 | 2,010 | 1,809 | 1,608 | 1,507 | |
| 7 | 2,010 | 1,809 | 1,608 | 1,507 | |
| 8 | 1,750 | 1,575 | 1,400 | 1,312 | |
| 9 | 1,750 | 1,575 | 1,400 | 1,312 | |
| 10 | 1,750 | 1,575 | 1,400 | 1,312 | |
| 11 | 1,750 | 1,575 | 1,400 | 1,312 | |
| 12 | 1,750 | 1,575 | 1,400 | 1,312 | |
| 13 | 1,750 | 1,575 | 1,400 | 1,312 | |
| 14 | 1,750 | 1,575 | 1,400 | 1,312 | |
| 15 | 1,960 | 1,764 | 1,568 | 1,450 | |
| 16 | 1,960 | 1,764 | 1,568 | 1,450 | |
| 18 | 2,050 | 1,865 | 1,640 | 1,537 | |
| 19 | 2,220 | 1,998 | 1,776 | 1,665 | |
| 20 | 2,220 | 1,998 | 1,776 | 1,665 | |
| 21 | 2,220 | 1,998 | 1,776 | 1,665 | |
| 22 | 2,220 | 1,998 | 1,776 | 1,665 | |
| 型式 | ¥基準単価 | ¥スライド単価 | |||
| Type | D | 1~19コ | 20~49コ | 50~100コ | 101~300コ |
| SHD-JBKH(p6) SHD-JBKHM(m6) SHD-JBKHS(h7) | 5 | 2,160 | 1,944 | 1,728 | 1,620 |
| 6 | 2,160 | 1,944 | 1,728 | 1,620 | |
| 7 | 2,160 | 1,944 | 1,728 | 1,620 | |
| 8 | 1,900 | 1,710 | 1,520 | 1,425 | |
| 9 | 1,900 | 1,710 | 1,520 | 1,425 | |
| 10 | 1,900 | 1,710 | 1,520 | 1,425 | |
| 11 | 1,900 | 1,710 | 1,520 | 1,425 | |
| 12 | 1,900 | 1,710 | 1,520 | 1,425 | |
| 13 | 1,900 | 1,710 | 1,520 | 1,425 | |
| 14 | 1,900 | 1,710 | 1,520 | 1,425 | |
| 15 | 2,110 | 1,899 | 1,688 | 1,561 | |
| 16 | 2,110 | 1,899 | 1,688 | 1,561 | |
| 18 | 2,200 | 2,002 | 1,760 | 1,650 | |
| 19 | 2,370 | 2,133 | 1,896 | 1,777 | |
| 20 | 2,370 | 2,133 | 1,896 | 1,777 | |
| 21 | 2,370 | 2,133 | 1,896 | 1,777 | |
| 22 | 2,370 | 2,133 | 1,896 | 1,777 | |
| 数量区分 | 標準対応 | 個別対応 | |
| 小口 | 大口 | 大口 | |
| 数 量 | 1~100 | 101~300 | 301~ |
| 出荷日 | 通常 | +5日 | お見積り |
通常価格、通常出荷日が表示と異なる場合がございます
通常価格、通常出荷日が表示と異なる場合がございます

ミスミ
位置決めピン用ブシュ 固定寸 ストレートタイプ
4.7通常価格(税別):640円~

ミスミ
位置決めピン用ブシュ 指定寸 ストレートタイプ
4.5
ミスミ
位置決めピン用ブシュ 固定寸 ツバ付タイプ
4.6通常価格(税別):980円~

ミスミ
位置決めピン用ブシュ 二面フランジタイプ
4.5通常価格(税別):1,250円~

ミスミ
位置決めピン用ブシュ 指定寸 ツバ付タイプ
4.9
ミスミ
治具ブッシュ 高耐食ステンレス(55HRC~/35HRC~/SUS316L) -ストレートタイプ-
4.9通常価格(税別):910円~

ミスミ
位置決めピン用ブシュ 抜止めタイプ
5
ミスミ
位置決めピン用ブシュ 長円 二面フランジタイプ/ 二面フランジ簡易タイプ
4.5
ミスミ
治具ブッシュ 高耐食ステンレス(55HRC~/35HRC~/SUS316L) -ツバ付タイプ-
5