メカニカル部品技術窓口
ミスミ品のみ対象


| Type | [ M ]材質 | [ S ]表面処理 | [ H ]硬度 | 洗浄方法 | ||||
| P寸固定・L寸選択 | P・L寸フリー指定 | 洗浄方法 | 洗浄環境 | 梱包形態 | 梱包環境 | |||
| - | SL-JBSFS | SUS304 | - | - | 脱脂洗浄 | 一般環境 | 防錆梱包 | 一般環境 |
| SH-JBSFS | 精密洗浄 | クラス1000 | 脱気2重梱包 | クラス10 | ||||
| SHD-JBSFS | 電解研磨+精密洗浄 | |||||||
| SL-JBSM | SL-JBSFM | SKS3相当 | 無電解ニッケルメッキ | *焼入硬度 56〜60HRC | 脱脂洗浄 | 一般環境 | 防錆梱包 | 一般環境 |
| SH-JBSM | SH-JBSFM | 精密洗浄 | クラス1000 | 脱気2重梱包 | クラス10 | |||
| − | SL-JBSFC | SUS440Cまたは 13Crステンレス | − | 焼入硬度 50〜55HRC | 脱脂洗浄 | 一般環境 | 防錆梱包 | 一般環境 |
| SH-JBSFC | 精密洗浄 | クラス1000 | 脱気2重梱包 | クラス10 | ||||
詳細図を記載しておりますので、ご確認ください。| 型式 | − | P | − | L |
| SH-JBSFS20 | − | P13.0 | − | L30.0 |
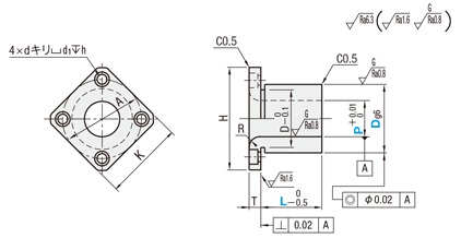
| 型式 | L選択 | R | H | K | T | Dg6 | A | d | d1 | h | ¥基準単価 | |||||||||||
| Type | P | SL-JBSM | SH-JBSM | |||||||||||||||||||
| SL-JBSM SH-JBSM | 6 | 8 | 10 | 12 | 16 | 1 | 25 | 20 | 5 | 10 | −0.005 −0.014 | 17 | 3.3 | 6.5 | 3.5 | 2,570 | 2,870 | |||||
| 8 | 10 | 12 | 16 | 20 | 2 | 28 | 22 | 5 | 12 | −0.006 −0.017 | 20 | 3.3 | 6.5 | 3.5 | 2,570 | 2,870 | ||||||
| 10 | 36 | 28 | 6 | 15 | 26 | 4.5 | 8 | 4.5 | 2,570 | 2,870 | ||||||||||||
| 12 | 12 | 16 | 20 | 25 | 30 | 18 | 2,730 | 3,030 | ||||||||||||||
| 13 | 40 | 31 | 22 | −0.007 −0.020 | 30 | 2,730 | 3,030 | |||||||||||||||
| 15 | 44 | 34 | 25 | 34 | 3,120 | 3,420 | ||||||||||||||||
| 16 | 16 | 20 | 25 | 30 | 35 | 26 | 3,370 | 3,670 | ||||||||||||||
| 20 | 3 | 56 | 44 | 8 | 30 | 42 | 6.6 | 11 | 6.5 | 3,630 | 3,930 | |||||||||||
| 25 | 20 | 25 | 30 | 35 | 40 | 60 | 47 | 35 | −0.009 −0.025 | 46 | 3,890 | 4,190 | ||||||||||
| P | L | 質量(g)参考値 |
| SKS3相当 | ||
| 6 | 8 | 3.16 |
| 10 | 3.95 | |
| 12 | 4.74 | |
| 16 | 6.32 | |
| 8 | 10 | 4.94 |
| 12 | 5.92 | |
| 16 | 7.90 | |
| 20 | 9.87 | |
| 10 | 10 | 7.71 |
| 12 | 9.26 | |
| 16 | 12.34 | |
| 20 | 15.43 | |
| 12 | 12 | 13.33 |
| 16 | 17.77 | |
| 20 | 22.21 | |
| 25 | 27.77 | |
| 30 | 33.32 | |
| 13 | 12 | 23.32 |
| 16 | 31.10 | |
| 20 | 38.87 | |
| 25 | 48.59 | |
| 30 | 58.31 | |
| 15 | 12 | 29.62 |
| 16 | 39.49 | |
| 20 | 49.36 | |
| 25 | 61.70 | |
| 30 | 74.04 | |
| 16 | 16 | 41.46 |
| 20 | 51.83 | |
| 25 | 64.79 | |
| 30 | 77.74 | |
| 35 | 90.70 | |
| 20 | 16 | 49.36 |
| 20 | 61.70 | |
| 25 | 77.13 | |
| 30 | 92.55 | |
| 35 | 107.98 | |
| 25 | 20 | 74.04 |
| 25 | 92.55 | |
| 30 | 111.06 | |
| 35 | 129.57 | |
| 40 | 148.08 |
| 型式 | P 指定0.01mm単位 | L 指定0.1mm単位 | R | H | K | T | A | d | d1 | h | ¥基準単価 | ||||||||
| Type | Dg6 | SL-JBSFS | SH-JBSFS | SHD-JBSFS | SL-JBSFM | SH-JBSFM | SL-JBSFC | SH-JBSFC | |||||||||||
| SL-JBSFS SH-JBSFS SHD-JBSFS SL-JBSFM SH-JBSFM SL-JBSFC SH-JBSFC | 10 | −0.005 −0.014 | 4.00〜6.50 | 5.0〜15.0 | 1 | 25 | 20 | 5 | 17 | 3.3 | 6.5 | 3.5 | 4,340 | 4,590 | 4,860 | 3,610 | 3,910 | 5,100 | 5,400 |
| 12 | −0.006 −0.017 | 6.00〜8.50 | 2 | 28 | 22 | 20 | 4,340 | 4,590 | 4,860 | 3,610 | 3,910 | 5,100 | 5,400 | ||||||
| 15 | 8.00〜10.50 | 10.0〜35.0 | 36 | 28 | 6 | 26 | 4.5 | 8 | 4.5 | 4,630 | 4,860 | 5,130 | 3,820 | 4,120 | 5,440 | 5,740 | |||
| 18 | 10.00〜12.50 | 4,650 | 4,880 | 5,150 | 3,840 | 4,140 | 5,490 | 5,790 | |||||||||||
| 20 | −0.007 −0.020 | 12.00〜13.50 | 40 | 31 | 30 | 4,650 | 4,880 | 5,150 | 3,840 | 4,140 | 5,490 | 5,790 | |||||||
| 22 | 12.00〜13.50 | 5,470 | 5,660 | 5,930 | 4,460 | 4,760 | 6,530 | 6,830 | |||||||||||
| 25 | 13.00〜15.50 | 44 | 34 | 34 | 5,570 | 5,750 | 6,020 | 4,550 | 4,850 | 6,620 | 6,920 | ||||||||
| 26 | 15.00〜16.50 | 6,120 | 6,270 | 6,540 | 4,970 | 5,270 | 7,340 | 7,640 | |||||||||||
| 30 | 16.00〜20.50 | 12.0〜50.0 | 3 | 56 | 44 | 8 | 42 | 6.6 | 11 | 6.5 | 6,690 | 6,810 | 7,080 | 5,390 | 5,690 | 8,060 | 8,360 | ||
| 35 | −0.009 −0.025 | 20.00〜25.00 | 60 | 47 | 46 | 7,210 | 7,300 | 7,570 | 5,800 | 6,100 | 8,720 | 9,020 | |||||||
| 型式 | − | P | − | L | − | (TKC) |
| SL-JBSFS15 | − | P10.0 | − | L10.0 | − | TKC |
| Alteration | Code | Spec. | ¥/1Code |
T寸法公差 変更 ![]() | TKC | T寸法公差を一般公差から±0.01に変更します。 指定方法 TKC [ ! ]P寸・L寸フリー指定タイプのみ適用 | 400 |
洗浄工程| ※材質がステンレスの場合、アルカリ系温水洗浄となることがあります。 | |
| ・脱脂洗浄(型式:SL-□□) | ※表面処理が低温黒色クロムメッキの場合、IPA洗浄となります。 |
作業環境:一般環境 | ||||||
|---|---|---|---|---|---|---|
![]() 炭化水素系洗浄※ Ro水洗浄 中性洗剤洗浄 | ![]() | ![]() 高圧ジェット水洗(Ro水) 後に純水(10MΩ・cm)で 洗浄 | ![]() | ![]() エアブロー(オイルフリー) 使用 | ![]() | ![]() 防錆袋使用 |
| ・精密洗浄(型式:SH-□□) | ※表面処理が低温黒色クロムメッキの場合、IPA洗浄となります。 |
作業環境:クラス1000 | 作業環境:クラス10 | |||||||
|---|---|---|---|---|---|---|---|---|
![]() 炭化水素系洗浄※ Ro水洗浄 中性洗剤洗浄 | ![]() | ![]() 高圧ジェット水洗(Ro水) 後に純水(10MΩ・cm)で 洗浄 | ![]() | ![]() 温純水(13MΩ・cm)使用 | ![]() | ![]() 窒素ブロー使用 | ![]() | ![]() クリーンベンチ(クラス10) で実施 |
作業環境:クラス1000 | 作業環境:クラス10 | |||||||||
|---|---|---|---|---|---|---|---|---|---|---|
![]() 炭化水素系洗浄 Ro水洗浄 中性洗剤洗浄 | ![]() | ![]() 材質に応じた電解研磨槽 で電解研磨 | ![]() | ![]() 高圧ジェット水洗(Ro水) 後に純水(10MΩ・cm)で 洗浄 | ![]() | ![]() 温純水(13MΩ・cm)使用 | ![]() | ![]() 窒素ブロー使用 | ![]() | ![]() クリーンベンチ(クラス10) で実施 |
梱包例| 脱脂洗浄の場合 (TYPE型番:SL-□□) | 精密洗浄または電解研磨+精密洗浄の場合 | |
| (TYPE型番:SH-□□・SHD-□□) | ||
| オーステナイト系ステンレス・アルミ材質の場合 | 鉄・マルテンサイト系ステンレス材質の場合 | |
![]() | ![]() | ![]() |
| 一部商品・サイズによっては、 梱包形態が異なる場合がございます。 | [ ! ]1重目・2重目の梱包とも、脱気されております。 | [ ! ]防錆対策として乾燥剤を同封しております。 1梱包につき1つになります。 |
洗浄効果・利用推奨環境| 洗浄方法 | 商品型番 | 梱包形態 | 未洗浄品と比べた効果 | ご利用環境(目安) | 利用シーン・工程 |
|---|---|---|---|---|---|
| 脱脂洗浄 | SL-□□ | 防錆梱包 | 油分除去 | 一般環境 | 通常組立工程 |
| バッテリー組立後工程 | |||||
| 精密洗浄 | SH-□□ | 脱気2重梱包 | 油分除去 粉塵除去 | クリーン環境(クラス10~1,000) | バッテリー組立工程 |
| 液晶関連組立後工程 | |||||
| 車載カメラ組立工程 | |||||
| 電解研磨+精密洗浄 | SHD-□□ | 脱気2重梱包 | 油分除去 粉塵除去 アウトガス低減 | 真空環境 クリーン環境(クラス10~1,000) | 半導体前工程 |
| 液晶成膜工程 | |||||
| 有機EL前工程 |
| 型番 |
|---|
通常単価(税別)
(税込単価) | 通常出荷日 |
洗浄不要の場合の代替品
|
|---|
- ( - ) | 6日目 |
- |
- ( - ) | 6日目 |
- |
- ( - ) | 6日目 |
- |
- ( - ) | 6日目 |
- |
- ( - ) | 6日目 |
- |
- ( - ) | 6日目 |
- |
- ( - ) | 6日目 |
- |
- ( - ) | 6日目 |
- |
- ( - ) | 6日目 |
- |
- ( - ) | 6日目 |
- |
- ( - ) | 6日目 |
- |
- ( - ) | 6日目 |
- |
- ( - ) | 6日目 |
- |
- ( - ) | 6日目 |
- |
- ( - ) | 6日目 |
- |
- ( - ) | 6日目 |
- |
- ( - ) | 6日目 |
- |
- ( - ) | 6日目 |
- |
- ( - ) | 6日目 |
- |
- ( - ) | 6日目 |
- |
- ( - ) | 6日目 |
|
- ( - ) | 6日目 |
|
- ( - ) | 6日目 |
|
- ( - ) | 6日目 |
|
- ( - ) | 6日目 |
|
- ( - ) | 6日目 |
|
- ( - ) | 6日目 |
|
- ( - ) | 6日目 |
|
- ( - ) | 6日目 |
|
- ( - ) | 6日目 |
|
- ( - ) | 3日目 |
|
- ( - ) | 3日目 |
|
- ( - ) | 3日目 |
|
- ( - ) | 3日目 |
|
- ( - ) | 3日目 |
|
- ( - ) | 3日目 |
|
- ( - ) | 3日目 |
|
- ( - ) | 3日目 |
|
- ( - ) | 3日目 |
|
- ( - ) | 3日目 |
|
- ( - ) | 3日目 |
|
- ( - ) | 3日目 |
|
- ( - ) | 3日目 |
|
- ( - ) | 3日目 |
|
- ( - ) | 3日目 |
|
- ( - ) | 3日目 |
|
- ( - ) | 3日目 |
|
- ( - ) | 3日目 |
|
- ( - ) | 3日目 |
|
- ( - ) | 3日目 |
|
- ( - ) | 3日目 |
|
- ( - ) | 3日目 |
|
- ( - ) | 3日目 |
|
- ( - ) | 3日目 |
|
- ( - ) | 3日目 |
|
- ( - ) | 3日目 |
|
- ( - ) | 3日目 |
|
- ( - ) | 3日目 |
|
- ( - ) | 3日目 |
|
- ( - ) | 3日目 |
| ・脱脂洗浄(防錆1重梱包) | :型番SL-□□ |
| ・精密洗浄(脱気2重梱包) | :型番SH-□□ |
| ・電解研磨+精密洗浄(脱気2重梱包) | :型番SHD-□□ |
| 商品型番 | 洗浄方法 | 梱包形態 | 未洗浄品と比べた効果 | ご利用環境(目安) | 工程別 |
| SL-□□ | 脱脂洗浄 | 防錆梱包 | 油分除去 | 一般環境 | 通常組立工程 |
| バッテリー組立後工程 | |||||
| SH-□□ | 精密洗浄 | 脱気2重梱包 | 油分除去 粉塵除去 | クリーン環境(クラス10~1,000) | バッテリー組立工程 |
| 液晶関連組立後工程 | |||||
| 車載カメラ組立工程 | |||||
| SHD-□□ | 電解研磨+精密洗浄 | 脱気2重梱包 | 油分除去 粉塵除去 アウトガス低減 | 真空環境 クリーン環境(クラス10~1,000) | 半導体前工程 |
| 液晶成膜工程 | |||||
| 有機EL前工程 |
通常価格、通常出荷日が表示と異なる場合がございます

ミスミ
位置決めピン用ブシュ 固定寸 ストレートタイプ
4.7通常価格(税別):640円~

ミスミ
位置決めピン用ブシュ 指定寸 ストレートタイプ
4.5
ミスミ
位置決めピン用ブシュ 固定寸 ツバ付タイプ
4.6通常価格(税別):980円~

ミスミ
治具ブッシュ 高耐食ステンレス(55HRC~/35HRC~/SUS316L) -ストレートタイプ-
4.9通常価格(税別):910円~

ミスミ
位置決めピン用ブシュ 指定寸 ツバ付タイプ
4.9
ミスミ
位置決めピン用ブシュ 二面フランジタイプ
4.5通常価格(税別):1,250円~

ミスミ
位置決めピン用ブシュ 抜止めタイプ
5
ミスミ
位置決めピン用ブッシュ長円タイプ ツバ付(ノック回り止め)
4.3
ミスミ
位置決めピン用ブシュ 長円 二面フランジタイプ/ 二面フランジ簡易タイプ
4.5