メカニカル部品技術窓口


| 型式 | [ M ]材質 | 洗浄方法 | |||
| おねじ | 洗浄方法 | 洗浄環境 | 梱包形態 | 梱包環境 | |
| SL-SFNN | SUS304 | 脱脂洗浄 | 一般環境 | 防錆梱包 | 一般環境 |
| SH-SFNN | 精密洗浄 | クラス1000 | 脱気2重梱包 | クラス10 | |
| SHD-SFNN | 電解研磨+精密洗浄 | ||||
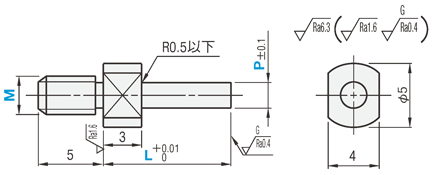
詳細図を記載しておりますので、ご確認ください。| 型式 | − | L | − | P |
| SH-SFNN3 | − | L6.50 | − | P2.5 |
| 型式 | L | P | |
| TYPE | M(並目) | 指定0.01mm単位 | 指定0.5mm単位 |
| SL-SFNN SH-SFNN SHD-SFNN | 3 | 5.00〜15.00 | 1.0〜3.0 |
洗浄工程作業環境:一般環境 | ||||||
|---|---|---|---|---|---|---|
![]() アルカリ系温純水 | ![]() | ![]() 純水洗浄実施後 超音波純水洗浄 ※3回実施 | ![]() | ![]() 乾燥 | ![]() | ![]() 防錆袋1重梱包 |
作業環境:クラス1000 | 作業環境:クラス10 | |||||||
|---|---|---|---|---|---|---|---|---|
![]() 炭化水素系洗浄 Ro水洗浄 | ![]() | ![]() 高圧ジェット水洗(Ro水)後 純水(10MΩ・cm)で洗浄 | ![]() | ![]() 純水(13MΩ・cm)使用 | ![]() | ![]() 窒素ブロー使用 | ![]() | ![]() クラス10クリーン環境内の クリーンベンチで実施 |
作業環境:クラス1000 | 作業環境:クラス10 | |||||||||
|---|---|---|---|---|---|---|---|---|---|---|
![]() 炭化水素系洗浄 Ro水洗浄 | ![]() | ![]() 材質に応じた電解研磨層で 電解研磨 | ![]() | ![]() 高圧ジェット水洗(Ro水)後 純水(10MΩ・cm)で洗浄 | ![]() | ![]() 温純水(13MΩ・cm)使用 | ![]() | ![]() 窒素ブロー使用 | ![]() | ![]() クラス10クリーン環境内の クリーンベンチで実施 |
梱包例| 脱脂洗浄の場合 (TYPE型番:SL-□□) ![]() | 精密洗浄または電解研磨+精密洗浄の場合 (TYPE型番:SH-□□・SHD-□□) ![]() [ ! ]1重目・2重目の梱包とも、脱気されております。 |
洗浄効果・利用推奨環境洗浄方法 | 商品型番 | 梱包形態 | 未洗浄品と比べた効果 | ご利用環境(目安) | 利用シーン・工程 |
|---|---|---|---|---|---|
| 脱脂洗浄 | SL-□□ | 防錆梱包 | 油分除去 | 一般環境 | 通常組立工程 |
| バッテリー組立後工程 | |||||
| 精密洗浄 | SH-□□ | 脱気2重梱包 | 油分除去 粉塵除去 | クリーン環境(クラス10~1,000) | バッテリー組立工程 |
| 液晶関連組立後工程 | |||||
| 車載カメラ組立工程 | |||||
| 電解研磨+精密洗浄 | SHD-□□ | 脱気2重梱包 | 油分除去 粉塵除去 アウトガス低減 | 真空環境 クリーン環境(クラス10~1,000) | 半導体前工程 |
| 液晶成膜工程 | |||||
| 有機EL前工程 |
| ・脱脂洗浄(防錆1重梱包) | :型番SL-□□ |
| ・精密洗浄(脱気2重梱包) | :型番SH-□□ |
| ・電解研磨+精密洗浄(脱気2重梱包) | :型番SHD-□□ |
| 商品型番 | 洗浄方法 | 梱包形態 | 未洗浄品と比べた効果 | ご利用環境(目安) | 工程別 |
| SL-□□ | 脱脂洗浄 | 防錆梱包 | 油分除去 | 一般環境 | 通常組立工程 |
| バッテリー組立後工程 | |||||
| SH-□□ | 精密洗浄 | 脱気2重梱包 | 油分除去 粉塵除去 | クリーン環境(クラス10~1,000) | バッテリー組立工程 |
| 液晶関連組立後工程 | |||||
| 車載カメラ組立工程 | |||||
| SHD-□□ | 電解研磨+精密洗浄 | 脱気2重梱包 | 油分除去 粉塵除去 アウトガス低減 | 真空環境 クリーン環境(クラス10~1,000) | 半導体前工程 |
| 液晶成膜工程 | |||||
| 有機EL前工程 |
高さ公差が1/100mmの小径高さ調整ピンです。基盤の高さ方向の位置決めに最適です。
| 型式 | ¥基準単価 | |
| TYPE | M(並目) | |
| SL-SFNN | 3 | 2,130 |
| SH-SFNN | 2,580 | |
| SHD-SFNN | 2,850 | |
| 小口 | 大口 | 大口 | |||
| 1〜19 | 20〜34 | 35〜49 | 50〜99 | 100~200 | 201~ |
| 基準単価 | 5% | 10% | 18% | 18% | お見積り |
| 通常 | +4日 | ||||

通常価格、通常出荷日が表示と異なる場合がございます
通常価格、通常出荷日が表示と異なる場合がございます

ミスミ
高さ調整ピン 六角タイプ -高精度おねじタイプー
4.6
ミスミ
高さ調整ピン 圧入タイプ
5
ミスミ
高さ調整ピン 丸・二面幅 おねじタイプ
3.9
ミスミ
高さ調整ピン フラットタイプ・先端止めねじタイプ -おねじ-
4.4
ミスミ
高さ調整ピン ツバ付 おねじタイプ
4.8
ミスミ
高さ調整ピン 六角タイプ -中精度めねじタイプー
4
ミスミ
支柱ピン 段付タイプ -めねじ-
4.7
ミスミ
支柱ピン 段付フリー指定・ストレートタイプ -おねじ-
5
ミスミ
高さ調整ピン フラットタイプ・先端止めねじタイプ -めねじ-
4.5