メカニカル部品技術窓口
ミスミ品のみ対象


| Type | [ M ]材質 | [ S ]表面処理 | [ H ]硬度 | 洗浄方法 | ||||
| F寸固定 | F寸指定 | 洗浄方法 | 洗浄環境 | 梱包形態 | 梱包環境 | |||
| SL-SJPHA | SL-SJPHAM | SUS304 | - | - | 脱脂洗浄 | 一般環境 | 防錆梱包 | 一般環境 |
| SH-SJPHA | SH-SJPHAM | 精密洗浄 | クラス1000 | 脱気2重梱包 | クラス10 | |||
| SHD-SJPHA | SHD-SJPHAM | 電解研磨+精密洗浄 | ||||||
| SL-HJPHA | SL-HJPHAM | SKS3相当 | 硬質クロムメッキ | 焼入硬度50〜55HRC メッキ硬度 750HV〜 | 脱脂洗浄 | 一般環境 | 防錆梱包 | 一般環境 |
| SH-HJPHA | SH-HJPHAM | 精密洗浄 | クラス1000 | 脱気2重梱包 | クラス10 | |||
| SL-CJPHA | SL-CJPHAM | SUS440Cまたは 13Crステンレス | − | 焼入硬度50〜55HRC | 脱脂洗浄 | 一般環境 | 防錆梱包 | 一般環境 |
| SH-CJPHA | SH-CJPHAM | 精密洗浄 | クラス1000 | 脱気2重梱包 | クラス10 | |||
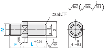
詳細図を記載しておりますので、ご確認ください。| 型式 | − | L | − | F | |
| (F寸固定) | SH-SJPHA8 | − | 14 | ||
| (F寸指定) | SH-SJPHAM8 | − | L14.00 | − | F12 |
| 型式 | L 指定0.01mm単位 | F | D | d | T | H | ||
| Type | M(並目) | *締付トルク N・cm | ||||||
| SL-SJPHA SH-SJPHA SHD-SJPHA SL-HJPHA SH-HJPHA SL-CJPHA SH-CJPHA | 3 | 98 | 5.00〜10.00 | 5 | 3 | 5 | 3 | 3 |
| 4 | 225 | 6 | 4 | 6 | 4 | |||
| 5 | 461 | 8 | 5 | 8 | 5 | |||
| 6 | 784 | 5.00〜30.00 | 6 | 10 | 8 | |||
| 8 | 1911 | 10 | 8 | 12 | 10 | |||
| 10 | 3783 | 10.00〜50.00 | 12 | 10 | 14 | 5 | 12 | |
| 12 | 6605 | 15 | 12 | 16 | 14 | |||
| 型式 | L 指定0.01mm単位 | F 指定1mm単位 | D | d | T | H | ||
| Type | M(並目) | *締付トルク N・cm | ||||||
| SL-SJPHAM SH-SJPHAM SHD-SJPHAM SL-HJPHAM SH-HJPHAM SL-CJPHAM SH-CJPHAM | 3 | 98 | 5.00〜10.00 | 3〜36 (M≦F≦M×3) | 3 | 5 | 3 | 3 |
| 4 | 225 | 4 | 6 | 4 | ||||
| 5 | 461 | 5 | 8 | 5 | ||||
| 6 | 784 | 5.00〜30.00 | 6 | 10 | 8 | |||
| 8 | 1911 | 8 | 12 | 10 | ||||
| 10 | 3783 | 10.00〜50.00 | 10 | 14 | 5 | 12 | ||
| 12 | 6605 | 12 | 16 | 14 | ||||
| 型式 | − | L | − | F | − | (CRC・EAT) |
| SL-SJPHA10 | − | 20.50 | CRC | |||
| SH-SJPHAM10 | − | L15.00 | − | F15 | − | EAT |
| 9 | 日目出荷 |
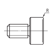
| Alterations | 端面R加工 | 着座確認用穴加工 | ||||||||||||||||||||||||
| Code | CRC | EAT | ||||||||||||||||||||||||
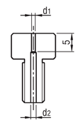
| Spec. | ワーク受け面の面取りをR1に変更します。 指定方法 CRC [ NG ]二面幅形状の二面カット部は R加工を行いません。 [ ! ]L≧15に適用 | ![]() | ワーク受け面に着座確認用穴を加工します。 穴径寸法は下表となります。指定方法 EAT [ ! ]M≧6に適用 [ ! ]F寸・L寸により適用条件が変わります。
| ![]() | ||||||||||||||||||||||
| ¥/1Code | 300 | 500 | ||||||||||||||||||||||||
洗浄工程| ※材質がステンレスの場合、アルカリ系温水洗浄となることがあります。 | |
| ・脱脂洗浄(型式:SL-□□) | ※表面処理が低温黒色クロムメッキの場合、IPA洗浄となります。 |
作業環境:一般環境 | ||||||
|---|---|---|---|---|---|---|
![]() 炭化水素系洗浄※ Ro水洗浄 中性洗剤洗浄 | ![]() | ![]() 高圧ジェット水洗(Ro水) 後に純水(10MΩ・cm)で 洗浄 | ![]() | ![]() エアブロー(オイルフリー) 使用 | ![]() | ![]() 防錆袋使用 |
| ・精密洗浄(型式:SH-□□) | ※表面処理が低温黒色クロムメッキの場合、IPA洗浄となります。 |
作業環境:クラス1000 | 作業環境:クラス10 | |||||||
|---|---|---|---|---|---|---|---|---|
![]() 炭化水素系洗浄※ Ro水洗浄 中性洗剤洗浄 | ![]() | ![]() 高圧ジェット水洗(Ro水) 後に純水(10MΩ・cm)で 洗浄 | ![]() | ![]() 温純水(13MΩ・cm)使用 | ![]() | ![]() 窒素ブロー使用 | ![]() | ![]() クリーンベンチ(クラス10) で実施 |
作業環境:クラス1000 | 作業環境:クラス10 | |||||||||
|---|---|---|---|---|---|---|---|---|---|---|
![]() 炭化水素系洗浄 Ro水洗浄 中性洗剤洗浄 | ![]() | ![]() 材質に応じた電解研磨槽 で電解研磨 | ![]() | ![]() 高圧ジェット水洗(Ro水) 後に純水(10MΩ・cm)で 洗浄 | ![]() | ![]() 温純水(13MΩ・cm)使用 | ![]() | ![]() 窒素ブロー使用 | ![]() | ![]() クリーンベンチ(クラス10) で実施 |
梱包例| 脱脂洗浄の場合 (TYPE型番:SL-□□) | 精密洗浄または電解研磨+精密洗浄の場合 | |
| (TYPE型番:SH-□□・SHD-□□) | ||
| オーステナイト系ステンレス・アルミ材質の場合 | 鉄・マルテンサイト系ステンレス材質の場合 | |
![]() | ![]() | ![]() |
| 一部商品・サイズによっては、 梱包形態が異なる場合がございます。 | [ ! ]1重目・2重目の梱包とも、脱気されております。 | [ ! ]防錆対策として乾燥剤を同封しております。 1梱包につき1つになります。 |
洗浄効果・利用推奨環境| 洗浄方法 | 商品型番 | 梱包形態 | 未洗浄品と比べた効果 | ご利用環境(目安) | 利用シーン・工程 |
|---|---|---|---|---|---|
| 脱脂洗浄 | SL-□□ | 防錆梱包 | 油分除去 | 一般環境 | 通常組立工程 |
| バッテリー組立後工程 | |||||
| 精密洗浄 | SH-□□ | 脱気2重梱包 | 油分除去 粉塵除去 | クリーン環境(クラス10~1,000) | バッテリー組立工程 |
| 液晶関連組立後工程 | |||||
| 車載カメラ組立工程 | |||||
| 電解研磨+精密洗浄 | SHD-□□ | 脱気2重梱包 | 油分除去 粉塵除去 アウトガス低減 | 真空環境 クリーン環境(クラス10~1,000) | 半導体前工程 |
| 液晶成膜工程 | |||||
| 有機EL前工程 |
| 型番 |
|---|
通常単価(税別)
(税込単価) | 通常出荷日 |
洗浄不要の場合の代替品
|
|---|
- ( - ) | 5日目 |
- |
- ( - ) | 5日目 |
- |
- ( - ) | 5日目 |
- |
- ( - ) | 5日目 |
- |
- ( - ) | 5日目 |
- |
- ( - ) | 5日目 |
- |
- ( - ) | 5日目 |
- |
- ( - ) | 5日目 |
- |
- ( - ) | 5日目 |
- |
- ( - ) | 5日目 |
- |
- ( - ) | 5日目 |
- |
- ( - ) | 5日目 |
- |
- ( - ) | 5日目 |
- |
- ( - ) | 5日目 |
- |
- ( - ) | 6日目 |
- |
- ( - ) | 6日目 |
- |
- ( - ) | 6日目 |
- |
- ( - ) | 6日目 |
- |
- ( - ) | 6日目 |
- |
- ( - ) | 6日目 |
- |
- ( - ) | 6日目 |
- |
- ( - ) | 6日目 |
- |
- ( - ) | 6日目 |
- |
- ( - ) | 6日目 |
- |
- ( - ) | 6日目 |
- |
- ( - ) | 6日目 |
- |
- ( - ) | 6日目 |
- |
- ( - ) | 6日目 |
- |
- ( - ) | 5日目 |
|
- ( - ) | 5日目 |
|
- ( - ) | 5日目 |
|
- ( - ) | 5日目 |
|
- ( - ) | 5日目 |
|
- ( - ) | 5日目 |
|
- ( - ) | 5日目 |
|
- ( - ) | 5日目 |
|
- ( - ) | 5日目 |
|
- ( - ) | 5日目 |
|
- ( - ) | 5日目 |
|
- ( - ) | 5日目 |
|
- ( - ) | 5日目 |
|
- ( - ) | 5日目 |
|
- ( - ) | 5日目 |
|
- ( - ) | 5日目 |
|
- ( - ) | 5日目 |
|
- ( - ) | 5日目 |
|
- ( - ) | 5日目 |
|
- ( - ) | 5日目 |
|
- ( - ) | 5日目 |
|
- ( - ) | 5日目 |
|
- ( - ) | 5日目 |
|
- ( - ) | 5日目 |
|
- ( - ) | 5日目 |
|
- ( - ) | 5日目 |
|
- ( - ) | 5日目 |
|
- ( - ) | 5日目 |
|
- ( - ) | 5日目 |
- |
- ( - ) | 5日目 |
- |
- ( - ) | 5日目 |
- |
- ( - ) | 5日目 |
- |
| ・脱脂洗浄(防錆1重梱包) | :型番SL-□□ |
| ・精密洗浄(脱気2重梱包) | :型番SH-□□ |
| ・電解研磨+精密洗浄(脱気2重梱包) | :型番SHD-□□ |
| 商品型番 | 洗浄方法 | 梱包形態 | 未洗浄品と比べた効果 | ご利用環境(目安) | 工程別 |
| SL-□□ | 脱脂洗浄 | 防錆梱包 | 油分除去 | 一般環境 | 通常組立工程 |
| バッテリー組立後工程 | |||||
| SH-□□ | 精密洗浄 | 脱気2重梱包 | 油分除去 粉塵除去 | クリーン環境(クラス10~1,000) | バッテリー組立工程 |
| 液晶関連組立後工程 | |||||
| 車載カメラ組立工程 | |||||
| SHD-□□ | 電解研磨+精密洗浄 | 脱気2重梱包 | 油分除去 粉塵除去 アウトガス低減 | 真空環境 クリーン環境(クラス10~1,000) | 半導体前工程 |
| 液晶成膜工程 | |||||
| 有機EL前工程 |
高さ方向の位置決めピンです。外径と高さはフリーでご指定いただけます。
| M(並目) | ¥基準単価 | ||||||
| SKS3相当 | SKS3相当 硬質クロムメッキ | SUS440Cまたは13Crステンレス | |||||
| SL-SJPHA | SH-SJPHA | SHD-SJPHA | SL-HJPHA | SH-HJPHA | SL-CJPHA | SH-CJPHA | |
| 3 | 2,320 | 2,770 | 3,040 | 2,020 | 2,220 | 2,370 | 2,570 |
| 4 | 2,400 | 2,850 | 3,120 | 2,100 | 2,300 | 2,460 | 2,660 |
| 5 | 2,570 | 3,020 | 3,290 | 2,230 | 2,430 | 2,640 | 2,840 |
| 6 | 2,730 | 3,180 | 3,450 | 2,390 | 2,590 | 2,820 | 3,020 |
| 8 | 2,960 | 3,410 | 3,680 | 2,590 | 2,790 | 3,070 | 3,270 |
| 10 | 3,240 | 3,690 | 3,960 | 2,840 | 3,040 | 3,400 | 3,600 |
| 12 | 3,580 | 4,030 | 4,300 | 3,150 | 3,350 | 3,780 | 3,980 |
| M(並目) | ¥基準単価 | ||||||
| SKS3相当 | SKS3相当 硬質クロムメッキ | SUS440Cまたは13Crステンレス | |||||
| SL-SJPHAM | SH-SJPHAM | SHD-SJPHAM | SL-HJPHAM | SH-HJPHAM | SL-CJPHAM | SH-CJPHAM | |
| 3 | 2,790 | 3,240 | 3,510 | 2,420 | 2,620 | 2,880 | 3,080 |
| 4 | 2,900 | 3,350 | 3,620 | 2,510 | 2,710 | 3,000 | 3,200 |
| 5 | 3,080 | 3,530 | 3,800 | 2,670 | 2,870 | 3,210 | 3,410 |
| 6 | 3,280 | 3,730 | 4,000 | 2,770 | 2,970 | 3,260 | 3,460 |
| 8 | 3,400 | 3,850 | 4,120 | 2,980 | 3,180 | 3,550 | 3,750 |
| 10 | 3,740 | 4,190 | 4,460 | 3,260 | 3,460 | 3,920 | 4,120 |
| 12 | 4,100 | 4,550 | 4,820 | 3,440 | 3,640 | 4,360 | 4,560 |
| 数量区分 | 標準対応 | 個別対応 | ||||
| 小口 | 大口 | 大口 | ||||
| 数 量 | 1~19 | 20~34 | 35~49 | 50~100 | 101~200 | 201〜 |
| 値引率 | 基準単価 | 5% | 10% | 18% | 18% | お見積り |
| 出荷日 | 通常 | +7日 | ||||
