メカニカル部品技術窓口
ミスミ品のみ対象

「脱脂洗浄」「精密洗浄」「電解研磨+精密洗浄」3種類の洗浄方法が選択可能、いずれも標準型番で1個からご...
詳細を確認
D8~12
D16~30
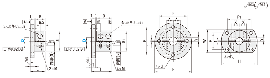
■丸フランジ
■二面フランジ
| 丸フランジ | 二面フランジ | [ M ] 材質 | [ S ]表面処理 | [ A ]付属品 | 洗浄方法 | |||
| 洗浄方法 | 洗浄環境 | 梱包形態 | 梱包環境 | |||||
| SL-SSTHPR | SL-SSTHPC | SUS304 | − | 六角穴付ボルト2本 (SUS) | 脱脂洗浄 | 一般環境 | 防錆梱包 | 一般環境 |
| SH-SSTHPR | SH-SSTHPC | 精密洗浄 | クラス1000 | 脱気2重梱包 | クラス10 | |||
| SHD-SSTHPR | SHD-SSTHPC | 電解研磨+精密洗浄 | ||||||
| SL-STHPR | SL-STHPC | 一般構造用鋼 | 無電解ニッケルメッキ | 脱脂洗浄 | 一般環境 | 防錆梱包 | 一般環境 | |
| SH-STHPR | SH-STHPC | 精密洗浄 | クラス1000 | 脱気2重梱包 | クラス10 | |||
詳細図を記載しておりますので、ご確認ください。| 型式 |
| SL-SSTHPR10 |
| 型式 | ホールド部 | L | D1 | H | T | B | P | W | P1 | F | d | X | Y | d1 | d2 | M | 付属ボルト | |||
| Type | D | 肉厚(N) | (並目) | M×長さ | ||||||||||||||||
| 丸フランジ SL-SSTHPR SH-SSTHPR SHD-SSTHPR SL-STHPR SH-STHPR | 二面フランジ SL-SSTHPC SH-SSTHPC SHD-SSTHPC SL-STHPC SH-STHPC | 8 | +0.015 0 | 8.5 | 19 | 25 | 39 | 5 | 12 | 32 | 27 | 25 | 20 | 3.5 | 7.5 | 3.5 | 7.5 | 4.6 | M4 | M4×10 |
| 10 | 10 | 21 | 30 | 49 | 14 | 40 | 32 | 33 | 23 | 4.5 | 10 | 3 | 9 | 5.6 | M5 | M5×10 | ||||
| 12 | +0.018 0 | 23 | 32 | 52 | 6 | 15 | 42 | 34 | 35 | 25 | 11 | 4 | M5×12 | |||||||
| 15 | 32 | 35 | 56 | 24 | 46 | 37 | 37 | 27 | 5.5 | 12 | 5 | |||||||||
| 16 | 9.5 | 32 | 24 | 46 | 37 | 37 | 27 | |||||||||||||
| 20 | +0.021 0 | 10 | 34 | 40 | 64 | 8 | 24 | 52 | 42 | 43 | 30 | 6.6 | 14 | 6 | M5×16 | |||||
| 25 | 40 | 45 | 69 | 30 | 57 | 47 | 46 | 34 | 17 | |||||||||||
| 30 | 12.5 | 42 | 55 | 79 | 10 | 30 | 67 | 57 | 50 | 45 | 20 | 10 | 12 | 6.6 | M6 | M6×20 | ||||
| D | ¥基準単価 | |||||||||
| 丸フランジ | 二面フランジ | |||||||||
| SL-SSTHPR | SH-SSTHPR | SHD-SSTHPR | SL-STHPR | SH-STHPR | SL-SSTHPC | SH-SSTHPC | SHD-SSTHPC | SL-STHPC | SH-STHPC | |
| 8 | 5,190 | 5,790 | 6,150 | 3,360 | 3,960 | 4,800 | 5,400 | 5,760 | 3,560 | 4,160 |
| 10 | 6,370 | 6,970 | 7,330 | 3,780 | 4,380 | 5,970 | 6,570 | 6,930 | 4,000 | 4,600 |
| 12 | 7,140 | 7,740 | 8,100 | 4,060 | 4,660 | 6,660 | 7,260 | 7,620 | 4,320 | 4,920 |
| 15 | − | − | − | 4,790 | 5,390 | − | − | − | 5,160 | 5,760 |
| 16 | 9,180 | 9,780 | 10,140 | 4,790 | 5,390 | 8,410 | 9,010 | 9,370 | 5,160 | 5,760 |
| 20 | 11,210 | 11,810 | 12,170 | 5,250 | 5,850 | 10,170 | 10,770 | 11,130 | 5,630 | 6,230 |
| 25 | 12,930 | 13,530 | 13,890 | 5,770 | 6,370 | 11,730 | 12,330 | 12,690 | 6,160 | 6,760 |
| 30 | 15,640 | 16,240 | 16,600 | 6,610 | 7,210 | 13,840 | 14,440 | 14,800 | 7,080 | 7,680 |
洗浄工程| ※材質がステンレスの場合、アルカリ系温水洗浄となることがあります。 | |
| ・脱脂洗浄(型式:SL-□□) | ※表面処理が低温黒色クロムメッキの場合、IPA洗浄となります。 |
作業環境:一般環境 | ||||||
|---|---|---|---|---|---|---|
![]() 炭化水素系洗浄※ Ro水洗浄 中性洗剤洗浄 | ![]() | ![]() 高圧ジェット水洗(Ro水) 後に純水(10MΩ・cm)で 洗浄 | ![]() | ![]() エアブロー(オイルフリー) 使用 | ![]() | ![]() 防錆袋使用 |
| ・精密洗浄(型式:SH-□□) | ※表面処理が低温黒色クロムメッキの場合、IPA洗浄となります。 |
作業環境:クラス1000 | 作業環境:クラス10 | |||||||
|---|---|---|---|---|---|---|---|---|
![]() 炭化水素系洗浄※ Ro水洗浄 中性洗剤洗浄 | ![]() | ![]() 高圧ジェット水洗(Ro水) 後に純水(10MΩ・cm)で 洗浄 | ![]() | ![]() 温純水(13MΩ・cm)使用 | ![]() | ![]() 窒素ブロー使用 | ![]() | ![]() クリーンベンチ(クラス10) で実施 |
作業環境:クラス1000 | 作業環境:クラス10 | |||||||||
|---|---|---|---|---|---|---|---|---|---|---|
![]() 炭化水素系洗浄 Ro水洗浄 中性洗剤洗浄 | ![]() | ![]() 材質に応じた電解研磨槽 で電解研磨 | ![]() | ![]() 高圧ジェット水洗(Ro水) 後に純水(10MΩ・cm)で 洗浄 | ![]() | ![]() 温純水(13MΩ・cm)使用 | ![]() | ![]() 窒素ブロー使用 | ![]() | ![]() クリーンベンチ(クラス10) で実施 |
梱包例| 脱脂洗浄の場合 (TYPE型番:SL-□□) | 精密洗浄または電解研磨+精密洗浄の場合 | |
| (TYPE型番:SH-□□・SHD-□□) | ||
| オーステナイト系ステンレス・アルミ材質の場合 | 鉄・マルテンサイト系ステンレス材質の場合 | |
![]() | ![]() | ![]() |
| 一部商品・サイズによっては、 梱包形態が異なる場合がございます。 | [ ! ]1重目・2重目の梱包とも、脱気されております。 | [ ! ]防錆対策として乾燥剤を同封しております。 1梱包につき1つになります。 |
洗浄効果・利用推奨環境洗浄方法 | 商品型番 | 梱包形態 | 未洗浄品と比べた効果 | ご利用環境(目安) | 利用シーン・工程 |
|---|---|---|---|---|---|
| 脱脂洗浄 | SL-□□ | 防錆梱包 | 油分除去 | 一般環境 | 通常組立工程 |
| バッテリー組立後工程 | |||||
| 精密洗浄 | SH-□□ | 脱気2重梱包 | 油分除去 粉塵除去 | クリーン環境(クラス10~1,000) | バッテリー組立工程 |
| 液晶関連組立後工程 | |||||
| 車載カメラ組立工程 | |||||
| 電解研磨+精密洗浄 | SHD-□□ | 脱気2重梱包 | 油分除去 粉塵除去 アウトガス低減 | 真空環境 クリーン環境(クラス10~1,000) | 半導体前工程 |
| 液晶成膜工程 | |||||
| 有機EL前工程 |
| 型番 |
|---|
通常単価(税別)
(税込単価) | 通常出荷日 |
洗浄不要の場合の代替品
|
|---|
- ( - ) | 6日目 |
|
- ( - ) | 6日目 |
|
- ( - ) | 6日目 |
|
- ( - ) | 6日目 |
|
- ( - ) | 6日目 |
|
- ( - ) | 6日目 |
|
- ( - ) | 6日目 |
|
- ( - ) | 6日目 |
|
- ( - ) | 6日目 |
|
- ( - ) | 6日目 |
|
- ( - ) | 6日目 |
|
- ( - ) | 6日目 |
|
- ( - ) | 6日目 |
|
- ( - ) | 6日目 |
|
- ( - ) | 3日目 |
|
- ( - ) | 3日目 |
|
- ( - ) | 3日目 |
|
- ( - ) | 6日目 |
|
- ( - ) | 3日目 |
|
- ( - ) | 3日目 |
|
- ( - ) | 3日目 |
|
- ( - ) | 3日目 |
|
- ( - ) | 6日目 |
|
- ( - ) | 6日目 |
|
- ( - ) | 6日目 |
|
- ( - ) | 6日目 |
|
- ( - ) | 6日目 |
|
- ( - ) | 6日目 |
|
- ( - ) | 6日目 |
|
- ( - ) | 6日目 |
|
- ( - ) | 6日目 |
|
- ( - ) | 6日目 |
|
- ( - ) | 6日目 |
|
- ( - ) | 6日目 |
|
- ( - ) | 6日目 |
|
- ( - ) | 6日目 |
|
- ( - ) | 6日目 |
|
- ( - ) | 6日目 |
|
- ( - ) | 6日目 |
|
- ( - ) | 6日目 |
|
- ( - ) | 6日目 |
|
- ( - ) | 6日目 |
|
- ( - ) | 6日目 |
|
- ( - ) | 6日目 |
|
- ( - ) | 6日目 |
|
- ( - ) | 6日目 |
|
- ( - ) | 6日目 |
|
- ( - ) | 6日目 |
|
- ( - ) | 6日目 |
|
- ( - ) | 6日目 |
|
- ( - ) | 6日目 |
|
- ( - ) | 6日目 |
|
- ( - ) | 6日目 |
|
- ( - ) | 6日目 |
|
- ( - ) | 6日目 |
|
- ( - ) | 6日目 |
|
- ( - ) | 6日目 |
|
- ( - ) | 6日目 |
|
- ( - ) | 3日目 |
|
- ( - ) | 3日目 |
| ・脱脂洗浄(防錆1重梱包) | :型番SL-□□ |
| ・精密洗浄(脱気2重梱包) | :型番SH-□□ |
| ・電解研磨+精密洗浄(脱気2重梱包) | :型番SHD-□□ |
| 商品型番 | 洗浄方法 | 梱包形態 | 未洗浄品と比べた効果 | ご利用環境(目安) | 工程別 |
| SL-□□ | 脱脂洗浄 | 防錆梱包 | 油分除去 | 一般環境 | 通常組立工程 |
| バッテリー組立後工程 | |||||
| SH-□□ | 精密洗浄 | 脱気2重梱包 | 油分除去 粉塵除去 | クリーン環境(クラス10~1,000) | バッテリー組立工程 |
| 液晶関連組立後工程 | |||||
| 車載カメラ組立工程 | |||||
| SHD-□□ | 電解研磨+精密洗浄 | 脱気2重梱包 | 油分除去 粉塵除去 アウトガス低減 | 真空環境 クリーン環境(クラス10~1,000) | 半導体前工程 |
| 液晶成膜工程 | |||||
| 有機EL前工程 |
通常価格、通常出荷日が表示と異なる場合がございます
通常価格、通常出荷日が表示と異なる場合がございます

ミスミ
シャフトホルダ -フランジ型(鋳造品) スリット・スタンダードタイプ-
4.5通常価格(税別):900円~

ミスミ
シャフトホルダ -T型(鋳造品) スリット・スタンダードタイプ-
4.3通常価格(税別):760円~

ミスミ
シャフトホルダ -ブラケット型スタンダードタイプ- -取付穴キリ穴/取付穴タップ穴-
4.6通常価格(税別):860円~

ミスミ
シャフトホルダ -ブラケット型スリットタイプ- -スタンダードタイプ-
4.5通常価格(税別):1,650円~

ミスミ
シャフトホルダ -フランジ型(鋳造品) スリット・ガイドロングタイプ-
4.8通常価格(税別):1,630円~

ミスミ
シャフトホルダ -ブラケット型スリットタイプ- -ガイドロングタイプ-
4.4通常価格(税別):2,220円~

ミスミ
【エコノミーシリーズ】 RoHS対応 シャフトホルダ T型スリット・薄型
5通常価格(税別):600円~

ミスミ
シャフトホルダ -T型(機械加工品) 側方スリットタイプ-
4.6
ミスミ
シャフトホルダ -ブラケット型ガイドロングタイプ- -ガイドロングタイプ-
4.6通常価格(税別):1,440円~