メカニカル部品技術窓口

「脱脂洗浄」「精密洗浄」「電解研磨+精密洗浄」3種類の洗浄方法が選択可能、いずれも標準型番で1個からご...
詳細を確認
| Type | [ M ]材質 | [ S ]表面処理 | [ A ]付属品 | 洗浄方法 | |||
| 洗浄方法 | 洗浄環境 | 梱包形態 | 梱包環境 | ||||
| SL-SHSPSN | SUS304 | - | 六角穴付ボルト2本 (SUS) | 脱脂洗浄 | 一般環境 | 防錆梱包 | 一般環境 |
| SH-SHSPSN | 精密洗浄 | クラス1000 | 脱気2重梱包 | クラス10 | |||
| SHD-SHSPSN | 電解研磨+精密洗浄 | ||||||
| SL-SHSPMN | S45C相当 | 無電解ニッケルメッキ | 脱脂洗浄 | 一般環境 | 防錆梱包 | 一般環境 | |
| SH-SHSPMN | 精密洗浄 | クラス1000 | 脱気2重梱包 | クラス10 | |||
詳細図を記載しておりますので、ご確認ください。| 型式 | − | H |
| SL-SHSPSN10 | − | 25 |
| SH-SHSPSN16 | − | 30 |
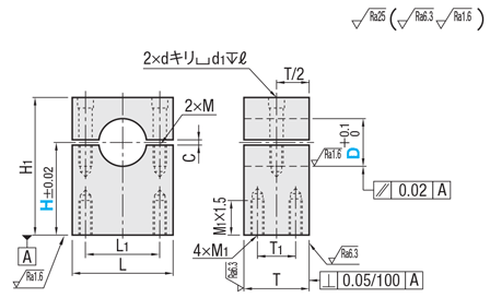
| 型式 | H | L | H1 | T | T1 | L1 | 締付ボルト M | M1 | d | d1 | ℓ | C | ¥基準単価 | |||||||||
| Type | D | 選択 | SL-SHSPSN | SH-SHSPSN | SHD-SHSPSN | SL-SHSPMN | SH-SHSPMN | |||||||||||||||
| SL-SHSPSN SH-SHSPSN SHD-SHSPSN SL-SHSPMN SH-SHSPMN | 8 | 25 | 30 | 35 | H+10 | 24 | 16 | 20 | M6深さ12 | M4 | 6.6 | 11 | 6.5 | 2 | - | - | - | 4,110 | 4,710 | |||
| 10 | 25 | 30 | 37 | H+11 | 22 | 6,920 | 7,520 | 7,880 | 4,380 | 4,980 | ||||||||||||
| 12 | 25 | 30 | 39 | H+12 | 24 | 7,660 | 8,260 | 8,620 | 4,790 | 5,390 | ||||||||||||
| 15 | 25 | 30 | 40 | 46 | H+14 | 26 | 18 | 28 | M8深さ16 | 9 | 14 | 9 | 9,930 | 10,530 | 10,890 | 6,050 | 6,650 | |||||
| 16 | 25 | 30 | 40 | 48 | 30 | 10,490 | 11,090 | 11,450 | 7,060 | 7,660 | ||||||||||||
| 20 | 30 | 40 | 50 | 52 | H+18 | 30 | 20 | 34 | M6 | 9 | 14 | 9 | 12,930 | 13,530 | 13,890 | 7,720 | 8,320 | |||||
| 25 | 30 | 40 | 50 | 56 | 38 | 13,640 | 14,240 | 14,600 | 8,120 | 8,720 | ||||||||||||
| 30 | 40 | 50 | 60 | 62 | H+30 | 35 | 25 | 44 | 3 | 15,900 | 16,500 | 16,860 | 9,370 | 9,970 | ||||||||
| 35 | 40 | 50 | 60 | 66 | 48 | 16,690 | 17,290 | 17,650 | 9,810 | 10,410 | ||||||||||||
| 40 | 40 | 50 | 60 | 72 | 40 | 24 | 54 | 18,750 | 19,350 | 19,710 | 10,950 | 11,550 | ||||||||||
| 50 | 40 | 50 | 60 | 92 | H+38 | 50 | 34 | 68 | M12深24 | M8 | 14 | 20 | 13 | - | - | - | 12,820 | 13,420 | ||||
洗浄工程| ※材質がステンレスの場合、アルカリ系温水洗浄となることがあります。 | |
| ・脱脂洗浄(型式:SL-□□) | ※表面処理が低温黒色クロムメッキの場合、IPA洗浄となります。 |
作業環境:一般環境 | ||||||
|---|---|---|---|---|---|---|
![]() 炭化水素系洗浄※ Ro水洗浄 中性洗剤洗浄 | ![]() | ![]() 高圧ジェット水洗(Ro水) 後に純水(10MΩ・cm)で 洗浄 | ![]() | ![]() エアブロー(オイルフリー) 使用 | ![]() | ![]() 防錆袋使用 |
| ・精密洗浄(型式:SH-□□) | ※表面処理が低温黒色クロムメッキの場合、IPA洗浄となります。 |
作業環境:クラス1000 | 作業環境:クラス10 | |||||||
|---|---|---|---|---|---|---|---|---|
![]() 炭化水素系洗浄※ Ro水洗浄 中性洗剤洗浄 | ![]() | ![]() 高圧ジェット水洗(Ro水) 後に純水(10MΩ・cm)で 洗浄 | ![]() | ![]() 温純水(13MΩ・cm)使用 | ![]() | ![]() 窒素ブロー使用 | ![]() | ![]() クリーンベンチ(クラス10) で実施 |
作業環境:クラス1000 | 作業環境:クラス10 | |||||||||
|---|---|---|---|---|---|---|---|---|---|---|
![]() 炭化水素系洗浄 Ro水洗浄 中性洗剤洗浄 | ![]() | ![]() 材質に応じた電解研磨槽 で電解研磨 | ![]() | ![]() 高圧ジェット水洗(Ro水) 後に純水(10MΩ・cm)で 洗浄 | ![]() | ![]() 温純水(13MΩ・cm)使用 | ![]() | ![]() 窒素ブロー使用 | ![]() | ![]() クリーンベンチ(クラス10) で実施 |
梱包例| 脱脂洗浄の場合 (TYPE型番:SL-□□) | 精密洗浄または電解研磨+精密洗浄の場合 | |
| (TYPE型番:SH-□□・SHD-□□) | ||
| オーステナイト系ステンレス・アルミ材質の場合 | 鉄・マルテンサイト系ステンレス材質の場合 | |
![]() | ![]() | ![]() |
| 一部商品・サイズによっては、 梱包形態が異なる場合がございます。 | [ ! ]1重目・2重目の梱包とも、脱気されております。 | [ ! ]防錆対策として乾燥剤を同封しております。 1梱包につき1つになります。 |
洗浄効果・利用推奨環境洗浄方法 | 商品型番 | 梱包形態 | 未洗浄品と比べた効果 | ご利用環境(目安) | 利用シーン・工程 |
|---|---|---|---|---|---|
| 脱脂洗浄 | SL-□□ | 防錆梱包 | 油分除去 | 一般環境 | 通常組立工程 |
| バッテリー組立後工程 | |||||
| 精密洗浄 | SH-□□ | 脱気2重梱包 | 油分除去 粉塵除去 | クリーン環境(クラス10~1,000) | バッテリー組立工程 |
| 液晶関連組立後工程 | |||||
| 車載カメラ組立工程 | |||||
| 電解研磨+精密洗浄 | SHD-□□ | 脱気2重梱包 | 油分除去 粉塵除去 アウトガス低減 | 真空環境 クリーン環境(クラス10~1,000) | 半導体前工程 |
| 液晶成膜工程 | |||||
| 有機EL前工程 |
| 型番 |
|---|
通常単価(税別)
(税込単価) | 通常出荷日 |
洗浄不要の場合の代替品
|
|---|
- ( - ) | 6日目 |
|
- ( - ) | 6日目 |
|
- ( - ) | 8日目 |
|
- ( - ) | 8日目 |
|
- ( - ) | 8日目 |
|
- ( - ) | 8日目 |
|
- ( - ) | 8日目 |
|
- ( - ) | 8日目 |
|
- ( - ) | 8日目 |
|
- ( - ) | 8日目 |
|
- ( - ) | 8日目 |
|
- ( - ) | 8日目 |
|
- ( - ) | 8日目 |
|
- ( - ) | 8日目 |
|
- ( - ) | 8日目 |
|
- ( - ) | 8日目 |
|
- ( - ) | 8日目 |
|
- ( - ) | 8日目 |
|
- ( - ) | 8日目 |
|
- ( - ) | 8日目 |
|
- ( - ) | 8日目 |
|
- ( - ) | 8日目 |
|
- ( - ) | 8日目 |
|
- ( - ) | 8日目 |
|
- ( - ) | 8日目 |
|
- ( - ) | 8日目 |
|
- ( - ) | 8日目 |
|
- ( - ) | 8日目 |
|
- ( - ) | 8日目 |
|
- ( - ) | 8日目 |
|
- ( - ) | 8日目 |
|
- ( - ) | 8日目 |
|
- ( - ) | 8日目 |
|
- ( - ) | 8日目 |
|
- ( - ) | 8日目 |
|
- ( - ) | 8日目 |
|
- ( - ) | 8日目 |
|
- ( - ) | 8日目 |
|
- ( - ) | 8日目 |
|
- ( - ) | 8日目 |
|
- ( - ) | 8日目 |
|
- ( - ) | 8日目 |
|
- ( - ) | 8日目 |
|
- ( - ) | 8日目 |
|
- ( - ) | 8日目 |
|
- ( - ) | 8日目 |
|
- ( - ) | 8日目 |
|
- ( - ) | 8日目 |
|
- ( - ) | 8日目 |
|
- ( - ) | 8日目 |
|
- ( - ) | 8日目 |
|
- ( - ) | 8日目 |
|
- ( - ) | 8日目 |
|
- ( - ) | 8日目 |
|
- ( - ) | 8日目 |
|
- ( - ) | 8日目 |
|
- ( - ) | 8日目 |
|
- ( - ) | 8日目 |
|
- ( - ) | 8日目 |
|
- ( - ) | 8日目 |
| ・脱脂洗浄(防錆1重梱包) | :型番SL-□□ |
| ・精密洗浄(脱気2重梱包) | :型番SH-□□ |
| ・電解研磨+精密洗浄(脱気2重梱包) | :型番SHD-□□ |
| 商品型番 | 洗浄方法 | 梱包形態 | 未洗浄品と比べた効果 | ご利用環境(目安) | 工程別 |
| SL-□□ | 脱脂洗浄 | 防錆梱包 | 油分除去 | 一般環境 | 通常組立工程 |
| バッテリー組立後工程 | |||||
| SH-□□ | 精密洗浄 | 脱気2重梱包 | 油分除去 粉塵除去 | クリーン環境(クラス10~1,000) | バッテリー組立工程 |
| 液晶関連組立後工程 | |||||
| 車載カメラ組立工程 | |||||
| SHD-□□ | 電解研磨+精密洗浄 | 脱気2重梱包 | 油分除去 粉塵除去 アウトガス低減 | 真空環境 クリーン環境(クラス10~1,000) | 半導体前工程 |
| 液晶成膜工程 | |||||
| 有機EL前工程 |
通常価格、通常出荷日が表示と異なる場合がございます
通常価格、通常出荷日が表示と異なる場合がございます

ミスミ
シャフトホルダ -フランジ型(鋳造品) スリット・スタンダードタイプ-
4.5通常価格(税別):900円~

ミスミ
シャフトホルダ -ブラケット型スタンダードタイプ- -取付穴キリ穴/取付穴タップ穴-
4.6通常価格(税別):860円~

ミスミ
シャフトホルダ -T型(鋳造品) スリット・スタンダードタイプ-
4.3通常価格(税別):760円~

ミスミ
シャフトホルダ -フランジ型(鋳造品) スリット・ガイドロングタイプ-
4.8通常価格(税別):1,630円~

ミスミ
シャフトホルダ -ブラケット型スリットタイプ- -ガイドロングタイプ-
4.4通常価格(税別):2,220円~

ミスミ
シャフトホルダ -ブラケット型スリットタイプ- -スタンダードタイプ-
4.5通常価格(税別):1,650円~

ミスミ
シャフトホルダ -ブラケット型ホールド部肉厚タイプ- -スタンダードタイプ-
4.5通常価格(税別):1,270円~

ミスミ
シャフトホルダ -T型(機械加工品) スリットタイプ-
4.6通常価格(税別):1,190円~

ミスミ
シャフトホルダ ブラケット型 コンパクト スタンダード/ガイドロングタイプ
4.6通常価格(税別):1,430円~