メカニカル部品技術窓口
ミスミ品のみ対象


●D8~25
●D30~50
| Type | [ M ] 材質 | [ S ] 表面処理 | [ A ] 付属品 | 洗浄方法 | |||
| 洗浄方法 | 洗浄環境 | 梱包形態 | 梱包環境 | ||||
| SL-SHSTSN | SUS304 | ー | 六角穴付ボルト1本 (SUS) | 脱脂洗浄 | 一般環境 | 防錆梱包 | 一般環境 |
| SH-SHSTSN | 精密洗浄 | クラス1000 | 脱気2重梱包 | クラス10 | |||
| SHD-SHSTSN | 電解研磨+精密洗浄 | ||||||
| SL-SHSTAN | アルミ合金 | 白アルマイト | 脱脂洗浄 | 一般環境 | 防錆梱包 | 一般環境 | |
| SH-SHSTAN | 精密洗浄 | クラス1000 | 脱気2重梱包 | クラス10 | |||
| SL-SHSTMN | S45C相当 | 無電解ニッケルメッキ | 脱脂洗浄 | 一般環境 | 防錆梱包 | 一般環境 | |
| SH-SHSTMN | 精密洗浄 | クラス1000 | 脱気2重梱包 | クラス10 | |||
詳細図を記載しておりますので、ご確認ください。| 型式 | − | H |
| SH-SHSTSN20 | − | 30 |
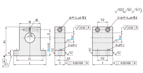
| 型式 | H 選択 | L | H1 | T | S | W | L1 | d | E | 締付ボルト M | d2 | d1 | ℓ | C | |||||||||
| Type | D | ||||||||||||||||||||||
| SL-SHSTSN SH-SHSTSN SHD-SHSTSN SL-SHSTAN SH-SHSTAN SL-SHSTMN SH-SHSTMN | 8 | 10 | 15 | 20 | 25 | 30 | 40 | 48 | H+18 | 15 | 6 | 24 | 36 | 6.6 | 11 | M6貫通 | 6.6 | 11 | 6.5 | 2 | |||
| 10 | 10 | 15 | 20 | 25 | 30 | 40 | 50 | 60 | H+19 | 12 | |||||||||||||
| 12 | 10 | 15 | 20 | 25 | 30 | 40 | 50 | 60 | H+21 | 18 | 14 | ||||||||||||
| 13 | 15 | 20 | 25 | 30 | 40 | 50 | 60 | ||||||||||||||||
| 15 | 15 | 20 | 25 | 30 | 40 | 50 | 60 | 54 | H+23 | 20 | 30 | 42 | 16 | ||||||||||
| 16 | 15 | 20 | 25 | 30 | 40 | 50 | 60 | ||||||||||||||||
| 20 | 20 | 25 | 30 | 40 | 50 | 60 | 80 | 67 | H+29 | 25 | 8 | 35 | 50 | 9 | 19 | M8貫通 | 9 | 14 | 9 | ||||
| 25 | 20 | 25 | 30 | 40 | 50 | 60 | 80 | H+31 | 30 | 22 | |||||||||||||
| 30 | 25 | 30 | 40 | 50 | 60 | 80 | 85 | H+33 | 35 | 10 | 45 | 65 | 6.6 | 24 | 3 | ||||||||
| 35 | 25 | 30 | 40 | 50 | 60 | 80 | H+36 | 27 | |||||||||||||||
| 40 | 30 | 40 | 50 | 60 | 80 | 100 | H+38 | 40 | 60 | 80 | 9 | 29 | M8深16 | ||||||||||
| 50 | 40 | 50 | 60 | 80 | 125 | H+51 | 50 | 15 | 75 | 100 | 11 | 38 | M12深24 | 14 | 20 | 13 | |||||||
| D | ¥基準単価 | ||||||
| SL-SHSTSN | SH-SHSTSN | SHD-SHSTSN | SL-SHSTAN | SH-SHSTAN | SL-SHSTMN | SH-SHSTMN | |
| 8 | 6,820 | 7,420 | 7,780 | 3,810 | 4,410 | 3,830 | 4,430 |
| 10 | 6,840 | 7,440 | 7,800 | 3,840 | 4,440 | 3,850 | 4,450 |
| 12 | 7,760 | 8,360 | 8,720 | 3,960 | 4,560 | 3,970 | 4,570 |
| 13 | 7,970 | 8,570 | 8,930 | 4,210 | 4,810 | 4,230 | 4,830 |
| 15 | 8,610 | 9,210 | 9,570 | 4,960 | 5,560 | 5,010 | 5,610 |
| 16 | 8,820 | 9,420 | 9,780 | 5,210 | 5,810 | 5,270 | 5,870 |
| 20 | 11,920 | 12,520 | 12,880 | 6,250 | 6,850 | 6,310 | 6,910 |
| 25 | 12,480 | 13,080 | 13,440 | 6,430 | 7,030 | 6,490 | 7,090 |
| 30 | 13,740 | 14,340 | 14,700 | 7,910 | 8,510 | 7,970 | 8,570 |
| 35 | 14,640 | 15,240 | 15,600 | 8,890 | 9,490 | 8,890 | 9,490 |
| 40 | 17,540 | 18,140 | 18,500 | 10,090 | 10,690 | 10,090 | 10,690 |
| 50 | 19,880 | 20,480 | 20,840 | 12,730 | 13,330 | 12,730 | 13,330 |
洗浄工程| ※材質がステンレスの場合、アルカリ系温水洗浄となることがあります。 | |
| ・脱脂洗浄(型式:SL-□□) | ※表面処理が低温黒色クロムメッキの場合、IPA洗浄となります。 |
作業環境:一般環境 | ||||||
|---|---|---|---|---|---|---|
![]() 炭化水素系洗浄※ Ro水洗浄 中性洗剤洗浄 | ![]() | ![]() 高圧ジェット水洗(Ro水) 後に純水(10MΩ・cm)で 洗浄 | ![]() | ![]() エアブロー(オイルフリー) 使用 | ![]() | ![]() 防錆袋使用 |
| ・精密洗浄(型式:SH-□□) | ※表面処理が低温黒色クロムメッキの場合、IPA洗浄となります。 |
作業環境:クラス1000 | 作業環境:クラス10 | |||||||
|---|---|---|---|---|---|---|---|---|
![]() 炭化水素系洗浄※ Ro水洗浄 中性洗剤洗浄 | ![]() | ![]() 高圧ジェット水洗(Ro水) 後に純水(10MΩ・cm)で 洗浄 | ![]() | ![]() 温純水(13MΩ・cm)使用 | ![]() | ![]() 窒素ブロー使用 | ![]() | ![]() クリーンベンチ(クラス10) で実施 |
作業環境:クラス1000 | 作業環境:クラス10 | |||||||||
|---|---|---|---|---|---|---|---|---|---|---|
![]() 炭化水素系洗浄 Ro水洗浄 中性洗剤洗浄 | ![]() | ![]() 材質に応じた電解研磨槽 で電解研磨 | ![]() | ![]() 高圧ジェット水洗(Ro水) 後に純水(10MΩ・cm)で 洗浄 | ![]() | ![]() 温純水(13MΩ・cm)使用 | ![]() | ![]() 窒素ブロー使用 | ![]() | ![]() クリーンベンチ(クラス10) で実施 |
梱包例| 脱脂洗浄の場合 (TYPE型番:SL-□□) | 精密洗浄または電解研磨+精密洗浄の場合 | |
| (TYPE型番:SH-□□・SHD-□□) | ||
| オーステナイト系ステンレス・アルミ材質の場合 | 鉄・マルテンサイト系ステンレス材質の場合 | |
![]() | ![]() | ![]() |
| 一部商品・サイズによっては、 梱包形態が異なる場合がございます。 | [ ! ]1重目・2重目の梱包とも、脱気されております。 | [ ! ]防錆対策として乾燥剤を同封しております。 1梱包につき1つになります。 |
洗浄効果・利用推奨環境洗浄方法 | 商品型番 | 梱包形態 | 未洗浄品と比べた効果 | ご利用環境(目安) | 利用シーン・工程 |
|---|---|---|---|---|---|
| 脱脂洗浄 | SL-□□ | 防錆梱包 | 油分除去 | 一般環境 | 通常組立工程 |
| バッテリー組立後工程 | |||||
| 精密洗浄 | SH-□□ | 脱気2重梱包 | 油分除去 粉塵除去 | クリーン環境(クラス10~1,000) | バッテリー組立工程 |
| 液晶関連組立後工程 | |||||
| 車載カメラ組立工程 | |||||
| 電解研磨+精密洗浄 | SHD-□□ | 脱気2重梱包 | 油分除去 粉塵除去 アウトガス低減 | 真空環境 クリーン環境(クラス10~1,000) | 半導体前工程 |
| 液晶成膜工程 | |||||
| 有機EL前工程 |
| 型番 |
|---|
通常単価(税別)
(税込単価) | 通常出荷日 |
洗浄不要の場合の代替品
|
|---|
- ( - ) | 8日目 |
|
- ( - ) | 8日目 |
|
- ( - ) | 8日目 |
|
- ( - ) | 8日目 |
|
- ( - ) | 8日目 |
|
- ( - ) | 8日目 |
|
- ( - ) | 8日目 |
|
- ( - ) | 8日目 |
|
- ( - ) | 8日目 |
|
- ( - ) | 8日目 |
|
- ( - ) | 8日目 |
|
- ( - ) | 8日目 |
|
- ( - ) | 8日目 |
|
- ( - ) | 8日目 |
|
- ( - ) | 8日目 |
|
- ( - ) | 8日目 |
|
- ( - ) | 8日目 |
|
- ( - ) | 8日目 |
|
- ( - ) | 8日目 |
|
- ( - ) | 8日目 |
|
- ( - ) | 8日目 |
|
- ( - ) | 8日目 |
|
- ( - ) | 8日目 |
|
- ( - ) | 8日目 |
|
- ( - ) | 8日目 |
|
- ( - ) | 8日目 |
|
- ( - ) | 8日目 |
|
- ( - ) | 8日目 |
|
- ( - ) | 8日目 |
|
- ( - ) | 8日目 |
|
- ( - ) | 8日目 |
|
- ( - ) | 8日目 |
|
- ( - ) | 8日目 |
|
- ( - ) | 8日目 |
|
- ( - ) | 8日目 |
|
- ( - ) | 8日目 |
|
- ( - ) | 8日目 |
|
- ( - ) | 8日目 |
|
- ( - ) | 8日目 |
|
- ( - ) | 8日目 |
|
- ( - ) | 8日目 |
|
- ( - ) | 8日目 |
|
- ( - ) | 8日目 |
|
- ( - ) | 8日目 |
|
- ( - ) | 8日目 |
|
- ( - ) | 8日目 |
|
- ( - ) | 8日目 |
|
- ( - ) | 8日目 |
|
- ( - ) | 8日目 |
|
- ( - ) | 8日目 |
|
- ( - ) | 8日目 |
|
- ( - ) | 8日目 |
|
- ( - ) | 8日目 |
|
- ( - ) | 8日目 |
|
- ( - ) | 8日目 |
|
- ( - ) | 8日目 |
|
- ( - ) | 8日目 |
|
- ( - ) | 8日目 |
|
- ( - ) | 8日目 |
|
- ( - ) | 8日目 |
| ・脱脂洗浄(防錆1重梱包) | :型番SL-□□ |
| ・精密洗浄(脱気2重梱包) | :型番SH-□□ |
| ・電解研磨+精密洗浄(脱気2重梱包) | :型番SHD-□□ |
| 商品型番 | 洗浄方法 | 梱包形態 | 未洗浄品と比べた効果 | ご利用環境(目安) | 工程別 |
| SL-□□ | 脱脂洗浄 | 防錆梱包 | 油分除去 | 一般環境 | 通常組立工程 |
| バッテリー組立後工程 | |||||
| SH-□□ | 精密洗浄 | 脱気2重梱包 | 油分除去 粉塵除去 | クリーン環境(クラス10~1,000) | バッテリー組立工程 |
| 液晶関連組立後工程 | |||||
| 車載カメラ組立工程 | |||||
| SHD-□□ | 電解研磨+精密洗浄 | 脱気2重梱包 | 油分除去 粉塵除去 アウトガス低減 | 真空環境 クリーン環境(クラス10~1,000) | 半導体前工程 |
| 液晶成膜工程 | |||||
| 有機EL前工程 |
通常価格、通常出荷日が表示と異なる場合がございます
通常価格、通常出荷日が表示と異なる場合がございます

ミスミ
シャフトホルダ -フランジ型(鋳造品) スリット・スタンダードタイプ-
4.5通常価格(税別):900円~

ミスミ
シャフトホルダ -T型(鋳造品) スリット・スタンダードタイプ-
4.3通常価格(税別):760円~

ミスミ
シャフトホルダ -ブラケット型スタンダードタイプ- -取付穴キリ穴/取付穴タップ穴-
4.6通常価格(税別):860円~

ミスミ
シャフトホルダ -フランジ型(鋳造品) スリット・ガイドロングタイプ-
4.8通常価格(税別):1,630円~

ミスミ
シャフトホルダ -ブラケット型スリットタイプ- -スタンダードタイプ-
4.5通常価格(税別):1,650円~

ミスミ
【エコノミーシリーズ】 RoHS対応 シャフトホルダ T型スリット・薄型
5通常価格(税別):600円~

ミスミ
シャフトホルダ -ブラケット型スリットタイプ- -ガイドロングタイプ-
4.4通常価格(税別):2,220円~

ミスミ
シャフトホルダ -T型(機械加工品) スリットタイプ-
4.6通常価格(税別):1,190円~

ミスミ
シャフトホルダ -ブラケット型ホールド部肉厚タイプ- -ガイドロングタイプ-
4.6通常価格(税別):1,500円~