メカニカル部品技術窓口
ミスミ品のみ対象

「脱脂洗浄」「精密洗浄」「電解研磨+精密洗浄」3種類の洗浄方法が選択可能、いずれも標準型番で1個からご...
詳細を確認
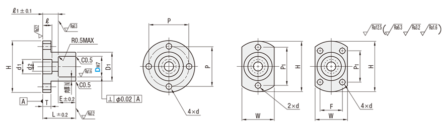
■丸フランジ
■二面フランジ
●D8~15
●D16~50
| 丸フランジ | 二面フランジ | [ M ] 材質 | [ S ]表面処理 | 洗浄方法 | |||
| 洗浄方法 | 洗浄環境 | 梱包形態 | 梱包環境 | ||||
| SL-SSTHXR | SL-SSTHXC | SUS304 | - | 脱脂洗浄 | 一般環境 | 防錆梱包 | 一般環境 |
| SH-SSTHXR | SH-SSTHXC | 精密洗浄 | クラス1000 | 脱気2重梱包 | クラス10 | ||
| SHD-SSTHXR | SHD-SSTHXC | 電解研磨+精密洗浄 | |||||
| SL-STHXC | SL-STHXR | S45C相当 | 無電解ニッケルメッキ | 脱脂洗浄 | 一般環境 | 防錆梱包 | 一般環境 |
| SH-STHXC | SH-STHXR | 精密洗浄 | クラス1000 | 脱気2重梱包 | クラス10 | ||
詳細図を記載しておりますので、ご確認ください。| 型式 |
| SL-SSTHXR10 |
| 型式 | ホールド部 肉厚(N) | L | D1 | H | T | ℓ | ℓ1 | E | P | W | P1 | F | d | d1 | d2 | 取付 ボルト | |||
| Type | DH7 | ||||||||||||||||||
| 丸フランジ SL-SSTHXR SH-SSTHXR SHD-SSTHXR SL-STHXC SH-STHXC | 二面フランジ SL-SSTHXC SH-SSTHXC SHD-SSTHXC SL-STHXR SH-STHXR | 8 | +0.015 0 | 2 | 16 | 12 | 28 | 5 | 4.5 | 8 | 8 | 20 | 16 | 20 | − | 3.5 | 8 | 4.5 | M4 |
| 10 | 20 | 14 | 30 | 5.5 | 10 | 10 | 22 | 18 | 22 | 9.5 | 5.5 | M5 | |||||||
| 12 | +0.018 0 | 24 | 16 | 36 | 6 | 6.5 | 11 | 13 | 26 | 20 | 26 | 4.5 | 11 | 6.6 | M6 | ||||
| 15 | 2.5 | 30 | 20 | 40 | 9 | 15 | 15 | 30 | 24 | 30 | 14 | 9 | M8 | ||||||
| 16 | 3 | 32 | 22 | 42 | 16 | 16 | 32 | 26 | 28 | 16 | |||||||||
| 20 | +0.021 0 | 4 | 38 | 28 | 50 | 8 | 11 | 18 | 20 | 39 | 32 | 31 | 22 | 5.5 | 18 | 11 | M10 | ||
| 25 | 46 | 33 | 55 | 13 | 21 | 25 | 44 | 37 | 36 | 24 | 20 | 13 | M12 | ||||||
| 30 | 58 | 38 | 66 | 10 | 17 | 28 | 30 | 52 | 42 | 41 | 27 | 6.6 | 26 | 17 | M16 | ||||
| 35 | +0.025 0 | 5 | 65 | 45 | 77 | 30 | 35 | 62 | 52 | 52 | 33 | ||||||||
| 40 | 7 | 70 | 54 | 88 | 40 | 72 | 62 | 62 | 38 | 9 | |||||||||
| 50 | 10 | 75 | 70 | 100 | 12 | 20 | 45 | 84 | 72 | 72 | 43 | ||||||||
| D | ¥基準単価 | |||||||||
| 丸フランジ | 二面フランジ | |||||||||
| SL-SSTHXR | SH-SSTHXR | SHD-SSTHXR | SL-STHXC | SH-STHXC | SL-SSTHXC | SH-SSTHXC | SHD-SSTHXC | SL-STHXR | SH-STHXR | |
| 8 | 3,200 | 3,800 | 4,160 | 2,850 | 3,450 | 3,760 | 4,360 | 4,720 | 2,710 | 3,310 |
| 10 | 3,700 | 4,300 | 4,660 | 3,050 | 3,650 | 4,050 | 4,650 | 5,010 | 2,930 | 3,530 |
| 12 | 3,840 | 4,440 | 4,800 | 3,230 | 3,830 | 4,350 | 4,950 | 5,310 | 3,070 | 3,670 |
| 15 | 4,260 | 4,860 | 5,220 | 3,700 | 4,300 | 4,680 | 5,280 | 5,640 | 3,440 | 4,040 |
| 16 | 4,260 | 4,860 | 5,220 | 3,700 | 4,300 | 4,680 | 5,280 | 5,640 | 3,440 | 4,040 |
| 20 | 5,150 | 5,750 | 6,110 | 3,910 | 4,510 | 5,560 | 6,160 | 6,520 | 3,690 | 4,290 |
| 25 | 6,260 | 6,860 | 7,220 | 4,160 | 4,760 | 6,450 | 7,050 | 7,410 | 3,910 | 4,510 |
| 30 | 6,730 | 7,330 | 7,690 | 4,630 | 5,230 | 7,360 | 7,960 | 8,320 | 4,320 | 4,920 |
| 35 | - | - | - | 5,360 | 5,960 | - | - | - | 5,060 | 5,660 |
| 40 | - | - | - | 5,680 | 6,280 | - | - | - | 5,190 | 5,790 |
| 50 | - | - | - | 8,820 | 9,420 | - | - | - | 7,990 | 8,590 |
洗浄工程| ※材質がステンレスの場合、アルカリ系温水洗浄となることがあります。 | |
| ・脱脂洗浄(型式:SL-□□) | ※表面処理が低温黒色クロムメッキの場合、IPA洗浄となります。 |
作業環境:一般環境 | ||||||
|---|---|---|---|---|---|---|
![]() 炭化水素系洗浄※ Ro水洗浄 中性洗剤洗浄 | ![]() | ![]() 高圧ジェット水洗(Ro水) 後に純水(10MΩ・cm)で 洗浄 | ![]() | ![]() エアブロー(オイルフリー) 使用 | ![]() | ![]() 防錆袋使用 |
| ・精密洗浄(型式:SH-□□) | ※表面処理が低温黒色クロムメッキの場合、IPA洗浄となります。 |
作業環境:クラス1000 | 作業環境:クラス10 | |||||||
|---|---|---|---|---|---|---|---|---|
![]() 炭化水素系洗浄※ Ro水洗浄 中性洗剤洗浄 | ![]() | ![]() 高圧ジェット水洗(Ro水) 後に純水(10MΩ・cm)で 洗浄 | ![]() | ![]() 温純水(13MΩ・cm)使用 | ![]() | ![]() 窒素ブロー使用 | ![]() | ![]() クリーンベンチ(クラス10) で実施 |
作業環境:クラス1000 | 作業環境:クラス10 | |||||||||
|---|---|---|---|---|---|---|---|---|---|---|
![]() 炭化水素系洗浄 Ro水洗浄 中性洗剤洗浄 | ![]() | ![]() 材質に応じた電解研磨槽 で電解研磨 | ![]() | ![]() 高圧ジェット水洗(Ro水) 後に純水(10MΩ・cm)で 洗浄 | ![]() | ![]() 温純水(13MΩ・cm)使用 | ![]() | ![]() 窒素ブロー使用 | ![]() | ![]() クリーンベンチ(クラス10) で実施 |
梱包例| 脱脂洗浄の場合 (TYPE型番:SL-□□) | 精密洗浄または電解研磨+精密洗浄の場合 | |
| (TYPE型番:SH-□□・SHD-□□) | ||
| オーステナイト系ステンレス・アルミ材質の場合 | 鉄・マルテンサイト系ステンレス材質の場合 | |
![]() | ![]() | ![]() |
| 一部商品・サイズによっては、 梱包形態が異なる場合がございます。 | [ ! ]1重目・2重目の梱包とも、脱気されております。 | [ ! ]防錆対策として乾燥剤を同封しております。 1梱包につき1つになります。 |
洗浄効果・利用推奨環境洗浄方法 | 商品型番 | 梱包形態 | 未洗浄品と比べた効果 | ご利用環境(目安) | 利用シーン・工程 |
|---|---|---|---|---|---|
| 脱脂洗浄 | SL-□□ | 防錆梱包 | 油分除去 | 一般環境 | 通常組立工程 |
| バッテリー組立後工程 | |||||
| 精密洗浄 | SH-□□ | 脱気2重梱包 | 油分除去 粉塵除去 | クリーン環境(クラス10~1,000) | バッテリー組立工程 |
| 液晶関連組立後工程 | |||||
| 車載カメラ組立工程 | |||||
| 電解研磨+精密洗浄 | SHD-□□ | 脱気2重梱包 | 油分除去 粉塵除去 アウトガス低減 | 真空環境 クリーン環境(クラス10~1,000) | 半導体前工程 |
| 液晶成膜工程 | |||||
| 有機EL前工程 |
| 型番 |
|---|
通常単価(税別)
(税込単価) | 通常出荷日 |
洗浄不要の場合の代替品
|
|---|
- ( - ) | 6日目 |
|
- ( - ) | 6日目 |
|
- ( - ) | 6日目 |
|
- ( - ) | 6日目 |
|
- ( - ) | 6日目 |
|
- ( - ) | 6日目 |
|
- ( - ) | 6日目 |
|
- ( - ) | 6日目 |
|
- ( - ) | 6日目 |
|
- ( - ) | 6日目 |
|
- ( - ) | 6日目 |
|
- ( - ) | 6日目 |
|
- ( - ) | 6日目 |
|
- ( - ) | 6日目 |
|
- ( - ) | 6日目 |
|
- ( - ) | 6日目 |
|
- ( - ) | 6日目 |
|
- ( - ) | 3日目 |
|
- ( - ) | 6日目 |
|
- ( - ) | 6日目 |
|
- ( - ) | 6日目 |
|
- ( - ) | 6日目 |
|
- ( - ) | 6日目 |
|
- ( - ) | 6日目 |
|
- ( - ) | 8日目 |
|
- ( - ) | 6日目 |
|
- ( - ) | 8日目 |
|
- ( - ) | 6日目 |
|
- ( - ) | 6日目 |
|
- ( - ) | 6日目 |
|
- ( - ) | 6日目 |
|
- ( - ) | 6日目 |
|
- ( - ) | 6日目 |
|
- ( - ) | 6日目 |
|
- ( - ) | 6日目 |
|
- ( - ) | 8日目 |
|
- ( - ) | 6日目 |
|
- ( - ) | 8日目 |
|
- ( - ) | 6日目 |
|
- ( - ) | 6日目 |
|
- ( - ) | 6日目 |
|
- ( - ) | 6日目 |
|
- ( - ) | 6日目 |
|
- ( - ) | 6日目 |
|
- ( - ) | 6日目 |
|
- ( - ) | 6日目 |
|
- ( - ) | 6日目 |
|
- ( - ) | 6日目 |
|
- ( - ) | 6日目 |
|
- ( - ) | 6日目 |
|
- ( - ) | 6日目 |
|
- ( - ) | 6日目 |
|
- ( - ) | 6日目 |
|
- ( - ) | 6日目 |
|
- ( - ) | 6日目 |
|
- ( - ) | 6日目 |
|
- ( - ) | 6日目 |
|
- ( - ) | 6日目 |
|
- ( - ) | 6日目 |
|
- ( - ) | 6日目 |
| ・脱脂洗浄(防錆1重梱包) | :型番SL-□□ |
| ・精密洗浄(脱気2重梱包) | :型番SH-□□ |
| ・電解研磨+精密洗浄(脱気2重梱包) | :型番SHD-□□ |
| 商品型番 | 洗浄方法 | 梱包形態 | 未洗浄品と比べた効果 | ご利用環境(目安) | 工程別 |
| SL-□□ | 脱脂洗浄 | 防錆梱包 | 油分除去 | 一般環境 | 通常組立工程 |
| バッテリー組立後工程 | |||||
| SH-□□ | 精密洗浄 | 脱気2重梱包 | 油分除去 粉塵除去 | クリーン環境(クラス10~1,000) | バッテリー組立工程 |
| 液晶関連組立後工程 | |||||
| 車載カメラ組立工程 | |||||
| SHD-□□ | 電解研磨+精密洗浄 | 脱気2重梱包 | 油分除去 粉塵除去 アウトガス低減 | 真空環境 クリーン環境(クラス10~1,000) | 半導体前工程 |
| 液晶成膜工程 | |||||
| 有機EL前工程 |
通常価格、通常出荷日が表示と異なる場合がございます
通常価格、通常出荷日が表示と異なる場合がございます

ミスミ
シャフトホルダ -フランジ型(鋳造品) スリット・スタンダードタイプ-
4.5通常価格(税別):900円~

ミスミ
シャフトホルダ -ブラケット型スタンダードタイプ- -取付穴キリ穴/取付穴タップ穴-
4.6通常価格(税別):860円~

ミスミ
シャフトホルダ -T型(鋳造品) スリット・スタンダードタイプ-
4.3通常価格(税別):760円~

ミスミ
シャフトホルダ -フランジ型(鋳造品) スリット・ガイドロングタイプ-
4.8通常価格(税別):1,630円~

ミスミ
シャフトホルダ -ブラケット型スリットタイプ- -ガイドロングタイプ-
4.4通常価格(税別):2,220円~

ミスミ
シャフトホルダ -ブラケット型スリットタイプ- -スタンダードタイプ-
4.5通常価格(税別):1,650円~

ミスミ
シャフトホルダ -T型(機械加工品) スリットタイプ-
4.6通常価格(税別):1,190円~

ミスミ
シャフトホルダ ブラケット型 コンパクト スタンダード/ガイドロングタイプ
4.6通常価格(税別):1,430円~

ミスミ
シャフトホルダ -ブラケット型ホールド部肉厚タイプ- -スタンダードタイプ-
4.5通常価格(税別):1,270円~