メカニカル部品技術窓口
ミスミ品のみ対象

「脱脂洗浄」「精密洗浄」「電解研磨+精密洗浄」3種類の洗浄方法が選択可能、いずれも標準型番で1個からご...
詳細を確認■コンパクトスタンダードタイプ
■コンパクトガイドロングタイプ

| Type | [ M ]材質 | [ S ]表面処理 | [ A ]付属品 | 洗浄方法 | ||||
| スタンダード | ガイドロング | 洗浄方法 | 洗浄環境 | 梱包形態 | 梱包環境 | |||
| SL-SSTHMR | SL-SSTHMRL | SUS304 | - | 六角穴付ボルト 1本(SUS) | 脱脂洗浄 | 一般環境 | 防錆梱包 | 一般環境 |
| SH-SSTHMR | SH-SSTHMRL | 精密洗浄 | クラス1000 | 脱気2重梱包 | クラス10 | |||
| SHD-SSTHMR | SHD-SSTHMRL | 電解研磨+精密洗浄 | ||||||
| SL-STHMR | SL-STHMRL | S45C相当 | 無電解ニッケルメッキ | 脱脂洗浄 | 一般環境 | 防錆梱包 | 一般環境 | |
| SH-STHMR | SH-STHMRL | 精密洗浄 | クラス1000 | 脱気2重梱包 | クラス10 | |||
詳細図を記載しておりますので、ご確認ください。| 型式 |
| SL-SSTHMR16 |
| SH-SSTHMR20 |
| SH-SSTHMRL20 |
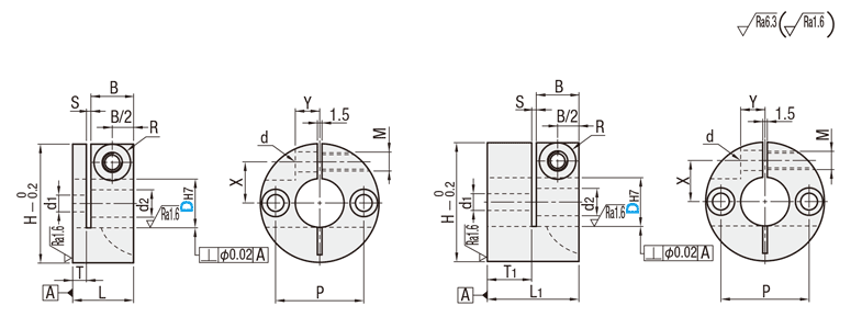
| 型式 | L | L1 | H | B | T | T1 | P | d1 | d2 | S | X | Y | M | d | R | ||
| Type | DH7 | ||||||||||||||||
| コンパクト スタンダード タイプ SL-SSTHMR SH-SSTHMR SHD-SSTHMR SL-STHMR SH-STHMR | コンパクト ガイドロングタイプ (D12〜30) SL-SSTHMRL SH-SSTHMRL SHD-SSTHMRL SL-STHMRL SH-STHMRL | 8 | 16 | − | 30 | 11 | 3.5 | − | 20 | 4.5 | 8 | 1.5 | 9.5 | 5 | 5 | 5.5 | 9 |
| 10 | 17 | − | 34 | 4.5 | − | 22 | 5.5 | 9.5 | 10 | 6 | |||||||
| 12 | 25 | 36 | 12.5 | 25 | 12 | ||||||||||||
| 15 | 28 | 38 | 15.5 | 26 | 13 | ||||||||||||
| 16 | 22 | 30 | 39 | 14 | 6 | 14 | 28 | 2 | 13.5 | 7 | 6 | 6.6 | 12 | ||||
| 20 | 34 | 49 | 18 | 35 | 6.6 | 11 | 16 | 8 | |||||||||
| 25 | 38 | 54 | 22 | 40 | 19 | ||||||||||||
| 30 | 24 | 40 | 59 | 8 | 24 | 45 | 22 | ||||||||||
| D | 外径(H) | ||
| (内径) | コンパクト型 | ブラケット型スリットタイプこちら | 差 |
| 例)SL-STHMR・ SL-STHMRL | 例)STHWR・ STHWRL | ||
| 8 | 30 | 39 | -9 |
| 10 | 34 | 49 | -15 |
| 12 | 36 | 52 | -16 |
| 15 | 38 | 56 | -18 |
| 16 | 39 | 56 | -17 |
| 20 | 49 | 64 | -15 |
| 25 | 54 | 69 | -15 |
| 30 | 59 | 79 | -20 |
洗浄工程| ※材質がステンレスの場合、アルカリ系温水洗浄となることがあります。 | |
| ・脱脂洗浄(型式:SL-□□) | ※表面処理が低温黒色クロムメッキの場合、IPA洗浄となります。 |
作業環境:一般環境 | ||||||
|---|---|---|---|---|---|---|
![]() 炭化水素系洗浄※ Ro水洗浄 中性洗剤洗浄 | ![]() | ![]() 高圧ジェット水洗(Ro水) 後に純水(10MΩ・cm)で 洗浄 | ![]() | ![]() エアブロー(オイルフリー) 使用 | ![]() | ![]() 防錆袋使用 |
| ・精密洗浄(型式:SH-□□) | ※表面処理が低温黒色クロムメッキの場合、IPA洗浄となります。 |
作業環境:クラス1000 | 作業環境:クラス10 | |||||||
|---|---|---|---|---|---|---|---|---|
![]() 炭化水素系洗浄※ Ro水洗浄 中性洗剤洗浄 | ![]() | ![]() 高圧ジェット水洗(Ro水) 後に純水(10MΩ・cm)で 洗浄 | ![]() | ![]() 温純水(13MΩ・cm)使用 | ![]() | ![]() 窒素ブロー使用 | ![]() | ![]() クリーンベンチ(クラス10) で実施 |
作業環境:クラス1000 | 作業環境:クラス10 | |||||||||
|---|---|---|---|---|---|---|---|---|---|---|
![]() 炭化水素系洗浄 Ro水洗浄 中性洗剤洗浄 | ![]() | ![]() 材質に応じた電解研磨槽 で電解研磨 | ![]() | ![]() 高圧ジェット水洗(Ro水) 後に純水(10MΩ・cm)で 洗浄 | ![]() | ![]() 温純水(13MΩ・cm)使用 | ![]() | ![]() 窒素ブロー使用 | ![]() | ![]() クリーンベンチ(クラス10) で実施 |
梱包例| 脱脂洗浄の場合 (TYPE型番:SL-□□) | 精密洗浄または電解研磨+精密洗浄の場合 | |
| (TYPE型番:SH-□□・SHD-□□) | ||
| オーステナイト系ステンレス・アルミ材質の場合 | 鉄・マルテンサイト系ステンレス材質の場合 | |
![]() | ![]() | ![]() |
| 一部商品・サイズによっては、 梱包形態が異なる場合がございます。 | [ ! ]1重目・2重目の梱包とも、脱気されております。 | [ ! ]防錆対策として乾燥剤を同封しております。 1梱包につき1つになります。 |
洗浄効果・利用推奨環境洗浄方法 | 商品型番 | 梱包形態 | 未洗浄品と比べた効果 | ご利用環境(目安) | 利用シーン・工程 |
|---|---|---|---|---|---|
| 脱脂洗浄 | SL-□□ | 防錆梱包 | 油分除去 | 一般環境 | 通常組立工程 |
| バッテリー組立後工程 | |||||
| 精密洗浄 | SH-□□ | 脱気2重梱包 | 油分除去 粉塵除去 | クリーン環境(クラス10~1,000) | バッテリー組立工程 |
| 液晶関連組立後工程 | |||||
| 車載カメラ組立工程 | |||||
| 電解研磨+精密洗浄 | SHD-□□ | 脱気2重梱包 | 油分除去 粉塵除去 アウトガス低減 | 真空環境 クリーン環境(クラス10~1,000) | 半導体前工程 |
| 液晶成膜工程 | |||||
| 有機EL前工程 |
| 型番 |
|---|
通常単価(税別)
(税込単価) | 通常出荷日 |
洗浄不要の場合の代替品
|
|---|
- ( - ) | 3日目 |
|
- ( - ) | 3日目 |
|
- ( - ) | 3日目 |
|
- ( - ) | 3日目 |
|
- ( - ) | 3日目 |
|
- ( - ) | 3日目 |
|
- ( - ) | 3日目 |
|
- ( - ) | 3日目 |
|
- ( - ) | 3日目 |
|
- ( - ) | 3日目 |
|
- ( - ) | 3日目 |
|
- ( - ) | 3日目 |
|
- ( - ) | 3日目 |
|
- ( - ) | 3日目 |
|
- ( - ) | 3日目 |
|
- ( - ) | 3日目 |
|
- ( - ) | 3日目 |
|
- ( - ) | 3日目 |
|
- ( - ) | 3日目 |
|
- ( - ) | 3日目 |
|
- ( - ) | 3日目 |
|
- ( - ) | 3日目 |
|
- ( - ) | 6日目 |
|
- ( - ) | 6日目 |
|
- ( - ) | 6日目 |
|
- ( - ) | 6日目 |
|
- ( - ) | 6日目 |
|
- ( - ) | 3日目 |
|
- ( - ) | 3日目 |
|
- ( - ) | 3日目 |
|
- ( - ) | 3日目 |
|
- ( - ) | 3日目 |
|
- ( - ) | 3日目 |
|
- ( - ) | 6日目 |
|
- ( - ) | 6日目 |
|
- ( - ) | 6日目 |
|
- ( - ) | 3日目 |
|
- ( - ) | 3日目 |
|
- ( - ) | 3日目 |
|
- ( - ) | 3日目 |
|
- ( - ) | 3日目 |
|
- ( - ) | 3日目 |
|
- ( - ) | 3日目 |
|
- ( - ) | 3日目 |
|
- ( - ) | 3日目 |
|
- ( - ) | 3日目 |
|
- ( - ) | 3日目 |
|
- ( - ) | 3日目 |
|
- ( - ) | 3日目 |
|
- ( - ) | 3日目 |
|
- ( - ) | 3日目 |
|
- ( - ) | 3日目 |
|
- ( - ) | 3日目 |
|
- ( - ) | 3日目 |
|
- ( - ) | 3日目 |
|
- ( - ) | 3日目 |
|
- ( - ) | 3日目 |
|
- ( - ) | 3日目 |
|
- ( - ) | 3日目 |
|
- ( - ) | 3日目 |
| ・脱脂洗浄(防錆1重梱包) | :型番SL-□□ |
| ・精密洗浄(脱気2重梱包) | :型番SH-□□ |
| ・電解研磨+精密洗浄(脱気2重梱包) | :型番SHD-□□ |
| 商品型番 | 洗浄方法 | 梱包形態 | 未洗浄品と比べた効果 | ご利用環境(目安) | 工程別 |
| SL-□□ | 脱脂洗浄 | 防錆梱包 | 油分除去 | 一般環境 | 通常組立工程 |
| バッテリー組立後工程 | |||||
| SH-□□ | 精密洗浄 | 脱気2重梱包 | 油分除去 粉塵除去 | クリーン環境(クラス10~1,000) | バッテリー組立工程 |
| 液晶関連組立後工程 | |||||
| 車載カメラ組立工程 | |||||
| SHD-□□ | 電解研磨+精密洗浄 | 脱気2重梱包 | 油分除去 粉塵除去 アウトガス低減 | 真空環境 クリーン環境(クラス10~1,000) | 半導体前工程 |
| 液晶成膜工程 | |||||
| 有機EL前工程 |
| D | ¥基準単価 | |||||||||
| コンパクトスタンダード | コンパクトガイドロング | |||||||||
| SL−SSTHMR | SH−SSTHMR | SHD−SSTHMR | SL−STHMR | SH−STHMR | SL−SSTHMRL | SH−SSTHMRL | SHD−SSTHMRL | SL−STHMRL | SH−STHMRL | |
| 8 | 3,110 | 3,710 | 4,070 | 2,780 | 3,380 | − | − | − | 3,230 | 3,830 |
| 10 | 3,490 | 4,090 | 4,450 | 2,960 | 3,560 | − | − | − | 3,410 | 4,010 |
| 12 | 3,890 | 4,490 | 4,850 | 3,170 | 3,770 | 4,830 | 5,430 | 5,790 | 3,590 | 4,190 |
| 15 | 4,200 | 4,800 | 5,160 | 3,280 | 3,880 | 5,210 | 5,810 | 6,170 | 3,760 | 4,360 |
| 16 | 4,390 | 4,990 | 5,350 | 3,340 | 3,940 | 5,460 | 6,060 | 6,420 | 3,870 | 4,470 |
| 20 | 5,040 | 5,640 | 6,000 | 3,660 | 4,260 | 6,560 | 7,160 | 7,520 | 4,250 | 4,850 |
| 25 | 5,930 | 6,530 | 6,890 | 3,870 | 4,470 | 7,690 | 8,290 | 8,650 | 4,580 | 5,180 |
| 30 | 6,720 | 7,320 | 7,680 | 4,120 | 4,720 | 8,890 | 9,490 | 9,850 | 4,900 | 5,500 |
通常価格、通常出荷日が表示と異なる場合がございます
通常価格、通常出荷日が表示と異なる場合がございます

ミスミ
シャフトホルダ -フランジ型(鋳造品) スリット・スタンダードタイプ-
4.5通常価格(税別):900円~

ミスミ
シャフトホルダ -T型(鋳造品) スリット・スタンダードタイプ-
4.3通常価格(税別):760円~

ミスミ
シャフトホルダ -ブラケット型スタンダードタイプ- -取付穴キリ穴/取付穴タップ穴-
4.6通常価格(税別):860円~

ミスミ
シャフトホルダ -フランジ型(鋳造品) スリット・ガイドロングタイプ-
4.8通常価格(税別):1,630円~

ミスミ
シャフトホルダ -ブラケット型スリットタイプ- -スタンダードタイプ-
4.5通常価格(税別):1,650円~

ミスミ
シャフトホルダ -T型(機械加工品) スリットタイプ-
4.6通常価格(税別):1,190円~

ミスミ
シャフトホルダ -T型(機械加工品) スリット・肉厚タイプ-
4.1通常価格(税別):2,610円~

ミスミ
シャフトホルダ -ブラケット型ホールド部肉厚タイプ- -ガイドロングタイプ-
4.6通常価格(税別):1,500円~

ミスミ
シャフトホルダ -ブラケット型スリットタイプ- -ガイドロングタイプ-
4.4通常価格(税別):2,220円~