メカニカル部品技術窓口
ミスミ品のみ対象

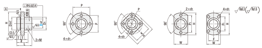
■丸フランジ
■角フランジ
■二面フランジ
D6~15
D16~50

| 丸フランジ | 角フランジ | 二面フランジ | [ M ] 材質 | [ S ]表面処理 | 洗浄方法 | |||
| 洗浄方法 | 洗浄環境 | 梱包形態 | 梱包環境 | |||||
| SL-SSTHIR | SL-SSTHIS | SL-SSTHIC | SUS304 | - | 脱脂洗浄 | 一般環境 | 防錆梱包 | 一般環境 |
| SH-SSTHIR | SH-SSTHIS | SH-SSTHIC | 精密洗浄 | クラス1000 | 脱気2重梱包 | クラス10 | ||
| SHD-SSTHIR | SHD-SSTHIS | SHD-SSTHIC | 電解研磨+精密洗浄 | |||||
| SL-STHIR | SL-STHIS | SL-STHIC | 一般構造用鋼 | 無電解ニッケルメッキ | 脱脂洗浄 | 一般環境 | 防錆梱包 | 一般環境 |
| SH-STHIR | SH-STHIS | SH-STHIC | 精密洗浄 | クラス1000 | 脱気2重梱包 | クラス10 | ||
詳細図を記載しておりますので、ご確認ください。| 型式 |
| SL-SSTHIR20 |
| 型式 | ホールド部 肉厚(N) | L | D1 | H | T | ℓ | M (並目) | P | K | W | P1 | F | d1 | ||||
| Type | DH7 | ||||||||||||||||
| 丸フランジ SL-SSTHIR SH-SSTHIR SHD-SSTHIR SL-STHIR SH-STHIR | 角フランジ SL-SSTHIS SH-SSTHIS SHD-SSTHIS SL-STHIS SH-STHIS | 二面フランジ SL-SSTHIC SH-SSTHIC SHD-SSTHIC SL-STHIC SH-STHIC | 6 | +0.012 0 | 3 | 15 | 12 | 28 | 3.5 | 11 | M3 | 20 | 22 | 12 | 20 | − | 3.5 |
| 8 | +0.015 0 | 2 | 18 | 5 | 14 | 16 | |||||||||||
| 8M | M4 | 4.5 | |||||||||||||||
| 10 | 20 | 14 | 30 | 15 | M3 | 22 | 23 | 18 | 22 | 3.5 | |||||||
| 10M | M4 | 4.5 | |||||||||||||||
| 12 | +0.018 0 | 24 | 16 | 36 | 6 | 18 | M4 | 26 | 28 | 20 | 26 | 4.5 | |||||
| 15 | 2.5 | 30 | 20 | 40 | 21 | 30 | 32 | 24 | 30 | ||||||||
| 16 | 3 | 32 | 22 | 42 | 22 | 32 | 33 | 26 | 28 | 16 | |||||||
| 20 | +0.021 0 | 4 | 32 | 28 | 50 | 8 | 24 | M5 | 39 | 39 | 32 | 31 | 22 | 5.5 | |||
| 25 | 38 | 33 | 55 | 27 | 44 | 44 | 37 | 36 | 24 | ||||||||
| 30 | 38 | 66 | 10 | 29 | M6 | 52 | 52 | 42 | 41 | 27 | 6.6 | ||||||
| 35 | +0.025 0 | 5 | 50 | 45 | 80 | 32 | 65 | 65 | 55 | 56 | 33 | 9 | |||||
| 40 | 10 | 60 | 90 | 35 | 75 | 75 | 65 | 65 | 38 | ||||||||
| 50 | 70 | 100 | 38 | 85 | 90 | 75 | 74 | 43 | |||||||||
| D | ¥基準単価 | ||||||||||||||
| 丸フランジ | 角フランジ | 二面フランジ | |||||||||||||
| SL-SSTHIR | SH-SSTHIR | SHD-SSTHIR | SL-STHIR | SH-STHIR | SL-SSTHIS | SH-SSTHIS | SHD-SSTHIS | SL-STHIS | SH-STHIS | SL-SSTHIC | SH-SSTHIC | SHD-SSTHIC | SL-STHIC | SH-STHIC | |
| 6 | 2,590 | 3,190 | 3,550 | 2,170 | 2,770 | 3,200 | 3,800 | 4,160 | 2,620 | 3,220 | 2,780 | 3,380 | 3,740 | 2,530 | 3,130 |
| 8 | 2,610 | 3,210 | 3,570 | 2,210 | 2,810 | 3,310 | 3,910 | 4,270 | 2,690 | 3,290 | 2,870 | 3,470 | 3,830 | 2,600 | 3,200 |
| 8M | |||||||||||||||
| 10 | 2,750 | 3,350 | 3,710 | 2,270 | 2,870 | 3,410 | 4,010 | 4,370 | 2,800 | 3,400 | 2,920 | 3,520 | 3,880 | 2,630 | 3,230 |
| 10M | |||||||||||||||
| 12 | 3,050 | 3,650 | 4,010 | 2,530 | 3,130 | 3,520 | 4,120 | 4,480 | 2,930 | 3,530 | 3,140 | 3,740 | 4,100 | 2,800 | 3,400 |
| 15 | 3,770 | 4,370 | 4,730 | 2,690 | 3,290 | 4,190 | 4,790 | 5,150 | 3,200 | 3,800 | 3,990 | 4,590 | 4,950 | 3,050 | 3,650 |
| 16 | 3,910 | 4,510 | 4,870 | 2,750 | 3,350 | 4,350 | 4,950 | 5,310 | 3,220 | 3,820 | 4,150 | 4,750 | 5,110 | 3,150 | 3,750 |
| 20 | 5,170 | 5,770 | 6,130 | 2,920 | 3,520 | 5,510 | 6,110 | 6,470 | 3,490 | 4,090 | 5,340 | 5,940 | 6,300 | 3,360 | 3,960 |
| 25 | 5,670 | 6,270 | 6,630 | 3,090 | 3,690 | 5,890 | 6,490 | 6,850 | 3,770 | 4,370 | 5,940 | 6,540 | 6,900 | 3,680 | 4,280 |
| 30 | 6,280 | 6,880 | 7,240 | 3,800 | 4,400 | 7,080 | 7,680 | 8,040 | 4,330 | 4,930 | 6,830 | 7,430 | 7,790 | 4,150 | 4,750 |
| 35 | − | − | − | 4,450 | 5,050 | − | − | − | 4,840 | 5,440 | − | − | − | 4,740 | 5,340 |
| 40 | 10,060 | 10,660 | 11,020 | 4,560 | 5,160 | 10,570 | 11,170 | 11,530 | 5,150 | 5,750 | 10,230 | 10,830 | 11,190 | 4,860 | 5,460 |
| 50 | − | − | − | 7,590 | 8,190 | − | − | − | 8,710 | 9,310 | − | − | − | 8,160 | 8,760 |
| 型式 | - | (MB) |
| SL-SSTHIR6 | - | MB |
| 9 | 日目出荷 |
| Alterations | 六角穴付止めねじ付属 | ||||||||||
| Code | MB | ||||||||||
| Spec. | 六角穴付止めねじを付属します。 外筒(D1)よりねじが飛び出す可能性があります。 [ ! ] 付属止めねじは2本となります。
| ||||||||||
| ¥/1Code | 無料 |
洗浄工程| ※材質がステンレスの場合、アルカリ系温水洗浄となることがあります。 | |
| ・脱脂洗浄(型式:SL-□□) | ※表面処理が低温黒色クロムメッキの場合、IPA洗浄となります。 |
作業環境:一般環境 | ||||||
|---|---|---|---|---|---|---|
![]() 炭化水素系洗浄※ Ro水洗浄 中性洗剤洗浄 | ![]() | ![]() 高圧ジェット水洗(Ro水) 後に純水(10MΩ・cm)で 洗浄 | ![]() | ![]() エアブロー(オイルフリー) 使用 | ![]() | ![]() 防錆袋使用 |
| ・精密洗浄(型式:SH-□□) | ※表面処理が低温黒色クロムメッキの場合、IPA洗浄となります。 |
作業環境:クラス1000 | 作業環境:クラス10 | |||||||
|---|---|---|---|---|---|---|---|---|
![]() 炭化水素系洗浄※ Ro水洗浄 中性洗剤洗浄 | ![]() | ![]() 高圧ジェット水洗(Ro水) 後に純水(10MΩ・cm)で 洗浄 | ![]() | ![]() 温純水(13MΩ・cm)使用 | ![]() | ![]() 窒素ブロー使用 | ![]() | ![]() クリーンベンチ(クラス10) で実施 |
作業環境:クラス1000 | 作業環境:クラス10 | |||||||||
|---|---|---|---|---|---|---|---|---|---|---|
![]() 炭化水素系洗浄 Ro水洗浄 中性洗剤洗浄 | ![]() | ![]() 材質に応じた電解研磨槽 で電解研磨 | ![]() | ![]() 高圧ジェット水洗(Ro水) 後に純水(10MΩ・cm)で 洗浄 | ![]() | ![]() 温純水(13MΩ・cm)使用 | ![]() | ![]() 窒素ブロー使用 | ![]() | ![]() クリーンベンチ(クラス10) で実施 |
梱包例| 脱脂洗浄の場合 (TYPE型番:SL-□□) | 精密洗浄または電解研磨+精密洗浄の場合 | |
| (TYPE型番:SH-□□・SHD-□□) | ||
| オーステナイト系ステンレス・アルミ材質の場合 | 鉄・マルテンサイト系ステンレス材質の場合 | |
![]() | ![]() | ![]() |
| 一部商品・サイズによっては、 梱包形態が異なる場合がございます。 | [ ! ]1重目・2重目の梱包とも、脱気されております。 | [ ! ]防錆対策として乾燥剤を同封しております。 1梱包につき1つになります。 |
洗浄効果・利用推奨環境洗浄方法 | 商品型番 | 梱包形態 | 未洗浄品と比べた効果 | ご利用環境(目安) | 利用シーン・工程 |
|---|---|---|---|---|---|
| 脱脂洗浄 | SL-□□ | 防錆梱包 | 油分除去 | 一般環境 | 通常組立工程 |
| バッテリー組立後工程 | |||||
| 精密洗浄 | SH-□□ | 脱気2重梱包 | 油分除去 粉塵除去 | クリーン環境(クラス10~1,000) | バッテリー組立工程 |
| 液晶関連組立後工程 | |||||
| 車載カメラ組立工程 | |||||
| 電解研磨+精密洗浄 | SHD-□□ | 脱気2重梱包 | 油分除去 粉塵除去 アウトガス低減 | 真空環境 クリーン環境(クラス10~1,000) | 半導体前工程 |
| 液晶成膜工程 | |||||
| 有機EL前工程 |
| 型番 |
|---|
通常単価(税別)
(税込単価) | 通常出荷日 |
洗浄不要の場合の代替品
|
|---|
- ( - ) | 6日目 |
|
- ( - ) | 6日目 |
|
- ( - ) | 6日目 |
|
- ( - ) | 6日目 |
|
- ( - ) | 6日目 |
|
- ( - ) | 6日目 |
|
- ( - ) | 6日目 |
|
- ( - ) | 6日目 |
|
- ( - ) | 6日目 |
|
- ( - ) | 6日目 |
|
- ( - ) | 6日目 |
|
- ( - ) | 6日目 |
|
- ( - ) | 6日目 |
|
- ( - ) | 6日目 |
|
- ( - ) | 6日目 |
|
- ( - ) | 6日目 |
|
- ( - ) | 6日目 |
|
- ( - ) | 6日目 |
|
- ( - ) | 6日目 |
|
- ( - ) | 6日目 |
|
- ( - ) | 6日目 |
|
- ( - ) | 6日目 |
|
- ( - ) | 6日目 |
|
- ( - ) | 6日目 |
|
- ( - ) | 3日目 |
|
- ( - ) | 6日目 |
|
- ( - ) | 3日目 |
|
- ( - ) | 6日目 |
|
- ( - ) | 3日目 |
|
- ( - ) | 6日目 |
|
- ( - ) | 3日目 |
|
- ( - ) | 6日目 |
|
- ( - ) | 3日目 |
|
- ( - ) | 6日目 |
|
- ( - ) | 3日目 |
|
- ( - ) | 6日目 |
|
- ( - ) | 3日目 |
|
- ( - ) | 6日目 |
|
- ( - ) | 3日目 |
|
- ( - ) | 6日目 |
|
- ( - ) | 3日目 |
|
- ( - ) | 6日目 |
|
- ( - ) | 3日目 |
|
- ( - ) | 6日目 |
|
- ( - ) | 3日目 |
|
- ( - ) | 6日目 |
|
- ( - ) | 3日目 |
|
- ( - ) | 6日目 |
|
- ( - ) | 6日目 |
|
- ( - ) | 6日目 |
|
- ( - ) | 6日目 |
|
- ( - ) | 6日目 |
|
- ( - ) | 6日目 |
|
- ( - ) | 6日目 |
|
- ( - ) | 6日目 |
|
- ( - ) | 6日目 |
|
- ( - ) | 6日目 |
|
- ( - ) | 6日目 |
|
- ( - ) | 6日目 |
|
- ( - ) | 6日目 |
| ・脱脂洗浄(防錆1重梱包) | :型番SL-□□ |
| ・精密洗浄(脱気2重梱包) | :型番SH-□□ |
| ・電解研磨+精密洗浄(脱気2重梱包) | :型番SHD-□□ |
| 商品型番 | 洗浄方法 | 梱包形態 | 未洗浄品と比べた効果 | ご利用環境(目安) | 工程別 |
| SL-□□ | 脱脂洗浄 | 防錆梱包 | 油分除去 | 一般環境 | 通常組立工程 |
| バッテリー組立後工程 | |||||
| SH-□□ | 精密洗浄 | 脱気2重梱包 | 油分除去 粉塵除去 | クリーン環境(クラス10~1,000) | バッテリー組立工程 |
| 液晶関連組立後工程 | |||||
| 車載カメラ組立工程 | |||||
| SHD-□□ | 電解研磨+精密洗浄 | 脱気2重梱包 | 油分除去 粉塵除去 アウトガス低減 | 真空環境 クリーン環境(クラス10~1,000) | 半導体前工程 |
| 液晶成膜工程 | |||||
| 有機EL前工程 |