メカニカル部品技術窓口
ミスミ品のみ対象


| ノック穴無し | ノック穴付 | [ M ]材質 | [ S ]表面処理 | [ A ]付属品 | 洗浄方法 | ||||
| 高さH選択 | 高さH指定 | 高さH選択 | 洗浄方法 | 洗浄環境 | 梱包形態 | 梱包環境 | |||
| SL-SHSTS | SL-SHSTSH | SL-SHSTSK | SUS304 | - | 六角穴付ボルト1本 (SUS) | 脱脂洗浄 | 一般環境 | 防錆梱包 | 一般環境 |
| SH-SHSTS | SH-SHSTSH | SH-SHSTSK | 精密洗浄 | クラス1000 | 脱気2重梱包 | クラス10 | |||
| SHD-SHSTS | SHD-SHSTSH | SHD-SHSTSK | 電解研磨+精密洗浄 | ||||||
| SL-SHSTA | SL-SHSTAH | - | アルミ合金 | 白アルマイト | 脱脂洗浄 | 一般環境 | 防錆梱包 | 一般環境 | |
| SH-SHSTA | SH-SHSTAH | - | 精密洗浄 | クラス1000 | 脱気2重梱包 | クラス10 | |||
| SL-SHSTD | SL-SHSTDH | - | 黒アルマイト | 六角穴付ボルト1本 | 脱脂洗浄 | 一般環境 | 防錆梱包 | 一般環境 | |
| SH-SHSTD | SH-SHSTDH | - | 精密洗浄 | クラス1000 | 脱気2重梱包 | クラス10 | |||
| SL-SHSTM | SL-SHSTMH | SL-SHSTMK | S45C相当 | 無電解ニッケルメッキ | 六角穴付ボルト1本 (SUS) | 脱脂洗浄 | 一般環境 | 防錆梱包 | 一般環境 |
| SH-SHSTM | SH-SHSTMH | SH-SHSTMK | 精密洗浄 | クラス1000 | 脱気2重梱包 | クラス10 | |||
詳細図を記載しておりますので、ご確認ください。| 型式 | − | H |
| SL-SHSTS8 SH-SHSTSH8 SHD-SHSTSK20 | − − − | 25 25.6 30 |
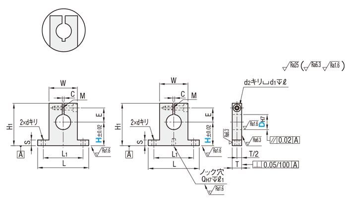
| 型式 | H | L | H1 | T | S | W | L1 | d | E | 締付ボルト M | d2 | d1 | ℓ | C | Q | ℓ1 | |||
| Type | D | 高さH選択タイプ | 高さH指定タイプ 0.1mm単位 | ||||||||||||||||
| ノック穴無し | 3 | 10 15 20 | 10.0〜30.0 | 26 | H+11 | 8 | 4 | 10 | 18 | 3.5 | 7 | M3貫通 | 3.5 | 6.5 | 3.5 | 1.5 | − | − | |
| 高さH選択 | 高さH指定 | 4 | |||||||||||||||||
| SL-SHSTS SH-SHSTS SHD-SHSTS SL-SHSTA SH-SHSTA SL-SHSTD SH-SHSTD SL-SHSTM SH-SHSTM | SL-SHSTSH SH-SHSTSH SHD-SHSTSH SL-SHSTAH SH-SHSTAH SL-SHSTDH SH-SHSTDH SL-SHSTMH SH-SHSTMH | 5 | 10 15 20 25 | 10.0〜35.0 | H+12 | 8 | |||||||||||||
| 6 | |||||||||||||||||||
| 8 | (10) 15 20 25 30 40 | 10.0〜50.0 | 42 | H+16 | 10 | 6 | 18 | 30 | 4.5 | 11 | M4貫通 | 4.5 | 8 | 4.5 | 2 | 4 | 5 | ||
| 10 | (10) 15 20 25 30 | 10.0〜50.0 | |||||||||||||||||
| 12 | H+18 | 13 | |||||||||||||||||
| 13 | (15) 20 25 30 | 15.0〜50.0 | |||||||||||||||||
| 15 | 54 | H+20 | 30 | 42 | 15 | M4深8 | |||||||||||||
| 16 | (15) 20 25 30 40 | ||||||||||||||||||
| 18 | 20 25 30 40 50 60 | 20.0〜60.0 | 67 | H+26 | 16 | 8 | 35 | 50 | 6.6 | 18 | M6貫通 | 6.6 | 11 | 6.5 | 5 | 7 | |||
| ノック穴付(8≦D≦50) | 20 | ||||||||||||||||||
| SL-SHSTSK SH-SHSTSK SHD-SHSTSK SL-SHSTMK SH-SHSTMK | 25 | (20) 25 30 40 50 60 | 20.0〜60.0 | H+28 | 21 | ||||||||||||||
| 30 | 25 30 40 50 60 | 25.0〜60.0 | 85 | H+33 | 20 | 10 | 45 | 65 | 9 | 24 | M8深16 | 9 | 14 | 9 | 3 | ||||
| 35 | (25) 30 40 50 60 | 25.0〜60.0 | H+36 | 27 | |||||||||||||||
| 40 | 30 40 50 60 80 | 30.0〜80.0 | 100 | H+38 | 60 | 80 | 29 | ||||||||||||
| 50 | 40 50 60 80 | 40.0〜80.0 | 125 | H+51 | 25 | 15 | 75 | 100 | 14 | 38 | M12深24 | 14 | 20 | 13 | |||||
| D | ¥基準単価 | ||||||||
| ノック穴無し | |||||||||
| 高さH選択タイプ | |||||||||
| SL-SHSTS | SH-SHSTS | SHD-SHSTS | SL-SHSTA | SH-SHSTA | SL-SHSTD | SH-SHSTD | SL-SHSTM | SH-SHSTM | |
| 3 | 3,590 | 4,190 | 4,550 | 2,360 | 2,960 | 2,520 | 3,120 | 2,390 | 2,990 |
| 4 | 3,590 | 4,190 | 4,550 | 2,360 | 2,960 | 2,930 | 3,530 | 2,390 | 2,990 |
| 5 | 3,660 | 4,260 | 4,620 | 2,360 | 2,960 | 3,330 | 3,930 | 2,390 | 2,990 |
| 6 | 3,660 | 4,260 | 4,620 | 2,360 | 2,960 | 3,710 | 4,310 | 2,390 | 2,990 |
| 8 | 4,580 | 5,180 | 5,540 | 2,430 | 3,030 | 4,120 | 4,720 | 2,430 | 3,030 |
| 10 | 4,580 | 5,180 | 5,540 | 2,480 | 3,080 | 4,520 | 5,120 | 2,480 | 3,080 |
| 12 | 4,940 | 5,540 | 5,900 | 2,520 | 3,120 | 4,910 | 5,510 | 2,480 | 3,080 |
| 13 | 4,940 | 5,540 | 5,900 | 2,570 | 3,170 | 5,320 | 5,920 | 2,520 | 3,120 |
| 15 | 5,260 | 5,860 | 6,220 | 2,730 | 3,330 | 5,700 | 6,300 | 2,730 | 3,330 |
| 16 | 5,260 | 5,860 | 6,220 | 2,730 | 3,330 | 5,700 | 6,300 | 2,730 | 3,330 |
| 18 | 6,680 | 7,280 | 7,640 | 3,070 | 3,670 | 6,110 | 6,710 | 3,330 | 3,930 |
| 20 | 6,680 | 7,280 | 7,640 | 3,070 | 3,670 | 6,110 | 6,710 | 2,730 | 3,330 |
| 25 | 6,830 | 7,430 | 7,790 | 3,330 | 3,930 | 6,510 | 7,110 | 3,500 | 4,100 |
| 30 | 7,840 | 8,440 | 8,800 | 3,840 | 4,440 | 6,910 | 7,510 | 4,000 | 4,600 |
| 35 | 8,410 | 9,010 | 9,370 | 4,220 | 4,820 | 7,020 | 7,620 | 4,220 | 4,820 |
| 40 | 9,960 | 10,560 | 10,920 | 5,120 | 5,720 | 7,150 | 7,750 | 5,320 | 5,920 |
| 50 | 10,870 | 11,470 | 11,830 | 6,820 | 7,420 | 7,360 | 7,960 | 7,290 | 7,890 |
| D | ¥基準単価 | ||||||||
| ノック穴無し | |||||||||
| 高さH指定タイプ | |||||||||
| SL-SHSTSH | SH-SHSTSH | SHD-SHSTSH | SL-SHSTAH | SH-SHSTAH | SL-SHSTDH | SH-SHSTDH | SL-SHSTMH | SH-SHSTMH | |
| 3 | 5,720 | 6,320 | 6,680 | 3,550 | 4,150 | 3,700 | 4,300 | 3,560 | 4,160 |
| 4 | 5,720 | 6,320 | 6,680 | 3,550 | 4,150 | 4,460 | 5,060 | 3,560 | 4,160 |
| 5 | 5,840 | 6,440 | 6,800 | 3,550 | 4,150 | 5,210 | 5,810 | 3,560 | 4,160 |
| 6 | 5,840 | 6,440 | 6,800 | 3,550 | 4,150 | 5,950 | 6,550 | 3,560 | 4,160 |
| 8 | 7,590 | 8,190 | 8,550 | 3,720 | 4,320 | 6,710 | 7,310 | 3,720 | 4,320 |
| 10 | 7,590 | 8,190 | 8,550 | 3,800 | 4,400 | 7,460 | 8,060 | 3,800 | 4,400 |
| 12 | 8,260 | 8,860 | 9,220 | 3,900 | 4,500 | 8,190 | 8,790 | 3,800 | 4,400 |
| 13 | 8,260 | 8,860 | 9,220 | 3,980 | 4,580 | 8,970 | 9,570 | 3,900 | 4,500 |
| 15 | 8,880 | 9,480 | 9,840 | 4,330 | 4,930 | 9,720 | 10,320 | 4,330 | 4,930 |
| 16 | 8,880 | 9,480 | 9,840 | 4,330 | 4,930 | 9,720 | 10,320 | 4,330 | 4,930 |
| 18 | 11,550 | 12,150 | 12,510 | 5,020 | 5,620 | 10,470 | 11,070 | 5,550 | 6,150 |
| 20 | 11,550 | 12,150 | 12,510 | 5,020 | 5,620 | 10,470 | 11,070 | 5,550 | 6,150 |
| 25 | 11,830 | 12,430 | 12,790 | 5,550 | 6,150 | 11,230 | 11,830 | 5,890 | 6,490 |
| 30 | 13,740 | 14,340 | 14,700 | 6,590 | 7,190 | 11,980 | 12,580 | 6,930 | 7,530 |
| 35 | 14,820 | 15,420 | 15,780 | 7,360 | 7,960 | 12,180 | 12,780 | 7,360 | 7,960 |
| 40 | 17,760 | 18,360 | 18,720 | 9,190 | 9,790 | 12,450 | 13,050 | 9,620 | 10,220 |
| 50 | 19,460 | 20,060 | 20,420 | 12,660 | 13,260 | 12,830 | 13,430 | 14,040 | 14,640 |
| D | ¥基準単価 | ||||
| ノック穴付 | |||||
| 高さH選択タイプ | |||||
| SL-SHSTSK | SH-SHSTSK | SHD-SHSTSK | SL-SHSTMK | SH-SHSTMK | |
| 8 | 6,220 | 6,820 | 7,180 | 3,720 | 4,320 |
| 10 | 6,220 | 6,820 | 7,180 | 3,770 | 4,370 |
| 12 | 6,610 | 7,210 | 7,570 | 3,770 | 4,370 |
| 13 | 6,610 | 7,210 | 7,570 | 3,830 | 4,430 |
| 15 | 6,980 | 7,580 | 7,940 | 4,060 | 4,660 |
| 16 | 6,980 | 7,580 | 7,940 | 4,060 | 4,660 |
| 18 | 8,870 | 9,470 | 9,830 | 4,930 | 5,530 |
| 20 | 8,870 | 9,470 | 9,830 | 4,930 | 5,530 |
| 25 | 9,020 | 9,620 | 9,980 | 5,120 | 5,720 |
| 30 | 10,150 | 10,750 | 11,110 | 5,680 | 6,280 |
| 35 | 10,790 | 11,390 | 11,750 | 6,500 | 7,100 |
| 40 | 12,510 | 13,110 | 13,470 | 7,140 | 7,740 |
| 50 | 13,520 | 14,120 | 14,480 | 9,330 | 9,930 |
洗浄工程| ※材質がステンレスの場合、アルカリ系温水洗浄となることがあります。 | |
| ・脱脂洗浄(型式:SL-□□) | ※表面処理が低温黒色クロムメッキの場合、IPA洗浄となります。 |
作業環境:一般環境 | ||||||
|---|---|---|---|---|---|---|
![]() 炭化水素系洗浄※ Ro水洗浄 中性洗剤洗浄 | ![]() | ![]() 高圧ジェット水洗(Ro水) 後に純水(10MΩ・cm)で 洗浄 | ![]() | ![]() エアブロー(オイルフリー) 使用 | ![]() | ![]() 防錆袋使用 |
| ・精密洗浄(型式:SH-□□) | ※表面処理が低温黒色クロムメッキの場合、IPA洗浄となります。 |
作業環境:クラス1000 | 作業環境:クラス10 | |||||||
|---|---|---|---|---|---|---|---|---|
![]() 炭化水素系洗浄※ Ro水洗浄 中性洗剤洗浄 | ![]() | ![]() 高圧ジェット水洗(Ro水) 後に純水(10MΩ・cm)で 洗浄 | ![]() | ![]() 温純水(13MΩ・cm)使用 | ![]() | ![]() 窒素ブロー使用 | ![]() | ![]() クリーンベンチ(クラス10) で実施 |
作業環境:クラス1000 | 作業環境:クラス10 | |||||||||
|---|---|---|---|---|---|---|---|---|---|---|
![]() 炭化水素系洗浄 Ro水洗浄 中性洗剤洗浄 | ![]() | ![]() 材質に応じた電解研磨槽 で電解研磨 | ![]() | ![]() 高圧ジェット水洗(Ro水) 後に純水(10MΩ・cm)で 洗浄 | ![]() | ![]() 温純水(13MΩ・cm)使用 | ![]() | ![]() 窒素ブロー使用 | ![]() | ![]() クリーンベンチ(クラス10) で実施 |
梱包例| 脱脂洗浄の場合 (TYPE型番:SL-□□) | 精密洗浄または電解研磨+精密洗浄の場合 | |
| (TYPE型番:SH-□□・SHD-□□) | ||
| オーステナイト系ステンレス・アルミ材質の場合 | 鉄・マルテンサイト系ステンレス材質の場合 | |
![]() | ![]() | ![]() |
| 一部商品・サイズによっては、 梱包形態が異なる場合がございます。 | [ ! ]1重目・2重目の梱包とも、脱気されております。 | [ ! ]防錆対策として乾燥剤を同封しております。 1梱包につき1つになります。 |
洗浄効果・利用推奨環境洗浄方法 | 商品型番 | 梱包形態 | 未洗浄品と比べた効果 | ご利用環境(目安) | 利用シーン・工程 |
|---|---|---|---|---|---|
| 脱脂洗浄 | SL-□□ | 防錆梱包 | 油分除去 | 一般環境 | 通常組立工程 |
| バッテリー組立後工程 | |||||
| 精密洗浄 | SH-□□ | 脱気2重梱包 | 油分除去 粉塵除去 | クリーン環境(クラス10~1,000) | バッテリー組立工程 |
| 液晶関連組立後工程 | |||||
| 車載カメラ組立工程 | |||||
| 電解研磨+精密洗浄 | SHD-□□ | 脱気2重梱包 | 油分除去 粉塵除去 アウトガス低減 | 真空環境 クリーン環境(クラス10~1,000) | 半導体前工程 |
| 液晶成膜工程 | |||||
| 有機EL前工程 |
| 型番 |
|---|
通常単価(税別)
(税込単価) | 通常出荷日 |
洗浄不要の場合の代替品
|
|---|
- ( - ) | 6日目 |
|
- ( - ) | 6日目 |
|
- ( - ) | 6日目 |
|
- ( - ) | 6日目 |
|
- ( - ) | 6日目 |
|
- ( - ) | 6日目 |
|
- ( - ) | 6日目 |
|
- ( - ) | 6日目 |
|
- ( - ) | 6日目 |
|
- ( - ) | 6日目 |
|
- ( - ) | 6日目 |
|
- ( - ) | 6日目 |
|
- ( - ) | 6日目 |
|
- ( - ) | 6日目 |
|
- ( - ) | 6日目 |
|
- ( - ) | 6日目 |
|
- ( - ) | 6日目 |
|
- ( - ) | 6日目 |
|
- ( - ) | 6日目 |
|
- ( - ) | 6日目 |
|
- ( - ) | 6日目 |
|
- ( - ) | 6日目 |
|
- ( - ) | 6日目 |
|
- ( - ) | 6日目 |
|
- ( - ) | 6日目 |
|
- ( - ) | 6日目 |
|
- ( - ) | 6日目 |
|
- ( - ) | 6日目 |
|
- ( - ) | 6日目 |
|
- ( - ) | 6日目 |
|
- ( - ) | 6日目 |
|
- ( - ) | 6日目 |
|
- ( - ) | 6日目 |
|
- ( - ) | 6日目 |
|
- ( - ) | 6日目 |
|
- ( - ) | 6日目 |
|
- ( - ) | 6日目 |
|
- ( - ) | 6日目 |
|
- ( - ) | 6日目 |
|
- ( - ) | 6日目 |
|
- ( - ) | 6日目 |
|
- ( - ) | 6日目 |
|
- ( - ) | 6日目 |
|
- ( - ) | 6日目 |
|
- ( - ) | 6日目 |
|
- ( - ) | 6日目 |
|
- ( - ) | 6日目 |
|
- ( - ) | 6日目 |
|
- ( - ) | 6日目 |
|
- ( - ) | 6日目 |
|
- ( - ) | 6日目 |
|
- ( - ) | 6日目 |
|
- ( - ) | 6日目 |
|
- ( - ) | 6日目 |
|
- ( - ) | 6日目 |
|
- ( - ) | 6日目 |
|
- ( - ) | 6日目 |
|
- ( - ) | 6日目 |
|
- ( - ) | 6日目 |
|
- ( - ) | 6日目 |
| ・脱脂洗浄(防錆1重梱包) | :型番SL-□□ |
| ・精密洗浄(脱気2重梱包) | :型番SH-□□ |
| ・電解研磨+精密洗浄(脱気2重梱包) | :型番SHD-□□ |
| 商品型番 | 洗浄方法 | 梱包形態 | 未洗浄品と比べた効果 | ご利用環境(目安) | 工程別 |
| SL-□□ | 脱脂洗浄 | 防錆梱包 | 油分除去 | 一般環境 | 通常組立工程 |
| バッテリー組立後工程 | |||||
| SH-□□ | 精密洗浄 | 脱気2重梱包 | 油分除去 粉塵除去 | クリーン環境(クラス10~1,000) | バッテリー組立工程 |
| 液晶関連組立後工程 | |||||
| 車載カメラ組立工程 | |||||
| SHD-□□ | 電解研磨+精密洗浄 | 脱気2重梱包 | 油分除去 粉塵除去 アウトガス低減 | 真空環境 クリーン環境(クラス10~1,000) | 半導体前工程 |
| 液晶成膜工程 | |||||
| 有機EL前工程 |