メカニカル部品技術窓口
ミスミ品のみ対象


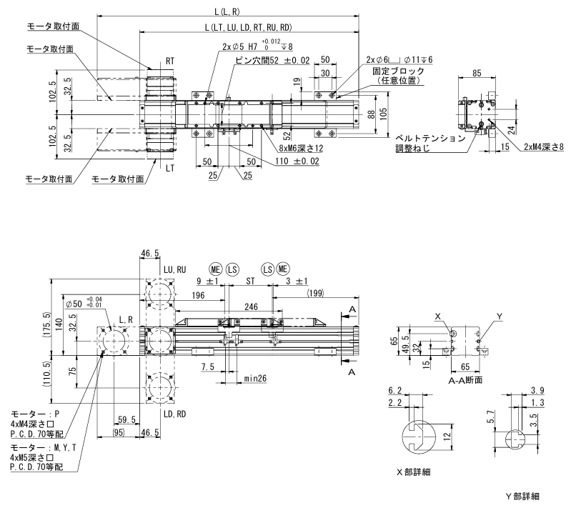
RT L,LU,LD R,RU,RD LT[ ! ]上記外形図のセンサ位置は、テールエンドから見た時の左側となります。
[ ! ]図の表記意味は以下の通りです。
ME:メカエンド、LS:リミットスイッチ、ST:ストローク
| 構成品 | 本体 | ガイドレール | タイミングベルト | タイミングプーリ | ステージ | カバー |
| [ M ] 材質 | アルミ合金 | 炭素鋼 | ゴム | S45C | アルミ合金 | アルミ合金 |
| [ S ] 表面処理 | アルマイト処理 | - | - | ニッケルメッキ | アルマイト処理 | アルマイト処理 |
| 注文例 | 型式(Type) | − | リード | − | ストローク | − | モータ位置 | − | モータブランド・出力 | − | センサ位置 |
| E-MUTB65 | − | L130 | − | 200 | − | L | − | P40 | − | C |
| Type | リード(mm) | ストローク (指定100mm単位) | モータ取付位置 | モータブランド | モータ出力 | センサ位置 | 繰返し位置決め 精度 (mm) | 減速比 | 最大可搬質量(kg) | 最高回転数 (mm/sec) | 定格 推力(N) | |
| 水平使用 | 垂直使用 | |||||||||||
| E-MUTB65 | 130 | 100~700 | L (モータ左折) R (モータ右折) LU (モータ左上折) RU (モータ右上折) LD (モータ左下折) RD (モータ右下折) LT (モータ直付左折) RT (モータ直付右折) | M (三菱) P (パナソニック) Y (安川) T (デルタ電子) | 40 (400W) | C (左取付) D (右取付) | ±0.1 | 3:1 | 30 | 9 | 2166 | 220 |
| 5:1 | 45 | 15 | 1300 | |||||||||
| 7:1 | 55 | 16 | 928 | |||||||||
| 10:1 | 60 | 17 | 650 | |||||||||
| Type | 項目 | モータ取付位置 | 有効ストローク | ||||||
| 100 | 200 | 300 | 400 | 500 | 600 | 700 | |||
| E-MUTB65 | L 全長(mm) | L・R | 439 | 539 | 639 | 739 | 839 | 939 | 1039 |
| LT・RT | 375 | 475 | 575 | 675 | 775 | 875 | 975 | ||
| LU・LD RU・RD | 377 | 477 | 577 | 677 | 777 | 877 | 977 | ||
| 質量(kg) | L・LU・LT・LD R・RU・RT・RD | 6.4 | 6.9 | 7.4 | 7.9 | 8.4 | 8.9 | 9.4 | |
| 駆動方式 | ベルト駆動 |
| 本体幅(mm) | 65 |
| 減速機構 | 無 |
| リード | 130 |
| 高剛性リニアガイド(mm) | W15xH13 |
| ベルト幅(mm) | 30 |
| 駆動電力(W) | 400 |
| 使用環境 | 通常環境 |
| 付属品 | 付属品名 | 型番 | 数量 |
| センサ(NPN) | C-MSX672N-2M | 3 | |
| タイミングプーリ | 5GT-25歯 | 2 | |
| タイミングベルト | 340-5GT-25 | 1 |
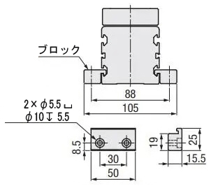
■モジュール固定方法
各ストローク付属ブロック数
| 有効ストローク | 数量 |
| 100~500 | 4 |
| 600~700 | 6 |

| 型番 | ¥基準単価 | ||||||||
| Type | リード | モータ位置 | ストローク | ||||||
| 100 | 200 | 300 | 400 | 500 | 600 | 700 | |||
| E-MUTB65 | L130 | L | 68,530 | 73,480 | 78,380 | 83,330 | 88,280 | 93,230 | 98,130 |
| LU | |||||||||
| LD | |||||||||
| LT | |||||||||
| R | |||||||||
| RU | |||||||||
| RD | |||||||||
| RT | |||||||||


| ブランド | モータコード | ブレーキ有無 | モータ出力 | 電源電圧 | サーボモータ型番 | サーボドライバ型番 |
| 三菱 | M | ブレーキなし(水平使用) | 400W | 220V | HG-KR43J | MR-J4-40A |
| ブレーキあり(垂直使用) | HG-KR43BJ | |||||
| パナソニック | P | ブレーキなし(水平使用) | 400W | 220V | MSMF042L1U2M | MADLN25SE |
| ブレーキあり(垂直使用) | MSMF042L1V2M | |||||
| 安川 | Y | ブレーキなし(水平使用) | 400W | 220V | SGM7J-04AFC6S | SGD7S-2R8A00A002 |
| ブレーキあり(垂直使用) | SGM7J-04AFC6E | |||||
| デルタ | T | ブレーキなし(水平使用) | 400W | 220V | ECMA-C20604RS | ASD-B2-0421-B |
| ブレーキあり(垂直使用) | ECMA-C20604SS |

| 型番 |
|---|
通常単価(税別)
(税込単価) | 通常出荷日 |
|---|
- ( - ) | 19日目〜 |
- ( - ) | 19日目〜 |
- ( - ) | 19日目〜 |
- ( - ) | 19日目〜 |
本商品は本体のみですので、モータ、ドライバ、ケーブルは別途ご購入下さい。製品にはNPNセンサが3つ付属しており、取り付け方向のみご選択ください。
ミスミの低価格新ブランド【エコノミーシリーズ】順次商品拡大中!特集ページはこちら商品ラインナップ
通常価格、通常出荷日が表示と異なる場合がございます
通常価格、通常出荷日が表示と異なる場合がございます

ミスミ
一軸アクチュエータ LX カバータイプ
5
ミスミ
一軸アクチュエータ LX 折り返し カバータイプ
0
ミスミ
一軸アクチュエータ LS10 -ボールねじタイプ-
5通常価格(税別):31,300円~

ミスミ
リニアエンコーダ コンパクトタイプ
0
ミスミ
リニアモータアクチュエータ 8シリーズ 異物防止タイプ 重荷重 インクリメンタル・アブソリュート仕様
0通常価格(税別):91,400円~

ミスミ
一軸ユニット 転造ボールねじ/精密ボールねじタイプ 標準仕様
0
ミスミ
単軸ロボット コントローラEXRS-C21/C22用データ保存用バッテリ
0通常価格(税別):4,500円

SMC
ステップモータコントローラ JXCE1・91・P1・D1・L1・M1シリーズ
0通常価格(税別):458円~

SMC
コントローラ ステップデータ入力タイプ JXC51・61シリーズ
0通常価格(税別):7,121円~