メカニカル部品技術窓口
ミスミ品のみ対象


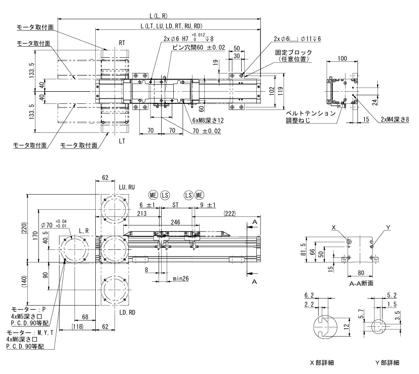
RT L,LU,LD R,RU,RD LT[ ! ]上記外形図のセンサ位置は、テールエンドから見た時の左側となります。
[ ! ]図の表記意味は以下の通りです。
ME:メカエンド、LS:リミットスイッチ、ST:ストローク
| 構成品 | 本体 | ガイドレール | タイミングベルト | タイミングプーリ | ステージ | カバー |
| [ M ] 材質 | アルミ合金 | 炭素鋼 | ゴム | S45C | アルミ合金 | アルミ合金 |
| [ S ] 表面処理 | アルマイト処理 | - | - | ニッケルメッキ | アルマイト処理 | アルマイト処理 |
| 注文例 | 型式(Type) | − | リード | − | ストローク | − | モータ位置 | − | モータブランド・出力 | − | センサ位置 |
| E-MUTB80 | − | L200 | − | 300 | − | L | − | P75 | − | C |
| Type | リード(mm) | ストローク (指定100mm単位) | モータ取付位置 | モータブランド | モータ出力 | センサ位置 | 繰返し位置決め 精度 (mm) | 減速比 | 最大可搬質量(kg) | 最高回転数(mm/sec) | 定格 推力(N) | |
| 水平使用 | 垂直使用 | |||||||||||
| E-MUTB80 | 200 | 100~600 | L (モータ左折) R (モータ右折) LU (モータ左上折) RU (モータ右上折) LD (モータ左下折) RD (モータ右下折) LT (モータ直付左折) RT (モータ直付右折) | M (三菱) P (パナソニック) Y (安川) T (デルタ電子) | 75 (750W) | C (左取付) D (右取付) | ±0.1 | 5:1 | 40 | 14 | 200 | 340 |
| 7:1 | 60 | 21 | 1428 | |||||||||
| 10:1 | 100 | 24 | 1000 | |||||||||
| Type | 項目 | モータ取付位置 | 有効ストローク | |||||
| 100 | 200 | 300 | 400 | 500 | 600 | |||
| E-MUTB80 | L 全長(mm) | L・R | 695 | 795 | 895 | 995 | 1095 | 1195 |
| LT・RT | 535 | 635 | 735 | 835 | 935 | 1035 | ||
| LU・LD RU・RD | 572 | 672 | 772 | 872 | 972 | 1072 | ||
| 質量(kg) | L・LU・LT・LD R・RU・RT・RD | 15.62 | 16.32 | 17.02 | 17.72 | 18.42 | 19.12 | |
| 駆動方式 | ベルト駆動 |
| 本体幅(mm) | 80 |
| 減速機構 | 無 |
| リード | 200 |
| 高剛性リニアガイド(mm) | W20xH15 |
| ベルト幅(mm) | 35 |
| 駆動電力(W) | 750 |
| 付属品 | 付属品名 | 型番 | 数量 |
| センサ(NPN) | C-MSX672N-2M | 3 | |
| タイミングプーリ | SGT-36歯 | 2 | |
| タイミングベルト | 440-SGT-25 | 1 |
■モジュール固定方法
各ストローク付属ブロック数
| 有効ストローク | 数量 |
| 100~500 | 4 |
| 600 | 6 |

| 型番 | ¥基準単価 | |||||||
| Type | リード | モータ位置 | ||||||
| 100 | 200 | 300 | 400 | 500 | 600 | |||
| E-MUTB80 | L200 | L | 74,980 | 79,760 | 84,590 | 89,420 | 94,250 | 99,030 |
| LU | ||||||||
| LD | ||||||||
| LT | ||||||||
| R | ||||||||
| RU | ||||||||
| RD | ||||||||
| RT | ||||||||


| ブランド | モータコード | ブレーキ有無 | モータ出力 | 電源電圧 | サーボモータ型番 | サーボドライバ型番 |
| 三菱 | M | ブレーキなし(水平使用) | 100W | 220V | HG-KR13J | MR-J4-10A |
| ブレーキあり(垂直使用) | HG-KR13BJ | |||||
| パナソニック | P | ブレーキなし(水平使用) | 100W | 220V | MSMF012L1U2M | MADLN05SE |
| ブレーキあり(垂直使用) | MSMF012L1V2M | |||||
| 安川 | Y | ブレーキなし(水平使用) | 100W | 220V | SGM7J-01AFC6S | SGD7S-R90A00A002 |
| ブレーキあり(垂直使用) | SGM7J-01AFC6E | |||||
| デルタ | T | ブレーキなし(水平使用) | 100W | 220V | ECMA-C20401FS | ASD-B2-0121-B |
| ブレーキあり(垂直使用) | ECMA-C20401GS |

| 型番 |
|---|
通常単価(税別)
(税込単価) | 通常出荷日 |
|---|
- ( - ) | 19日目〜 |
- ( - ) | 19日目〜 |
- ( - ) | 19日目〜 |
- ( - ) | 19日目〜 |
本商品は本体のみですので、モータ、ドライバ、ケーブルは別途ご購入下さい。製品にはNPNセンサが3つ付属しており、取り付け方向のみご選択ください。
ミスミの低価格新ブランド【エコノミーシリーズ】順次商品拡大中!特集ページはこちら商品ラインナップ
通常価格、通常出荷日が表示と異なる場合がございます
通常価格、通常出荷日が表示と異なる場合がございます

ミスミ
一軸アクチュエータ LX カバータイプ
5
ミスミ
一軸アクチュエータ LX 標準タイプ
0
ミスミ
一軸アクチュエータ LX 折り返し カバータイプ
0
ミスミ
一軸アクチュエータ LS10 -ボールねじタイプ-
5通常価格(税別):31,300円~

ミスミ
一軸アクチュエータ LS12 -ボールねじタイプ-
4.3通常価格(税別):33,800円~

ミスミ
一軸アクチュエータ LST10 -ベルトタイプ-
4.3通常価格(税別):40,200円~

ミスミ
一軸アクチュエータ LX30モータ付 標準/カバータイプ
0
ミスミ
【エコノミーシリーズ】 アクチュエータ KS60 標準タイプ
0
ミスミ
リニアモータアクチュエータ 6シリーズ 標準タイプ インクリメンタル・アブソリュート仕様
5通常価格(税別):72,200円~