メカニカル部品技術窓口
ミスミ品のみ対象



| 構成品 | 本体 | ガイドレール | タイミングベルト | タイミングプーリ | ステージ | カバー |
| [ M ] 材質 | アルミ合金 | 炭素鋼 | ゴム | S45C | アルミ合金 | アルミ合金 |
| [ S ] 表面処理 | アルマイト処理 | - | - | ニッケルメッキ | アルマイト処理 | アルマイト処理 |
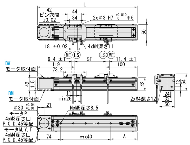
| 注文例 | 型式(Type) | − | リード | − | ストローク | − | モータ位置 | − | モータブランド・出力 | − | センサ位置 |
| E-MTB5 | − | L40 | − | 100 | − | BM | − | P10 | − | C |
| 型式 | リード(mm) | ストローク (指定50m単位) | モータ取付位置 | モータブランド | モータ出力 | センサ位置 | 繰返し位置決め 精度(mm) | 最大可搬質量(kg) | 最高速度(mm/sec) | 定格推力(N) | |
| Type | 水平使用 | 垂直使用 | |||||||||
| E-MTB5 | 40 | 100~800 | BW (モータ上折) BM (モータ下折) | M (三菱) P (パナソニック) Y (安川) T (デルタ電子) | 10 (100W) | C (左取付) D (右取付) | ±0.04 | 3 | - | 2000 | 42 |
| Type | 項目 | モータ取付位置 | 有効ストローク | ||||||||||||||
| 100 | 150 | 200 | 250 | 300 | 350 | 400 | 450 | 500 | 550 | 600 | 650 | 700 | 750 | 800 | |||
| E-MTB5 | L 全長(mm) | BM BW | 319 | 369 | 419 | 469 | 519 | 569 | 619 | 669 | 719 | 769 | 819 | 869 | 919 | 969 | 1019 |
| A 取付穴間隔(mm) | 85 | 95 | 65 | 75 | 85 | 95 | 65 | 75 | 85 | 95 | 65 | 75 | 85 | 95 | 65 | ||
| m ピッチ数(個) | 4 | 5 | 7 | 8 | 9 | 10 | 12 | 13 | 14 | 15 | 17 | 18 | 19 | 20 | 22 | ||
| N 取付穴数(個) | 5 | 6 | 8 | 9 | 10 | 11 | 13 | 14 | 15 | 16 | 18 | 19 | 20 | 21 | 23 | ||
| 質量(kg) | 2.3 | 2.4 | 2.5 | 2.6 | 2.7 | 2.8 | 2.9 | 3 | 3.1 | 3.2 | 3.3 | 3.4 | 3.5 | 3.6 | 3.7 | ||
| 駆動方式 | ベルト駆動 |
| 本体幅(mm) | 50 |
| 減速機構 | 無 |
| 高剛性リニアガイド(mm) | W24xH8.5 |
| ベルト幅(mm) | 9 |
| 駆動電力(W) | 100 |
| 付属品 | 付属品名 | 型番 | 数量 |
| センサ(NPN) | C-MSX672N-2M | 3 | |
| タイミングプーリ | 2GT-20歯 | 2 | |
| タイミングベルト | 2GT-9 | 1 |
| 型番 | ¥基準単価 | ||||||||||||||||
| Type | リード | モータ位置 | ストローク | ||||||||||||||
| 100 | 150 | 200 | 250 | 300 | 350 | 400 | 450 | 500 | 550 | 600 | 650 | 700 | 750 | 800 | |||
| E-MTB5 | L40 | BW | 24,340 | 25,210 | 26,120 | 27,030 | 27,900 | 28,810 | 29,720 | 30,630 | 31,500 | 32,410 | 33,320 | 34,190 | 35,100 | 36,010 | 36,880 |
| BM | |||||||||||||||||


| ブランド | モータコード | ブレーキ有無 | モータ出力 | 電源電圧 | サーボモータ型番 | サーボドライバ型番 |
| 三菱 | M | ブレーキなし(水平使用) | 100W | 220V | HG-KR13J | MR-J4-10A |
| ブレーキあり(垂直使用) | HG-KR13BJ | |||||
| パナソニック | P | ブレーキなし(水平使用) | 100W | 220V | MSMF012L1U2M | MADLN05SE |
| ブレーキあり(垂直使用) | MSMF012L1V2M | |||||
| 安川 | Y | ブレーキなし(水平使用) | 100W | 220V | SGM7J-01AFC6S | SGD7S-R90A00A002 |
| ブレーキあり(垂直使用) | SGM7J-01AFC6E | |||||
| デルタ | T | ブレーキなし(水平使用) | 100W | 220V | ECMA-C20401FS | ASD-B2-0121-B |
| ブレーキあり(垂直使用) | ECMA-C20401GS |

| 型番 |
|---|
通常単価(税別)
(税込単価) | 通常出荷日 |
|---|
- ( - ) | 19日目〜 |
- ( - ) | 19日目〜 |
- ( - ) | 19日目〜 |
- ( - ) | 19日目〜 |
本商品は本体のみですので、モータ、ドライバ、ケーブルは別途ご購入下さい。製品にはNPNセンサが3つ付属しており、取り付け方向のみご選択ください。
ミスミの低価格新ブランド【エコノミーシリーズ】順次商品拡大中!特集ページはこちら商品ラインナップ
通常価格、通常出荷日が表示と異なる場合がございます
通常価格、通常出荷日が表示と異なる場合がございます

ミスミ
一軸アクチュエータ LX 折り返し カバータイプ
0
ミスミ
一軸アクチュエータ LX カバータイプ
5
ミスミ
一軸アクチュエータ LS10 -ボールねじタイプ-
5通常価格(税別):31,300円~

ミスミ
一軸アクチュエータ LS12 -ボールねじタイプ-
4.3通常価格(税別):33,800円~

ミスミ
リニアエンコーダ コンパクトタイプ
0
オリエンタルモーター
コンパクトリニアアクチュエータ DRLシリーズ
0通常価格(税別):23,929円~

ミスミ
リニアモータアクチュエータ 8シリーズ 異物防止タイプ 重荷重 インクリメンタル・アブソリュート仕様
0通常価格(税別):91,400円~

SMC
ステップモータコントローラ JXCE1・91・P1・D1・L1・M1シリーズ
0通常価格(税別):458円~

ミスミ
一軸ユニット 転造ボールねじ/精密ボールねじタイプ カバー仕様
5