メカニカル部品技術窓口
ミスミ品のみ対象

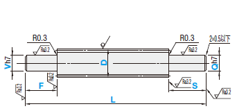
右ねじ・左ねじ![]() | キー溝付右ねじ![]() | h7公差(V,Q)
| 指示無き寸法公差
|
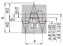
台形ねじ精度
Tr規格には寸法許容差が規定されています。 30度台形ねじ仕様は、下表を参照ください。 | 基準山形寸法![]() H=1.866P H1=0.5P d2=d-0.5P d1=d-P D=d D2=d2 D1=d1 おねじ d:外径 d1:谷径 d2:有効径 めねじ D:谷の径 D1:内径 D2:有効径 P:ピッチ H1:ひっかかりの高さ |
| Type | [ M ]材質 | [ S ]表面処理 | 洗浄方法 | |||||
| 右ねじ | キー溝付右ねじ | 左ねじ | 洗浄方法 | 洗浄環境 | 梱包形態 | 梱包環境 | ||
| SL-MTSTRW | − | SL-MTSTLW | SUS303 | SUS303 | 脱脂洗浄 | 一般環境 | 防錆梱包 | 一般環境 |
| SH-MTSTRW | SH-MTSTLW | 精密洗浄 | クラス1000 | 脱気2重梱包 | クラス10 | |||
| SHD-MTSTRW | SHD-MTSTLW | 電解研磨+精密洗浄 | ||||||
| SL-RMTSRW | SL-RMTSRV | SL-RMTSLW | S45C | 低温黒色クロムメッキ | 脱脂洗浄 | 一般環境 | 防錆梱包 | 一般環境 |
| SH-RMTSRW | SH-RMTSRV | SH-RMTSLW | 精密洗浄 | クラス1000 | 脱気2重梱包 | クラス10 | ||
詳細図を記載しておりますので、ご確認ください。| 型式 | - | L | - | F | - | V | - | S | - | Q | - | C | - | J |
| SL-MTSTRW16 | - | 282 | - | F16 | - | V10 | - | S14 | - | Q10 | ||||
| SH-RMTSRV16 | - | 282 | - | F16 | - | V10 | - | S14 | - | Q10 | - | C10 | - | J2 |
| 型式 | 指定1mm単位 | V・Q選択 | D | ピッチ P | |||||||
| Type | D | L | F・S | ||||||||
| 右ねじ SL-MTSTRW SH-MTSTRW SHD-MTSTRW SL-RMTSRW SH-RMTSRW 左ねじ SL-MTSTLW SH-MTSTLW SHD-MTSTLW SL-RMTSLW SH-RMTSLW ([ ! ]*D8はS45C、 右ねじのみ) | *8 | 50〜500 | 軸径に応じて選択可能な長さが異なります。 V,Q≦9の場合 2≦F≦V×5 2≦S≦Q×5 V,Q≧10の場合 2≦F≦V×7 2≦S≦Q×7 | 6 | 8 | 1.5 | |||||
| 10 | 80〜800 | 6 | 7 | 10 | 2 | ||||||
| 12 | 6 | 7 | 8 | 9 | 12 | 2 | |||||
| 14 | 8 | 9 | 10 | 14 | 3 | ||||||
| 16 | 100〜800 | 9 | 10 | 12 | 16 | (3) | |||||
| 18 | 150〜800 | 9 | 10 | 12 | 18 | 4 | |||||
| 20 | 10 | 12 | 14 | 15 | 20 | 4 | |||||
| 22 | 10 | 12 | 14 | 15 | 22 | 5 | |||||
| 25 | 12 | 14 | 15 | 16 | 17 | 25 | (5) | ||||
| 28 | 14 | 15 | 16 | 17 | 20 | 28 | 5 | ||||
| 32 | 200〜800 | 14 | 15 | 16 | 17 | 20 | 25 | 32 | 6 | ||
| 型式 | 指定1mm単位 | V・Q選択 | 指定1mm単位 | D | ピッチ P | ||||||||
| Type | D | L | F・S | C | J | ||||||||
| SL-RMTSRV SH-RMTSRV | 12 | 80~800 | 軸径に応じて選択可能な長さが異なります。 V,Q≦9の場合 2≦F≦V×5 2≦S≦Q×5 V,Q≧10の場合 2≦F≦V×7 2≦S≦Q×7 | 7 | 8 | 9 | C≦60 S−C−J≧2 | 12 | 2 | ||||
| 14 | 8 | 9 | 10 | 14 | 3 | ||||||||
| 16 | 100~800 | 9 | 10 | 12 | 16 | (3) | |||||||
| 18 | 150~800 | 9 | 10 | 12 | J≧2 又はJ=0 | 18 | 4 | ||||||
| 20 | 10 | 12 | 14 | 15 | 20 | 4 | |||||||
| 22 | 10 | 12 | 14 | 15 | 22 | 5 | |||||||
| 25 | 12 | 14 | 15 | 16 | 17 | [ ! ]J=0の時 キー溝R部はストレートになります。 | 25 | (5) | |||||
| 28 | 14 | 15 | 16 | 17 | 20 | 28 | 5 | ||||||
| 32 | 200~800 | 14 | 15 | 16 | 17 | 20 | 25 | 32 | 6 | ||||
| 型式 | − | L | − | F | − | V | − | S | − | Q | − | C | − | J | − | (AC・SC・MC…etc) |
| SL-MTSTRW16 | − | 282 | − | F16 | − | V10 | − | S14 | − | Q10 | − | AC12.3 |
[ ! ]キー溝付右ねじは、AC・SC・MC・MQ・ZCのみ対応可
| Alterations | 平面取追加工 | 止め輪溝追加工 | 二面幅追加工 | 並目タップ穴追加工 | おねじ追加工 | 四角取追加工 | キー溝追加工 | |||||||||||||||||||||||||||||||||||||||||||||||||||||||||||||||||||||||||||||||||||||||||||||||||||||||||||||||||||||||||||||||||
![]() | ![]() | ![]() | ![]() | ベアリングナット用![]() | ![]() | ![]() | ||||||||||||||||||||||||||||||||||||||||||||||||||||||||||||||||||||||||||||||||||||||||||||||||||||||||||||||||||||||||||||||||||
| Code | FV(V部) FQ(Q部) | AC(V部) AQ(Q部) | SC(V部) SQ(Q部) | MC(V部) MQ(Q部) | BV(V部) BC(Q部) | ZC(V部) ZQ(Q部) | KV(V部) KC(Q部) | |||||||||||||||||||||||||||||||||||||||||||||||||||||||||||||||||||||||||||||||||||||||||||||||||||||||||||||||||||||||||||||||||
| Spec. | FV,FQ,FW,FY= 指定0.5mm単位 FV=V部に加工 FQ=Q部に加工 [ ! ]V,Qいずれか FV5−FW10−FY1 [ ! ]FV(FQ)=0,又は [ ! ]V(Q)≦25の場合 [ ! ]V(Q)≧26の場合 | AC,AQ=指定0.1mm単位 AC,AQ≦F(S)−m−n m,n値は下部表参照 (mは公差を含めて計算) 指定方法 AC13.3 AC=V部に加工,AQ=Q部に加工
| SC,SQ,SW,SY= 指定1mm単位 SC=V部に加工 SQ=Q部に加工 [ ! ]V,Qいずれか SC5−SW10−SY8 [ ! ]SC(SQ)=0,又はSC(SQ)≧2 [ ! ]Q(V)<15の場合 [ ! ]15≦Q(V)≦25の場合 [ ! ]30≦Q(V)の場合 | MC=V部に加工 MQ=Q部に加工 指定方法 MC24
[ ! ]他の追加工との組み合わせで軸端の | [ ! ]BV,BC≦M×3 [ ! ]BV,BC≧Pitch×3 [ ! ]BV,BC≦F,S−Pitch×3 指定方法 BC20 BV=V部に加工 BC=Q部に加工
[ NG ]V,Q=7・9・16 | W,A=指定1mm単位 ZC=V部に加工 ZQ=Q部に加工 [ ! ]V,Qいずれか1ヶ所のみ適用 指定方法 ZC10−W8−A8 [ ! ]同一軸上にタップ穴 [ ! ]ZC=V、ZQ=Qで指定
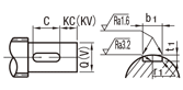
| KC,KV,C=指定1mm単位 指定方法 KC8−C10 KV=V部に加工 KC=Q部に加工 [ ! ]V, Qいずれか [ ! ]C寸法はb₁以上で | [ ! ]C≦60 [ ! ]S(F)−C−KC(KV)≧2 [ ! ]KC(KV)≧2 [ ! ]KC,KV=0のとき ![]() | ||||||||||||||||||||||||||||||||||||||||||||||||||||||||||||||||||||||||||||||||||||||||||||||||||||||||||||||||||||||||||||||||
| ||||||||||||||||||||||||||||||||||||||||||||||||||||||||||||||||||||||||||||||||||||||||||||||||||||||||||||||||||||||||||||||||||||||||
| ¥/1 Code | 200 | 400 | 400 | 200 | 200 | 800 | 400 | |||||||||||||||||||||||||||||||||||||||||||||||||||||||||||||||||||||||||||||||||||||||||||||||||||||||||||||||||||||||||||||||||
| 注意点① 段付き部から2mm以上の隙間を あけて追加工を指定してください ![]() | 注意点② 追加工同士の間隔は 2mm以上必要です ![]() | 注意点③ 追加工同士を組み合わせて指定した場合、位相関係は任意になり、直線状に必ず整列するとは限りません(下部図面は一例です) ![]() 上記の図の通り、位相は任意であるため、同一軸上の追加工A、Bは直線状に整列しないことがあります | 注意点⑤ 同一軸上に追加工が重なるような指定は不可となります (下部の図はNG例) ![]()
|
洗浄工程| ※材質がステンレスの場合、アルカリ系温水洗浄となることがあります。 | |
| ・脱脂洗浄(型式:SL-□□) | ※表面処理が低温黒色クロムメッキの場合、IPA洗浄となります。 |
作業環境:一般環境 | ||||||
|---|---|---|---|---|---|---|
![]() 炭化水素系洗浄※ Ro水洗浄 中性洗剤洗浄 | ![]() | ![]() 高圧ジェット水洗(Ro水) 後に純水(10MΩ・cm)で 洗浄 | ![]() | ![]() エアブロー(オイルフリー) 使用 | ![]() | ![]() 防錆袋使用 |
| ・精密洗浄(型式:SH-□□) | ※表面処理が低温黒色クロムメッキの場合、IPA洗浄となります。 |
作業環境:クラス1000 | 作業環境:クラス10 | |||||||
|---|---|---|---|---|---|---|---|---|
![]() 炭化水素系洗浄※ Ro水洗浄 中性洗剤洗浄 | ![]() | ![]() 高圧ジェット水洗(Ro水) 後に純水(10MΩ・cm)で 洗浄 | ![]() | ![]() 温純水(13MΩ・cm)使用 | ![]() | ![]() 窒素ブロー使用 | ![]() | ![]() クリーンベンチ(クラス10) で実施 |
作業環境:クラス1000 | 作業環境:クラス10 | |||||||||
|---|---|---|---|---|---|---|---|---|---|---|
![]() 炭化水素系洗浄 Ro水洗浄 中性洗剤洗浄 | ![]() | ![]() 材質に応じた電解研磨槽 で電解研磨 | ![]() | ![]() 高圧ジェット水洗(Ro水) 後に純水(10MΩ・cm)で 洗浄 | ![]() | ![]() 温純水(13MΩ・cm)使用 | ![]() | ![]() 窒素ブロー使用 | ![]() | ![]() クリーンベンチ(クラス10) で実施 |
梱包例| 脱脂洗浄の場合 (TYPE型番:SL-□□) | 精密洗浄または電解研磨+精密洗浄の場合 | |
| (TYPE型番:SH-□□・SHD-□□) | ||
| オーステナイト系ステンレス・アルミ材質の場合 | 鉄・マルテンサイト系ステンレス材質の場合 | |
![]() | ![]() | ![]() |
| 一部商品・サイズによっては、 梱包形態が異なる場合がございます。 | [ ! ]1重目・2重目の梱包とも、脱気されております。 | [ ! ]防錆対策として乾燥剤を同封しております。 1梱包につき1つになります。 |
洗浄効果・利用推奨環境| 洗浄方法 | 商品型番 | 梱包形態 | 未洗浄品と比べた効果 | ご利用環境(目安) | 利用シーン・工程 |
|---|---|---|---|---|---|
| 脱脂洗浄 | SL-□□ | 防錆梱包 | 油分除去 | 一般環境 | 通常組立工程 |
| バッテリー組立後工程 | |||||
| 精密洗浄 | SH-□□ | 脱気2重梱包 | 油分除去 粉塵除去 | クリーン環境(クラス10~1,000) | バッテリー組立工程 |
| 液晶関連組立後工程 | |||||
| 車載カメラ組立工程 | |||||
| 電解研磨+精密洗浄 | SHD-□□ | 脱気2重梱包 | 油分除去 粉塵除去 アウトガス低減 | 真空環境 クリーン環境(クラス10~1,000) | 半導体前工程 |
| 液晶成膜工程 | |||||
| 有機EL前工程 |
| 型番 |
|---|
通常単価(税別)
(税込単価) | 通常出荷日 |
洗浄不要の場合の代替品
|
|---|
- ( - ) | 6日目 |
|
- ( - ) | 6日目 |
|
- ( - ) | 6日目 |
|
- ( - ) | 6日目 |
|
- ( - ) | 6日目 |
|
- ( - ) | 6日目 |
|
- ( - ) | 6日目 |
|
- ( - ) | 6日目 |
|
- ( - ) | 6日目 |
|
- ( - ) | 6日目 |
|
- ( - ) | 6日目 |
|
- ( - ) | 6日目 |
|
- ( - ) | 6日目 |
|
- ( - ) | 6日目 |
|
- ( - ) | 11日目 |
|
- ( - ) | 11日目 |
|
- ( - ) | 11日目 |
|
- ( - ) | 11日目 |
|
- ( - ) | 11日目 |
|
- ( - ) | 11日目 |
|
- ( - ) | 11日目 |
|
- ( - ) | 11日目 |
|
- ( - ) | 11日目 |
|
- ( - ) | 11日目 |
|
- ( - ) | 11日目 |
|
- ( - ) | 11日目 |
|
- ( - ) | 11日目 |
|
- ( - ) | 11日目 |
|
- ( - ) | 11日目 |
|
- ( - ) | 11日目 |
|
- ( - ) | 11日目 |
|
- ( - ) | 11日目 |
|
- ( - ) | 11日目 |
|
- ( - ) | 11日目 |
|
- ( - ) | 11日目 |
|
- ( - ) | 11日目 |
|
- ( - ) | 11日目 |
|
- ( - ) | 11日目 |
|
- ( - ) | 11日目 |
|
- ( - ) | 11日目 |
|
- ( - ) | 11日目 |
|
- ( - ) | 11日目 |
|
- ( - ) | 11日目 |
|
- ( - ) | 11日目 |
|
- ( - ) | 11日目 |
|
- ( - ) | 6日目 |
|
- ( - ) | 6日目 |
|
- ( - ) | 6日目 |
|
- ( - ) | 6日目 |
|
- ( - ) | 6日目 |
|
- ( - ) | 6日目 |
|
- ( - ) | 6日目 |
|
- ( - ) | 6日目 |
|
- ( - ) | 6日目 |
|
- ( - ) | 6日目 |
|
- ( - ) | 6日目 |
|
- ( - ) | 6日目 |
|
- ( - ) | 6日目 |
|
- ( - ) | 6日目 |
|
- ( - ) | 6日目 |
| ・脱脂洗浄(防錆1重梱包) | :型番SL-□□ |
| ・精密洗浄(脱気2重梱包) | :型番SH-□□ |
| ・電解研磨+精密洗浄(脱気2重梱包) | :型番SHD-□□ |
| 商品型番 | 洗浄方法 | 梱包形態 | 未洗浄品と比べた効果 | ご利用環境(目安) | 工程別 |
| SL-□□ | 脱脂洗浄 | 防錆梱包 | 油分除去 | 一般環境 | 通常組立工程 |
| バッテリー組立後工程 | |||||
| SH-□□ | 精密洗浄 | 脱気2重梱包 | 油分除去 粉塵除去 | クリーン環境(クラス10~1,000) | バッテリー組立工程 |
| 液晶関連組立後工程 | |||||
| 車載カメラ組立工程 | |||||
| SHD-□□ | 電解研磨+精密洗浄 | 脱気2重梱包 | 油分除去 粉塵除去 アウトガス低減 | 真空環境 クリーン環境(クラス10~1,000) | 半導体前工程 |
| 液晶成膜工程 | |||||
| 有機EL前工程 |
型式 | SL-MTSTRW | SH-MTSTRW | SHD-MTSTRW | ||||||||||
¥基準単価 | ¥基準単価 | ¥基準単価 | |||||||||||
Type | D | 最短L | L200 | L401 | L601 | 最短L | L200 | L401 | L601 | 最短L | L200 | L401 | L601 |
〜200 | 〜400 | 〜600 | 〜800 | 〜200 | 〜400 | 〜600 | 〜800 | 〜200 | 〜400 | 〜600 | 〜800 | ||
10 | 4,100 | 5,420 | 6,280 | 7,430 | 4,400 | 5,720 | 6,580 | 7,730 | 4,430 | 5,750 | 6,610 | 7,760 | |
12 | 4,100 | 5,420 | 6,280 | 7,430 | 4,400 | 5,720 | 6,580 | 7,730 | 4,430 | 5,750 | 6,610 | 7,760 | |
14 | 4,150 | 5,550 | 6,440 | 7,620 | 4,450 | 5,850 | 6,740 | 7,920 | 4,480 | 5,880 | 6,770 | 7,950 | |
| SL-MTSTRW | 16 | 4,300 | 5,920 | 6,680 | 8,010 | 4,600 | 6,220 | 6,980 | 8,310 | 4,630 | 6,250 | 7,010 | 8,340 |
| SH-MTSTRW | 18 | 4,610 | 6,440 | 6,870 | 8,210 | 4,910 | 6,740 | 7,170 | 8,510 | 4,940 | 6,770 | 7,200 | 8,540 |
| SHD-MTSTRW | 20 | 4,690 | 6,640 | 7,130 | 8,570 | 4,990 | 6,940 | 7,430 | 8,870 | 5,020 | 6,970 | 7,460 | 8,900 |
25 | 12,660 | 17,520 | 22,150 | 26,890 | 12,960 | 17,820 | 22,450 | 27,190 | 12,990 | 17,850 | 22,480 | 27,220 | |
28 | 14,430 | 20,650 | 26,970 | 32,080 | 14,730 | 20,950 | 27,270 | 32,380 | 14,760 | 20,980 | 27,300 | 32,410 | |
32 | 15,920 | 23,590 | 30,080 | 37,560 | 16,220 | 23,890 | 30,380 | 37,860 | 16,250 | 23,920 | 30,410 | 37,890 | |
型式 | SL-MTSTLW | SH-MTSTLW | SHD-MTSTLW | ||||||||||
¥基準単価 | ¥基準単価 | ¥基準単価 | |||||||||||
Type | D | 最短L | L200 | L401 | L601 | 最短L | L200 | L401 | L601 | 最短L | L200 | L401 | L601 |
〜200 | 〜400 | 〜600 | 〜800 | 〜200 | 〜400 | 〜600 | 〜800 | 〜200 | 〜400 | 〜600 | 〜800 | ||
| SL-MTSTLW SH-MTSTLW SHD-MTSTLW | 10 | 4,100 | 5,420 | 6,280 | 7,430 | 4,400 | 5,720 | 6,580 | 7,730 | 4,430 | 5,750 | 6,610 | 7,760 |
12 | 4,100 | 5,420 | 6,280 | 7,430 | 4,400 | 5,720 | 6,580 | 7,730 | 4,430 | 5,750 | 6,610 | 7,760 | |
14 | 4,150 | 5,550 | 6,440 | 7,620 | 4,450 | 5,850 | 6,740 | 7,920 | 4,480 | 5,880 | 6,770 | 7,950 | |
16 | 4,300 | 5,920 | 6,680 | 8,010 | 4,600 | 6,220 | 6,980 | 8,310 | 4,630 | 6,250 | 7,010 | 8,340 | |
18 | 4,610 | 6,440 | 6,870 | 8,210 | 4,910 | 6,740 | 7,170 | 8,510 | 4,940 | 6,770 | 7,200 | 8,540 | |
20 | 4,690 | 6,640 | 7,130 | 8,570 | 4,990 | 6,940 | 7,430 | 8,870 | 5,020 | 6,970 | 7,460 | 8,900 | |
| 型式 | ¥基準単価 | ||||||||
| SL-RMTSRW | SH-RMTSRW | ||||||||
| Type | D | 最短L〜200 | L201〜400 | L401〜600 | L601〜800 | 最短L〜200 | L201〜400 | L401〜600 | L601〜800 |
| SL-RMTSRW SH-RMTSRW | 8 | 6,010 | 7,570 | 8,170 | - | 7,210 | 9,320 | 9,920 | - |
| 10 | 6,170 | 7,890 | 8,580 | 10,030 | 7,370 | 9,640 | 10,330 | 11,780 | |
| 12 | 6,250 | 8,180 | 8,920 | 10,660 | 7,450 | 9,930 | 10,670 | 12,410 | |
| 14 | 6,660 | 8,950 | 9,880 | 11,540 | 7,860 | 10,700 | 11,630 | 13,290 | |
| 16 | 6,920 | 9,390 | 10,410 | 12,190 | 8,120 | 11,140 | 12,160 | 13,940 | |
| 18 | 7,480 | 10,350 | 10,960 | 13,240 | 8,680 | 12,100 | 12,710 | 14,990 | |
| 20 | 7,940 | 10,820 | 11,540 | 14,440 | 9,140 | 12,570 | 13,290 | 16,190 | |
| 22 | 9,670 | 13,240 | 14,520 | 18,290 | 10,870 | 14,990 | 16,270 | 20,040 | |
| 25 | 9,910 | 13,630 | 15,040 | 18,860 | 11,110 | 15,380 | 16,790 | 20,610 | |
| 28 | 10,660 | 14,600 | 16,510 | 22,110 | 11,860 | 16,350 | 18,260 | 23,860 | |
| 32 | 12,900 | 18,260 | 20,740 | 28,290 | 14,100 | 20,010 | 22,490 | 30,040 | |
| 型式 | ¥基準単価 | ||||||||
| SL-RMTSLW | SH-RMTSLW | ||||||||
| Type | D | 最短L〜200 | L201〜400 | L401〜600 | L601〜800 | 最短L〜200 | L201〜400 | L401〜600 | L601〜800 |
| SL-RMTSLW SH-RMTSLW | 10 | 6,210 | 7,950 | 8,650 | 10,120 | 7,410 | 9,700 | 10,400 | 11,870 |
| 12 | 6,290 | 8,240 | 8,990 | 10,750 | 7,490 | 9,990 | 10,740 | 12,500 | |
| 14 | 6,700 | 9,010 | 9,950 | 11,630 | 7,900 | 10,760 | 11,700 | 13,380 | |
| 16 | 6,960 | 9,460 | 10,490 | 12,280 | 8,160 | 11,210 | 12,240 | 14,030 | |
| 18 | 7,530 | 10,420 | 11,040 | 13,340 | 8,730 | 12,170 | 12,790 | 15,090 | |
| 20 | 7,990 | 10,890 | 11,620 | 14,540 | 9,190 | 12,640 | 13,370 | 16,290 | |
| 22 | 9,740 | 13,340 | 14,640 | 18,430 | 10,940 | 15,090 | 16,390 | 20,180 | |
| 25 | 9,990 | 13,740 | 15,160 | 19,010 | 11,190 | 15,490 | 16,910 | 20,760 | |
| 28 | 10,740 | 14,710 | 16,640 | 22,260 | 11,940 | 16,460 | 18,390 | 24,010 | |
| 32 | 13,010 | 18,410 | 20,910 | 28,490 | 14,210 | 20,160 | 22,660 | 30,240 | |
| 型式 | ¥基準単価 | ||||||||
| SL-RMTSRV | SH-RMTSRV | ||||||||
| Type | D | 最短L~200 | L201~400 | L401~600 | L601~800 | 最短L~200 | L201~400 | L401~600 | L601~800 |
| SL-RMTSRV SH-RMTSRV | 12 | 6,730 | 8,700 | 9,460 | 11,230 | 7,930 | 10,450 | 11,210 | 12,980 |
| 14 | 7,160 | 9,480 | 10,430 | 12,110 | 8,360 | 11,230 | 12,180 | 13,860 | |
| 16 | 7,420 | 9,940 | 10,970 | 12,780 | 8,620 | 11,690 | 12,720 | 14,530 | |
| 18 | 7,990 | 10,900 | 11,520 | 13,840 | 9,190 | 12,650 | 13,270 | 15,590 | |
| 20 | 8,440 | 11,380 | 12,110 | 15,050 | 9,640 | 13,130 | 13,860 | 16,800 | |
| 22 | 10,240 | 13,850 | 15,160 | 18,980 | 11,440 | 15,600 | 16,910 | 20,730 | |
| 25 | 10,470 | 14,250 | 15,690 | 19,560 | 11,670 | 16,000 | 17,440 | 21,310 | |
| 28 | 11,230 | 15,230 | 17,160 | 22,820 | 12,430 | 16,980 | 18,910 | 24,570 | |
| 32 | 13,530 | 18,960 | 21,460 | 29,080 | 14,730 | 20,710 | 23,210 | 30,830 | |
| 数量区分 | 標準対応 | |||
| 小口 | ||||
| 数 量 | 1〜4 | 5〜7 | 8~19 | 20〜29 |
| 値引率 | 基準単価 | 10% | 20% | 25% |
| 出荷日 | 通常 | |||
| 数量区分 | 標準対応 | |||
| 小口 | ||||
| 数 量 | 1~4 | 5~7 | 8・9 | 10~29 |
| 値引率 | 基準単価 | 5% | 10% | 18% |
| 出荷日 | 通常 | |||
通常価格、通常出荷日が表示と異なる場合がございます
通常価格、通常出荷日が表示と異なる場合がございます

ミスミ
30度台形ねじ 両端段付タイプ
4.6
ミスミ
30度台形ねじ 片端段付・片端2段タイプ
4.6
ミスミ
30度台形ねじ ストレートタイプ
4.5
ミスミ
30度台形ねじ 片端段付タイプ
4.9
ミスミ
30度台形ねじ サポートユニット適応タイプ
4
ミスミ
30度台形ねじ 片端2段タイプ
4.8
ミスミ
30度台形ねじ 左右ねじ / 精密左右ねじ(中央部h7) 片端段付・片端2段タイプ
4.4
ミスミ
30度台形ねじ 両端2段タイプ
5
ミスミ
30度台形ねじ 左右ねじ / 精密左右ねじ(中央部h7) 両端段付タイプ
4.7