メカニカル部品技術窓口
ミスミ品のみ対象

「脱脂洗浄」「精密洗浄」「電解研磨+精密洗浄」3種類の洗浄方法が選択可能、いずれも標準型番で1個からご...
詳細を確認
メッキ無し品は
です。| Type | [ M ]材質 | [ H ]硬度 | [ S ]表面処理 | 洗浄方法 | ||||||
| スパナ溝付き | キリ穴付き | |||||||||
| D公差f8 | D公差g6 | D公差h5 | 洗浄方法 | 洗浄環境 | 梱包形態 | 梱包環境 | ||||
| SL-PSSFGU | − | − | − | SUS304 | − | 硬質クロムメッキ メッキ硬度HV750〜 メッキ厚10μ以上〜 | 脱脂洗浄 | 一般環境 | 防錆梱包 | 一般環境 |
| SH-PSSFGU | 精密洗浄 | クラス1000 | 脱気2重梱包 | クラス10 | ||||||
| − | SL-SSFAU | SL-SSFUU | SL-SSFHM | SUS440Cまたは 13Cr系ステンレス | 高周波焼入 有効硬化層深さ >>こちら SUJ2相当 58HRC〜 SUS440Cまたは 13Cr系ステンレス 56HRC〜 | − | 脱脂洗浄 | 一般環境 | 防錆梱包 | 一般環境 |
| SH-SSFAU | SH-SSFUU | SH-SSFHM | 精密洗浄 | クラス1000 | 脱気2重梱包 | クラス10 | ||||
| − | SL-PSSFAU | SL-PSSFUU | SL-PSSFHM | SUS440Cまたは 13Cr系ステンレス | 硬質クロムメッキ メッキ硬度HV750〜 メッキ厚5μ以上 | 脱脂洗浄 | 一般環境 | 防錆梱包 | 一般環境 | |
| SH-PSSFAU | SH-PSSFUU | SH-PSSFHM | 精密洗浄 | クラス1000 | 脱気2重梱包 | クラス10 | ||||
| − | SL-RSFAU | − | SL-RSFHM | SUJ2相当 | 低温黒色クロムメッキ | 脱脂洗浄 | 一般環境 | 防錆梱包 | 一般環境 | |
| SH-RSFAU | SH-RSFHM | 精密洗浄 | クラス1000 | 脱気2重梱包 | クラス10 | |||||
| − | SL-RSSFAU | − | SL-RSSFHM | SUS440Cまたは 13Cr系ステンレス | 脱脂洗浄 | 一般環境 | 防錆梱包 | 一般環境 | ||
| SH-RSSFAU | SH-RSSFHM | 精密洗浄 | クラス1000 | 脱気2重梱包 | クラス10 | |||||
詳細図を記載しておりますので、ご確認ください。| 寸法区分 | 公差 (㎜) | |
| を超え | 以下 | |
| 0.5 | 3 | ±0.1 |
| 3 | 6 | ±0.1 |
| 6 | 30 | ±0.2 |
| 30 | 120 | ±0.3 |
| 120 | 400 | ±0.5 |
| 400 | 800 | ±0.8 |
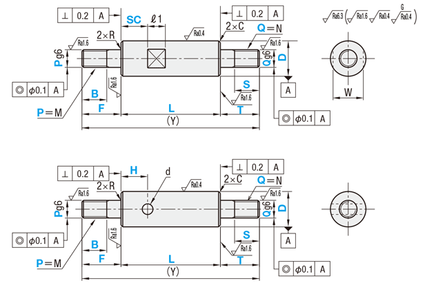
| 型式 | − | L | − | F | − | B | − | P | − | T | − | S | − | Q | − | SC |
| SL-PSSFGU15 | − | 300 | − | F28 | − | B16 | − | P6 | − | T17 | − | S12 | − | Q10 | − | SC8 |
| SH-PSSFGU20 | − | 400 | − | F30 | − | B20 | − | P8 | − | T20 | − | S15 | − | Q10 | − | SC10 |
| D公差 | |||
| D | f8 | g6 | h5 |
| 6 | −0.010 −0.028 | −0.004 −0.012 | 0 −0.005 |
| 8 | −0.013 −0.035 | −0.005 −0.014 | 0 −0.006 |
| 10 | |||
| 12 | −0.016 −0.043 | −0.006 −0.017 | 0 −0.008 |
| 13 | |||
| 15 | |||
| 16 | |||
| 18 | |||
| 20 | −0.020 −0.053 | −0.007 −0.020 | 0 −0.009 |
| 25 | |||
| 30 | |||
| 35 | −0.025 −0.064 | −0.009 −0.025 | 0 −0.011 |
| 40 | |||
| 50 | |||
| 型式 | 指定1mm単位 | P(並目)・Q(並目) 選択 P=M, Q=N | 指定1mm単位 | W | ℓ1 | (Y) Max. | R | C | |||||||||||||
| Type | D | L | F・T | B・S | SC | ||||||||||||||||
| D公差f8 SL-PSSFGU SH-PSSFGU D公差g6 SL-SSFAU SH-SSFAU SL-PSSFAU SH-PSSFAU SL-RSFAU SH-RSFAU SL-RSSFAU SH-RSSFAU D公差h5 SL-SSFUU SH-SSFUU SL-PSSFUU SH-PSSFUU [ ! ]低温黒色クロムメッキ品 D≦30 | 6 | 25〜796 | 2≦F≦P×5 2≦T≦Q×5 | (P≦6のとき) B≦F−2 (P=8・10のとき) B≦F−3 (P≧12のとき) B≦F−5 (Q≦6のとき) S≦T−2 (Q=8・10のとき) S≦T−3 (Q≧12のとき) S≦T−5 (ねじなしのとき) B=0 S=0 [ ! ]B・S≧Pitch×3 | 3 | 4 | 5 | [ ! ]SC+ℓ1≦L [ ! ]SC≧0 [ ! ]スパナ溝詳細 >>こちら | 5 | 8 | 800 | 0.3 以下 | 0.5 以下 | ||||||||
| 8 | 25〜796 | 3 | 4 | 5 | 6 | 7 | 800 | ||||||||||||||
| 10 | 25〜796 | 3 | 4 | 5 | 6 | 8 | 8 | 800 | |||||||||||||
| 12 | 25〜796 | 3 | 4 | 5 | 6 | 8 | 10 | 10 | 10 | 800 | |||||||||||
| 13 | 25〜796 | 4 | 5 | 6 | 8 | 10 | 12 | 11 | 800 | ||||||||||||
| 15 | 25〜796 | 4 | 5 | 6 | 8 | 10 | 12 | 13 | 800 | ||||||||||||
| 16 | 25〜796 | 4 | 5 | 6 | 8 | 10 | 12 | 14 | 800 | ||||||||||||
| 18 | 25〜796 | 5 | 6 | 8 | 10 | 12 | 16 | 16 | 800 | ||||||||||||
| 20 | 25〜796 | 5 | 6 | 8 | 10 | 12 | 16 | 17 | 800 | 1.0 以下 | |||||||||||
| 25 | 25〜796 | 6 | 8 | 10 | 12 | 16 | 20 | 24 | 22 | 800 | |||||||||||
| 30 | 25〜796 | 8 | 10 | 12 | 16 | 20 | 24 | 27 | 15 | 800 | |||||||||||
| 35 | 25〜796 | 10 | 12 | 16 | 20 | 24 | 30 | 30 | 800 | 0.5 以下 | |||||||||||
| 40 | 25〜796 | 12 | 16 | 20 | 24 | 30 | 36 | 20 | 800 | ||||||||||||
| 50 | 25〜796 | 16 | 20 | 24 | 30 | 41 | 800 | ||||||||||||||
| 型式 | 指定1mm単位 | P(並目)・Q(並目) 選択 P=M, Q=N | 指定1mm単位 | d | (Y) Max. | R | C | |||||||||||||
| Type | D | L | F・T | B・S | H | |||||||||||||||
| SL-SSFHM SH-SSFHM SL-PSSFHM SH-PSSFHM SL-RSFHM SH-RSFHM SL-RSSFHM SH-RSSFHM | 8 | 25〜496 | 2≦F≦P×5 2≦T≦Q×5 | (P≦6のとき) B≦F−2 (P=8・10のとき) B≦F−3 (P≧12のとき) B≦F−5 (Q≦6のとき) S≦T−2 (Q=8・10のとき) S≦T−3 (Q≧12のとき) S≦T−5 (ねじなしのとき) B=0 S=0 [ ! ]B・S≧Pitch×3 | 3 | 4 | 5 | 6 | [ ! ]L≧H+d/2+2 [ ! ]H≧d/2+2 | 3 | 500 | 0.3 以下 | 0.5 以下 | |||||||
| 10 | 25〜496 | 3 | 4 | 5 | 6 | 8 | 500 | |||||||||||||
| 12 | 25〜496 | 3 | 4 | 5 | 6 | 8 | 10 | 500 | ||||||||||||
| 13 | 25〜496 | 4 | 5 | 6 | 8 | 10 | 12 | 4 | 500 | |||||||||||
| 15 | 25〜496 | 4 | 5 | 6 | 8 | 10 | 12 | 500 | ||||||||||||
| 16 | 25〜496 | 4 | 5 | 6 | 8 | 10 | 12 | 500 | ||||||||||||
| 18 | 25〜496 | 5 | 6 | 8 | 10 | 12 | 16 | 6 | 500 | |||||||||||
| 20 | 25〜496 | 5 | 6 | 8 | 10 | 12 | 16 | 500 | 1.0 以下 | |||||||||||
| 25 | 25〜496 | 6 | 8 | 10 | 12 | 16 | 20 | 24 | 7 | 500 | ||||||||||
| 30 | 25〜496 | 8 | 10 | 12 | 16 | 20 | 24 | 500 | ||||||||||||
■おねじ部C面取り詳細
| ねじの 呼びM | ピッチ P | 面取りC (参考値) |
| 3 | 0.50 | 0.50 |
| 4 | 0.70 | 0.75 |
| 5 | 0.80 | 0.75 |
| 6 | 1.00 | 1.00 |
| 8 | 1.25 | 1.25 |
| 10 | 1.50 | 1.50 |
| 12 | 1.75 | 1.75 |
| 16 | 2.00 | 2.00 |
| 20 | 2.50 | 2.50 |
| 24 | 3.00 | 3.00 |
| 30 | 3.50 | 3.50 |

・追加工詳細は下記タブよりご確認ください。
※複数の追加工を選択する場合、加工部の位置関係は2mm以上の間隔が必要です。
※追加工による硬度低下の可能性があります。硬度・表面処理については こちらをご参照ください。
| 追加工 コード | 追加工内容 | 固定寸法 | 適用条件 | 指定例 | ¥/1Code | ||||||||||||||||||||||||||||||||||||||||||||||||||||||||||||||||||||||||||||||||||||||||||||||||||||||||||||||||||||||||||||||||||||||||||||||||||||||||||||||||||||||||||||||||||||||||||||||||||||||||||||||||||||||||||||||||||||||||||||||||||||||||||||||||||||||||||||||||
|---|---|---|---|---|---|---|---|---|---|---|---|---|---|---|---|---|---|---|---|---|---|---|---|---|---|---|---|---|---|---|---|---|---|---|---|---|---|---|---|---|---|---|---|---|---|---|---|---|---|---|---|---|---|---|---|---|---|---|---|---|---|---|---|---|---|---|---|---|---|---|---|---|---|---|---|---|---|---|---|---|---|---|---|---|---|---|---|---|---|---|---|---|---|---|---|---|---|---|---|---|---|---|---|---|---|---|---|---|---|---|---|---|---|---|---|---|---|---|---|---|---|---|---|---|---|---|---|---|---|---|---|---|---|---|---|---|---|---|---|---|---|---|---|---|---|---|---|---|---|---|---|---|---|---|---|---|---|---|---|---|---|---|---|---|---|---|---|---|---|---|---|---|---|---|---|---|---|---|---|---|---|---|---|---|---|---|---|---|---|---|---|---|---|---|---|---|---|---|---|---|---|---|---|---|---|---|---|---|---|---|---|---|---|---|---|---|---|---|---|---|---|---|---|---|---|---|---|---|---|---|---|---|---|---|---|---|---|---|---|---|---|---|---|---|---|---|---|---|---|---|---|---|---|---|---|---|---|---|---|---|---|---|---|---|---|---|---|---|---|---|---|---|---|---|---|---|---|
| LKC | L寸法・公差を | ・L<200→L±0.03 ・200≦L<500→L±0.05 ・L≧500→L±0.1 | [ ! ]L寸単位0.1mm指定可 | SL-PSSFGU30-300.5-F40-B30-P20-T50-S40-Q16-SC10-LKC | 400 | ||||||||||||||||||||||||||||||||||||||||||||||||||||||||||||||||||||||||||||||||||||||||||||||||||||||||||||||||||||||||||||||||||||||||||||||||||||||||||||||||||||||||||||||||||||||||||||||||||||||||||||||||||||||||||||||||||||||||||||||||||||||||||||||||||||||||||||||||
| SX | SCのスパナ溝の他に |
| [ ! ]スパナ溝付きタイプのみ適応 [ ! ]SX=指定1mm単位 [ ! ]SC+SX+ℓ1X2<L [ ! ]SX≧0 [ NG ]同一平面上での加工不可 | SL-PSSFGU30-300-F40-B30-P20-T50-S40-Q16-SC10-SX15 | 400 | ||||||||||||||||||||||||||||||||||||||||||||||||||||||||||||||||||||||||||||||||||||||||||||||||||||||||||||||||||||||||||||||||||||||||||||||||||||||||||||||||||||||||||||||||||||||||||||||||||||||||||||||||||||||||||||||||||||||||||||||||||||||||||||||||||||||||||||||||
| FC | 平面取り1箇所追加 |
| [ ! ]FC,E=指定1mm単位 [ ! ]D≦30:FC≦5×D、 D≧35:FC≦3×D [ ! ]E=0またはE≧2 [ NG ]WFCとの併用不可 | SL-PSSFGU30-300-F40-B30-P20-T50-S40-Q16-SC10-FC10-E8 | 200 | ||||||||||||||||||||||||||||||||||||||||||||||||||||||||||||||||||||||||||||||||||||||||||||||||||||||||||||||||||||||||||||||||||||||||||||||||||||||||||||||||||||||||||||||||||||||||||||||||||||||||||||||||||||||||||||||||||||||||||||||||||||||||||||||||||||||||||||||||
| WFC | 平面取り2箇所追加 |
| [ ! ]WFC,A,E=指定1mm単位 [ ! ]D≦30:WFC≦5×D、 D≧35:WFC≦3×D [ ! ]A(E)=0またはA(E)≧2 [ NG ]同一平面上での加工不可 [ NG ]FCとの併用不可 | SL-PSSFGU30-300-F40-B30-P20-T50-S40-Q16-SC10-WFC8-A8-E4 | 400 | ||||||||||||||||||||||||||||||||||||||||||||||||||||||||||||||||||||||||||||||||||||||||||||||||||||||||||||||||||||||||||||||||||||||||||||||||||||||||||||||||||||||||||||||||||||||||||||||||||||||||||||||||||||||||||||||||||||||||||||||||||||||||||||||||||||||||||||||||
| RC | 90度平面取り1箇所追加 |
| [ ! ]D=10~30適用 [ ! ]RC=指定1mm単位 [ ! ]RC+b1≦L [ ! ]RC≧2 [ NG ]WRCとの併用不可 | SL-PSSFGU30-300-F40-B30-P20-T50-S40-Q16-SC10-RC15 | 500 | ||||||||||||||||||||||||||||||||||||||||||||||||||||||||||||||||||||||||||||||||||||||||||||||||||||||||||||||||||||||||||||||||||||||||||||||||||||||||||||||||||||||||||||||||||||||||||||||||||||||||||||||||||||||||||||||||||||||||||||||||||||||||||||||||||||||||||||||||
| WRC | 90度平面取り2箇所追加 |
| [ ! ]D=10~30適用 [ ! ]WRC=指定1mm単位 [ ! ]WRC+b1≦L [ ! ]WRC(Y)≧2 [ NG ]同一平面上での加工不可 [ NG ]RCとの併用不可 | SL-PSSFGU30-300-F40-B30-P20-T50-S40-Q16-SC10-WRC10-Y10 | 1,000 | ||||||||||||||||||||||||||||||||||||||||||||||||||||||||||||||||||||||||||||||||||||||||||||||||||||||||||||||||||||||||||||||||||||||||||||||||||||||||||||||||||||||||||||||||||||||||||||||||||||||||||||||||||||||||||||||||||||||||||||||||||||||||||||||||||||||||||||||||
| PMC PMS QMC QMS | おねじを細目ねじに変更 |
| 【ベアリングナット 細目追加工】 ・左端を「PMC」、右端を「QMC」と指定 【シリンダ 細目追加工】 ・左端を「PMS」、右端を「QMS」と指定 | SL-PSSFGU30-300-F40-B30-PMC15-T50-S40-QMC15-SC10 | 300 | ||||||||||||||||||||||||||||||||||||||||||||||||||||||||||||||||||||||||||||||||||||||||||||||||||||||||||||||||||||||||||||||||||||||||||||||||||||||||||||||||||||||||||||||||||||||||||||||||||||||||||||||||||||||||||||||||||||||||||||||||||||||||||||||||||||||||||||||||
| PC QC | 逃げ溝追加 | ・並目ねじの場合
・細目ねじ追加工と組み合わせた場合
| [ ! ]M=6以上適用 [ ! ]D≦8対象 [ ! ]逃げ溝幅=F(T)-B(S) [ NG ]D=Q,D=P対象外 | SL-PSSFGU30-300-F40-B30-P20-T50-S40-Q16-SC10-PC-QC | 無料 | ||||||||||||||||||||||||||||||||||||||||||||||||||||||||||||||||||||||||||||||||||||||||||||||||||||||||||||||||||||||||||||||||||||||||||||||||||||||||||||||||||||||||||||||||||||||||||||||||||||||||||||||||||||||||||||||||||||||||||||||||||||||||||||||||||||||||||||||||


■真円度 M
| D | 真円度 M | |
|---|---|---|
| を超え | 以下 | |
| 5 | 13 | 0.004 |
| 13 | 20 | 0.005 |
| 20 | 40 | 0.006 |
| 40 | 50 | 0.007 |
| D | 真円度 M | |
|---|---|---|
| を超え | 以下 | |
| 5 | 10 | 0.011 |
| 10 | 18 | 0.014 |
| 18 | 30 | 0.017 |
| 30 | 50 | 0.020 |
■真直度 K
| D | L | 真直度 K | |
|---|---|---|---|
| 6~50 | L≦100 | 0.01以下 | |
| L>100 | (L/100)×0.01以下 | ||
| L | 真直度 K | |
|---|---|---|
| L≦100 | 0.025以下 | |
| L>100 | (L/100)×0.025以下 | |
■L寸法公差
| L | L寸法 公差 | |
|---|---|---|
| を超え | 以下 | |
| 24 | 30 | ±0.2 |
| 30 | 120 | ±0.3 |
| 120 | 400 | ±0.5 |
| 400 | 1000 | ±0.8 |
| 1000 | 1500 | ±1.2 |
| L | L寸法 公差 | |
|---|---|---|
| を超え | 以下 | |
| 24 | 30 | ±0.2 |
| 30 | 120 | ±0.3 |
| 120 | 400 | ±0.5 |
| 400 | 1000 | ±0.8 |
| 1000 | 1500 | ±1.2 |
■同軸度・直角度

■加工部の硬度低下について
・母材焼入れ後に加工をいたしますが、加工のための焼きなましにより硬度低下の可能性があります。
※低下後硬度:10~40HRC程度
■硬度低下範囲
・加工部から10mm程度
(例)

■焼なましによる硬度低下加工部
・おねじ ・スパナ溝 ・平面取り ・90度平面取り
■キリ穴付きタイプの硬度低下範囲
キリ穴付きタイプは材質により焼きなまし硬度低下の範囲が異なります。
⇒SUJ2相当:加工部含め、端より20mm程度
⇒SUS440C又は13Cr系ステンレス:加工部含め、端より30mm程度

※キリ穴加工付近は焼鈍しによる変形のため、外径が公差より外れる場合がございます。
■焼き入れの有効硬化層深さ
有効硬化層深さは外形寸法や材質の違いにより異なります。
| 外径 D | 有効硬化層深さ | |||
|---|---|---|---|---|
| SUJ2相当 | SUS440C/ 13Cr系ステンレス | |||
| 6~10 | 0.5以上 | 0.5以上 | ||
| 12・13 | 0.7以上 | |||
| 15~20 | 0.7以上 | |||
| 25~50 | 1.0以上 | |||
■硬質クロムメッキ及び加工部のメッキ層について
例)メッキ残り部:段付き おねじシャフト 平面取り追加
///部:メッキ残部

■キリ穴メッキ剥離について
・キリ穴部はバリ取り処理による、加工付近にメッキ層の剥離がある場合がございます。
///部:メッキ剥離部

・リニアシャフトと 回転軸用シャフトの仕様比較
■基本仕様
| 仕様 | シャフト | 回転軸 | ||||||||
|---|---|---|---|---|---|---|---|---|---|---|
| 材質 | SUJ2相当 SUS440Cまたは13Cr系ステンレス | S45C相当 SUS304 | S45C相当 SUS304 | SCM435 | ||||||
| 焼き入れ | 高周波焼き入れ | - | - | 硬度30~35HRC | ||||||
| 外径公差 | g6/h5 | f8 | g6/h9/h7 | g6 | ||||||
| 表面処理 | メッキ無 硬質クロムメッキ 低温黒色クロムメッキ 無電解ニッケルメッキ(全長表面処理タイプ) | 硬質クロムメッキ | メッキ無 四三酸化鉄皮膜 無電解ニッケルメッキ | 四三酸化鉄皮膜 無電解ニッケルメッキ | ||||||
※硬質クロムメッキは加工部にメッキ層が残りません。詳しくは こちらをご確認ください。
■追加工
| 追加工名称 | シャフト | 回転軸 | |||||
|---|---|---|---|---|---|---|---|
| L寸公差変更 | L<200⇒L±0.03 200≦L<500⇒L±0.05 L≧500⇒L±0.1 | L<500⇒L±0.05 L≧500⇒L±0.1 L≧800は適用不可 | |||||
| スパナ溝追加工 | 2箇所まで指定可能 | 1箇所まで指定可能 | |||||
| 平面取り | 2箇所まで指定可能 | 3箇所まで指定可能 | |||||
| 2面取り追加工 | 2箇所まで指定可能 角度指定:固定 | 1箇所まで指定可能 角度指定:15度単位で指定可能 | |||||
| V溝追加工 | 2箇所まで指定可能 | ー | |||||
| キー溝 | 2箇所まで指定可能 段部への加工:不可 | 4箇所まで指定可能 段部への加工:可 | |||||
| おねじ細目ねじ変更 | 2種類 | 1種類 | |||||
| めねじ細目ねじ変更 | 1種類 | ー | |||||
| 逃げ溝追加 | M6~M30 | M3~M30 | |||||
| めねじ深さ変更 | 可能 | 可能 | |||||
| 止め輪溝 | 2箇所指定可能 (追加工ではなく止め輪付タイプとなります) | D部2箇所、段部それぞれ1箇所 併用可 | |||||
| スリットカム用溝 | ー | 1箇所まで指定可能 | |||||
| 同軸度変更 | ー | 可能 | |||||
| おねじ左ねじ変更 | ー | 可能 | |||||
| すり割り溝追加 | ー | 1箇所まで指定可能 | |||||
| C面取り幅変更 | ー | 可能 | |||||
■よくある質問
//jp.misumi-ec.com/maker/misumi/mech/linear_shaft/tech_support/#anc06
洗浄工程| ※材質がステンレスの場合、アルカリ系温水洗浄となることがあります。 | |
| ・脱脂洗浄(型式:SL-□□) | ※表面処理が低温黒色クロムメッキの場合、IPA洗浄となります。 |
作業環境:一般環境 | ||||||
|---|---|---|---|---|---|---|
![]() 炭化水素系洗浄※ Ro水洗浄 中性洗剤洗浄 | ![]() | ![]() 高圧ジェット水洗(Ro水) 後に純水(10MΩ・cm)で 洗浄 | ![]() | ![]() エアブロー(オイルフリー) 使用 | ![]() | ![]() 防錆袋使用 |
| ・精密洗浄(型式:SH-□□) | ※表面処理が低温黒色クロムメッキの場合、IPA洗浄となります。 |
作業環境:クラス1000 | 作業環境:クラス10 | |||||||
|---|---|---|---|---|---|---|---|---|
![]() 炭化水素系洗浄※ Ro水洗浄 中性洗剤洗浄 | ![]() | ![]() 高圧ジェット水洗(Ro水) 後に純水(10MΩ・cm)で 洗浄 | ![]() | ![]() 温純水(13MΩ・cm)使用 | ![]() | ![]() 窒素ブロー使用 | ![]() | ![]() クリーンベンチ(クラス10) で実施 |
作業環境:クラス1000 | 作業環境:クラス10 | |||||||||
|---|---|---|---|---|---|---|---|---|---|---|
![]() 炭化水素系洗浄 Ro水洗浄 中性洗剤洗浄 | ![]() | ![]() 材質に応じた電解研磨槽 で電解研磨 | ![]() | ![]() 高圧ジェット水洗(Ro水) 後に純水(10MΩ・cm)で 洗浄 | ![]() | ![]() 温純水(13MΩ・cm)使用 | ![]() | ![]() 窒素ブロー使用 | ![]() | ![]() クリーンベンチ(クラス10) で実施 |
梱包例| 脱脂洗浄の場合 (TYPE型番:SL-□□) | 精密洗浄または電解研磨+精密洗浄の場合 | |
| (TYPE型番:SH-□□・SHD-□□) | ||
| オーステナイト系ステンレス・アルミ材質の場合 | 鉄・マルテンサイト系ステンレス材質の場合 | |
![]() | ![]() | ![]() |
| 一部商品・サイズによっては、 梱包形態が異なる場合がございます。 | [ ! ]1重目・2重目の梱包とも、脱気されております。 | [ ! ]防錆対策として乾燥剤を同封しております。 1梱包につき1つになります。 |
洗浄効果・利用推奨環境| 洗浄方法 | 商品型番 | 梱包形態 | 未洗浄品と比べた効果 | ご利用環境(目安) | 利用シーン・工程 |
|---|---|---|---|---|---|
| 脱脂洗浄 | SL-□□ | 防錆梱包 | 油分除去 | 一般環境 | 通常組立工程 |
| バッテリー組立後工程 | |||||
| 精密洗浄 | SH-□□ | 脱気2重梱包 | 油分除去 粉塵除去 | クリーン環境(クラス10~1,000) | バッテリー組立工程 |
| 液晶関連組立後工程 | |||||
| 車載カメラ組立工程 | |||||
| 電解研磨+精密洗浄 | SHD-□□ | 脱気2重梱包 | 油分除去 粉塵除去 アウトガス低減 | 真空環境 クリーン環境(クラス10~1,000) | 半導体前工程 |
| 液晶成膜工程 | |||||
| 有機EL前工程 |
| 型番 |
|---|
通常単価(税別)
(税込単価) | 通常出荷日 |
|---|
- ( - ) | 6日目 |
- ( - ) | 6日目 |
- ( - ) | 6日目 |
- ( - ) | 6日目 |
- ( - ) | 6日目 |
- ( - ) | 6日目 |
- ( - ) | 6日目 |
- ( - ) | 6日目 |
- ( - ) | 6日目 |
- ( - ) | 6日目 |
- ( - ) | 6日目 |
- ( - ) | 6日目 |
- ( - ) | 6日目 |
- ( - ) | 6日目 |
- ( - ) | 6日目 |
- ( - ) | 6日目 |
- ( - ) | 6日目 |
- ( - ) | 6日目 |
- ( - ) | 6日目 |
- ( - ) | 6日目 |
- ( - ) | 6日目 |
- ( - ) | 6日目 |
- ( - ) | 6日目 |
- ( - ) | 6日目 |
- ( - ) | 6日目 |
- ( - ) | 6日目 |
- ( - ) | 6日目 |
- ( - ) | 6日目 |
- ( - ) | 6日目 |
- ( - ) | 6日目 |
- ( - ) | 6日目 |
- ( - ) | 6日目 |
- ( - ) | 6日目 |
- ( - ) | 6日目 |
- ( - ) | 6日目 |
- ( - ) | 6日目 |
- ( - ) | 6日目 |
- ( - ) | 6日目 |
- ( - ) | 6日目 |
- ( - ) | 6日目 |
- ( - ) | 6日目 |
- ( - ) | 6日目 |
- ( - ) | 6日目 |
- ( - ) | 6日目 |
- ( - ) | 6日目 |
- ( - ) | 6日目 |
- ( - ) | 6日目 |
- ( - ) | 6日目 |
- ( - ) | 6日目 |
- ( - ) | 6日目 |
- ( - ) | 6日目 |
- ( - ) | 6日目 |
- ( - ) | 6日目 |
- ( - ) | 6日目 |
- ( - ) | 6日目 |
- ( - ) | 6日目 |
- ( - ) | 6日目 |
- ( - ) | 6日目 |
- ( - ) | 6日目 |
- ( - ) | 6日目 |
| ・脱脂洗浄(防錆1重梱包) | :型番SL-□□ |
| ・精密洗浄(脱気2重梱包) | :型番SH-□□ |
| ・電解研磨+精密洗浄(脱気2重梱包) | :型番SHD-□□ |
| 商品型番 | 洗浄方法 | 梱包形態 | 未洗浄品と比べた効果 | ご利用環境(目安) | 工程別 |
| SL-□□ | 脱脂洗浄 | 防錆梱包 | 油分除去 | 一般環境 | 通常組立工程 |
| バッテリー組立後工程 | |||||
| SH-□□ | 精密洗浄 | 脱気2重梱包 | 油分除去 粉塵除去 | クリーン環境(クラス10~1,000) | バッテリー組立工程 |
| 液晶関連組立後工程 | |||||
| 車載カメラ組立工程 | |||||
| SHD-□□ | 電解研磨+精密洗浄 | 脱気2重梱包 | 油分除去 粉塵除去 アウトガス低減 | 真空環境 クリーン環境(クラス10~1,000) | 半導体前工程 |
| 液晶成膜工程 | |||||
| 有機EL前工程 |
| D | ¥基準単価 | |||||||||
| SL-PSSFGU | SH-PSSFGU | |||||||||
| 最短L | L101 | L201 | L401 | L601 | 最短L | L101 | L201 | L401 | L601 | |
| ~ | ~ | ~ | ~ | ~ | ~ | ~ | ~ | ~ | ~ | |
| 100 | 200 | 400 | 600 | 796 | 100 | 200 | 400 | 600 | 796 | |
| 6 | 3,020 | 3,770 | 4,640 | 6,000 | 6,660 | 3,160 | 3,910 | 4,780 | 6,140 | 6,800 |
| 8 | 3,030 | 3,780 | 4,680 | 6,050 | 7,430 | 3,170 | 3,920 | 4,820 | 6,190 | 7,570 |
| 10 | 3,030 | 3,780 | 4,600 | 5,850 | 7,160 | 3,170 | 3,920 | 4,740 | 5,990 | 7,300 |
| 12・13 | 3,140 | 3,950 | 4,700 | 5,890 | 7,120 | 3,280 | 4,090 | 4,840 | 6,030 | 7,260 |
| 15・16 | 3,340 | 4,280 | 4,920 | 6,250 | 7,500 | 3,480 | 4,420 | 5,060 | 6,390 | 7,640 |
| 18・20 | 3,560 | 4,640 | 5,350 | 6,740 | 8,200 | 3,700 | 4,780 | 5,490 | 6,880 | 8,340 |
| 25 | 3,710 | 4,900 | 5,690 | 7,260 | 8,860 | 3,850 | 5,040 | 5,830 | 7,400 | 9,000 |
| 30 | 3,840 | 5,120 | 6,050 | 7,860 | 9,700 | 3,980 | 5,260 | 6,190 | 8,000 | 9,840 |
| 35 | 4,090 | 5,540 | 7,210 | 9,120 | 11,280 | 4,230 | 5,680 | 7,350 | 9,260 | 11,420 |
| 40 | 4,550 | 6,310 | 8,380 | 10,740 | 13,400 | 4,690 | 6,450 | 8,520 | 10,880 | 13,540 |
| 50 | 5,650 | 8,130 | 10,670 | 13,960 | 17,840 | 5,790 | 8,270 | 10,810 | 14,100 | 17,980 |
| D | ¥基準単価 | |||||||||||||||||||
| SL-SSFAU | SH-SSFAU | |||||||||||||||||||
| 最短L | L51 | L101 | L151 | L201 | L251 | L301 | L351 | L401 | L451 | 最短L | L51 | L101 | L151 | L201 | L251 | L301 | L351 | L401 | L451 | |
| 〜 | 〜 | 〜 | 〜 | 〜 | 〜 | 〜 | 〜 | 〜 | 〜 | 〜 | 〜 | 〜 | 〜 | 〜 | 〜 | 〜 | 〜 | 〜 | 〜 | |
| 50 | 100 | 150 | 200 | 250 | 300 | 350 | 400 | 450 | 500 | 50 | 100 | 150 | 200 | 250 | 300 | 350 | 400 | 450 | 500 | |
| 6 | 2,590 | 2,760 | 2,930 | 3,080 | 3,740 | 3,900 | 5,360 | 5,510 | 5,670 | 5,820 | 3,190 | 3,360 | 3,530 | 3,680 | 4,540 | 4,700 | 6,360 | 6,510 | 6,670 | 6,820 |
| 8 | 2,720 | 2,900 | 3,060 | 3,230 | 3,910 | 4,080 | 5,540 | 5,710 | 5,880 | 6,060 | 3,320 | 3,500 | 3,660 | 3,830 | 4,710 | 4,880 | 6,540 | 6,710 | 6,880 | 7,060 |
| 10 | 2,830 | 3,010 | 3,190 | 3,370 | 4,050 | 4,220 | 5,700 | 5,880 | 6,060 | 6,240 | 3,430 | 3,610 | 3,790 | 3,970 | 4,850 | 5,020 | 6,700 | 6,880 | 7,060 | 7,240 |
| 12 | 2,960 | 3,180 | 3,390 | 3,600 | 4,310 | 4,520 | 6,040 | 6,250 | 6,460 | 6,660 | 3,560 | 3,780 | 3,990 | 4,200 | 5,110 | 5,320 | 7,040 | 7,250 | 7,460 | 7,660 |
| 13 | 3,030 | 3,250 | 3,470 | 3,710 | 4,430 | 4,650 | 6,170 | 6,400 | 6,620 | 6,850 | 3,630 | 3,850 | 4,070 | 4,310 | 5,230 | 5,450 | 7,170 | 7,400 | 7,620 | 7,850 |
| 15 | 3,170 | 3,430 | 3,700 | 3,950 | 4,730 | 4,990 | 6,550 | 6,810 | 7,080 | 7,330 | 3,770 | 4,030 | 4,300 | 4,550 | 5,530 | 5,790 | 7,550 | 7,810 | 8,080 | 8,330 |
| 16 | 3,230 | 3,510 | 3,780 | 4,060 | 4,830 | 5,110 | 6,680 | 6,960 | 7,230 | 7,510 | 3,830 | 4,110 | 4,380 | 4,660 | 5,630 | 5,910 | 7,680 | 7,960 | 8,230 | 8,510 |
| 18 | 3,370 | 3,660 | 3,970 | 4,280 | 5,080 | 5,390 | 6,990 | 7,300 | 7,610 | 7,900 | 3,970 | 4,260 | 4,570 | 4,880 | 5,880 | 6,190 | 7,990 | 8,300 | 8,610 | 8,900 |
| 20 | 3,440 | 3,730 | 4,020 | 4,310 | 5,100 | 5,390 | 6,990 | 7,300 | 7,610 | 7,900 | 4,040 | 4,330 | 4,620 | 4,910 | 5,900 | 6,190 | 7,990 | 8,300 | 8,610 | 8,900 |
| 25 | 3,720 | 4,690 | 5,230 | 5,760 | 6,800 | 7,340 | 9,170 | 9,700 | 10,250 | 10,780 | 4,320 | 5,290 | 5,830 | 6,360 | 7,600 | 8,140 | 10,170 | 10,700 | 11,250 | 11,780 |
| 30 | 3,730 | 4,790 | 5,820 | 6,520 | 7,680 | 8,350 | 10,010 | 10,010 | 11,080 | 11,080 | 4,330 | 5,390 | 6,420 | 7,120 | 8,480 | 9,150 | 11,010 | 11,010 | 12,080 | 12,080 |
| 35 | 3,740 | 4,800 | 5,830 | 6,850 | 8,400 | 8,400 | 10,020 | 10,020 | 11,100 | 11,100 | 4,340 | 5,400 | 6,430 | 7,450 | 9,200 | 9,200 | 11,020 | 11,020 | 12,100 | 12,100 |
| 40 | 4,230 | 5,490 | 6,760 | 8,020 | 9,800 | 9,800 | 11,490 | 11,490 | 12,820 | 12,820 | 4,830 | 6,090 | 7,360 | 8,620 | 10,600 | 10,600 | 12,490 | 12,490 | 13,820 | 13,820 |
| 50 | 5,340 | 7,160 | 8,990 | 10,810 | 12,900 | 12,900 | 14,550 | 14,550 | 16,410 | 16,410 | 5,940 | 7,760 | 9,590 | 11,410 | 13,700 | 13,700 | 15,550 | 15,550 | 17,410 | 17,410 |
| D | ¥基準単価 | |||||||||||
| SL-SSFAU | SH-SSFAU | |||||||||||
| L501 | L551 | L601 | L651 | L701 | L751 | L501 | L551 | L601 | L651 | L701 | L751 | |
| 〜 | 〜 | 〜 | 〜 | 〜 | 〜 | 〜 | 〜 | 〜 | 〜 | 〜 | 〜 | |
| 550 | 600 | 650 | 700 | 750 | 796 | 550 | 600 | 650 | 700 | 750 | 796 | |
| 6 | 5,970 | 6,130 | 6,290 | 6,440 | 6,600 | 6,760 | 6,970 | 7,130 | 7,290 | 7,440 | 7,600 | 7,760 |
| 8 | 6,220 | 6,390 | 6,560 | 6,730 | 6,880 | 7,060 | 7,220 | 7,390 | 7,560 | 7,730 | 7,880 | 8,060 |
| 10 | 6,410 | 6,590 | 6,770 | 6,950 | 7,130 | 7,300 | 7,410 | 7,590 | 7,770 | 7,950 | 8,130 | 8,300 |
| 12 | 6,870 | 7,090 | 7,300 | 7,510 | 7,720 | 7,930 | 7,870 | 8,090 | 8,300 | 8,510 | 8,720 | 8,930 |
| 13 | 7,080 | 7,300 | 7,520 | 7,750 | 7,980 | 8,200 | 8,080 | 8,300 | 8,520 | 8,750 | 8,980 | 9,200 |
| 15 | 7,610 | 7,860 | 8,120 | 8,390 | 8,640 | 8,920 | 8,610 | 8,860 | 9,120 | 9,390 | 9,640 | 9,920 |
| 16 | 7,800 | 8,060 | 8,340 | 8,610 | 8,880 | 9,160 | 8,800 | 9,060 | 9,340 | 9,610 | 9,880 | 10,160 |
| 18 | 8,210 | 8,520 | 8,820 | 9,130 | 9,440 | 9,740 | 9,210 | 9,520 | 9,820 | 10,130 | 10,440 | 10,740 |
| 20 | 8,210 | 8,520 | 8,820 | 9,130 | 9,440 | 9,740 | 9,210 | 9,520 | 9,820 | 10,130 | 10,440 | 10,740 |
| 25 | 11,320 | 11,850 | 12,380 | 12,930 | 13,460 | 13,990 | 12,320 | 12,850 | 13,380 | 13,930 | 14,460 | 14,990 |
| 30 | 12,160 | 12,160 | 14,240 | 14,570 | 14,570 | 14,570 | 13,160 | 13,160 | 15,240 | 15,570 | 15,570 | 15,570 |
| 35 | 12,170 | 12,170 | 14,580 | 14,580 | 14,580 | 14,580 | 13,170 | 13,170 | 15,580 | 15,580 | 15,580 | 15,580 |
| 40 | 14,170 | 14,170 | 17,150 | 17,150 | 17,150 | 17,150 | 15,170 | 15,170 | 18,150 | 18,150 | 18,150 | 18,150 |
| 50 | 18,250 | 18,250 | 22,610 | 22,610 | 22,610 | 22,610 | 19,250 | 19,250 | 23,610 | 23,610 | 23,610 | 23,610 |
| D | ¥基準単価 | |||||||||||||||||||
| SL-SSFUU | SH-SSFUU | |||||||||||||||||||
| 最短L | L51 | L101 | L151 | L201 | L251 | L301 | L351 | L401 | L451 | 最短L | L51 | L101 | L151 | L201 | L251 | L301 | L351 | L401 | L451 | |
| 〜 | 〜 | 〜 | 〜 | 〜 | 〜 | 〜 | 〜 | 〜 | 〜 | 〜 | 〜 | 〜 | 〜 | 〜 | 〜 | 〜 | 〜 | 〜 | 〜 | |
| 50 | 100 | 150 | 200 | 250 | 300 | 350 | 400 | 450 | 500 | 50 | 100 | 150 | 200 | 250 | 300 | 350 | 400 | 450 | 500 | |
| 6 | 3,120 | 3,290 | 3,470 | 3,630 | 4,300 | 4,460 | 5,930 | 6,090 | 6,260 | 6,420 | 3,720 | 3,890 | 4,070 | 4,230 | 5,100 | 5,260 | 6,930 | 7,090 | 7,260 | 7,420 |
| 8 | 3,250 | 3,440 | 3,610 | 3,790 | 4,470 | 4,650 | 6,120 | 6,300 | 6,480 | 6,660 | 3,850 | 4,040 | 4,210 | 4,390 | 5,270 | 5,450 | 7,120 | 7,300 | 7,480 | 7,660 |
| 10 | 3,370 | 3,560 | 3,740 | 3,930 | 4,620 | 4,800 | 6,290 | 6,480 | 6,660 | 6,850 | 3,970 | 4,160 | 4,340 | 4,530 | 5,420 | 5,600 | 7,290 | 7,480 | 7,660 | 7,850 |
| 12 | 3,510 | 3,730 | 3,950 | 4,170 | 4,900 | 5,120 | 6,640 | 6,860 | 7,090 | 7,300 | 4,110 | 4,330 | 4,550 | 4,770 | 5,700 | 5,920 | 7,640 | 7,860 | 8,090 | 8,300 |
| 13 | 3,580 | 3,810 | 4,050 | 4,290 | 5,020 | 5,260 | 6,790 | 7,020 | 7,260 | 7,500 | 4,180 | 4,410 | 4,650 | 4,890 | 5,820 | 6,060 | 7,790 | 8,020 | 8,260 | 8,500 |
| 15 | 3,720 | 4,000 | 4,280 | 4,540 | 5,330 | 5,620 | 7,180 | 7,460 | 7,730 | 8,000 | 4,320 | 4,600 | 4,880 | 5,140 | 6,130 | 6,420 | 8,180 | 8,460 | 8,730 | 9,000 |
| 16 | 3,790 | 4,080 | 4,360 | 4,660 | 5,450 | 5,730 | 7,320 | 7,620 | 7,900 | 8,190 | 4,390 | 4,680 | 4,960 | 5,260 | 6,250 | 6,530 | 8,320 | 8,620 | 8,900 | 9,190 |
| 18 | 3,930 | 4,250 | 4,570 | 4,890 | 5,700 | 6,030 | 7,650 | 7,970 | 8,290 | 8,600 | 4,530 | 4,850 | 5,170 | 5,490 | 6,500 | 6,830 | 8,650 | 8,970 | 9,290 | 9,600 |
| 20 | 4,010 | 4,310 | 4,620 | 4,930 | 5,720 | 6,030 | 7,650 | 7,970 | 8,290 | 8,600 | 4,610 | 4,910 | 5,220 | 5,530 | 6,520 | 6,830 | 8,650 | 8,970 | 9,290 | 9,600 |
| 25 | 4,210 | 5,170 | 5,710 | 6,250 | 7,280 | 7,820 | 9,660 | 10,180 | 10,730 | 11,270 | 4,810 | 5,770 | 6,310 | 6,850 | 8,080 | 8,620 | 10,660 | 11,180 | 11,730 | 12,270 |
| 30 | 4,220 | 5,270 | 6,290 | 7,000 | 8,150 | 8,820 | 10,490 | 10,490 | 11,570 | 11,570 | 4,820 | 5,870 | 6,890 | 7,600 | 8,950 | 9,620 | 11,490 | 11,490 | 12,570 | 12,570 |
| 35 | 4,230 | 5,280 | 6,300 | 7,330 | 8,880 | 8,880 | 10,500 | 10,500 | 11,580 | 11,580 | 4,830 | 5,880 | 6,900 | 7,930 | 9,680 | 9,680 | 11,500 | 11,500 | 12,580 | 12,580 |
| 40 | 4,700 | 5,980 | 7,230 | 8,490 | 10,280 | 10,280 | 11,980 | 11,980 | 13,310 | 13,310 | 5,300 | 6,580 | 7,830 | 9,090 | 11,080 | 11,080 | 12,980 | 12,980 | 14,310 | 14,310 |
| 50 | 5,830 | 7,630 | 9,480 | 11,280 | 13,380 | 13,380 | 15,030 | 15,030 | 16,880 | 16,880 | 6,430 | 8,230 | 10,080 | 11,880 | 14,180 | 14,180 | 16,030 | 16,030 | 17,880 | 17,880 |
| D | ¥基準単価 | |||||||||||
| SL-SSFUU | SH-SSFUU | |||||||||||
| L501 | L551 | L601 | L651 | L701 | L751 | L501 | L551 | L601 | L651 | L701 | L751 | |
| 〜 | 〜 | 〜 | 〜 | 〜 | 〜 | 〜 | 〜 | 〜 | 〜 | 〜 | 〜 | |
| 550 | 600 | 650 | 700 | 750 | 796 | 550 | 600 | 650 | 700 | 750 | 796 | |
| 6 | 6,580 | 6,750 | 6,920 | 7,060 | 7,230 | 7,400 | 7,580 | 7,750 | 7,920 | 8,060 | 8,230 | 8,400 |
| 8 | 6,830 | 7,010 | 7,190 | 7,370 | 7,530 | 7,720 | 7,830 | 8,010 | 8,190 | 8,370 | 8,530 | 8,720 |
| 10 | 7,030 | 7,220 | 7,410 | 7,610 | 7,800 | 7,970 | 8,030 | 8,220 | 8,410 | 8,610 | 8,800 | 8,970 |
| 12 | 7,520 | 7,740 | 7,970 | 8,190 | 8,410 | 8,630 | 8,520 | 8,740 | 8,970 | 9,190 | 9,410 | 9,630 |
| 13 | 7,730 | 7,970 | 8,200 | 8,440 | 8,690 | 8,920 | 8,730 | 8,970 | 9,200 | 9,440 | 9,690 | 9,920 |
| 15 | 8,290 | 8,560 | 8,830 | 9,110 | 9,390 | 9,670 | 9,290 | 9,560 | 9,830 | 10,110 | 10,390 | 10,670 |
| 16 | 8,500 | 8,770 | 9,060 | 9,350 | 9,630 | 9,930 | 9,500 | 9,770 | 10,060 | 10,350 | 10,630 | 10,930 |
| 18 | 8,930 | 9,250 | 9,580 | 9,890 | 10,210 | 10,530 | 9,930 | 10,250 | 10,580 | 10,890 | 11,210 | 11,530 |
| 20 | 8,930 | 9,250 | 9,580 | 9,890 | 10,210 | 10,530 | 9,930 | 10,250 | 10,580 | 10,890 | 11,210 | 11,530 |
| 25 | 11,800 | 12,330 | 12,870 | 13,410 | 13,930 | 14,470 | 12,800 | 13,330 | 13,870 | 14,410 | 14,930 | 15,470 |
| 30 | 12,640 | 12,640 | 14,710 | 15,060 | 15,060 | 15,060 | 13,640 | 13,640 | 15,710 | 16,060 | 16,060 | 16,060 |
| 35 | 12,650 | 12,650 | 15,070 | 15,070 | 15,070 | 15,070 | 13,650 | 13,650 | 16,070 | 16,070 | 16,070 | 16,070 |
| 40 | 14,650 | 14,650 | 17,630 | 17,630 | 17,630 | 17,630 | 15,650 | 15,650 | 18,630 | 18,630 | 18,630 | 18,630 |
| 50 | 18,730 | 18,730 | 23,090 | 23,090 | 23,090 | 23,090 | 19,730 | 19,730 | 24,090 | 24,090 | 24,090 | 24,090 |
| D | ¥基準単価 | |||||||||||||||||||
| SL-PSSFAU | SH-PSSFAU | |||||||||||||||||||
| 最短L | L51 | L101 | L151 | L201 | L251 | L301 | L351 | L401 | L451 | 最短L | L51 | L101 | L151 | L201 | L251 | L301 | L351 | L401 | L451 | |
| 〜 | 〜 | 〜 | 〜 | 〜 | 〜 | 〜 | 〜 | 〜 | 〜 | 〜 | 〜 | 〜 | 〜 | 〜 | 〜 | 〜 | 〜 | 〜 | 〜 | |
| 50 | 100 | 150 | 200 | 250 | 300 | 350 | 400 | 450 | 500 | 50 | 100 | 150 | 200 | 250 | 300 | 350 | 400 | 450 | 500 | |
| 6 | 2,640 | 2,860 | 3,060 | 3,260 | 3,960 | 4,160 | 5,670 | 5,880 | 6,080 | 6,280 | 3,240 | 3,460 | 3,660 | 3,860 | 4,760 | 4,960 | 6,670 | 6,880 | 7,080 | 7,280 |
| 8 | 2,750 | 2,980 | 3,180 | 3,390 | 4,100 | 4,300 | 5,810 | 6,030 | 6,220 | 6,430 | 3,350 | 3,580 | 3,780 | 3,990 | 4,900 | 5,100 | 6,810 | 7,030 | 7,220 | 7,430 |
| 10 | 2,880 | 3,100 | 3,320 | 3,530 | 4,250 | 4,470 | 5,990 | 6,210 | 6,430 | 6,650 | 3,480 | 3,700 | 3,920 | 4,130 | 5,050 | 5,270 | 6,990 | 7,210 | 7,430 | 7,650 |
| 12 | 3,020 | 3,280 | 3,560 | 3,820 | 4,590 | 4,850 | 6,420 | 6,680 | 6,950 | 7,210 | 3,620 | 3,880 | 4,160 | 4,420 | 5,390 | 5,650 | 7,420 | 7,680 | 7,950 | 8,210 |
| 13 | 3,080 | 3,360 | 3,630 | 3,900 | 4,670 | 4,960 | 6,520 | 6,800 | 7,080 | 7,360 | 3,680 | 3,960 | 4,230 | 4,500 | 5,470 | 5,760 | 7,520 | 7,800 | 8,080 | 8,360 |
| 15 | 3,240 | 3,570 | 3,900 | 4,240 | 5,070 | 5,400 | 7,030 | 7,360 | 7,690 | 8,030 | 3,840 | 4,170 | 4,500 | 4,840 | 5,870 | 6,200 | 8,030 | 8,360 | 8,690 | 9,030 |
| 16 | 3,290 | 3,640 | 3,990 | 4,330 | 5,180 | 5,520 | 7,170 | 7,510 | 7,860 | 8,200 | 3,890 | 4,240 | 4,590 | 4,930 | 5,980 | 6,320 | 8,170 | 8,510 | 8,860 | 9,200 |
| 18 | 3,480 | 3,920 | 4,350 | 4,790 | 5,720 | 6,160 | 7,890 | 8,330 | 8,760 | 9,200 | 4,080 | 4,520 | 4,950 | 5,390 | 6,520 | 6,960 | 8,890 | 9,330 | 9,760 | 10,200 |
| 20 | 3,550 | 3,920 | 4,350 | 4,790 | 5,720 | 6,160 | 7,890 | 8,330 | 8,760 | 9,200 | 4,150 | 4,520 | 4,950 | 5,390 | 6,520 | 6,960 | 8,890 | 9,330 | 9,760 | 10,200 |
| 25 | 4,320 | 5,010 | 5,690 | 6,370 | 7,560 | 8,250 | 10,250 | 10,920 | 11,610 | 12,300 | 4,920 | 5,610 | 6,290 | 6,970 | 8,360 | 9,050 | 11,250 | 11,920 | 12,610 | 13,300 |
| 30 | 4,610 | 5,540 | 6,350 | 7,170 | 8,480 | 9,300 | 11,420 | 12,240 | 13,050 | 13,860 | 5,210 | 6,140 | 6,950 | 7,770 | 9,280 | 10,100 | 12,420 | 13,240 | 14,050 | 14,860 |
| 35 | 4,620 | 6,080 | 7,560 | 9,010 | 10,990 | 10,990 | 12,750 | 12,750 | 14,270 | 14,270 | 5,220 | 6,680 | 8,160 | 9,610 | 11,790 | 11,790 | 13,750 | 13,750 | 15,270 | 15,270 |
| 40 | 5,290 | 7,070 | 8,850 | 10,670 | 12,970 | 12,970 | 14,840 | 14,840 | 16,740 | 16,740 | 5,890 | 7,670 | 9,450 | 11,270 | 13,770 | 13,770 | 15,840 | 15,840 | 17,740 | 17,740 |
| 50 | 6,860 | 9,460 | 12,030 | 14,620 | 17,350 | 17,350 | 19,160 | 19,160 | 21,800 | 21,800 | 7,460 | 10,060 | 12,630 | 15,220 | 18,150 | 18,150 | 20,160 | 20,160 | 22,800 | 22,800 |
| D | ¥基準単価 | |||||||||||
| SL-PSSFAU | SH-PSSFAU | |||||||||||
| L501 | L551 | L601 | L651 | L701 | L751 | L501 | L551 | L601 | L651 | L701 | L751 | |
| 〜 | 〜 | 〜 | 〜 | 〜 | 〜 | 〜 | 〜 | 〜 | 〜 | 〜 | 〜 | |
| 550 | 600 | 650 | 700 | 750 | 796 | 550 | 600 | 650 | 700 | 750 | 796 | |
| 6 | 6,480 | 6,680 | 6,870 | 7,080 | 7,280 | 7,480 | 7,480 | 7,680 | 7,870 | 8,080 | 8,280 | 8,480 |
| 8 | 6,640 | 6,840 | 7,050 | 7,270 | 7,470 | 7,680 | 7,640 | 7,840 | 8,050 | 8,270 | 8,470 | 8,680 |
| 10 | 6,870 | 7,090 | 7,310 | 7,530 | 7,750 | 7,970 | 7,870 | 8,090 | 8,310 | 8,530 | 8,750 | 8,970 |
| 12 | 7,480 | 7,740 | 8,020 | 8,280 | 8,540 | 8,800 | 8,480 | 8,740 | 9,020 | 9,280 | 9,540 | 9,800 |
| 13 | 7,630 | 7,900 | 8,170 | 8,440 | 8,730 | 9,000 | 8,630 | 8,900 | 9,170 | 9,440 | 9,730 | 10,000 |
| 15 | 8,360 | 8,700 | 9,030 | 9,350 | 9,680 | 10,020 | 9,360 | 9,700 | 10,030 | 10,350 | 10,680 | 11,020 |
| 16 | 8,550 | 8,890 | 9,240 | 9,590 | 9,930 | 10,280 | 9,550 | 9,890 | 10,240 | 10,590 | 10,930 | 11,280 |
| 18 | 9,630 | 10,060 | 10,500 | 10,930 | 11,370 | 11,800 | 10,630 | 11,060 | 11,500 | 11,930 | 12,370 | 12,800 |
| 20 | 9,630 | 10,060 | 10,500 | 10,930 | 11,370 | 11,800 | 10,630 | 11,060 | 11,500 | 11,930 | 12,370 | 12,800 |
| 25 | 12,980 | 13,680 | 14,360 | 15,060 | 15,740 | 16,430 | 13,980 | 14,680 | 15,360 | 16,060 | 16,740 | 17,430 |
| 30 | 14,690 | 15,510 | 16,310 | 17,140 | 17,960 | 18,770 | 15,690 | 16,510 | 17,310 | 18,140 | 18,960 | 19,770 |
| 35 | 15,800 | 15,800 | 19,220 | 19,220 | 19,220 | 19,220 | 16,800 | 16,800 | 20,220 | 20,220 | 20,220 | 20,220 |
| 40 | 18,630 | 18,630 | 22,840 | 22,840 | 22,840 | 22,840 | 19,630 | 19,630 | 23,840 | 23,840 | 23,840 | 23,840 |
| 50 | 24,410 | 24,410 | 30,600 | 30,600 | 30,600 | 30,600 | 25,410 | 25,410 | 31,600 | 31,600 | 31,600 | 31,600 |
| D | ¥基準単価 | |||||||||||||||||||
| SL-PSSFUU | SH-PSSFUU | |||||||||||||||||||
| 最短L | L51 | L101 | L151 | L201 | L251 | L301 | L351 | L401 | L451 | 最短L | L51 | L101 | L151 | L201 | L251 | L301 | L351 | L401 | L451 | |
| 〜 | 〜 | 〜 | 〜 | 〜 | 〜 | 〜 | 〜 | 〜 | 〜 | 〜 | 〜 | 〜 | 〜 | 〜 | 〜 | 〜 | 〜 | 〜 | 〜 | |
| 50 | 100 | 150 | 200 | 250 | 300 | 350 | 400 | 450 | 500 | 50 | 100 | 150 | 200 | 250 | 300 | 350 | 400 | 450 | 500 | |
| 6 | 3,170 | 3,400 | 3,610 | 3,820 | 4,540 | 4,750 | 6,260 | 6,480 | 6,690 | 6,910 | 3,770 | 4,000 | 4,210 | 4,420 | 5,340 | 5,550 | 7,260 | 7,480 | 7,690 | 7,910 |
| 8 | 3,280 | 3,520 | 3,730 | 3,950 | 4,670 | 4,880 | 6,410 | 6,630 | 6,830 | 7,050 | 3,880 | 4,120 | 4,330 | 4,550 | 5,470 | 5,680 | 7,410 | 7,630 | 7,830 | 8,050 |
| 10 | 3,420 | 3,650 | 3,890 | 4,100 | 4,830 | 5,070 | 6,600 | 6,820 | 7,050 | 7,290 | 4,020 | 4,250 | 4,490 | 4,700 | 5,630 | 5,870 | 7,600 | 7,820 | 8,050 | 8,290 |
| 12 | 3,570 | 3,840 | 4,130 | 4,410 | 5,190 | 5,470 | 7,040 | 7,320 | 7,610 | 7,880 | 4,170 | 4,440 | 4,730 | 5,010 | 5,990 | 6,270 | 8,040 | 8,320 | 8,610 | 8,880 |
| 13 | 3,630 | 3,920 | 4,220 | 4,490 | 5,280 | 5,570 | 7,160 | 7,450 | 7,730 | 8,040 | 4,230 | 4,520 | 4,820 | 5,090 | 6,080 | 6,370 | 8,160 | 8,450 | 8,730 | 9,040 |
| 15 | 3,800 | 4,140 | 4,490 | 4,840 | 5,690 | 6,050 | 7,690 | 8,040 | 8,380 | 8,740 | 4,400 | 4,740 | 5,090 | 5,440 | 6,490 | 6,850 | 8,690 | 9,040 | 9,380 | 9,740 |
| 16 | 3,850 | 4,230 | 4,590 | 4,950 | 5,810 | 6,170 | 7,840 | 8,190 | 8,560 | 8,920 | 4,450 | 4,830 | 5,190 | 5,550 | 6,610 | 6,970 | 8,840 | 9,190 | 9,560 | 9,920 |
| 18 | 4,060 | 4,510 | 4,970 | 5,420 | 6,380 | 6,840 | 8,590 | 9,050 | 9,500 | 9,960 | 4,660 | 5,110 | 5,570 | 6,020 | 7,180 | 7,640 | 9,590 | 10,050 | 10,500 | 10,960 |
| 20 | 4,120 | 4,510 | 4,970 | 5,420 | 6,380 | 6,840 | 8,590 | 9,050 | 9,500 | 9,960 | 4,720 | 5,110 | 5,570 | 6,020 | 7,180 | 7,640 | 9,590 | 10,050 | 10,500 | 10,960 |
| 25 | 4,800 | 5,480 | 6,160 | 6,850 | 8,030 | 8,720 | 10,730 | 11,410 | 12,090 | 12,780 | 5,400 | 6,080 | 6,760 | 7,450 | 8,830 | 9,520 | 11,730 | 12,410 | 13,090 | 13,780 |
| 30 | 5,090 | 6,010 | 6,830 | 7,640 | 8,960 | 9,770 | 11,890 | 12,720 | 13,520 | 14,340 | 5,690 | 6,610 | 7,430 | 8,240 | 9,760 | 10,570 | 12,890 | 13,720 | 14,520 | 15,340 |
| 35 | 5,100 | 6,560 | 8,030 | 9,490 | 11,470 | 11,470 | 13,220 | 13,220 | 14,760 | 14,760 | 5,700 | 7,160 | 8,630 | 10,090 | 12,270 | 12,270 | 14,220 | 14,220 | 15,760 | 15,760 |
| 40 | 5,760 | 7,560 | 9,340 | 11,140 | 13,460 | 13,460 | 15,320 | 15,320 | 17,230 | 17,230 | 6,360 | 8,160 | 9,940 | 11,740 | 14,260 | 14,260 | 16,320 | 16,320 | 18,230 | 18,230 |
| 50 | 7,340 | 9,930 | 12,510 | 15,090 | 17,840 | 17,840 | 19,640 | 19,640 | 22,270 | 22,270 | 7,940 | 10,530 | 13,110 | 15,690 | 18,640 | 18,640 | 20,640 | 20,640 | 23,270 | 23,270 |
| D | ¥基準単価 | |||||||||||
| SL-PSSFUU | SH-PSSFUU | |||||||||||
| L501 | L551 | L601 | L651 | L701 | L751 | L501 | L551 | L601 | L651 | L701 | L751 | |
| 〜 | 〜 | 〜 | 〜 | 〜 | 〜 | 〜 | 〜 | 〜 | 〜 | 〜 | 〜 | |
| 550 | 600 | 650 | 700 | 750 | 796 | 550 | 600 | 650 | 700 | 750 | 796 | |
| 6 | 7,110 | 7,320 | 7,520 | 7,730 | 7,940 | 8,160 | 8,110 | 8,320 | 8,520 | 8,730 | 8,940 | 9,160 |
| 8 | 7,280 | 7,490 | 7,710 | 7,930 | 8,150 | 8,370 | 8,280 | 8,490 | 8,710 | 8,930 | 9,150 | 9,370 |
| 10 | 7,520 | 7,740 | 7,980 | 8,210 | 8,440 | 8,670 | 8,520 | 8,740 | 8,980 | 9,210 | 9,440 | 9,670 |
| 12 | 8,160 | 8,430 | 8,730 | 9,000 | 9,270 | 9,550 | 9,160 | 9,430 | 9,730 | 10,000 | 10,270 | 10,550 |
| 13 | 8,320 | 8,600 | 8,880 | 9,170 | 9,470 | 9,760 | 9,320 | 9,600 | 9,880 | 10,170 | 10,470 | 10,760 |
| 15 | 9,080 | 9,440 | 9,780 | 10,130 | 10,480 | 10,830 | 10,080 | 10,440 | 10,780 | 11,130 | 11,480 | 11,830 |
| 16 | 9,280 | 9,640 | 10,000 | 10,370 | 10,730 | 11,090 | 10,280 | 10,640 | 11,000 | 11,370 | 11,730 | 12,090 |
| 18 | 10,410 | 10,870 | 11,330 | 11,780 | 12,250 | 12,700 | 11,410 | 11,870 | 12,330 | 12,780 | 13,250 | 13,700 |
| 20 | 10,410 | 10,870 | 11,330 | 11,780 | 12,250 | 12,700 | 11,410 | 11,870 | 12,330 | 12,780 | 13,250 | 13,700 |
| 25 | 13,470 | 14,150 | 14,830 | 15,530 | 16,220 | 16,900 | 14,470 | 15,150 | 15,830 | 16,530 | 17,220 | 17,900 |
| 30 | 15,170 | 15,990 | 16,800 | 17,620 | 18,440 | 19,250 | 16,170 | 16,990 | 17,800 | 18,620 | 19,440 | 20,250 |
| 35 | 16,280 | 16,280 | 19,690 | 19,690 | 19,690 | 19,690 | 17,280 | 17,280 | 20,690 | 20,690 | 20,690 | 20,690 |
| 40 | 19,110 | 19,110 | 23,320 | 23,320 | 23,320 | 23,320 | 20,110 | 20,110 | 24,320 | 24,320 | 24,320 | 24,320 |
| 50 | 24,890 | 24,890 | 31,080 | 31,080 | 31,080 | 31,080 | 25,890 | 25,890 | 32,080 | 32,080 | 32,080 | 32,080 |
| D | ¥基準単価 | |||||||||||||||||
| SL-RSFAU | SH-RSFAU | |||||||||||||||||
| 最短L | L51 | L101 | L151 | L201 | L301 | L401 | L501 | L601 | 最短L | L51 | L101 | L151 | L201 | L301 | L401 | L501 | L601 | |
| 〜 | 〜 | 〜 | 〜 | 〜 | 〜 | 〜 | 〜 | 〜 | 〜 | 〜 | 〜 | 〜 | 〜 | 〜 | 〜 | 〜 | 〜 | |
| 50 | 100 | 150 | 200 | 300 | 400 | 500 | 600 | 796 | 50 | 100 | 150 | 200 | 300 | 400 | 500 | 600 | 796 | |
| 6 | 3,110 | 3,430 | 3,750 | 4,080 | 4,960 | 6,280 | 6,880 | 7,130 | 7,360 | 3,710 | 4,030 | 4,350 | 4,680 | 5,760 | 7,280 | 7,880 | 8,130 | 8,360 |
| 8 | 3,130 | 3,470 | 3,940 | 4,280 | 5,100 | 6,520 | 7,130 | 7,510 | 7,690 | 3,730 | 4,070 | 4,540 | 4,880 | 5,900 | 7,520 | 8,130 | 8,510 | 8,690 |
| 10 | 3,140 | 3,600 | 3,940 | 4,530 | 5,360 | 6,790 | 7,110 | 7,690 | 7,990 | 3,740 | 4,200 | 4,540 | 5,130 | 6,160 | 7,790 | 8,110 | 8,690 | 8,990 |
| 12 | 3,270 | 3,750 | 4,230 | 4,680 | 5,660 | 7,210 | 7,680 | 8,070 | 8,500 | 3,870 | 4,350 | 4,830 | 5,280 | 6,460 | 8,210 | 8,680 | 9,070 | 9,500 |
| 13 | 3,280 | 3,770 | 4,230 | 4,810 | 5,810 | 7,370 | 7,840 | 8,070 | 8,500 | 3,880 | 4,370 | 4,830 | 5,410 | 6,610 | 8,370 | 8,840 | 9,070 | 9,500 |
| 15 | 3,550 | 4,090 | 4,730 | 5,410 | 6,530 | 8,170 | 8,780 | 9,400 | 9,590 | 4,150 | 4,690 | 5,330 | 6,010 | 7,330 | 9,170 | 9,780 | 10,400 | 10,590 |
| 16 | 3,550 | 4,190 | 4,730 | 5,650 | 6,770 | 8,420 | 9,030 | 9,400 | 9,590 | 4,150 | 4,790 | 5,330 | 6,250 | 7,570 | 9,420 | 10,030 | 10,400 | 10,590 |
| 18 | 3,690 | 4,340 | 5,020 | 5,930 | 7,190 | 8,970 | 9,270 | 10,050 | 10,790 | 4,290 | 4,940 | 5,620 | 6,530 | 7,990 | 9,970 | 10,270 | 11,050 | 11,790 |
| 20 | 3,810 | 4,590 | 5,260 | 6,300 | 7,670 | 9,030 | 9,670 | 10,050 | 10,790 | 4,410 | 5,190 | 5,860 | 6,900 | 8,470 | 10,030 | 10,670 | 11,050 | 11,790 |
| 25 | 4,530 | 5,560 | 6,590 | 7,580 | 9,100 | 11,220 | 11,810 | 12,710 | 14,690 | 5,130 | 6,160 | 7,190 | 8,180 | 9,900 | 12,220 | 12,810 | 13,710 | 15,690 |
| 30 | 4,960 | 6,290 | 7,040 | 8,540 | 10,100 | 12,530 | 13,950 | 15,360 | 18,030 | 5,560 | 6,890 | 7,640 | 9,140 | 10,900 | 13,530 | 14,950 | 16,360 | 19,030 |
| D | ¥基準単価 | |||||||||||||||||
| SL-RSSFAU | SH-RSSFAU | |||||||||||||||||
| 最短L | L51 | L101 | L151 | L201 | L301 | L401 | L501 | L601 | 最短L | L51 | L101 | L151 | L201 | L301 | L401 | L501 | L601 | |
| 〜 | 〜 | 〜 | 〜 | 〜 | 〜 | 〜 | 〜 | 〜 | 〜 | 〜 | 〜 | 〜 | 〜 | 〜 | 〜 | 〜 | 〜 | |
| 50 | 100 | 150 | 200 | 300 | 400 | 500 | 600 | 796 | 50 | 100 | 150 | 200 | 300 | 400 | 500 | 600 | 796 | |
| 6 | 3,240 | 3,620 | 4,040 | 4,450 | 5,380 | 6,870 | 7,650 | 8,050 | 8,430 | 3,840 | 4,220 | 4,640 | 5,050 | 6,180 | 7,870 | 8,650 | 9,050 | 9,430 |
| 8 | 3,360 | 3,700 | 4,260 | 4,690 | 5,610 | 7,200 | 7,990 | 8,570 | 8,940 | 3,960 | 4,300 | 4,860 | 5,290 | 6,410 | 8,200 | 8,990 | 9,570 | 9,940 |
| 10 | 3,430 | 3,830 | 4,280 | 4,970 | 5,900 | 7,520 | 8,050 | 8,830 | 9,350 | 4,030 | 4,430 | 4,880 | 5,570 | 6,700 | 8,520 | 9,050 | 9,830 | 10,350 |
| 12 | 3,650 | 4,060 | 4,670 | 5,240 | 6,360 | 8,180 | 8,930 | 9,600 | 10,300 | 4,250 | 4,660 | 5,270 | 5,840 | 7,160 | 9,180 | 9,930 | 10,600 | 11,300 |
| 13 | 3,650 | 4,060 | 4,670 | 5,240 | 6,360 | 8,180 | 8,930 | 9,600 | 10,300 | 4,250 | 4,660 | 5,270 | 5,840 | 7,160 | 9,180 | 9,930 | 10,600 | 11,300 |
| 15 | 4,050 | 4,420 | 5,210 | 6,050 | 7,320 | 9,280 | 10,200 | 11,160 | 11,650 | 4,650 | 5,020 | 5,810 | 6,650 | 8,120 | 10,280 | 11,200 | 12,160 | 12,650 |
| 16 | 4,050 | 4,420 | 5,210 | 6,050 | 7,320 | 9,280 | 10,200 | 11,160 | 11,650 | 4,650 | 5,020 | 5,810 | 6,650 | 8,120 | 10,280 | 11,200 | 12,160 | 12,650 |
| 18 | 4,310 | 4,750 | 5,590 | 6,690 | 8,130 | 10,290 | 10,950 | 12,110 | 13,220 | 4,910 | 5,350 | 6,190 | 7,290 | 8,930 | 11,290 | 11,950 | 13,110 | 14,220 |
| 20 | 4,310 | 4,750 | 5,590 | 6,690 | 8,130 | 10,290 | 10,950 | 12,110 | 13,220 | 4,910 | 5,350 | 6,190 | 7,290 | 8,930 | 11,290 | 11,950 | 13,110 | 14,220 |
| 25 | 5,410 | 6,590 | 7,650 | 8,990 | 10,860 | 13,710 | 14,990 | 16,600 | 19,300 | 6,010 | 7,190 | 8,250 | 9,590 | 11,660 | 14,710 | 15,990 | 17,600 | 20,300 |
| 30 | 5,850 | 7,630 | 8,540 | 10,260 | 12,250 | 15,540 | 17,640 | 19,680 | 23,620 | 6,450 | 8,230 | 9,140 | 10,860 | 13,050 | 16,540 | 18,640 | 20,680 | 24,620 |
| D | ¥基準単価 | |||||||||||||||||||
| SL-SSFHM | SH-SSFHM | |||||||||||||||||||
| 最短L | L51 | L101 | L151 | L201 | L251 | L301 | L351 | L401 | L451 | 最短L | L51 | L101 | L151 | L201 | L251 | L301 | L351 | L401 | L451 | |
| 〜 | 〜 | 〜 | 〜 | 〜 | 〜 | 〜 | 〜 | 〜 | 〜 | 〜 | 〜 | 〜 | 〜 | 〜 | 〜 | 〜 | 〜 | 〜 | 〜 | |
| 50 | 100 | 150 | 200 | 250 | 300 | 350 | 400 | 450 | 496 | 50 | 100 | 150 | 200 | 250 | 300 | 350 | 400 | 450 | 496 | |
| 8 | 2,700 | 2,880 | 3,040 | 3,210 | 3,890 | 4,060 | 5,520 | 5,690 | 5,860 | 6,040 | 3,300 | 3,480 | 3,640 | 3,810 | 4,690 | 4,860 | 6,520 | 6,690 | 6,860 | 7,040 |
| 10 | 2,810 | 2,990 | 3,170 | 3,350 | 4,030 | 4,200 | 5,680 | 5,860 | 6,040 | 6,220 | 3,410 | 3,590 | 3,770 | 3,950 | 4,830 | 5,000 | 6,680 | 6,860 | 7,040 | 7,220 |
| 12 | 2,940 | 3,160 | 3,370 | 3,580 | 4,290 | 4,500 | 6,020 | 6,230 | 6,440 | 6,640 | 3,540 | 3,760 | 3,970 | 4,180 | 5,090 | 5,300 | 7,020 | 7,230 | 7,440 | 7,640 |
| 13 | 3,010 | 3,230 | 3,450 | 3,690 | 4,410 | 4,630 | 6,150 | 6,380 | 6,600 | 6,830 | 3,610 | 3,830 | 4,050 | 4,290 | 5,210 | 5,430 | 7,150 | 7,380 | 7,600 | 7,830 |
| 15 | 3,140 | 3,410 | 3,670 | 3,930 | 4,700 | 4,970 | 6,520 | 6,790 | 7,050 | 7,310 | 3,740 | 4,010 | 4,270 | 4,530 | 5,500 | 5,770 | 7,520 | 7,790 | 8,050 | 8,310 |
| 16 | 3,210 | 3,480 | 3,760 | 4,040 | 4,810 | 5,090 | 6,660 | 6,940 | 7,210 | 7,490 | 3,810 | 4,080 | 4,360 | 4,640 | 5,610 | 5,890 | 7,660 | 7,940 | 8,210 | 8,490 |
| 18 | 3,350 | 3,640 | 3,950 | 4,260 | 5,050 | 5,370 | 6,970 | 7,280 | 7,580 | 7,880 | 3,950 | 4,240 | 4,550 | 4,860 | 5,850 | 6,170 | 7,970 | 8,280 | 8,580 | 8,880 |
| 20 | 3,420 | 3,710 | 4,000 | 4,290 | 5,080 | 5,370 | 6,970 | 7,280 | 7,580 | 7,880 | 4,020 | 4,310 | 4,600 | 4,890 | 5,880 | 6,170 | 7,970 | 8,280 | 8,580 | 8,880 |
| 25 | 3,700 | 4,670 | 5,210 | 5,740 | 6,780 | 7,320 | 9,150 | 9,680 | 10,230 | 10,760 | 4,300 | 5,270 | 5,810 | 6,340 | 7,580 | 8,120 | 10,150 | 10,680 | 11,230 | 11,760 |
| 30 | 3,710 | 4,770 | 5,790 | 6,500 | 7,660 | 8,330 | 9,990 | 9,990 | 11,060 | 11,060 | 4,310 | 5,370 | 6,390 | 7,100 | 8,460 | 9,130 | 10,990 | 10,990 | 12,060 | 12,060 |
| D | ¥基準単価 | |||||||||||||||||||
| SL-PSSFHM | SH-PSSFHM | |||||||||||||||||||
| 最短L | L51 | L101 | L151 | L201 | L251 | L301 | L351 | L401 | L451 | 最短L | L51 | L101 | L151 | L201 | L251 | L301 | L351 | L401 | L451 | |
| 〜 | 〜 | 〜 | 〜 | 〜 | 〜 | 〜 | 〜 | 〜 | 〜 | 〜 | 〜 | 〜 | 〜 | 〜 | 〜 | 〜 | 〜 | 〜 | 〜 | |
| 50 | 100 | 150 | 200 | 250 | 300 | 350 | 400 | 450 | 496 | 50 | 100 | 150 | 200 | 250 | 300 | 350 | 400 | 450 | 496 | |
| 8 | 2,730 | 2,950 | 3,160 | 3,370 | 4,080 | 4,280 | 5,790 | 6,000 | 6,200 | 6,410 | 3,330 | 3,550 | 3,760 | 3,970 | 4,880 | 5,080 | 6,790 | 7,000 | 7,200 | 7,410 |
| 10 | 2,860 | 3,080 | 3,300 | 3,510 | 4,230 | 4,450 | 5,970 | 6,180 | 6,410 | 6,630 | 3,460 | 3,680 | 3,900 | 4,110 | 5,030 | 5,250 | 6,970 | 7,180 | 7,410 | 7,630 |
| 12 | 3,000 | 3,260 | 3,540 | 3,800 | 4,570 | 4,830 | 6,400 | 6,660 | 6,930 | 7,190 | 3,600 | 3,860 | 4,140 | 4,400 | 5,370 | 5,630 | 7,400 | 7,660 | 7,930 | 8,190 |
| 13 | 3,060 | 3,340 | 3,610 | 3,880 | 4,650 | 4,940 | 6,500 | 6,780 | 7,050 | 7,340 | 3,660 | 3,940 | 4,210 | 4,480 | 5,450 | 5,740 | 7,500 | 7,780 | 8,050 | 8,340 |
| 15 | 3,220 | 3,550 | 3,880 | 4,220 | 5,040 | 5,380 | 7,010 | 7,340 | 7,670 | 8,010 | 3,820 | 4,150 | 4,480 | 4,820 | 5,840 | 6,180 | 8,010 | 8,340 | 8,670 | 9,010 |
| 16 | 3,270 | 3,620 | 3,970 | 4,310 | 5,160 | 5,500 | 7,150 | 7,490 | 7,840 | 8,180 | 3,870 | 4,220 | 4,570 | 4,910 | 5,960 | 6,300 | 8,150 | 8,490 | 8,840 | 9,180 |
| 18 | 3,460 | 3,900 | 4,330 | 4,770 | 5,700 | 6,140 | 7,870 | 8,300 | 8,740 | 9,170 | 4,060 | 4,500 | 4,930 | 5,370 | 6,500 | 6,940 | 8,870 | 9,300 | 9,740 | 10,170 |
| 20 | 3,530 | 3,900 | 4,330 | 4,770 | 5,700 | 6,140 | 7,870 | 8,300 | 8,740 | 9,170 | 4,130 | 4,500 | 4,930 | 5,370 | 6,500 | 6,940 | 8,870 | 9,300 | 9,740 | 10,170 |
| 25 | 4,290 | 4,980 | 5,670 | 6,350 | 7,540 | 8,230 | 10,230 | 10,900 | 11,590 | 12,280 | 4,890 | 5,580 | 6,270 | 6,950 | 8,340 | 9,030 | 11,230 | 11,900 | 12,590 | 13,280 |
| 30 | 4,590 | 5,510 | 6,320 | 7,140 | 8,450 | 9,280 | 11,400 | 12,220 | 13,030 | 13,840 | 5,190 | 6,110 | 6,920 | 7,740 | 9,250 | 10,080 | 12,400 | 13,220 | 14,030 | 14,840 |
| D | ¥基準単価 | |||||||||||||
| SL-RSFHM | SH-RSFHM | |||||||||||||
| 最短L | L51 | L101 | L151 | L201 | L301 | L401 | 最短L | L51 | L101 | L151 | L201 | L301 | L401 | |
| 〜 | 〜 | 〜 | 〜 | 〜 | 〜 | 〜 | 〜 | 〜 | 〜 | 〜 | 〜 | 〜 | 〜 | |
| 50 | 100 | 150 | 200 | 300 | 400 | 496 | 50 | 100 | 150 | 200 | 300 | 400 | 496 | |
| 8 | 3,110 | 3,450 | 3,920 | 4,260 | 5,080 | 6,500 | 7,110 | 3,710 | 4,050 | 4,520 | 4,860 | 5,880 | 7,500 | 8,110 |
| 10 | 3,120 | 3,580 | 3,920 | 4,510 | 5,340 | 6,770 | 7,090 | 3,720 | 4,180 | 4,520 | 5,110 | 6,140 | 7,770 | 8,090 |
| 12 | 3,250 | 3,730 | 4,200 | 4,660 | 5,640 | 7,190 | 7,660 | 3,850 | 4,330 | 4,800 | 5,260 | 6,440 | 8,190 | 8,660 |
| 13 | 3,260 | 3,750 | 4,200 | 4,790 | 5,790 | 7,350 | 7,820 | 3,860 | 4,350 | 4,800 | 5,390 | 6,590 | 8,350 | 8,820 |
| 15 | 3,530 | 4,070 | 4,710 | 5,390 | 6,510 | 8,150 | 8,760 | 4,130 | 4,670 | 5,310 | 5,990 | 7,310 | 9,150 | 9,760 |
| 16 | 3,530 | 4,170 | 4,710 | 5,630 | 6,750 | 8,400 | 9,000 | 4,130 | 4,770 | 5,310 | 6,230 | 7,550 | 9,400 | 10,000 |
| 18 | 3,660 | 4,320 | 5,000 | 5,910 | 7,160 | 8,950 | 9,250 | 4,260 | 4,920 | 5,600 | 6,510 | 7,960 | 9,950 | 10,250 |
| 20 | 3,790 | 4,570 | 5,240 | 6,280 | 7,650 | 9,000 | 9,650 | 4,390 | 5,170 | 5,840 | 6,880 | 8,450 | 10,000 | 10,650 |
| 25 | 4,510 | 5,540 | 6,570 | 7,560 | 9,080 | 11,200 | 11,790 | 5,110 | 6,140 | 7,170 | 8,160 | 9,880 | 12,200 | 12,790 |
| 30 | 4,940 | 6,270 | 7,020 | 8,520 | 10,070 | 12,510 | 13,920 | 5,540 | 6,870 | 7,620 | 9,120 | 10,870 | 13,510 | 14,920 |
| D | ¥基準単価 | |||||||||||||
| SL-RSSFHM | SH-RSSFHM | |||||||||||||
| 最短L | L51 | L101 | L151 | L201 | L301 | L401 | 最短L | L51 | L101 | L151 | L201 | L301 | L401 | |
| 〜 | 〜 | 〜 | 〜 | 〜 | 〜 | 〜 | 〜 | 〜 | 〜 | 〜 | 〜 | 〜 | 〜 | |
| 50 | 100 | 150 | 200 | 300 | 400 | 496 | 50 | 100 | 150 | 200 | 300 | 400 | 496 | |
| 8 | 3,340 | 3,670 | 4,240 | 4,670 | 5,580 | 7,180 | 7,970 | 3,940 | 4,270 | 4,840 | 5,270 | 6,380 | 8,180 | 8,970 |
| 10 | 3,410 | 3,810 | 4,260 | 4,950 | 5,880 | 7,500 | 8,030 | 4,010 | 4,410 | 4,860 | 5,550 | 6,680 | 8,500 | 9,030 |
| 12 | 3,630 | 4,040 | 4,650 | 5,220 | 6,340 | 8,160 | 8,910 | 4,230 | 4,640 | 5,250 | 5,820 | 7,140 | 9,160 | 9,910 |
| 13 | 3,630 | 4,040 | 4,650 | 5,220 | 6,340 | 8,160 | 8,910 | 4,230 | 4,640 | 5,250 | 5,820 | 7,140 | 9,160 | 9,910 |
| 15 | 4,020 | 4,400 | 5,190 | 6,030 | 7,300 | 9,260 | 10,180 | 4,620 | 5,000 | 5,790 | 6,630 | 8,100 | 10,260 | 11,180 |
| 16 | 4,020 | 4,400 | 5,190 | 6,030 | 7,300 | 9,260 | 10,180 | 4,620 | 5,000 | 5,790 | 6,630 | 8,100 | 10,260 | 11,180 |
| 18 | 4,290 | 4,720 | 5,570 | 6,660 | 8,110 | 10,270 | 10,930 | 4,890 | 5,320 | 6,170 | 7,260 | 8,910 | 11,270 | 11,930 |
| 20 | 4,290 | 4,720 | 5,570 | 6,660 | 8,110 | 10,270 | 10,930 | 4,890 | 5,320 | 6,170 | 7,260 | 8,910 | 11,270 | 11,930 |
| 25 | 5,380 | 6,570 | 7,630 | 8,970 | 10,840 | 13,690 | 14,970 | 5,980 | 7,170 | 8,230 | 9,570 | 11,640 | 14,690 | 15,970 |
| 30 | 5,830 | 7,610 | 8,520 | 10,230 | 12,220 | 15,520 | 17,620 | 6,430 | 8,210 | 9,120 | 10,830 | 13,020 | 16,520 | 18,620 |
| 数量区分 | 標準対応 | |||
| 小口 | ||||
| 数 量 | 1〜4 | 5〜7 | 8~19 | 20〜49 |
| 値引率 | 基準単価 | 10% | 20% | 25% |
| 出荷日 | 通常 | |||
| 数量区分 | 標準対応 | 個別対応 | ||||
| 小口 | 大口 | 大口 | ||||
| 数 量 | 1〜4 | 5〜12 | 13〜19 | 20〜49 | 50〜100 | 101~ |
| 値引率 | 基準単価 | 5% | 10% | 15% | 25% | お見積り |
| 出荷日 | 通常 | +7日 | ||||
・キリ穴付きタイプは
作業スペースの狭いところに有効です。

通常価格、通常出荷日が表示と異なる場合がございます
通常価格、通常出荷日が表示と異なる場合がございます

ミスミ
シャフト ストレートタイプ
4.7通常価格(税別):200円~

ミスミ
シャフト 両端めねじタイプ
4.7
ミスミ
シャフト 片端めねじタイプ
4.6
ミスミ
シャフト 両端めねじキリ穴付タイプ・スパナ溝付タイプ
4.4
ミスミ
シャフト 片端めねじキリ穴付・スパナ溝付タイプ
4.6
ミスミ
シャフト 片端おねじ・片端めねじ 逃げ溝スパナ溝付き/キリ穴付き
4.6
ミスミ
シャフト パイプタイプ
4.2
ミスミ
シャフト 片端おねじ逃げ溝 キリ穴付きタイプ・スパナ溝付きタイプ
4.5
ミスミ
シャフト 片端おねじタイプ
4.6