メカニカル部品技術窓口
ミスミ品のみ対象



ミスミの低価格新ブランド【エコノミーシリーズ】順次商品拡大中!特集ページはこちら商品ラインナップ
| M | (ℓ) |
| 6以下 | 2 |
| 8·10 | 3 |
| 12以上 | 5 |
D=8~20 D=25・30 ねじ部寸法 [ A ]付属キー寸法| スプライン軸 | ナット | ||||
| [ M ] 材質 | [ H ] 硬度 | [ S ] 表面処理 | [ M ] 材質 | [ H ] 硬度 | [ S ] 表面処理 |
| SUJ2相当 | 58HRC~ | - | SCr420相当 | 58HRC~ | - |
| 注文例 | 型式(Type・D) | - | L | - | P | - | F | - | M | - | B | - | N |
| E-BSBS16 | - | 300 | - | P10 | - | F30 | - | M8 | - | B10 | - | N6 |
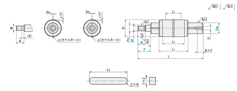
| Type | Dh8 | L 単位指定1mm | P 選択 | F 単位指定1mm | M(並目) 選択(M≤P) | B 単位指定1mm | N(並目) 選択 | |||||||||||||||||||||||||||
| E-BSBS | 8 | 60~300 | 4 | 5 | 6 | P=4の場合、 4≤F≤16 P≥5の場合、 4≤F≤P×5 [ ! ]F≥B+2 | 4 | 5 | 6 | M=4の場合、 2≤B≤16 M≥5の場合、 2≤B≤M×5 [ ! ]B≥ねじピッチ×3+ℓ | 3 | 4 | ||||||||||||||||||||||
| 10 | 60~400 | 4 | 5 | 6 | 8 | 4 | 5 | 6 | 8 | 3 | 4 | 5 | ||||||||||||||||||||||
| 13 | 60~400 | 5 | 6 | 8 | 10 | 5 | 6 | 8 | 10 | 4 | 5 | 6 | ||||||||||||||||||||||
| 16 | 70~600 | 5 | 6 | 8 | 10 | 12 | 13 | 6 | 8 | 10 | 12 | 4 | 5 | 6 | 8 | |||||||||||||||||||
| 20 | 80~700 | 8 | 10 | 12 | 13 | 15 | 16 | 20 | 6 | 8 | 10 | 12 | 16 | 4 | 5 | 6 | 8 | 10 | ||||||||||||||||
| 25 | 90~900 | 8 | 10 | 12 | 13 | 15 | 16 | 20 | 6 | 8 | 10 | 12 | 16 | 20 | 5 | 6 | 8 | 10 | 12 | |||||||||||||||
| 30 | 100~900 | 10 | 12 | 13 | 15 | 16 | 20 | 25 | 8 | 10 | 12 | 16 | 20 | 24 | 6 | 8 | 10 | 12 | 16 | |||||||||||||||
| Dh8 | D1 | L1 | L2 | L3 | bH8 | R | t | u | 基本定格トルク | 基本定格荷重 | 静的許容モーメント | 質量 | |||||
| 許容差 | 動Ct (N·m) | 静C0t (N·m) | 動C (kN) | 静C0 (kN) | M01 (N·m) | M02 (N·m) | スプライン軸 (kg/m) | ナット (kg) | |||||||||
| 8 | 16 | 0 ー0.027 | 27 | 15.7 | 10.5 | 2.5 | 1.25 | 1.2 | 1.5 | 3.3 | 6 | 0.8 | 1.4 | 3.5 | 25.2 | 0.40 | 0.026 |
| 10 | 21 | 0 ー0.033 | 33 | 20 | 13 | 3 | 1.5 | 1.5 | 13.3 | 23.8 | 2.6 | 3.9 | 9.5 | 85.3 | 0.65 | 0.037 | |
| 13 | 24 | 36 | 23 | 15 | 19.6 | 36.4 | 3.2 | 5.4 | 15 | 124.6 | 1.12 | 0.05 | |||||
| 16 | 31 | 0 ー0.039 | 50 | 34 | 17.5 | 3.5 | 1.75 | 2 | 2 | 35.7 | 65.1 | 4.3 | 7.7 | 37.1 | 260 | 1.60 | 0.12 |
| 20 | 35 | 56 | 39.7 | 29 | 4 | 2 | 2.5 | 59.5 | 107.8 | 5.9 | 10.7 | 55.3 | 380 | 2.50 | 0.183 | ||
| 25 | 42 | 71 | 50.3 | 36 | 3 | 135.1 | 243.6 | 10 | 15 | 103.5 | 685.9 | 3.91 | 0.39 | ||||
| 30 | 47 | 80 | 60 | 42 | 190.4 | 343 | 11 | 19.6 | 148.4 | 932.7 | 5.63 | 0.43 | |||||
| 当社類似品 BSBS16−200 | エコノミーシリーズ E−BSBS16−200 | ||
| スプライン軸材質 | SUJ2相当 | SUJ2相当 | |
| ナット材質 | SCM415相当 | SCr420相当 | |
| 硬度 | 58HRC~ | 58HRC~ | |
| スプライン軸外径D公差 | h7 | h8 | |
| ナット外径D₁公差 | h6 | h8 | |
| スプライン部軸端面の直角度(μm) | 11 | 27 | |
| フランジ取付面直角度(μm) | 16 | 30 | |
| スプライン軸線の振れ(μm) | 34 | 56 | |
| スプラインナットの外周面の振れ(μm) | 16 | 39 | |
| 基本定格トルク | 動 Ct(N・m) | 51 | 35.7 |
| 静 C0t(N・m) | 93 | 65.1 | |
| 基本定格荷重 | 動 C(kN) | 6.2 | 4.3 |
| 静 C0(kN) | 11.1 | 7.7 | |
| 静的許容モーメント | M01(N・m) | 56 | 37.1 |
| M02(N・m) | 386 | 260 | |
| RoHS10 | 対応 | 保証外 | |
| 型番 | ¥基準単価 | |||||||||
| Type | D | 最短L〜150 | L151〜200 | L201〜300 | L301〜400 | L401〜500 | L501〜600 | L601〜700 | L701〜800 | L801〜900 |
| E-BSBS | 8 | 9,020 | 9,440 | 10,730 | - | - | - | - | - | - |
| 10 | 9,610 | 9,990 | 11,690 | 13,110 | - | - | - | - | - | |
| 13 | 10,000 | 10,440 | 12,300 | 13,860 | - | - | - | - | - | |
| 16 | 11,680 | 12,240 | 14,110 | 16,530 | 18,250 | 21,400 | - | - | - | |
| 20 | 13,570 | 14,070 | 15,770 | 18,490 | 20,350 | 23,210 | 25,420 | - | - | |
| 25 | 16,310 | 17,030 | 19,170 | 20,180 | 23,180 | 25,470 | 29,110 | 31,610 | 34,950 | |
| 30 | 19,010 | 19,580 | 21,880 | 23,160 | 26,300 | 28,860 | 32,940 | 35,580 | 39,520 | |
| Alterations | ①スパナ溝追加工 | ②平面取り追加工 | ③ナット数追加 | ④表面処理追加 | ||||||||||||||||||
![]() | ![]() | ![]() | ニッケルメッキ (淡黄色) | |||||||||||||||||||
| Code | SC | FC | NTW | NKR | ||||||||||||||||||
| Spec. | スパナ溝を追加工します。 SC=単位指定1mm | 平面取りを追加工します。
| 同じ仕様のナットを 1個追加工します (1個を2個に追加) | スプライン軸とナットの表面を ニッケルメッキ (膜厚1μm以上)します | ||||||||||||||||||
| ¥/1Code | 400 | 400 | ナット数追加価格表参照 | 1,500 |
| D | ストレートナット |
| 8 | 2,500 |
| 10 | 3,450 |
| 13 | 3,600 |
| 16 | 4,350 |
| 20 | 5,100 |
| 25 | 6,000 |
| 30 | 7,500 |

| 回転方向の隙間 | スプライン支持部に対する各部精度許容差(最大) | |||||||||||||||||||||||||||||||||||||||||||||||||||||||||||||||||||||||||||||||||||||||||||||||||||||||||||||||
|
|
|
| |||||||||||||||||||||||||||||||||||||||||||||||||||||||||||||||||||||||||||||||||||||||||||||||||||||||||||||
| 走行寿命 | 寿命時間 | ||||
●ラジアル負荷の場合 ●トルク負荷の場合![]() | L : 走行寿命 ft : 温度係数 fh: 硬さ係数 fp: 定格荷重の比率 fw: 荷重係数 L0: 定格寿命 C : 基本動定格荷重(N) F : 作用ラジアル荷重 Ct: 基本動定格トルク T : 作用トルク | (Km) (50km) (N) (N・m) (N・m) |
| ||
| Lh: 走行時間 L : 走行寿命 St: ストローク長さ n : 毎分往復回数 | (hr) (km) (mm) (cpm) | ||||
| 温度係数(ft) | 硬さ係数(fh) | |||
| 温 度 係 数 ft | ![]() | 硬 さ 係 数 fh | ![]() | |
| 温度(℃) | 軸の硬さ(HRC) |
| D8 〜20 | D25・30 |
![]() | ![]() |
| fp = 1 | fp = 1 |
| D8 〜20 | D25・30 |
![]() | ![]() |
| fp = 0.71 | fp = 0.71 |
| 使用条件 | 荷重係数(fw) |
| 振動や衝撃のほとんど無い場合 | 1~2 |
| (低速走行 15m/min以下) | |
| 振動や衝撃のややある場合 | 2~3 |
| (中速走行 60m/min以下) | |
| 振動や衝撃の激しい場合 | 3以上 |
| (高速走行 60m/minを超えるもの) |
| D | 基本定格トルク | 基本定格荷重 | 静的許容モーメント | 断面二次モーメント mm⁴ | ||||
| 動 Ct N・m | 静 C0t N・m | 動 C kN | 静 C0 kN | 動 M01 N・m | 静 M02 N・m | 中実軸 | 中空軸 | |
| 8 | 3.3 | 6 | 0.8 | 1.4 | 3.5 | 25.2 | 200 | 196 |
| 10 | 13.3 | 23.8 | 2.6 | 3.9 | 9.5 | 85.3 | 490 | 477 |
| 13 | 19.6 | 36.4 | 3.2 | 5.4 | 15 | 124.6 | 1400 | 1282 |
| 16 | 35.7 | 65.1 | 4.3 | 7.7 | 37.1 | 260 | 3215 | 3014 |
| 20 | 59.5 | 107.8 | 5.9 | 10.7 | 55.3 | 380 | 7851 | 7360 |
| 25 | 135.1 | 243.6 | 10 | 15 | 103.5 | 685.9 | 18466 | 15981 |
| 30 | 190.4 | 343 | 11 | 19.6 | 148.4 | 932.7 | 33122 | 29905 |


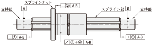
(例)| ボールスプライン組み付け時の注意 ■相手穴の公差 ナットをハウジングへ取り付ける際の相手穴の公差は、H7公差を推奨します。 ■軸端加工を行うお客様へ ナット挿入を容易にするため、軸端加工後の面取り、並びにスプライン溝の エッジ部のバリを丸やすり等で除去して使用ください。 |
| ■ピックアンドプレイス機 | ■スイングクランプ |
![]() | ![]() |
| 型番 |
|---|
通常価格、通常出荷日が表示と異なる場合がございます
通常価格、通常出荷日が表示と異なる場合がございます

ミスミ
ボールスプライン 両端段付タイプ
0
ミスミ
ボールスプライン スタンダードタイプ
3.7
ミスミ
ボールスプライン 片端段付おねじ片端めねじタイプ
3
ミスミ
ボールスプライン 片端段付タイプ
0
ミスミ
ボールスプライン 両端めねじタイプ
4.3
ミスミ
高剛性ニードルガイドセット フランジ付タイプ
0
ミスミ
ボールスプライン 両端段付めねじタイプ
4
ミスミ
ボールスプライン 片端めねじタイプ
5
ミスミ
ボールスプライン 両端段付おねじタイプ
4