メカニカル部品技術窓口
ミスミ品のみ対象



ミスミの低価格新ブランド【エコノミーシリーズ】順次商品拡大中!特集ページはこちら商品ラインナップ

| スプライン軸 | ナット | ||||
| [ M ] 材質 | [ H ] 硬度 | [ S ] 表面処理 | [ M ] 材質 | [ H ] 硬度 | [ S ] 表面処理 |
| SUJ2相当 | 58HRC~ | - | SCr420相当 | 58HRC~ | - |
| 注文例 | 型式(Type・D) | - | L |
| E-BSSS8 | - | 100 |
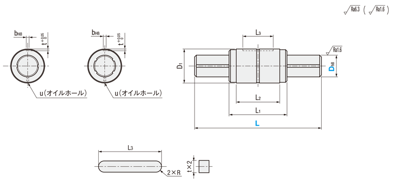
| 型番 | L 指定1mm単位 | D1 | L1 | L2 | L3 | bH8 | R | t | u | 基本定格トルク | 基本定格荷重 | 静的許容モーメント | 質量 | ||||||
| Type | Dh8 | 許容差 | 動Ct (N·m) | 静C0t (N·m) | 動C (kN) | 静C0 (kN) | M01 (N·m) | M02 (N·m) | スプライン軸 (kg/m) | ナット (kg) | |||||||||
| E-BSSS | 8 | 60~300 | 16 | 0 ー0.027 | 27 | 15.7 | 10.5 | 2.5 | 1.25 | 1.2 | 1.5 | 3.3 | 6 | 0.8 | 1.4 | 3.5 | 25.2 | 0.40 | 0.026 |
| 10 | 60~400 | 21 | 0 ー0.033 | 33 | 20 | 13 | 3 | 1.5 | 1.5 | 13.3 | 23.8 | 2.6 | 3.9 | 9.5 | 85.3 | 0.65 | 0.037 | ||
| 13 | 60~400 | 24 | 36 | 23 | 15 | 19.6 | 36.4 | 3.2 | 5.4 | 15 | 124.6 | 1.12 | 0.05 | ||||||
| 16 | 70~600 | 31 | 0 ー0.039 | 50 | 34 | 17.5 | 3.5 | 1.75 | 2 | 2 | 35.7 | 65.1 | 4.3 | 7.7 | 37.1 | 260 | 1.60 | 0.12 | |
| 20 | 80~700 | 35 | 56 | 39.7 | 29 | 4 | 2 | 2.5 | 59.5 | 107.8 | 5.9 | 10.7 | 55.3 | 380 | 2.50 | 0.183 | |||
| 25 | 90~900 | 42 | 71 | 50.3 | 36 | 3 | 135.1 | 243.6 | 10 | 15 | 103.5 | 685.9 | 3.91 | 0.39 | |||||
| 30 | 100~900 | 47 | 80 | 60 | 42 | 190.4 | 343 | 11 | 19.6 | 148.4 | 932.7 | 5.63 | 0.43 | ||||||
| 当社類似品 BSSS16−200 | エコノミーシリーズ E−BSSS16−200 | ||
| スプライン軸材質 | SUJ2相当 | SUJ2相当 | |
| ナット材質 | SCM415相当 | SCr420相当 | |
| 硬度 | 58HRC~ | 58HRC~ | |
| スプライン軸外径D公差 | h7 | h8 | |
| ナット外径D₁公差 | h6 | h8 | |
| スプライン部軸端面の直角度(μm) | 11 | 27 | |
| フランジ取付面直角度(μm) | 16 | 30 | |
| スプライン軸線の振れ(μm) | 34 | 56 | |
| スプラインナットの外周面の振れ(μm) | 16 | 39 | |
| 基本定格トルク | 動 Ct(N・m) | 51 | 35.7 |
| 静 C0t(N・m) | 93 | 65.1 | |
| 基本定格荷重 | 動 C(kN) | 6.2 | 4.3 |
| 静 C0(kN) | 11.1 | 7.7 | |
| 静的許容モーメント | M01(N・m) | 56 | 37.1 |
| M02(N・m) | 386 | 260 | |
| RoHS10 | 対応 | 保証外 | |
| 型番 | ¥基準単価 | |||||||||
| Type | D | 最短L~150 | L151~200 | L201~300 | L301~400 | L401~500 | L501~600 | L601~700 | L701~800 | L801~900 |
| E-BSSS | 8 | 4,840 | 4,950 | 5,680 | − | − | − | − | − | − |
| 10 | 4,840 | 4,980 | 5,470 | 6,940 | − | − | − | − | − | |
| 13 | 4,980 | 5,120 | 6,300 | 7,960 | − | − | − | − | − | |
| 16 | 6,310 | 6,430 | 7,260 | 9,520 | 11,820 | 14,130 | − | − | − | |
| 20 | 7,410 | 7,550 | 7,960 | 9,380 | 11,610 | 13,150 | 15,520 | − | − | |
| 25 | 9,350 | 9,500 | 10,090 | 11,850 | 12,680 | 15,160 | 17,030 | 19,650 | 21,290 | |
| 30 | 11,040 | 11,140 | 11,610 | 13,510 | 14,560 | 17,160 | 19,290 | 22,240 | 24,000 | |
| Alterations | ①ナット数追加 | ②表面処理追加 |
![]() | ニッケルメッキ (淡黄色) | |
| Code | NTW | NKR |
| Spec. | 同じ仕様のナットを1個追加工します (1個を2個に追加) | スプライン軸とナットの表面をニッケルメッキ (膜厚1μm以上)します |
| ¥/1Code | ナット数追加価格表参照 | 1,500 |
| D | ストレートナット |
| 8 | 2,500 |
| 10 | 3,450 |
| 13 | 3,600 |
| 16 | 4,350 |
| 20 | 5,100 |
| 25 | 6,000 |
| 30 | 7,500 |

| 回転方向の隙間 | スプライン支持部に対する各部精度許容差(最大) | |||||||||||||||||||||||||||||||||||||||||||||||||||||||||||||||||||||||||||||||||||||||||||||||||||||||||||||||
|
|
|
| |||||||||||||||||||||||||||||||||||||||||||||||||||||||||||||||||||||||||||||||||||||||||||||||||||||||||||||
| 走行寿命 | 寿命時間 | ||||
●ラジアル負荷の場合 ●トルク負荷の場合![]() | L : 走行寿命 ft : 温度係数 fh: 硬さ係数 fp: 定格荷重の比率 fw: 荷重係数 L0: 定格寿命 C : 基本動定格荷重(N) F : 作用ラジアル荷重 Ct: 基本動定格トルク T : 作用トルク | (Km) (50km) (N) (N・m) (N・m) |
| ||
| Lh: 走行時間 L : 走行寿命 St: ストローク長さ n : 毎分往復回数 | (hr) (km) (mm) (cpm) | ||||
| 温度係数(ft) | 硬さ係数(fh) | |||
| 温 度 係 数 ft | ![]() | 硬 さ 係 数 fh | ![]() | |
| 温度(℃) | 軸の硬さ(HRC) |
| D8 〜20 | D25・30 |
![]() | ![]() |
| fp = 1 | fp = 1 |
| D8 〜20 | D25・30 |
![]() | ![]() |
| fp = 0.71 | fp = 0.71 |
| 使用条件 | 荷重係数(fw) |
| 振動や衝撃のほとんど無い場合 | 1~2 |
| (低速走行 15m/min以下) | |
| 振動や衝撃のややある場合 | 2~3 |
| (中速走行 60m/min以下) | |
| 振動や衝撃の激しい場合 | 3以上 |
| (高速走行 60m/minを超えるもの) |
| D | 基本定格トルク | 基本定格荷重 | 静的許容モーメント | 断面二次モーメント mm⁴ | ||||
| 動 Ct N・m | 静 C0t N・m | 動 C kN | 静 C0 kN | 動 M01 N・m | 静 M02 N・m | 中実軸 | 中空軸 | |
| 8 | 3.3 | 6 | 0.8 | 1.4 | 3.5 | 25.2 | 200 | 196 |
| 10 | 13.3 | 23.8 | 2.6 | 3.9 | 9.5 | 85.3 | 490 | 477 |
| 13 | 19.6 | 36.4 | 3.2 | 5.4 | 15 | 124.6 | 1400 | 1282 |
| 16 | 35.7 | 65.1 | 4.3 | 7.7 | 37.1 | 260 | 3215 | 3014 |
| 20 | 59.5 | 107.8 | 5.9 | 10.7 | 55.3 | 380 | 7851 | 7360 |
| 25 | 135.1 | 243.6 | 10 | 15 | 103.5 | 685.9 | 18466 | 15981 |
| 30 | 190.4 | 343 | 11 | 19.6 | 148.4 | 932.7 | 33122 | 29905 |


(例)| ボールスプライン組み付け時の注意 ■相手穴の公差 ナットをハウジングへ取り付ける際の相手穴の公差は、H7公差を推奨します。 ■軸端加工を行うお客様へ ナット挿入を容易にするため、軸端加工後の面取り、並びにスプライン溝の エッジ部のバリを丸やすり等で除去して使用ください。 |
| ■ピックアンドプレイス機 | ■マガジンのリフター機構 |
![]() | ![]() |
| 型番 |
|---|
通常価格、通常出荷日が表示と異なる場合がございます
通常価格、通常出荷日が表示と異なる場合がございます

ミスミ
ボールスプライン 片端段付タイプ
0
ミスミ
ボールスプライン スタンダードタイプ
3.7
ミスミ
ボールスプライン 両端段付めねじタイプ
4
ミスミ
ボールスプライン 両端段付タイプ
0
THK
スプラインナット
3.8通常価格(税別):2,420円~

ミスミ
ボールスプライン 両端めねじタイプ
4.3
ミスミ
ボールスプライン 片端めねじタイプ
5
ミスミ
ボールスプライン 片端段付おねじ片端めねじタイプ
3
ミスミ
【エコノミーシリーズ】 ボールスプライン 中空軸 丸フランジナット 両端めねじタイプ
0