メカニカル部品技術窓口
ミスミ品のみ対象

ミスミの低価格新ブランド【エコノミーシリーズ】順次商品拡大中!特集ページはこちら商品ラインナップ
| ドライバ | モータ |
![]() | ![]() |
| 注文例 | セット品型番 |
| E-42ESTM01+EDR42A+3 |
| セット品型番 | シリーズ | 励磁最大静止トルク (N·M) | L (mm) | 定格電流 (A/相) | 電気抵抗/相 (Ω) | インダクタンス/相 (mH) | ローター慣性モーメント (g.cm²) | 電源電圧 (V) | エンコーダケーブル | セット品質量 (g) | セット品 ¥基準単価 |
| E-42ESTM01+EDR42A+3 | 42 | 0.36 | 57.5±2 | 2.2 | 0.75 | 1.3 | 55 | VDC: 24-80 | E-ECABLE3M(3m) | 730 | ¥10,900 |
| E-42ESTM01+EDR42A+5 | E-ECABLE5M(5m) | 730 | ¥11,350 | ||||||||
| E-42ESTM02+EDR42A+3 | 0.5 | 66±2 | 1 | 1.8 | 70 | E-ECABLE3M(3m) | 730 | ¥11,140 | |||
| E-42ESTM02+EDR42A+5 | E-ECABLE5M(5m) | 730 | ¥11,590 |
| 項目 | E-EDR | |||
| 最小値 | 代表値 | 最大値 | 単位位 | |
| 出力電流(連続) | 0.5 | - | 13 | A |
| 電源電圧(DC) | 24 | 36/48 | 80 | Vdc |
| 入力電流(理論値) | 6 | 10 | 16 | mA |
| 入力電圧(理論値) | 4.5 | 5 | 28 | Vdc |
| パルス周波数 | 0 | 200 | 500 | kHz |
| 絶縁抵抗 | 100 | - | - | MΩ |
| 冷却方式 | 自然冷却または強制空冷 | |
| 使用環境 | 周辺環境 | 他の熱源機器の近くに置かないでください。粉塵やオイルミスト、腐食性ガスのある場所、湿度が高く、強い振動のある場所での使用を避けてください。 また、可燃性ガスや導電性粉塵のある場所での使用を控えてください。 |
| 温度 | -5℃ ~ +45℃ | |
| 湿度 | 40 ~ 90%RH | |
| 振動 | 10 ~ 55Hz/0.15mm | |
| 保存温度 | -20℃ ~ +65℃ | |
| 海抜 | 1000m以下 | |
| 重量 | 約1.4KG | |
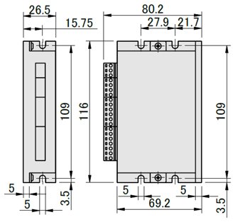
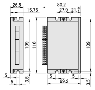
![]() |
| 図1 E-EDR ハイブリッドモータドライバ寸法図 |
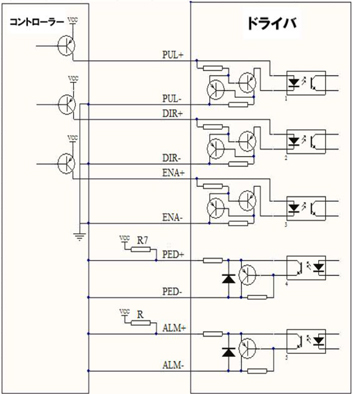
| ピン番号 | 信号 | 機能 | 説明 |
| 1 | PUL+ | パルスプラス側入力 | 4.5V~28Vのレベル信号に対応 |
| 2 | PUL- | パルスマイナス側入力 | |
| 3 | DIR+ | 方向プラス側入力 | |
| 4 | DIR- | 方向マイナス側入力 | |
| 5 | ENA+ | イネーブルプラス側入力 | |
| 6 | ENA- | イネーブルマイナス側入力 | |
| 7 | ALM+ | アラーム信号プラス側出力 | オープンコレクタOC出力、最大プルアップレベル24V、最大出力電流100mA |
| 8 | ALM- | アラーム信号マイナス側出力 |
| ピン番号 | 信号 | 機能説明 |
| 1 | +VDC | 電源プラス側入力、入力電圧は24 ~ 80Vdc |
| 2 | GND | 電源マイナス側入力 |
| 3 | NC | 信号なし |
| ピン番号 | 信号 | 機能説明 |
| 1 | EB+ | エンコーダ信号B+入力 |
| 2 | EB- | エンコーダ信号B-入力 |
| 3 | EA+ | エンコーダ信号A+入力 |
| 4 | EA- | エンコーダ信号A-入力 |
| 5 | VCC | ドライバ+5V出力、エンコーダに電源供給 |
| 6 | EGND | ドライバGND出力、エンコーダに電源供給 |
| No | 点滅回数 | 赤色LED点滅波形 | 異常理由 |
| 1 | 1 | ![]() | 過電流エラー(Iピーク値≥25A) |
| 2 | 2 | ![]() | 過電圧エラー(Vdc≥90V) |
| 3 | 4 | ![]() | モータの相欠損 |
| 4 | 7 | ![]() | モータの超差 |
| 5 | 9 | ![]() | ドライバの故障 |
![]() |
| 図2 入力信号差動接続 |
![]() |
| 図3 電流ソース出力回路接続方法 |
![]() |
| 図4 電流シンク出力接続方法 |

| 型番 |
|---|
通常単価(税別)
(税込単価) | 通常出荷日 |
|---|
5,390円 ( 5,929円 ) | 9日目〜 |
10,900円 ( 11,990円 ) | 9日目〜 |
11,350円 ( 12,485円 ) | 9日目〜 |
5,580円 ( 6,138円 ) | 9日目〜 |
11,140円 ( 12,254円 ) | 9日目〜 |
11,590円 ( 12,749円 ) | 9日目〜 |
9,560円 ( 10,516円 ) | 9日目〜 |
通常価格、通常出荷日が表示と異なる場合がございます
通常価格、通常出荷日が表示と異なる場合がございます

オリエンタルモーター
高トルク ステッピングモーター PKPシリーズ
4.8通常価格(税別):4,684円~

オリエンタルモーター
ユニット用 ステッピングモーター
0通常価格(税別):8,050円~

ミスミ
【エコノミーシリーズ】ステッピングモーター 42シリーズ
5通常価格(税別):3,720円~

シナノケンシ
コントローラ内蔵マイクロステップドライバ&ステッピングモータセットCSA-UPシリーズ
4通常価格(税別):20,979円~

シナノケンシ
2軸同時駆動スピードコントローラ&ステッピングモータ2台セットCSA-UTシリーズ
4通常価格(税別):31,083円~

ミスミ
【エコノミーシリーズ】ステッピングモーター 57シリーズ
0通常価格(税別):4,360円~

ミスミ
【エコノミーシリーズ】クローズドループステッピングモーター 42シリーズ
0通常価格(税別):5,390円~

オリエンタルモーター
ステッピングモーター AZシリーズ
0通常価格(税別):28,452円~

シナノケンシ
発振機内蔵スピードコントローラ&ステッピングモータセットCSA-URシリーズ
0通常価格(税別):22,753円