メカニカル部品技術窓口
ミスミ品のみ対象
【特長】 リニアブッシュ取り付け側の反対側にリニアブッシュがはみ出ないため、取り付けの反対側のスペース...
詳細を確認
| Type | 外筒 | ボール | 保持器 | 使用雰囲気温度 | [ A ]付属品 | ||
| 丸フランジ | [ M ]材質 | [ H ]硬度 | [ S ]表面処理 | [ M ]材質 | [ M ]材質 | ||
| LHIFR | SUJ2相当 | 58HRC〜 | − | SUJ2相当 | 樹脂(ジュラコンM90相当) | -20〜 80℃ | シール[ M ]材質 ニトリルゴム (-20〜120℃) |
| LHIFR-N シールなし | |||||||
| LHIFRF | ステンレス(SUS) | -20〜110℃ | |||||
| LHIFRM | 無電解ニッケルメッキ | SUS440C相当 | 樹脂(ジュラコンM90相当) | -20〜 80℃ | |||
| LHIFRM-N シールなし | |||||||
| LHIFRMF | ステンレス(SUS) | -20〜110℃ | |||||
| SLHIFR | SUS440C相当 | 56HRC〜 | − | 樹脂(ジュラコンM90相当) | -20〜 80℃ | ||
| SLHIFRS | ステンレス(SUS) | -20〜120℃ | |||||
| 型式 | ||
| LHIFR20 | ||
| LHIFR-N20 | (シールなし) | |
| LHIFRM20 | (無電解ニッケルメッキ) | |
![]() | LHIFR20L | (Lタイプグリース入り) |
![]() | LHIFR20G | (Gタイプグリース入り) |
![]() | LHIFR20H | (Hタイプグリース入り) |
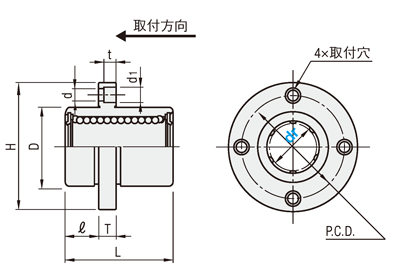
| dr | D許容差 | L | ℓ | H | T | d | d1 | t | P.C.D. | W | F | A | 偏心(mm) (最大) *1 | ボール 条列 | 直角度 *2 | 基本定格荷重 | 質量(g) | |||||
| 許容差 | 表面処理 なし | 表面処理 あり | 許容差 | C(動)N | Co(静)N | 丸フランジ | ||||||||||||||||
| 6 | 0 - 0.009 | 12 | 0 - 0.013 | 0 - 0.018 | 19 | ±0.3 | 5 | 28 | 5 | 3.5 | 6 | 3.1 | 20 | 22 | − | 20 | 0.012 | 4 | 0.012 | 206 | 265 | 24 |
| 8 | 15 | 24 | 32 | 24 | 25 | − | 24 | 265 | 380 | 37 | ||||||||||||
| 10 | 19 | 0 - 0.016 | 0 - 0.021 | 29 | 6 | 40 | 6 | 4.5 | 7.5 | 4.1 | 29 | 30 | − | 29 | 372 | 549 | 72 | |||||
| 12 | 21 | 30 | 42 | 32 | 32 | − | 32 | 412 | 598 | 76 | ||||||||||||
| 13 | 23 | 32 | 43 | 33 | 34 | − | 33 | 510 | 784 | 88 | ||||||||||||
| 16 | 28 | 37 | 48 | 38 | 37 | 22 | 31 | 775 | 1180 | 120 | ||||||||||||
| 20 | 0 - 0.010 | 32 | 0 - 0.019 | 0 - 0.025 | 42 | 8 | 54 | 8 | 5.5 | 9 | 5.1 | 43 | 42 | 24 | 36 | 0.015 | 5 | 0.015 | 882 | 1370 | 180 | |
| 25 | 40 | 59 | 62 | 51 | 50 | 32 | 40 | 6 | 980 | 1570 | 340 | |||||||||||
| 30 | 45 | 64 | 10 | 74 | 10 | 6.6 | 11 | 6.1 | 60 | 58 | 35 | 49 | 1570 | 2740 | 470 | |||||||
| 35 | 0 - 0.012 | 52 | 0 - 0.022 | 0 - 0.030 | 70 | 82 | 67 | 64 | 38 | 55 | 0.020 | 0.020 | 1670 | 3140 | 650 | |||||||
| 40 | 60 | 80 | 13 | 96 | 13 | 9 | 14 | 8.1 | 78 | 75 | 45 | 64 | 2160 | 4020 | 1060 | |||||||
| 50 | 80 | 100 | 116 | 98 | 92 | 56 | 80 | 3820 | 7940 | 2200 | ||||||||||||
| 種類 | 製品名 | 主な特長 |
| Aタイプ | アルバニアグリースS2(昭和シェル石油製) | さまざまなグリース潤滑箇所に適する工業用万能グリースです。 |
| Yタイプ | AFF(THK製) | 発塵量が少なく、また安定した転がり抵抗値、耐フレッチング性に優れたグリースです。 |
| Gタイプ | LG2(日本精工製) | 発塵量が少なく、また耐摩耗性、防錆性に優れたグリースです。 |
| Lタイプ | ET-100K(協同油脂製) | 耐熱・酸化安定性に優れています。また付着・粘着力に優れており、飛散・漏洩が少ないです。 |
| Hタイプ | FGL(Lubriplate®) | 食品・飲料・医薬品の加工・詰込装置等の潤滑に適しています。(NSF H-1登録No.043534) |
| 項目 | 条件 | 単位 | 測定方法 | Aタイプ | Yタイプ | Gタイプ | Lタイプ | Hタイプ |
| 増ちょう剤 | − | − | − | リチウム系 | リチウム系 | リチウム系 | 芳香族ジウレア | アルミニウム複合石鹸 |
| 基油 | − | − | − | 鉱油 | 高級合成油 | 鉱油+合成炭化水素油 | エーテル系合成油 | USPホワイト油 |
| 基油 動粘度 | 40℃ | mm2/s | JIS K2220 23 | 131 | 100 | 32 | − | 105(ASTMD-445) |
| 100℃ | 12.2 | − | 5.4 | − | 11.5(ASTMD-445) | |||
| 混和ちょう度 | − | − | JIS K2220 7 | 283 | 315 | 199 | 280 | 310(ASTMD-217) |
| 滴点 | − | ℃ | JIS K2220 8 | 181 | 220 | 201 | 260< | 238(ASTMD-217) |
| 蒸発量 | 99℃×22hr | wt% | JIS K2220 10 | 0.2 | 0.7 | 1.4 | − | 0.27(ASTMD−972) |
| 離油度 | 100℃×24hr | wt% | JIS K2220 11 | 2.4 | 2.6 | 0.8 | 1.2 | 2.1(ASTMD−1742) |
| 使用温度 | 大気中 | ℃ | − | ‐25~120 | ‐40~120 | −20~70 | −40~200 | −12~177 |
| 型番 |
|---|
通常単価(税別)
(税込単価) | 通常出荷日 |
価格が安い代替相当品
|
|---|
700円 ( 770円 ) | 在庫品1日目当日出荷可能 |
|
1,200円 ( 1,320円 ) | 10日目 |
- |
2,200円 ( 2,420円 ) | 10日目 |
- |
2,200円 ( 2,420円 ) | 10日目 |
- |
2,200円 ( 2,420円 ) | 10日目 |
- |
2,200円 ( 2,420円 ) | 10日目 |
- |
700円 ( 770円 ) | 在庫品1日目当日出荷可能 |
|
1,200円 ( 1,320円 ) | 10日目 |
- |
2,200円 ( 2,420円 ) | 10日目 |
- |
2,200円 ( 2,420円 ) | 10日目 |
- |
2,200円 ( 2,420円 ) | 10日目 |
- |
2,200円 ( 2,420円 ) | 10日目 |
- |
710円 ( 781円 ) | 在庫品1日目当日出荷可能 |
|
1,210円 ( 1,331円 ) | 10日目 |
- |
2,210円 ( 2,431円 ) | 10日目 |
- |
2,210円 ( 2,431円 ) | 10日目 |
- |
2,210円 ( 2,431円 ) | 10日目 |
- |
2,210円 ( 2,431円 ) | 10日目 |
- |
770円 ( 847円 ) | 在庫品1日目当日出荷可能 |
|
1,670円 ( 1,837円 ) | 10日目 |
- |
2,870円 ( 3,157円 ) | 10日目 |
- |
2,870円 ( 3,157円 ) | 10日目 |
- |
2,870円 ( 3,157円 ) | 10日目 |
- |
2,870円 ( 3,157円 ) | 10日目 |
- |
850円 ( 935円 ) | 在庫品1日目当日出荷可能 |
|
1,750円 ( 1,925円 ) | 10日目 |
- |
2,950円 ( 3,245円 ) | 10日目 |
- |
2,950円 ( 3,245円 ) | 10日目 |
- |
2,950円 ( 3,245円 ) | 10日目 |
- |
2,950円 ( 3,245円 ) | 10日目 |
- |
960円 ( 1,056円 ) | 在庫品1日目当日出荷可能 |
|
1,860円 ( 2,046円 ) | 10日目 |
- |
3,060円 ( 3,366円 ) | 10日目 |
- |
3,060円 ( 3,366円 ) | 10日目 |
- |
3,060円 ( 3,366円 ) | 10日目 |
- |
3,060円 ( 3,366円 ) | 10日目 |
- |
1,130円 ( 1,243円 ) | 在庫品1日目当日出荷可能 |
|
2,030円 ( 2,233円 ) | 10日目 |
- |
3,230円 ( 3,553円 ) | 10日目 |
- |
3,230円 ( 3,553円 ) | 10日目 |
- |
3,230円 ( 3,553円 ) | 10日目 |
- |
3,230円 ( 3,553円 ) | 10日目 |
- |
1,590円 ( 1,749円 ) | 在庫品1日目当日出荷可能 |
|
2,490円 ( 2,739円 ) | 10日目 |
- |
3,690円 ( 4,059円 ) | 10日目 |
- |
3,690円 ( 4,059円 ) | 10日目 |
- |
3,690円 ( 4,059円 ) | 10日目 |
- |
3,690円 ( 4,059円 ) | 10日目 |
- |
2,190円 ( 2,409円 ) | 在庫品1日目当日出荷可能 |
|
3,090円 ( 3,399円 ) | 10日目 |
- |
4,290円 ( 4,719円 ) | 10日目 |
- |
4,290円 ( 4,719円 ) | 10日目 |
- |
4,290円 ( 4,719円 ) | 10日目 |
- |
4,290円 ( 4,719円 ) | 10日目 |
- |
3,350円 ( 3,685円 ) | 在庫品1日目当日出荷可能 |
|
5,050円 ( 5,555円 ) | 10日目 |
- |
5,850円 ( 6,435円 ) | 10日目 |
- |
5,850円 ( 6,435円 ) | 10日目 |
- |
5,850円 ( 6,435円 ) | 10日目 |
- |
5,850円 ( 6,435円 ) | 10日目 |
- |
【特長】
リニアブッシュ取り付け側の反対側にリニアブッシュがはみ出ないため、取り付けの反対側のスペースを確保できます。
【関連商品】
全長(L)が約1.5倍のミドルタイプはこちら
長期間メンテナンスフリーの潤滑ユニットMXタイプはこちら
| dr | ¥基準単価 | |||||||
| 丸フランジ | ||||||||
| LHIFR | LHIFR-N | LHIFRF | LHIFRM | LHIFRM-N | LHIFRMF | SLHIFR | SLHIFRS | |
| 6 | 670 | 660 | 1,050 | 910 | 900 | 1,140 | 1,600 | 1,840 |
| 8 | 670 | 660 | 1,050 | 910 | 900 | 1,150 | 1,610 | 1,860 |
| 10 | 680 | 670 | 1,080 | 930 | 920 | 1,180 | 1,660 | 1,910 |
| 12 | 730 | 720 | 1,150 | 990 | 980 | 1,250 | 1,760 | 2,020 |
| 13 | 810 | 800 | 1,260 | 1,080 | 1,070 | 1,380 | 1,940 | 2,230 |
| 16 | 910 | 900 | 1,430 | 1,230 | 1,220 | 1,570 | 2,200 | 2,540 |
| 20 | 1,080 | 1,070 | 1,710 | 1,470 | 1,460 | 1,870 | 2,630 | 3,020 |
| 25 | 1,510 | 1,500 | 2,380 | 2,040 | 2,030 | 2,590 | 3,650 | 4,190 |
| 30 | 2,090 | 2,080 | 3,290 | 2,820 | 2,810 | 3,590 | 5,060 | 5,810 |
| 35 | 3,190 | − | − | 3,840 | − | − | − | − |
| 40 | 4,140 | − | − | 5,010 | − | − | − | − |
| 50 | 5,560 | − | − | 7,260 | − | − | − | − |
| 数量区分 | 標準対応 | 個別対応 | ||
| 小口 | 大口 | |||
| 数 量 | 1〜19 | 20〜34 | 35〜100 | 101~ |
| 値引率 | 基準単価 | 基準単価 | 10% | 18% |
| 出荷日 | 通常 | お見積り | ||
| 数量区分 | 標準対応 | 個別対応 | |
| 小口 | 大口 | ||
| 数 量 | 1〜34 | 35〜100 | 101~ |
| 値引率 | 基準単価 | 10% | 18% |
| 出荷日 | 通常 | お見積り | |



通常価格、通常出荷日が表示と異なる場合がございます
通常価格、通常出荷日が表示と異なる場合がございます

ミスミ
フランジ付リニアブッシュ シングルタイプ/逆ザグリ穴タイプ
4.7通常価格(税別):530円~

ミスミ
フランジ付リニアブッシュ スタンダードタイプ ダブル
4.5通常価格(税別):1,120円~

ミスミ
リニアブッシュ シングルタイプ
4.6通常価格(税別):330円~

ミスミ
フランジ付リニアブッシュ スタンダードタイプ センターフランジダブル
4.4通常価格(税別):1,310円~

ミスミ
インロー二面フランジ付リニアブッシュ シングル
4.2通常価格(税別):770円~

ミスミ
リニアブッシュ ダブルタイプ
4.5通常価格(税別):560円~

ミスミ
【エコノミーシリーズ】 RoHS対応 フランジ付リニアブッシュ スタンダード シングル
4.3通常価格(税別):300円~

ミスミ
リニアブッシュハウジングユニット ワイドブロック シングルタイプ/ミドルタイプ
4.7通常価格(税別):970円~

ミスミ
トールブロックハウジングユニット シングルタイプ/コンパクトタイプ
4.4通常価格(税別):1,030円~