メカニカル部品技術窓口
ミスミ品のみ対象
ミスミの低価格新ブランド【エコノミーシリーズ】順次商品拡大中!特集ページはこちら商品ラインナップ

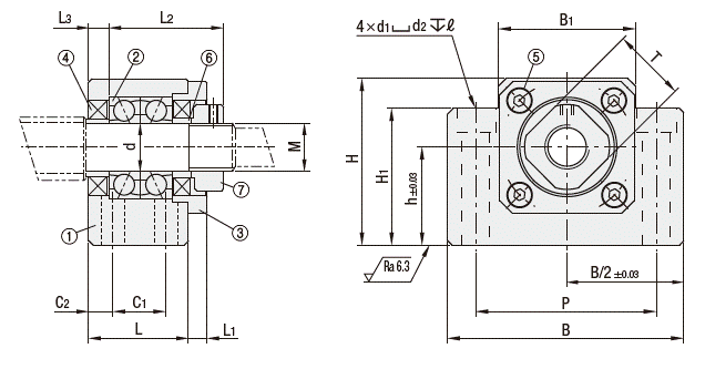
| 番号 | 部品名称 | 数量 |
| ① | ベアリング ハウジング | 1 |
| ② | 海外製 アンギュラベアリング | 1組 |
| ③ | カバー | 1 |
| ④ | オイルシール | 2 |
| ⑤ | 六角穴付ボルト | 4 |
| ⑥ | カラー | 2 |
| ⑦ | 締付ナット (セットピース付き) | 1 |
| 注文例 | 型番 | - | SET | |
| C-TBK10 | - | SET |
| Type | [ M ]材質 | [ S ]表面処理 | |||
| 固定側のみ | 固定側と支持側SET | ① | ③ | ⑥⑦ | ①③⑥⑦ |
| CーTBK | CーTBKーSET | S45C | S45C相当 | 一般構造用鋼 | 四三酸化鉄皮膜 |
| 型番 | 支持側 SET | d | L | L1 | L2 | L3 | B | H | h | B1 | H1 | P | C1 | C2 | d1 | d2 | ℓ | M (細目) | T | オイル シール 適用軸径 | ¥基準単価 | ||
| Type | No. | C-TBK | C-TBK-SET | ||||||||||||||||||||
| C-TBK | 10 | -SET (セット購入時のみ) | 10 | 25 | 5 | 29 | 5 | 60 | 39 | 22 | 34 | 32.5 | 46 | 13 | 6 | 6.6 | 11 | 5 | M10×1.0 | 16 | 14.5 | 2,420 | 3,349 |
| 12 | 12 | 43 | 25 | 35 | 1.5 | M12×1.0 | 19 | 15.5 | 2,480 | 3,380 | |||||||||||||
| 15 | 15 | 27 | 6 | 32 | 6 | 70 | 48 | 28 | 40 | 38 | 54 | 15 | 6.5 | M15×1.0 | 22 | 19.5 | 2,900 | 3,956 | |||||
| 20 | 20 | 35 | 8 | 43 | 8 | 88 | 60 | 34 | 52 | 50 | 70 | 19 | 8 | 9 | 14 | 8.5 | M20×1.0 | 30 | 27.5 | 4,604 | 6,001 | ||
| 25 | 25 | 42 | 12 | 54 | 9 | 106 | 80 | 48 | 64 | 70 | 85 | 22 | 10 | 11 | 17.5 | 11 | M25×1.5 | 35 | 31.5 | 5,903 | 7,837 | ||
| ベアリング種類 | 型番 | ||||||
| Type | C-TEK/C-TBK/C-TFK | E-TLK | |||||
| No. | 許容 アキシアル 荷重(N) | 基本 動定格 荷重(N) | ベアリング | 許容 アキシアル 荷重(N) | 基本 動定格 荷重(N) | ベアリング | |
| ラジアル ベアリング | 6 | − | 1580 | 606ZZ | − | 1580 | 606ZZ |
| 8 (8S) | − | 2310 | 608ZZ | − | 2310 | 608ZZ | |
| アンギュラベアリング | 10(10S) | 1910 | 3330 | 7000ATY | 2250 | 4750 | 7000ZZ |
| 12 | 2120 | 3640 | 7001ATY | 2550 | 5200 | 7001ZZ | |
| 15 | 2350 | 4170 | 7002ATY | 3250 | 5950 | 7002ZZ | |
| 20 | 5780 | 9800 | 7204ATY | 7850 | 14000 | 7204ZZ | |
| 25 | 6970 | 11060 | 7205ATY | − | − | − | |

| Type | No. | D | V | L |
| C-TBK | 10 | 14.5 | 10 | 5 |
| 12 | 15.5 | 12 | 5 | |
| 15 | 19.5 | 15 | 6 | |
| 20 | 27.5 | 20 | 8 | |
| 25 | 31.4 | 25 | 9 |

| Type | No. | 細目ねじ | B | m | d | D |
| C-TBK | 10 | M10×1.0 | 8 | M3 | 15 | 20 |
| 12 | M12×1.0 | 8 | M3 | 17 | 22 | |
| 15 | M15×1.0 | 8 | M3 | 21 | 25 | |
| 20 | M20×1.0 | 11 | M4 | 26 | 35 | |
| 25 | M25×1.0 | 15 | M5 | 33 | 43 |
| マウントType | No. | ミスミボールねじ | THKボールねじ (ミスミ加工) |
| C-TEK C-TFK | 6 | C-TBSE08□□ (推奨) C-BSST08□□ C-BSSC08□□ | MTF1002 BTK1006 |
| 8S | C-TBSE10□□ (推奨) C-BSST10□□ C-BSSC10□□ | - | |
| 8 | C-TBSE10□□ (推奨) | MTF1202 BTK1208 | |
| 10S | C-TBSE12□□ (推奨) C-BSSTH12□□ C-BSSCH12□□ | - | |
| 10 | C-TBSE12□□ (推奨) | BTK14□□ BLK1510 WTF1520 | |
| 12 | C-TBSE15□□ (推奨) C-BSSTH15□□ C-BSSCH15□□ | BTK1605 BLK1616 BTK1808 | |
| 15 | C-TBSE20□□ (推奨) C-BSSTH20□□ C-BSSCH20□□ | BTK20□□ BTK25□□ | |
| 20 | C-TBSE25□□ (推奨) C-BSSTH25□□ C-BSSCH25□□ | - | |
| 25 | C-TBSE32□□ (推奨) C-BSSTH32□□ C-BSSCH32□□ | - |
| マウントType | No. | ミスミボールねじ |
| C-TBK | 10 | C-TBSB12□□ (推奨) |
| 12 | C-TBSB15□□ (推奨) | |
| 15 | C-TBSB20□□ (推奨) | |
| 20 | C-TBSB25□□ (推奨) | |
| 25 | C-TBSB32□□ (推奨) |
| 当社類似品 BSA | エコノミーシリーズ C-TBK | |
| 使用ベアリング | 日系アンギュラベアリング | 海外製アンギュラベアリング |
| 中心高さ公差 | 0 -0.03 | ±0.03 |
| 適用ボールねじ | 全て | 転造ボールねじ推奨 |
| RoHS10 | 対応 | 保証外 |
| 中心高さ測定 |
![]() |
| ▲ねじの寿命を左右する要因の一つ |
通常単価(税別)
(税込単価) | 通常出荷日 |
高品質の代替品
|
|---|
2,420円 ( 2,662円 ) | 在庫品1日目当日出荷可能 |
|
3,349円 ( 3,684円 ) | 在庫品1日目当日出荷可能 |
|
2,480円 ( 2,728円 ) | 在庫品1日目当日出荷可能 |
|
3,380円 ( 3,718円 ) | 在庫品1日目当日出荷可能 |
|
2,900円 ( 3,190円 ) | 在庫品1日目当日出荷可能 |
|
3,956円 ( 4,352円 ) | 在庫品1日目当日出荷可能 |
|
4,604円 ( 5,064円 ) | 在庫品1日目当日出荷可能 |
- |
6,001円 ( 6,601円 ) | 在庫品1日目当日出荷可能 |
- |
5,903円 ( 6,493円 ) | 在庫品1日目当日出荷可能 |
- |
7,837円 ( 8,621円 ) | 在庫品1日目当日出荷可能 |
- |
ミスミの低価格新ブランド【エコノミーシリーズ】順次商品拡大中!特集ページはこちら商品ラインナップ
転造ボールねじ支持側固定側| ■SET品のご紹介 | 固定側タイプ、支持側タイプを同時にご使用のお客様へ 1つの型式で固定側タイプ・支持側タイプをセットでのご購入をお薦めします。 |
| SET品 | |
![]() | ![]() |
| 固定側 | 支持側 |

| 分類 | ボールねじ 代表Type | 推奨サポートユニット | |||||||
| 角型 | 丸型 | ||||||||
| 固定側 軸受種類 | 中心高さ 公差 | 固定側 | 支持側 | 固定側 軸受種類 | 同心度 | 固定側 | 支持側 | ||
![]() | ![]() | ![]() | ![]() | ||||||
| 当社 類似品 | BSS BSST | 日本製 アンギュラ ベアリング | 0 −0.03 | BSW | BUN | 日本製 アンギュラ ベアリング | φ0.010 | BRW | BUR |
| エコノミー シリーズ | C-BSS□ C-BSST□ C-KBS□ | 海外製 アンギュラ ベアリング | ±0.02 | CーBSW | CーBUN | 海外製 アンギュラ ベアリング | φ0.020 | C-BRW | CーBUR |
| C-TBS□ | ±0.03 | CーTEK CーTBK EーTLK | CーTEF CーTBF EーTLF | φ0.025 | CーTFK | CーTFF | |||
サポートユニットの組付け
サポートユニットは組み付けを誤ると、寿命や精度が低下し、機械装置の性能を発揮できなくなるおそれがありますので、十分注意する必要があります。
以下に、組付け時の手順と注意点をご説明します。
①組付け前の準備
組付け作業は、ゴミや湿気の無い場所を選んでください。さらに温度変化も少ないようにしてください。清潔な場所を選び、作業台の上に必要な工具を揃えてください。
②軸、サポートユニットの点検
軸表面及び、サポートユニット軸受内径部にゴミや異物の付着が無いか、またバリやかえりのないことを確認ください。バリやかえりのある場合は、オイルストーン等で除去の後、切り粉等の完全除去をおこなってください。
・ボールねじとサポートユニットを用意。
・ボールねじ固定側にサポートユニットを挿入。
挿入時の注意点
かじらないように真っ直ぐに挿入します。
また、オイルシールのめくれに注意。
グリースを塗ってから軸に挿入すると、スムーズに入ります。
・ボールねじ軸の締め付けナットは仮締め状態。
ボールねじ支持側にベアリングを挿入。止め輪で固定。
・先端振れはできるだけ小さく管理してください。
振れを確認| M | 締め付けナット 締結トルク(N・cm) |
| 4 | 160 |
| 5 | 200 |
| 6 | 245 |
| 8 | 490 |
| 10 | 930 |
| M | 締め付けナット 締結トルク(N・cm) |
| 12 | 1370 |
| 15 | 2350 |
| 20 | 4700 |
| 25 | 8430 |
④ベアリング締付けナット取付け時の注意
・ベアリング締付けナットを軽く締付ける。
推奨締付けトルク (表参照)の1/3で締付けてください。
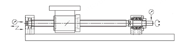
・ねじ軸をVブロックで支持し、AまたはBに図示のダイアルゲージを当て、ねじ軸を回しながら最も指針の振れが大きい位置を探す。
・図のようなハンマーなどを用い、前記位相位置でベアリング締付けナットを軽くたたいて指針の振れを少なくする。
・表の推奨締付けトルクを2~3回に分けて、3の作業を繰返し、所定のトルクで本締め。

・テーブルを支持側ベアリングに寄せて芯出しをします。
・テーブルを往復移動させて、全体の動きがスムーズになるよう調整します。
・各部精度確認をしながら、締め付けボルトを本締め固定します。
・調整が不安定のときは、前工程を繰り返しおこないます。
テーブル振れを確認トルクを確認移動量を測定本体
良い例
悪い例
| 付属品の梱包状態 | 付属品明細<固定側> | 付属品明細<支持側> | |||||||||
![]() 型式 | ![]()
| ![]()
| |||||||||
| ※付属品は組立の際に必ず必要ですので大切に保管してください。 | |||||||||||
| 当社類似品 | エコノミーシリーズ |
| 精密ボールねじ・ボールねじと組み合わせ可能 | 転造ボールねじのみに適用。運転中、精度の低い位置決め部品供給 |
<基板検査装置>![]() 基板上の導通検査を行う装置 | <昇降装置>![]() ストッカーの昇降装置 |
通常価格、通常出荷日が表示と異なる場合がございます
通常価格、通常出荷日が表示と異なる場合がございます

ミスミ
サポートユニット角型 固定側標準タイプ アンギュラベアリングJIS5級
4.6通常価格(税別):6,940円~

ミスミ
サポートユニット丸型 固定側標準タイプ アンギュラベアリングJIS5級
5通常価格(税別):6,940円~

ミスミ
サポートユニツト角型 支持側標準タイプ
4.3通常価格(税別):2,360円~

ミスミ
サポートユニツト丸型 支持側標準タイプ
4通常価格(税別):1,910円~

ミスミ
サポートユニット角型 固定側コンパクトタイプ アンギュラベアリングJIS0級
5通常価格(税別):6,230円~

ミスミ
サポートユニット角型 固定側標準タイプ 海外製アンギュラベアリング5級
4.8通常価格(税別):4,930円~

ミスミ
サポートユニット丸型 固定側標準タイプ 海外製アンギュラベアリング5級
5通常価格(税別):4,930円~

ミスミ
サポートユニツト角型 支持側低床タイプ
4.5通常価格(税別):2,360円~

ミスミ
サポートユニット角型 固定側低床タイプ アンギュラベアリングJIS5級
4.3通常価格(税別):6,940円~