メカニカル部品技術窓口
ミスミの低価格新ブランド【エコノミーシリーズ】順次商品拡大中!特集ページはこちら商品ラインナップ
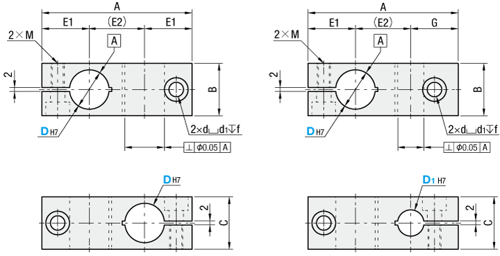
同径直交
異径直交

| Type | [ M ]材質 | [ S ]表面処理 | [ A ]付属品 | |
| 同径直交タイプ | 異径直交タイプ | |||
| C-ALKDE | C-ALKDU | アルミ合金 | 黒アルマイト | 六角穴付ボルト (ステンレス) |
| C-HLKDE | C-HLKDU | 白アルマイト | ||
| 型番 | − | D1 |
| CーALKDE8 CーHLKDU10 | ー | 8 |
| 型番 | A | B | C | E1 | (E2) | d | d1 | f | 付属ボルト (並目·ステンレス) M | ¥基準単価 | ||
| Type | D | C-ALKDE | C-HLKDE | |||||||||
| C-ALKDE C-HLKDE | 8 | 41 | 15 | 15 | 14 | 13 | 8 | 4.5 | 4.2 | M4 | 730 | 870 |
| 10 | 45 | 16 | 16 | 15 | 15 | 8 | 4.5 | 4.2 | 850 | 1,020 | ||
| 12 | 49 | 16 | 17 | 9 | 5.5 | 5.2 | M5 | 1,020 | 1,180 | |||
| 15 | 57 | 20 | 20 | 18 | 21 | 9 | 5.5 | 5.2 | 1,200 | 1,400 | ||
| 16 | 22 | 22 | 9 | 5.5 | 5.2 | 1,200 | 1,400 | |||||
| 20 | 69 | 25 | 25 | 22 | 25 | 11 | 6.5 | 6.2 | M6 | 1,330 | 1,670 | |
| 25 | 86 | 35 | 35 | 26 | 34 | 14 | 8.5 | 8.2 | M8 | 1,750 | 2,010 | |
| 30 | 95 | 40 | 40 | 29 | 37 | 14 | 8.5 | 8.2 | 2,190 | 2,490 | ||
| 型番 | D1 | A | B | C | E1 | (E2) | G | d | d1 | f | 付属ボルト (並目·ステンレス) M | ¥基準単価 | ||
| Type | D | C-ALKDU | C-HLKDU | |||||||||||
| C-ALKDU C-HLKDU | 10 | 8 | 45 | 20 | 20 | 15 | 15 | 15 | 8 | 4.5 | 4.2 | M4 | 1,080 | 1,270 |
| 12 | 10 | 49 | 16 | 17 | 16 | 9 | 5.5 | 5.2 | M5 | 1,270 | 1,480 | |||
| 15 | 57 | 18 | 21 | 18 | 9 | 5.5 | 5.2 | 1,510 | 1,750 | |||||
| 20 | 15 | 69 | 25 | 25 | 22 | 25 | 22 | 11 | 6.5 | 6.2 | M6 | 1,540 | 1,500 | |
| 16 | 11 | 6.5 | 6.2 | 1,540 | 2,100 | |||||||||
| 25 | 15 | 86 | 35 | 26 | 34 | 26 | 14 | 8.5 | 8.2 | M8 | 2,210 | 2,520 | ||
| 30 | 20 | 95 | 40 | 30 | 29 | 37 | 29 | 14 | 8.5 | 8.2 | 2,760 | 3,130 | ||
| 当社類似品 HLKD | エコノミーシリーズ C-□LKDE | |
| 外観 | ![]() | ![]() |
| 内径公差 | H7 | +0.05 0 |
| 直角度公差 | φ0.05 | 普通許容差 |
| 材質 | 一般用構造鋼(四三酸化鉄皮膜、 無電解ニッケルメッキ) アルミ合金(白アルマイト、黒アルマイト) SUS304 | アルミ合金(白アルマイト、黒アルマイト) |
| ボルト数 | φ12以下:1本 φ15以上:2本 | 全規格1本 |
| RoHS10 | 対応 | 対応 |
| D内径 (mm) | 当社類似品 HLKD | エコノミーシリーズ C-HLKDE | ||||
| 呼び | 締付け トルク(N・cm) | 最大スラスト荷重 (単位:kN) | 呼び | 締付け トルク(N・cm) | 最大スラスト荷重 (単位:kN) | |
| 10 | M5 | 764 | 1.68 | M4 | 392 | 0.84 |
| 25 | M6 | 1352 | 6.61 | M8 | 3273 | 3.80 |

| 型番 |
|---|
通常単価(税別)
(税込単価) | 通常出荷日 |
クリーン洗浄・梱包済みでお届けします
|
|---|
730円 ( 803円 ) | 在庫品1日目当日出荷可能 |
|
850円 ( 935円 ) | 在庫品1日目当日出荷可能 |
|
1,020円 ( 1,122円 ) | 在庫品1日目当日出荷可能 |
|
1,200円 ( 1,320円 ) | 在庫品1日目当日出荷可能 |
|
1,200円 ( 1,320円 ) | 在庫品1日目当日出荷可能 |
|
1,330円 ( 1,463円 ) | 在庫品1日目当日出荷可能 |
|
1,750円 ( 1,925円 ) | 在庫品1日目当日出荷可能 |
|
2,190円 ( 2,409円 ) | 在庫品1日目当日出荷可能 |
|
1,080円 ( 1,188円 ) | 在庫品1日目当日出荷可能 |
|
1,270円 ( 1,397円 ) | 在庫品1日目当日出荷可能 |
|
1,510円 ( 1,661円 ) | 在庫品1日目当日出荷可能 |
|
1,540円 ( 1,694円 ) | 在庫品1日目当日出荷可能 |
|
1,540円 ( 1,694円 ) | 在庫品1日目当日出荷可能 |
|
2,210円 ( 2,431円 ) | 在庫品1日目当日出荷可能 |
|
2,760円 ( 3,036円 ) | 在庫品1日目当日出荷可能 |
|
870円 ( 957円 ) | 在庫品1日目当日出荷可能 |
|
1,020円 ( 1,122円 ) | 在庫品1日目当日出荷可能 |
|
1,180円 ( 1,298円 ) | 在庫品1日目当日出荷可能 |
|
1,400円 ( 1,540円 ) | 在庫品1日目当日出荷可能 |
|
1,400円 ( 1,540円 ) | 在庫品1日目当日出荷可能 |
|
1,670円 ( 1,837円 ) | 在庫品1日目当日出荷可能 |
|
2,010円 ( 2,211円 ) | 在庫品1日目当日出荷可能 |
|
2,490円 ( 2,739円 ) | 在庫品1日目当日出荷可能 |
|
1,270円 ( 1,397円 ) | 在庫品1日目当日出荷可能 |
|
1,480円 ( 1,628円 ) | 在庫品1日目当日出荷可能 |
|
1,750円 ( 1,925円 ) | 在庫品1日目当日出荷可能 |
|
2,100円 ( 2,310円 ) | 在庫品1日目当日出荷可能 |
|
1,500円 ( 1,650円 ) | 在庫品1日目当日出荷可能 |
|
2,520円 ( 2,772円 ) | 在庫品1日目当日出荷可能 |
|
3,130円 ( 3,443円 ) | 在庫品1日目当日出荷可能 |
ミスミの低価格新ブランド【エコノミーシリーズ】順次商品拡大中!特集ページはこちら商品ラインナップ
通常価格、通常出荷日が表示と異なる場合がございます
通常価格、通常出荷日が表示と異なる場合がございます

ミスミ
支柱クランプ 同径直交・同径直交勝手違い
4.7通常価格(税別):1,100円~

ミスミ
超コンパクト支柱クランプ 同径・異径直交
4.7通常価格(税別):920円~

ミスミ
【エコノミーシリーズ】 RoHS対応 支柱クランプ 同径直交/異径直交タイプ
5通常価格(税別):730円~

ミスミ
丸型支柱クランプ-同径直交-
4.5通常価格(税別):788円~

ミスミ
支柱クランプ 異径直交・異径直交勝手違い
4.1通常価格(税別):1,630円~

ミスミ
支柱クランプ-角・角直交-
4.5通常価格(税別):2,280円~

ミスミ
フレキシブルクランプ-コンパクト
4.5通常価格(税別):860円~

ミスミ
支柱クランプ 同径平行穴ピッチ選択
4.8
ミスミ
支柱クランプ-角・丸直交-
4.5通常価格(税別):1,760円~