メカニカル部品技術窓口
ミスミ品のみ対象
![【エコノミーシリーズ】 台湾製 精密ボールねじ 軸径φ12 リード5・10 (C-BSSH) C-BSSH1210-[401-600/1]](https://content.misumi-ec.com/image/upload/t_product_main/t_misumi_wm/v1/p/jp/product/series/110302768010/10302768010_20230801115836.jpg)
【最短:7日目出荷~】7日目出荷商品多数ご用意!類似品比較ポイント:本商品は定格荷重・軸方向すきま・ナ...
詳細を確認
| 単位:mm | |||||||||||||||||||
| 型式 | (1)(2) 振れ公差(最大) | (3) 振れ公差(最大) | (4)(5) 直角度公差(最大) | (6) 直角度公差(最大) | (7) 直角度公差(最大) | 軸方向隙間 | |||||||||||||
| Type | ねじ軸 外径 | 当社類似品 (BSS) | エコノミーシリーズ 台湾製(C-BSSA(H)) | エコノミーシリーズ 中国製(C-KBS) | 当社類似品 (BSS) | エコノミーシリーズ 台湾製(C-BSSA(H)) | エコノミーシリーズ 中国製(C-KBS) | 当社類似品 (BSS) | エコノミーシリーズ 台湾製(C-BSSA(H)) | エコノミーシリーズ 中国製(C-KBS) | 当社類似品 (BSS) | エコノミーシリーズ 台湾製(C-BSSA(H)) | エコノミーシリーズ 中国製(C-KBS) | 当社類似品 (BSS) | エコノミーシリーズ 台湾製(C-BSSA(H)) | エコノミーシリーズ 中国製(C-KBS) | 当社類似品 (BSS) | エコノミーシリーズ 台湾製(C-BSSA(H)) | エコノミーシリーズ 中国製(C-KBS) |
| C-BSSA C-BSSH | 8 | 0.011 | 0.011 | 0.1 | 0.011 | 0.011 | 0.1 | 0.005 | 0.005 | 0.02 ※参考値 | 0.01 | 0.01 | 保証なし | 0.012 | 0.012 | 保証なし | 0.005以下 | 0.008以下 | 0.008以下 |
| 10 | |||||||||||||||||||
| 12 | |||||||||||||||||||
| 15 | 0.012 | 0.012 | 0.012 | 0.012 | 0.011 | 0.011 | 0.015 | 0.015 | 0.015以下 | 0.015以下 | |||||||||
| 20 | |||||||||||||||||||
| 25 | 0.013 | 0.013 | 0.013 | 0.013 | 0.013 | 0.013 | 0.019 | 0.019 | |||||||||||
| 単位:mm | ||||||||||||
| 型式 | (8) 振れ公差 (最大) | |||||||||||
| Type | ねじ軸 | ねじ軸全長 | ||||||||||
| 外径 | ~125 | 126~200 | 201~315 | 316~400 | 401~500 | 501~630 | 631~800 | 801~1000 | 1001~1250 | 1251~1600 | 1601~2000 | |
| C-BSSA C-BSSH | 8 | 0.035 | 0.050 | 0.065 | - | - | - | - | - | - | - | - |
| 10 | 0.040 | 0.055 | 0.065 | 0.080 | 0.090 | - | - | - | - | - | ||
| 12 | - | - | - | - | - | |||||||
| 15 | - | 0.045 | 0.055 | 0.060 | 0.075 | 0.090 | 0.120 | 0.150 | 0.190 | - | ||
| 20 | - | - | ||||||||||
| 25 | - | - | 0.040 | 0.045 | 0.050 | 0.060 | 0.070 | 0.085 | 0.100 | 0.130 | - | |
| ▼現在の商品ページはこちら | |||
| 当社類似品 精密ボールねじ BSS1210 | エコノミーシリーズ 台湾製 精密ボールねじ C-BSSH1210 | エコノミーシリーズ 中国製 研削ボールねじ C-KBS1210 | |
| 精度等級 | C5 | C5 | C5相当 |
| ねじ軸材質 | AISI4150 | S55C | S55C相当 |
| ナット材質 | SCM420 | SCM415 | SCM420相当 |
| ナット形状 | 角形 | 2面フランジ | 2面フランジ |
| 基本定格荷重 動定格(N) | 3850 | 2700 | 2000 |
| 基本定格荷重 静定格(N) | 5900 | 4100 | 3500 |
| 軸方向すきま | 0.005以下 | 0.008以下 | 0.008未満 |
| RoHS10対応 | 対応 | 対応 | 非対応 |
| 商品ページ | 詳細はこちら | - | 詳細はこちら |
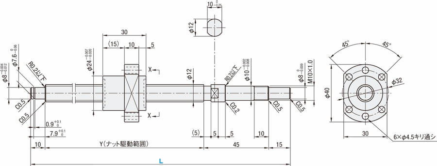
矢視X-X

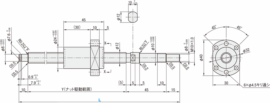
矢視X-X

| ナット 種類 | Type | 精度 等級 | ねじ径 | リード | ねじ軸 | ナット | ||
| [ M ]材質 | [ H ]硬度 | [ M ]材質 | [ H ]硬度 | |||||
| スタンダードナット | C-BSSH | C5 | 12 | 5・10 | S55C | 高周波焼入 58〜62HRC | SCM415 | 浸炭焼入 58〜62HRC |
| 型式 | − | L |
| C-BSSH1205 | − | 200 |
| ナット 種類 | 精度 等級 | 型式 | 指定1mm単位 | Y | ボール 径 | ボール 中心径 | ねじ谷径 | 循環数 | 基本定格荷重 | 軸方向 すきま | 予圧トルク N・cm | ねじれ 方向 | |||
| Type | ねじ軸外径 | リード | L | C(動)kN | Co(静)kN | ||||||||||
| スタンダード ナット | C5 | C-BSSH | 12 | 05 | 150〜450 | L−70 | 2.5 | 12.3 | (9.8) | 2.8巻 1列 | 4.2 | 6.9 | 0.008以下 | 1.0以下 | 右 |
| 10 | 401〜600 | 2.7 | 4.1 | 2.0以下 | |||||||||||
| kgf=N×0.101972 | |||||||||||||||
型式 | - | L | - | (FC・KC…etc.) |
C-BSSH1205 | - | 386 | - | SWC13 |
|
| |||||||||||||||||||||||||||||||||||||||||||||||||||||||||||||
【最短:7日目出荷~】7日目出荷商品多数ご用意!
類似品比較ポイント:本商品は定格荷重・軸方向すきま・ナット寸法が類似品と異なります。※輸送便遅れにより最短納期が一部延長しております。
ミスミの低価格新ブランド【エコノミーシリーズ】順次商品拡大中!特集ページはこちら商品ラインナップ
| ■備考 [ ! ]リチウム石けんグリース(シェルアルバニアグリースS2)封入済みです。 [ ! ]ボールねじ精度は選定ガイド・ラインナップをご覧ください。 [ ! ]サポートユニット詳細は概要・ラインナップをご覧ください。 [ ! ]取扱注意:ナットをボールねじナット駆動範囲からオーバーランさせたり、ねじ軸から 抜いたりしないでください。ボールの脱落やボール循環部品の損傷などが発生します。 [ ! ]ボールねじ軸及びナットを傾けると自重で落下することがありますのでご注意ください。 [ ! ]サポートユニット付属のカラー1つを締付けナット側でお使いください。 | <ナットのオーバーラン禁止> | <ナットの取り外し禁止> |
![]() | ![]() |
![]() | ![]() | ![]() |
| サポートユニット(角型低床タイプ) | サポートユニット(丸型タイプ) |
ボールねじ型式 | 推奨サポートユニット | |||||||
Type | ねじ軸 外径 | リード | 型式 | 形状 | 固定側 | 支持側 | 掲載 ページ | |
Type | No. | |||||||
C-BSSH | 12 | 05 10 | C-BRW | 10S | 丸型 | 〇 | P.793 | |
C-BUR | 10 | 〇 | P.794 | |||||
C-BSW | 10S | 角型 | 〇 | P.787 | ||||
C-BUN | 10 | 〇 | P.788 | |||||
通常価格、通常出荷日が表示と異なる場合がございます
通常価格、通常出荷日が表示と異なる場合がございます

ミスミ
ボールねじナットブラケット ブロックタイプ
4.7
ミスミ
転造ボールねじ STD. ナット/潤滑Uナット 軸径Φ20 リード5・10・20
4.6
ミスミ
精密ボールねじ 軸径φ20 リード5・10・20
5
ミスミ
精密ボールねじ 軸径φ6・8 リード2
4.7
ミスミ
精密ボールねじ 軸径Φ15 リード5・10・20
4.7
ミスミ
転造ボールねじ STD. ナット 軸径Φ28・32 リード6・10・32
4.3
ミスミ
転造ボールねじ STD. ナット 軸径φ8 リード2・4
5
ミスミ
転造ボールねじ ブロックナット 軸径Φ15・20・25
4.3
ミスミ
転造ボールねじ STD. ナット 軸径Φ12・14 リード4・5・10
0