メカニカル部品技術窓口
ミスミ品のみ対象

| ■穴種選択表 | |||
| 穴種 | ボルト通し穴 | タップ穴(並目) | 公差付通し穴 |
| Code | N・NA | M・MA | D |
| 形状図 | [ ! ] ![]() | | |
| [ ! ]d寸法は規格表下部 「N・NA加工寸法表」参照 | |||
| 型式 | [ M ]材質 | [ S ]表面処理 | |
| Type | 材質記号 | ||
| BLUJS | SP | T0.8~3.2 : SPCC T4.5~6.0 : SPHC | − |
| SPB | 四三酸化鉄皮膜 | ||
| SPU | 三価クロメート(白) | ||
| SPK | 三価クロメート(黒) | ||
| AM | A5052 | − | |
| AMW | アルマイト処理(白) | ||
| AMB | アルマイト処理(黒) | ||
| SUD | SUS304(2B) | − | |
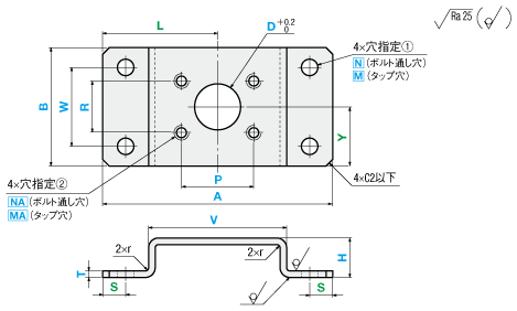
| 型式 | - | A | - | B | - | T | - | H | - | V | - | S | - | W | - | 穴指定① Code・呼び径 | - | L | Y | - | D | - | P | - | R | - | 穴指定② Code・呼び径 | |||
| - | ||||||||||||||||||||||||||||||
| Type | - | 材質記号 | ||||||||||||||||||||||||||||
| BLUJS | - | SP | - | A80 | - | B40 | - | T2.3 | - | H20 | - | V50 | - | S7 | - | W20 | - | N5 | - | L40 | - | Y20 | - | D20 | - | P30 | - | R20 | - | NA3 |
| 型式 | 指定1mm単位 | 選択 | 指定1mm単位 | S | W | 穴指定① | L | Y | D | P | R | 穴指定② | |||||||
| Type | 材質記号 | A | B | T | H | V | Code/指定方法 | Code/指定方法 | |||||||||||
| BLUJS | SP SPB SPU SPK | 30 ~ 200 | 20 ~ 200 | 0.8 ・ 1.0 ・ 1.2 ・ 1.6 2.3 ・ 3.2 ・ 4.5 ・ 6.0 | 10 ~ 100 | min 15~ [ ! ]V≧H | 指定 0.1mm単位 | 指定 0.1mm単位 | 3~30 (0.5mm単位) | 指定 0.1mm単位 | |||||||||
| N | M | NA | MA | ||||||||||||||||
| (ボルト通し穴)* | (タップ穴) | (ボルト通し穴)* | (タップ穴) | ||||||||||||||||
| AM AMW AMB | 1.0 ・ 1.5 ・ 2.0 ・ 3.0 | 0(穴無し) 3・4・5 | 0(穴無し) 3・4・5 | 0(穴無し) 3・4・5 | 0(穴無し) 3・4・5 | ||||||||||||||
| 6・8・10 | 6・8・10 | 6・8・10 | 6・8・10 | ||||||||||||||||
| (選択) | (選択) | (選択) | (選択) | ||||||||||||||||
| SUD | 0.8 ・ 1.0 ・ 1.2 ・ 1.5 2.0 ・ 3.0 ・ 4.0 | [ ! ] | [ ! ] | [ ! ] | [ ! ] | ||||||||||||||
| [ ! ]穴が端面に近すぎると穴が変形する可能性がありますが、加工限界内であればそのまま加工します。 | |||||||||||||||||||
| N・NA 指定値 | 通し穴径 (d) |
| 0 | (穴無し) |
| 3 | 3.5 |
| 4 | 4.5 |
| 5 | 5.5 |
| 6 | 6.5 |
| 8 | 9 |
| 10 | 11 |
[ ! ]穴加工対応表
| T | N・NA(ボルト通し穴) | M・MA(タップ穴) |
| 0.8 | 0・3・4・5・6・8・10 | 0 |
| 1.0、1.2 | 0・3 | |
| 1.5、1.6 | 0・3・4 | |
| 2.0、2.3 | 0・3・4・5・6 | |
| 3.0、3.2 | 0・3・4・5・6・8 | |
| 4.0~6.0 | 0・3・4・5・6・8・10 |

| Alteration | コーナーカット変更(4コーナー) | |
![]() | ||
| Code | CC | |
| Spec. | CC=指定1mm単位 [ ! ]1≦CC≦20 指定方法 CCを型式末尾に追加 (例)~-CC10 | |
| ¥/1Code | 400 | |
[ ! ]1.許容差は下図を参照
| <加工寸法の普通許容差> | ||||||
| 商品 | 基準寸法の区分 (A・H寸法) | 6以下 | 6を超え 30以下 | 30を超え 120以下 | 120を超え 400以下 | |
| 板金(曲げ加工品) | 許容差(a・h) | ±0.3 | ±0.5 | ±0.8 | ±1.2 | |
| ※板金は、JIS B 0408の金属プレス加工品普通許容差の公差等級:B級を採用。 | ||||||

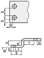
[ ! ]5.下図のf,b,h,gの各部には加工限界があります。
| T | f(穴と曲げの距離) | b (穴と断面 との距離) | h | g | ||||||
| SPCC SPHC | A5052 | SUS304 | 通し穴 | タップ穴 | 公差付穴 曲げと平行な長穴 | |||||
| L曲げ | Z・凸曲げ | L曲げ | Z・凸曲げ | |||||||
| 0.8 | ー | 0.8 | 2 | 3 | - | - | 3.5 | 1 | 5 | 5 |
| 1.0 | 1.0 | 1.0 | 2 | 3 | 3 | 5.5 | 3.5 | 1 | 5.5 | 5.5 |
| 1.2 | ー | 1.2 | 2 | 3 | 3 | 5.5 | 3.5 | 1 | 5.5 | 5.5 |
| 1.6 | 1.5 | 1.5 | 2 | 3.5 | 3 | 6 | 4 | 1 | 6 | 6 |
| 2.3 | 2.0 | 2.0 | 2 | 4.5 | 3 | 7 | 5 | 1.5 | 7 | 7 |
| 3.2 | 3.0 | 3.0 | 2 | 6.5 | 3 | 9 | 7 | 1.5 | 9 | 9 |
| 4.5 | ー | 4.0 | 3 | 7.5 | 4 | 11 | 8(9) | 2 | 11 | 11 |
| 6.0 | ー | ー | 3 | 14 | 4 | 16 | 15 | 2.5 | 16 | 18 |

[ ! ]6.プレスブレーキのブレーキ押さえによるキズが付きます。r・e・d寸法は目安となります。
| T | 曲げ後R | ブレーキキズ | |||
| 位置 | 深さ | ||||
| SPCC SPHC | A5052 | SUS304 | (r) | (e) | (d) |
| 0.8 | ー | 0.8 | 0.8 | 5 | 0.1 |
| 1.0 | 1.0 | 1.0 | 1 | 5 | 0.1 |
| 1.2 | ー | 1.2 | 1.2 | 5 | 0.1 |
| 1.6 | 1.5 | 1.5 | 1.5 | 6 | 0.1 |
| 2.3 | 2.0 | 2.0 | 2.0 | 7.5 | 0.1 |
| 3.2 | 3.0 | 3.0 | 3.0 | 10.5 | 0.2 |
| 4.5 | ー | 4.0 | 4.0 | 13.5 | 0.3 |
| 6.0 | ー | ー | 6.0 | 17 | 0.5 |

[ ! ]7.曲げによる食い込み、及び膨らみが付きます。

| なし | 四三酸化鉄皮膜 | 三価クロメート(白) | 三価クロメート(黒) | |
| SP | SPB | SPU | SPK | |
| SPCC T0.8~3.2 | ![]() | ![]() | ![]() | ![]() |
| SPHC T4.5~6.0 | ![]() | ![]() | ![]() | ![]() |
| SS400 (黒皮) T9.0 | ![]() | ![]() | ![]() | ![]() |
| なし | アルマイト処理(白) | アルマイト処理(黒) | |
| AM | AMW | AMB | |
| A5052 | ![]() | ![]() | ![]() |
| なし | |
| SUD | |
| SUS304(2B) T0.8~6.0 | ![]() |
| SUS304(No.1) T9.0 | ![]() |

| 型番 |
|---|
通常単価(税別)
(税込単価) | 通常出荷日 |
クリーン洗浄・梱包済みでお届けします
|
|---|
- ( - ) | 3日目 |
|
- ( - ) | 15日目 |
|
- ( - ) | 15日目 |
|
- ( - ) | 4日目 |
- |
- ( - ) | 5日目 |
- |
- ( - ) | 16日目 |
|
- ( - ) | 5日目 |
|
- ( - ) | 4日目 |
【板厚追加】板厚0.8~1.2mm、6mmを追加しました!
軽量化・省スペース化、重量物の連結など用途に合わせてご利用ください。
鉄・アルミ・ステンレスからご選定頂ける凸曲げ板金ブラケットです。
汎用的な穴パターンをご用意しております。寸法フリーにて指定可能です。
| A | B | T | 本体価格 ¥基準単価 | |||||||
| SPCC / SPHC | A5052 | SUS304 | ||||||||
| 処理無し | 四三酸化 鉄皮膜 | 三価 クロメート (白) | 三価 クロメート (黒) | 処理無し | アルマイト 処理 (白) | アルマイト 処理 (黒) | 処理無し | |||
| SP | SPB | SPU | SPK | AM | AMW | AMB | SUD | |||
| 30~120 | 20~100 | 0.8~1.6 | 2,650 | 2,790 | 2,820 | 2,810 | 2,500 | 3,460 | 3,630 | 2,940 |
| 2.0~2.3 | 2,770 | 2,920 | 2,950 | 2,940 | 2,570 | 3,520 | 3,690 | 3,240 | ||
| 3.0~3.2 | 2,790 | 2,940 | 2,970 | 2,960 | 2,650 | 3,600 | 3,770 | 3,420 | ||
| 4.0~4.5 | 3,160 | 3,330 | 3,360 | 3,350 | - | - | - | 3,910 | ||
| 6.0 | 3,250 | 3,420 | 3,460 | 3,450 | - | - | - | - | ||
| 101~140 | 0.8~1.6 | 2,660 | 2,820 | 2,850 | 2,840 | 2,810 | 4,240 | 4,560 | 3,040 | |
| 2.0~2.3 | 2,820 | 3,010 | 3,040 | 3,030 | 2,860 | 4,290 | 4,610 | 3,360 | ||
| 3.0~3.2 | 3,040 | 3,240 | 3,290 | 3,280 | 2,940 | 4,370 | 4,690 | 3,780 | ||
| 4.0~4.5 | 3,250 | 3,500 | 3,540 | 3,530 | - | - | - | 4,350 | ||
| 6.0 | 3,350 | 3,590 | 3,640 | 3,630 | - | - | - | - | ||
| 141~200 | 0.8~1.6 | 2,700 | 2,890 | 2,930 | 2,920 | 3,100 | 5,010 | 5,290 | 3,130 | |
| 2.0~2.3 | 2,860 | 3,100 | 3,140 | 3,130 | 3,140 | 5,060 | 5,330 | 3,520 | ||
| 3.0~3.2 | 3,100 | 3,350 | 3,390 | 3,380 | 3,240 | 5,160 | 5,440 | 3,980 | ||
| 4.0~4.5 | 3,330 | 3,640 | 3,700 | 3,680 | - | - | - | 4,620 | ||
| 6.0 | 3,480 | 3,780 | 3,850 | 3,830 | - | - | - | - | ||
| 121~200 | 20~100 | 0.8~1.6 | 2,660 | 2,830 | 2,860 | 2,850 | 2,940 | 4,060 | 4,210 | 3,020 |
| 2.0~2.3 | 2,810 | 3,000 | 3,030 | 3,020 | 3,010 | 4,130 | 4,280 | 3,360 | ||
| 3.0~3.2 | 3,020 | 3,240 | 3,290 | 3,280 | 3,100 | 4,220 | 4,370 | 3,750 | ||
| 4.0~4.5 | 3,240 | 3,520 | 3,580 | 3,560 | - | - | - | 4,300 | ||
| 6.0 | 3,480 | 3,780 | 3,850 | 3,830 | - | - | - | - | ||
| 101~140 | 0.8~1.6 | 2,720 | 2,940 | 2,980 | 2,970 | 3,290 | 5,110 | 5,550 | 3,190 | |
| 2.0~2.3 | 2,880 | 3,140 | 3,180 | 3,170 | 3,350 | 5,330 | 5,620 | 3,590 | ||
| 3.0~3.2 | 3,130 | 3,410 | 3,480 | 3,460 | 3,430 | 5,420 | 5,700 | 4,090 | ||
| 4.0~4.5 | 3,390 | 3,750 | 3,820 | 3,790 | - | - | - | 4,770 | ||
| 6.0 | 3,580 | 3,950 | 4,020 | 4,000 | - | - | - | - | ||
| 141~200 | 0.8~1.6 | 2,770 | 3,020 | 3,060 | 3,050 | 3,680 | 6,130 | 6,400 | 3,350 | |
| 2.0~2.3 | 2,960 | 3,260 | 3,330 | 3,310 | 3,730 | 6,180 | 6,460 | 3,830 | ||
| 3.0~3.2 | 3,250 | 3,600 | 3,670 | 3,650 | 3,820 | 6,260 | 6,540 | 4,420 | ||
| 4.0~4.5 | 3,520 | 3,940 | 4,020 | 4,000 | - | - | - | 5,250 | ||
| 6.0 | 3,740 | 4,170 | 4,240 | 4,220 | - | - | - | - | ||
| 数量区分 | 標準対応 | 個別対応 | ||||
| 小口 | 大口 | 大口 | ||||
| 数 量 | 1〜3 | 4〜7 | 8〜19 | 20〜39 | 40〜100 | 101~ |
| 値引率 | 基準価格 | 35% | 40% | 50% | 50% | お見積り |
| 出荷日 | 通常 | +2日 | +5日 | |||




通常価格、通常出荷日が表示と異なる場合がございます
通常価格、通常出荷日が表示と異なる場合がございます

ミスミ
板金 取付板・ブラケット-凸曲げタイプ- BLUES
4.6
ミスミ
板金 取付板・ブラケット-凸曲げタイプ- BLUFS
4.5
ミスミ
板金 取付板・ブラケット-凸曲げタイプ- BLUZS
4.7
ミスミ
板金 取付板・ブラケット-凸曲げタイプ- BLUJS
4.7
ミスミ
板金 取付板・ブラケット -フリー寸法タイプ- JTDAS・JTDAR
4.4
ミスミ
板金 取付板・ブラケット-センター振り分けタイプ- JSDAS
4.6
ミスミ
板金 取付板・ブラケット -フリー寸法タイプ- JTAAS・JTAAR
4.6
ミスミ
L型板金 取付板・ブラケット-フリー寸法タイプ- FAMAS・FAMAR
4.3
ミスミ
L型板金 取付板・ブラケット-フリー寸法タイプ- FACAS・FACAR
4.5