メカニカル部品技術窓口
ミスミ品のみ対象
| 型式 | − | A | − | B | − | T | − | H | − | J | − | X | − | Y | − | W | − | 穴指定① Code・呼び径 | − | K | − | F | − | S | − | G | − | 穴指定② Code・呼び径 | ||
| Type | − | 材質記号 | ||||||||||||||||||||||||||||
| SWBBS | − | SP | − | A80 | − | B40 | − | T2.3 | − | H20 | − | J50 | − | X20 | − | Y10 | − | W20 | − | N5 | − | K8 | − | F45 | − | S10 | − | G20 | − | NA5 |
| 型式 | 指定1mm単位 | 選択 | 1mm単位 | J | X | Y | W | 穴指定① | K | F | S | G | 穴指定② | |||||
| Type | 材質記号 | A | B | T | H | Code/指定方法 | Code/指定方法 | |||||||||||
| SWBBS | SP SPB SPU SPK | 20 ~ 200 [ ! ] | 10 ~ 200 | 0.8 ・ 1.0 ・ 1.2 ・ 1.6 2.3 ・ 3.2 ・ 4.5 ・ 6.0 | 10 ~ 100 | 指定 0.1mm単位 | N (ボルト通し穴)* 0(穴無し) 3・4・5 6・8・10 (選択) [ ! ] | 指定 0.1mm単位 [ ! ]K≦N×5 | NA (ボルト通し穴)* 0(穴無し) 3・4・5 6・8・10 (選択) [ ! ] | MA (タップ穴) 0(穴無し) 3・4・5 6・8・10 (選択) [ ! ] | ||||||||
| AM AMW AMB | 1.0 ・ 1.5 ・ 2.0 ・ 3.0 | |||||||||||||||||
| SUD | 0.8 ・ 1.0 ・ 1.2 ・ 1.5 2.0 ・ 3.0 ・ 4.0 | |||||||||||||||||
| [ ! ]T≧3.0のとき、A≧30 [ ! ]穴が端面に近すぎると穴が変形する可能性がありますが、加工限界内であればそのまま加工します。 | ||||||||||||||||||
| N・NA指定値 | 通し穴径(d) |
| 0 | (穴無し) |
| 3 | 3.5 |
| 4 | 4.5 |
| 5 | 5.5 |
| 6 | 6.5 |
| 8 | 9 |
| 10 | 11 |
| T | N・NA(ボルト通し穴) | MA(タップ穴) |
| 0.8 | 0・3・4・5・6・8・10 | 0 |
| 1.0、1.2 | 0・3 | |
| 1.5、1.6 | 0・3・4 | |
| 2.0、2.3 | 0・3・4・5・6 | |
| 3.0、3.2 | 0・3・4・5・6・8 | |
| 4.0~6.0 | 0・3・4・5・6・8・10 |

| Alterations | コーナーカット変更(2コーナー) | コーナーカット変更(4コーナー) | ||
![]() | ![]() | |||
| Code | CC | WCC | ||
| Spec. | CC=指定1mm単位 [ ! ] 1≦CC≦10
(例)~-CC10 | WCC=指定1mm単位 [ ! ] 1≦WCC≦10
(例)~-WCC10 | ||
| ¥/1Code | 200 | 400 |
<加工寸法の普通許容差>
| 商品 | 基準寸法の区分 (A・H寸法) | 6以下 | 6を超え 30以下 | 30を超え 120以下 | 120を超え 400以下 |
| 板金(曲げ加工品) | 許容差(a・h) | ±0.3 | ±0.5 | ±0.8 | ±1.2 |

[ ! ] 5.長穴は寸法により下記形状となる可能性があります。
(取付穴の機能に支障がない程度です) 
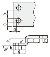
| T | f(穴と曲げの距離) | b (穴と断面 との距離) | h | g | ||||||
| SPCC SPHC | A5052 | SUS304 | 通し穴 | タップ穴 | 公差付穴 曲げと平行な長穴 | |||||
| L曲げ | Z・凸曲げ | L曲げ | Z・凸曲げ | |||||||
| 0.8 | - | 0.8 | 2 | 3 | - | - | 3.5 | 1 | 5 | 5 |
| 1.0 | 1.0 | 1.0 | 2 | 3 | 3 | 5.5 | 3.5 | 1 | 5.5 | 5.5 |
| 1.2 | - | 1.2 | 2 | 3 | 3 | 5.5 | 3.5 | 1 | 5.5 | 5.5 |
| 1.6 | 1.5 | 1.5 | 2 | 3.5 | 3 | 6 | 4 | 1 | 6 | 6 |
| 2.3 | 2.0 | 2.0 | 2 | 4.5 | 3 | 7 | 5 | 1.5 | 7 | 7 |
| 3.2 | 3.0 | 3.0 | 2 | 6.5 | 3 | 9 | 7 | 1.5 | 9 | 9 |
| 4.5 | - | 4.0 | 3 | 7.5 | 4 | 11 | 8(9) | 2 | 11 | 11 |
| 6.0 | - | - | 3 | 14 | 4 | 16 | 15 | 2.5 | 16 | 18 |

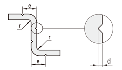
| T | 曲げ後R | ブレ-キキズ | |||
| 位置 | 深さ | ||||
| SPCC SPHC | A5052 | SUS304 | (r) | (e) | (d) |
| 0.8 | - | 0.8 | 0.8 | 5 | 0.1 |
| 1.0 | 1.0 | 1.0 | 1 | 5 | 0.1 |
| 1.2 | - | 1.2 | 1.2 | 5 | 0.1 |
| 1.6 | 1.5 | 1.5 | 1.5 | 6 | 0.1 |
| 2.3 | 2.0 | 2.0 | 2.0 | 7.5 | 0.1 |
| 3.2 | 3.0 | 3.0 | 3.0 | 10.5 | 0.2 |
| 4.5 | - | 4.0 | 4.0 | 13.5 | 0.3 |
| 6.0 | - | - | 6.0 | 17 | 0.5 |


| なし | 四三酸化鉄皮膜 | 三価クロメート(白) | 三価クロメート(黒) | |
| SP | SPB | SPU | SPK | |
| SPCC T0.8~3.2 | ![]() | ![]() | ![]() | ![]() |
| SPHC T4.5~6.0 | ![]() | ![]() | ![]() | ![]() |
| SS400 (黒皮) T9.0 | ![]() | ![]() | ![]() | ![]() |
| なし | アルマイト処理(白) | アルマイト処理(黒) | |
| AM | AMW | AMB | |
| A5052 | ![]() | ![]() | ![]() |
| なし | |
| SUD | |
| SUS304(2B) T0.8~6.0 | ![]() |
| SUS304(No.1) T9.0 | ![]() |


| 型番 |
|---|
通常単価(税別)
(税込単価) | 通常出荷日 |
クリーン洗浄・梱包済みでお届けします
|
|---|
- ( - ) | 3日目 |
|
- ( - ) | 5日目 |
|
- ( - ) | 5日目 |
|
- ( - ) | 3日目 |
- |
- ( - ) | 5日目 |
- |
- ( - ) | 5日目 |
|
- ( - ) | 5日目 |
|
- ( - ) | 3日目 |
【板厚追加】板厚0.8~1.2mm、6mmを追加しました!
軽量化・省スペース化、重量物の連結など用途に合わせてご利用ください。
鉄・アルミ・ステンレスからご選定頂けるZ曲げ板金ブラケットです。
汎用的な穴パターンをご用意しております。寸法フリーにて指定可能です。
| A | B | T | 本体価格 ¥基準単価 | ||||||
| SPCC / SPHC | A5052 | SUS304 | |||||||
| 処理無し | 四三酸化 鉄皮膜 | 三価 クロメート (白・黒) | 処理無し | アルマイト 処理 (白) | アルマイト 処理 (黒) | 処理無し | |||
| SP | SPB | SPU SPK | AM | AMW | AMB | SUD | |||
| 20~100 | 10~100 | 0.8~1.6 | 1,880 | 2,020 | 2,020 | 2,320 | 2,840 | 2,960 | 2,140 |
| 2.0~2.3 | 2,020 | 2,190 | 2,190 | 2,320 | 2,880 | 2,980 | 2,350 | ||
| 3.0~3.2 | 2,140 | 2,320 | 2,320 | 2,320 | 2,900 | 3,000 | 2,590 | ||
| 4.0~4.5 | 2,370 | 2,570 | 2,570 | - | - | - | 3,010 | ||
| 6.0 | 2,370 | 2,580 | 2,580 | - | - | - | - | ||
| 101~200 | 0.8~1.6 | 2,270 | 2,470 | 2,470 | 2,940 | 4,850 | 5,130 | 2,940 | |
| 2.0~2.3 | 2,370 | 2,590 | 2,590 | 2,940 | 4,850 | 5,130 | 3,240 | ||
| 3.0~3.2 | 2,370 | 2,620 | 2,620 | 2,940 | 4,850 | 5,130 | 3,240 | ||
| 4.0~4.5 | 2,580 | 2,840 | 2,840 | - | - | - | 3,870 | ||
| 6.0 | 2,580 | 2,890 | 2,890 | - | - | - | - | ||
| 101~200 | 10~100 | 0.8~1.6 | 2,270 | 2,470 | 2,470 | 2,940 | 4,850 | 5,130 | 2,940 |
| 2.0~2.3 | 2,370 | 2,590 | 2,590 | 2,940 | 4,850 | 5,130 | 3,240 | ||
| 3.0~3.2 | 2,370 | 2,620 | 2,620 | 2,940 | 4,850 | 5,130 | 3,240 | ||
| 4.0~4.5 | 2,580 | 2,840 | 2,840 | - | - | - | 3,870 | ||
| 6.0 | 2,580 | 2,890 | 2,890 | - | - | - | - | ||
| 101~200 | 0.8~1.6 | 2,540 | 2,820 | 2,820 | 3,560 | 6,010 | 6,290 | 3,900 | |
| 2.0~2.3 | 2,540 | 2,830 | 2,830 | 3,560 | 6,010 | 6,290 | 3,900 | ||
| 3.0~3.2 | 2,540 | 2,860 | 2,860 | 3,560 | 6,010 | 6,290 | 3,900 | ||
| 4.0~4.5 | 2,820 | 3,180 | 3,180 | - | - | - | 4,460 | ||
| 6.0 | 2,820 | 3,230 | 3,230 | - | - | - | - | ||
| 数量区分 | 標準対応 | 個別対応 | ||||
| 小口 | 大口 | 大口 | ||||
| 数 量 | 1〜3 | 4〜7 | 8〜19 | 20〜39 | 40〜100 | 101~ |
| 値引率 | 基準価格 | 35% | 40% | 50% | 50% | お見積り |
| 出荷日 | 通常 | +2日 | +5日 | |||



通常価格、通常出荷日が表示と異なる場合がございます
通常価格、通常出荷日が表示と異なる場合がございます

ミスミ
板金 取付板・ブラケット-Z曲げタイプ-SWCAS
4.3
ミスミ
板金 取付板・ブラケット-Z曲げタイプ-SWBAS
4.6
ミスミ
板金 取付板・ブラケット-Z曲げタイプ-SWCBS
4.5
ミスミ
板金 取付板・ブラケット-Z曲げタイプ-SWBZS
4.5
ミスミ
板金 取付板・ブラケット-Z曲げタイプ-SWBBS
4.7
ミスミ
板金 取付板・ブラケット-Z曲げタイプ-SWBCS
3.7
ミスミ
板金 取付板・ブラケット-Z曲げタイプ-SWBDS
4.7
ミスミ
板金 取付板・ブラケット -フリー寸法タイプ- JTDAS・JTDAR
4.4
ミスミ
板金 取付板・ブラケット-センター振り分けタイプ- JSDAS
4.6