メカニカル部品技術窓口
ミスミ品のみ対象
| 穴種 | ボルト通し穴 | タップ穴(並目) |
| Code | N・NA | M・MA |
| 形状図 | [ ! ] ![]() | ![]() |
| [ ! ]d寸法は規格表下部 「N・NA加工寸法表」参照 |
| 型式 | [ M ]材質 | [ S ]表面処理 | |
| Type | 材質記号 | ||
| SWBCS | SP | T0.8~3.2 : SPCC T4.5~6.0 : SPHC | − |
| SPB | 四三酸化鉄皮膜 | ||
| SPU | 三価クロメート(白) | ||
| SPK | 三価クロメート(黒) | ||
| AM | A5052 | − | |
| AMW | アルマイト処理(白) | ||
| AMB | アルマイト処理(黒) | ||
| SUD | SUS304(2B) | − | |
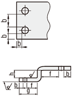
| 型式 | - | A | - | B | - | T | - | H | - | J | - | X | - | Y | - | W | - | 穴指定① Code・呼び径 | - | F | - | E | - | S | - | G | - | 穴指定② Code・呼び径 | ||
| Type | - | 材質記号 | ||||||||||||||||||||||||||||
| SWBCS | - | SP | - | A80 | - | B40 | - | T2.3 | - | H15 | - | J40 | - | X20 | - | Y10 | - | W15 | - | N4 | - | F30 | - | E10 | - | S10 | - | G20 | - | NA5 |
| 型式 | 指定1mm単位 | 選択 | 1mm単位 | J | X | Y | W | 穴指定① | F | E | S | G | 穴指定② | ||||||
| Type | 材質記号 | A | B | T | H | Code/指定方法 | Code/指定方法 | ||||||||||||
| SWBCS | SP SPB SPU SPK | 20 ~ 200 [ ! ] | 10 ~ 200 | 0.8 ・ 1.0 ・ 1.2 ・ 1.6 2.3 ・ 3.2 ・ 4.5 ・ 6.0 | 10 ~ 100 | 指定 0.1mm単位 | 指定 0.1mm単位 | ||||||||||||
| N | M | NA | MA | ||||||||||||||||
| (ボルト通し穴) | (タップ穴) | (ボルト通し穴) | (タップ穴) | ||||||||||||||||
| AM AMW AMB | 1.0 ・ 1.5 ・ 2.0 ・ 3.0 | 0・3・4・5 | 0・3・4・5 | 0・3・4・5 | 0・3・4・5 | ||||||||||||||
| 6・8・10 | 6・8・10 | 6・8・10 | 6・8・10 | ||||||||||||||||
| (選択) | (選択) | (選択) | (選択) | ||||||||||||||||
| SUD | 0.8 ・ 1.0 ・ 1.2 ・ 1.5 2.0 ・ 3.0 ・ 4.0 | [ ! ] | [ ! ] | [ ! ] | [ ! ] | ||||||||||||||
| [ ! ]T≧3.0のとき、A≧30 | |||||||||||||||||||
| [ ! ]穴が端面に近すぎると穴が変形する可能性がありますが、加工限界内であればそのまま加工します。 | |||||||||||||||||||
[ ! ]N・NA加工寸法表
| N・NA指定値 | 通し穴径(d) |
| 0 | (穴無し) |
| 3 | 3.5 |
| 4 | 4.5 |
| 5 | 5.5 |
| 6 | 6.5 |
| 8 | 9 |
| 10 | 11 |
[ ! ]穴加工対応表
| T | N・NA(ボルト通し穴) | M・MA(タップ穴) |
| 0.8 | 0・3・4・5・6・8・10 | 0 |
| 1.0、1.2 | 0・3 | |
| 1.5、1.6 | 0・3・4 | |
| 2.0、2.3 | 0・3・4・5・6 | |
| 3.0、3.2 | 0・3・4・5・6・8 | |
| 4.0~6.0 | 0・3・4・5・6・8・10 |

| Alterations | コーナーカット変更(2コーナー) | コーナーカット変更(4コーナー) | ||
![]() | ![]() | |||
| Code | CC | WCC | ||
| Spec. | CC=指定1mm単位 [ ! ] 1≦CC≦10
(例)~-CC10 | WCC=指定1mm単位 [ ! ] 1≦WCC≦10
(例)~-WCC10 | ||
| ¥/1Code | 200 | 400 |
[ ! ]1.許容差は下図を参照
| <加工寸法の普通許容差> | ||||||
| 商品 | 基準寸法の区分 (A・H寸法) | 6以下 | 6を超え 30以下 | 30を超え 120以下 | 120を超え 400以下 | |
| 板金(曲げ加工品) | 許容差(a・h) | ±0.3 | ±0.5 | ±0.8 | ±1.2 | |
| ※JIS B 0408の金属プレス加工品普通許容差の公差等級:B級を採用。 | ||||||

[ ! ]5.下図のf,b,h,gの各部には加工限界があります。
| T | f(穴と曲げの距離) | b (穴と断面 との距離) | h | g | ||||||
| SPCC SPHC | A5052 | SUS304 | 通し穴 | タップ穴 | 公差付穴 曲げと平行な長穴 | |||||
| L曲げ | Z・凸曲げ | L曲げ | Z・凸曲げ | |||||||
| 0.8 | ー | 0.8 | 2 | 3 | - | - | 3.5 | 1 | 5 | 5 |
| 1.0 | 1.0 | 1.0 | 2 | 3 | 3 | 5.5 | 3.5 | 1 | 5.5 | 5.5 |
| 1.2 | ー | 1.2 | 2 | 3 | 3 | 5.5 | 3.5 | 1 | 5.5 | 5.5 |
| 1.6 | 1.5 | 1.5 | 2 | 3.5 | 3 | 6 | 4 | 1 | 6 | 6 |
| 2.3 | 2.0 | 2.0 | 2 | 4.5 | 3 | 7 | 5 | 1.5 | 7 | 7 |
| 3.2 | 3.0 | 3.0 | 2 | 6.5 | 3 | 9 | 7 | 1.5 | 9 | 9 |
| 4.5 | ー | 4.0 | 3 | 7.5 | 4 | 11 | 8(9) | 2 | 11 | 11 |
| 6.0 | ー | ー | 3 | 14 | 4 | 16 | 15 | 2.5 | 16 | 18 |
[ ! ] T4.0・T4.5の曲げと平行な長穴のfは(9)となります。
[ ! ]上記加工限界値で寸法指定した場合、穴が変形する可能性があります。

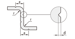
[ ! ]6.プレスブレーキのブレーキ押さえによるキズが付きます。r・e・d寸法は目安となります。
| T | 曲げ後R | ブレーキキズ | |||
| 位置 | 深さ | ||||
| SPCC SPHC | A5052 | SUS304 | (r) | (e) | (d) |
| 0.8 | ー | 0.8 | 0.8 | 5 | 0.1 |
| 1.0 | 1.0 | 1.0 | 1 | 5 | 0.1 |
| 1.2 | ー | 1.2 | 1.2 | 5 | 0.1 |
| 1.6 | 1.5 | 1.5 | 1.5 | 6 | 0.1 |
| 2.3 | 2.0 | 2.0 | 2.0 | 7.5 | 0.1 |
| 3.2 | 3.0 | 3.0 | 3.0 | 10.5 | 0.2 |
| 4.5 | ー | 4.0 | 4.0 | 13.5 | 0.3 |
| 6.0 | ー | ー | 6.0 | 17 | 0.5 |

[ ! ] 曲げと穴の位置が近い場合、rが小さくなることがあります。
[ ! ]7.曲げによる食い込み、及び膨らみが付きます。

| なし | 四三酸化鉄皮膜 | 三価クロメート(白) | 三価クロメート(黒) | |
| SP | SPB | SPU | SPK | |
| SPCC T0.8~3.2 | ![]() | ![]() | ![]() | ![]() |
| SPHC T4.5~6.0 | ![]() | ![]() | ![]() | ![]() |
| SS400 (黒皮) T9.0 | ![]() | ![]() | ![]() | ![]() |
| なし | アルマイト処理(白) | アルマイト処理(黒) | |
| AM | AMW | AMB | |
| A5052 | ![]() | ![]() | ![]() |
| なし | |
| SUD | |
| SUS304(2B) T0.8~6.0 | ![]() |
| SUS304(No.1) T9.0 | ![]() |

| 型番 |
|---|
通常単価(税別)
(税込単価) | 通常出荷日 |
クリーン洗浄・梱包済みでお届けします
|
|---|
- ( - ) | 3日目 |
|
- ( - ) | 5日目 |
|
- ( - ) | 5日目 |
|
- ( - ) | 3日目 |
- |
- ( - ) | 5日目 |
- |
- ( - ) | 5日目 |
|
- ( - ) | 5日目 |
|
- ( - ) | 3日目 |
【板厚追加】板厚0.8~1.2mm、6mmを追加しました!
軽量化・省スペース化、重量物の連結など用途に合わせてご利用ください。
鉄・アルミ・ステンレスからご選定頂けるZ曲げ板金ブラケットです。
汎用的な穴パターンをご用意しております。寸法フリーにて指定可能です。
| A | B | T | 本体価格 ¥基準単価 | ||||||
| SPCC / SPHC | A5052 | SUS304 | |||||||
| 処理無し | 四三酸化 鉄皮膜 | 三価 クロメート (白・黒) | 処理無し | アルマイト 処理 (白) | アルマイト 処理 (黒) | 処理無し | |||
| SP | SPB | SPU SPK | AM | AMW | AMB | SUD | |||
| 20~100 | 10~100 | 0.8~1.6 | 1,800 | 1,950 | 1,950 | 2,270 | 2,790 | 2,900 | 2,100 |
| 2.0~2.3 | 1,950 | 2,120 | 2,120 | 2,270 | 2,830 | 2,930 | 2,420 | ||
| 3.0~3.2 | 2,080 | 2,260 | 2,260 | 2,270 | 2,850 | 2,950 | 2,520 | ||
| 4.0~4.5 | 2,350 | 2,540 | 2,540 | - | - | - | 2,970 | ||
| 6.0 | 2,350 | 2,550 | 2,550 | - | - | - | - | ||
| 101~200 | 0.8~1.6 | 2,180 | 2,390 | 2,390 | 2,890 | 4,810 | 5,090 | 2,880 | |
| 2.0~2.3 | 2,310 | 2,520 | 2,520 | 2,890 | 4,810 | 5,090 | 3,170 | ||
| 3.0~3.2 | 2,310 | 2,550 | 2,550 | 2,890 | 4,810 | 5,090 | 3,170 | ||
| 4.0~4.5 | 2,540 | 2,810 | 2,810 | - | - | - | 3,860 | ||
| 6.0 | 2,540 | 2,860 | 2,860 | - | - | - | - | ||
| 101~200 | 10~100 | 0.8~1.6 | 2,180 | 2,390 | 2,390 | 2,890 | 4,810 | 5,090 | 2,880 |
| 2.0~2.3 | 2,310 | 2,520 | 2,520 | 2,890 | 4,810 | 5,090 | 3,170 | ||
| 3.0~3.2 | 2,310 | 2,550 | 2,550 | 2,890 | 4,810 | 5,090 | 3,170 | ||
| 4.0~4.5 | 2,540 | 2,810 | 2,810 | - | - | - | 3,860 | ||
| 6.0 | 2,540 | 2,860 | 2,860 | - | - | - | - | ||
| 101~200 | 0.8~1.6 | 2,490 | 2,770 | 2,770 | 3,520 | 5,970 | 6,240 | 3,830 | |
| 2.0~2.3 | 2,490 | 2,780 | 2,780 | 3,520 | 5,970 | 6,240 | 3,830 | ||
| 3.0~3.2 | 2,490 | 2,810 | 2,810 | 3,520 | 5,970 | 6,240 | 3,830 | ||
| 4.0~4.5 | 2,810 | 3,170 | 3,170 | - | - | - | 4,440 | ||
| 6.0 | 2,810 | 3,220 | 3,220 | - | - | - | - | ||
| 数量区分 | 標準対応 | 個別対応 | ||||
| 小口 | 大口 | 大口 | ||||
| 数 量 | 1〜3 | 4〜7 | 8〜19 | 20〜39 | 40〜100 | 101~ |
| 値引率 | 基準価格 | 35% | 40% | 50% | 50% | お見積り |
| 出荷日 | 通常 | +2日 | +5日 | |||



通常価格、通常出荷日が表示と異なる場合がございます
通常価格、通常出荷日が表示と異なる場合がございます

ミスミ
板金 取付板・ブラケット-Z曲げタイプ-SWCAS
4.3
ミスミ
板金 取付板・ブラケット-Z曲げタイプ-SWBAS
4.6
ミスミ
板金 取付板・ブラケット-Z曲げタイプ-SWCBS
4.5
ミスミ
板金 取付板・ブラケット-Z曲げタイプ-SWBZS
4.5
ミスミ
板金 取付板・ブラケット-Z曲げタイプ-SWBBS
4.7
ミスミ
板金 取付板・ブラケット-Z曲げタイプ-SWBCS
3.7
ミスミ
板金 取付板・ブラケット-Z曲げタイプ-SWBDS
4.7
ミスミ
板金 取付板・ブラケット -フリー寸法タイプ- JTDAS・JTDAR
4.4
ミスミ
板金 取付板・ブラケット-センター振り分けタイプ- JSDAS
4.6