メカニカル部品技術窓口
ミスミ品のみ対象
L型アングルはプレート2枚合わせと比較して組付、精度出しが不要な為、工数削減に貢献いたします。 ◆◆関...
詳細を確認
(共通寸法)
寸法区分 | 公差 (㎜) | |
を超え | 以下 | |
0.5 | 6 | ±0.1 |
6 | 30 | ±0.2 |
30 | 120 | ±0.3 |
120 | 400 | ±0.5 |
[ ! ]緑色のパラメータは省略可能です。 省略した場合、センターに対して均等配置になります。 詳細は>>こちら
| 穴種 | タップ穴 | ボルト通し穴 | 通し穴 | |||||||||||||||||||||||||||||||||||||||||||||||||||||||||||||||||||||
| Code | M・MA | N・NA | D・DA | |||||||||||||||||||||||||||||||||||||||||||||||||||||||||||||||||||||
| 形状図 ・ Code | ![]() | ![]() | ![]() | |||||||||||||||||||||||||||||||||||||||||||||||||||||||||||||||||||||
| 加工 仕様 | タップ有効長 最大M・MA×2 |
|
| |||||||||||||||||||||||||||||||||||||||||||||||||||||||||||||||||||||
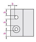
![]() | ・b条件値 単位:mm
| |||||||||||||||||||||||||||||||||||||||||||||||||||||||||||||||||||||||
| 型式 | [ M ]材質 | [ S ]表面処理 | |
| Type | 材質記号 | ||
| LAFSS | SS | SS400 | - |
| SSB | 四三酸化鉄皮膜 | ||
| SSM | 無電解ニッケルメッキ | ||
| AS | A6063 | - | |
| ASW | アルマイト処理(白) | ||
| ASB | アルマイト処理(黒) | ||
| SU | SUS304 | - | |
| A・B寸法の長手 | 直角度 K |
| 10~80 | 0.05以内 |
| 80.5~130 | 0.10以内 |
| 型式 | − | T | − | A | − | B | − | L | − | P | − | V | − | S | − | W | − | 穴指定 Code・呼び径 | − | K | − | X | − | H | − | F | − | G | − | D | − | 穴指定 Code・呼び径 | − | J | ||
| Type | − | 材質記号 | ||||||||||||||||||||||||||||||||||
| LAFSS | − | SS | − | T6 | − | A50 | − | B30 | − | L30 | − | S20 | − | N6 | − | H35 | − | NA6 | ||||||||||||||||||
| LAFDA | − | SS | − | T6 | − | A50 | − | B30 | − | L30 | − | V15 | − | S20 | − | N5 | − | H30 | − | F15 | − | NA5 | ||||||||||||||
[ ! ]すべて半角であることをご確認ください。
[ ! ]加工限界値をご確認ください。
| 型式 | 外形寸法 | P | S | 穴指定 | X | H | 穴指定 | ||||||||
| 選択 | 指定0.5mm単位 | ||||||||||||||
| Type | 材質記号 | T | A | B | L | Code | 呼び径 | Code | 呼び径 | Code | 指定 | ||||
| LAFSS | SS SSB SSM | 5 6 | 10.0~75.0 | 10.0~75.0 | 10.0~100.0 | 指定0.1mm 単位 | N* M | 0(穴無し) 3 4 5 6 8 10 12 | 指定0.1mm単位 [ ! ]K≦N×5 | NA* MA | 0(穴無し) 3 4 5 6 8 10 12 | DA | 3~30(0.5mm単位) 31~60(1mm単位) | ||
| 10 | 10.0~125.0 | 10.0~125.0 | |||||||||||||
| 12 | 50.0~125.0 | 50.0~125.0 | 50.0~100.0 | ||||||||||||
| 15 | 50.0~130.0 | 50.0~130.0 | |||||||||||||
| AS ASW ASB | 5 6 | 10.0~75.0 | 10.0~75.0 | 10.0~100.0 | |||||||||||
| 10 | 10.0~100.0 | 10.0~100.0 | |||||||||||||
| 12 | 50.0~125.0 | 50.0~125.0 | 50.0~100.0 | ||||||||||||
| SU | 5・6・8 | 10.0~90.0 | 10.0~90.0 | 10.0~100.0 | |||||||||||
| N・NA指定値 | 通し穴径(d) |
| 0 | (穴無し) |
| 3 | 3.5 |
| 4 | 4.5 |
| 5 | 5.5 |
| 6 | 6.5 |
| 8 | 9 |
| 10 | 11 |
| 12 | 14 |
| Alterations | コーナーカット変更 | |||||||||||||||||||||||
![]() | ||||||||||||||||||||||||
| Code | CC | |||||||||||||||||||||||
| Spec. | CC=指定1mm単位 [ ! ]1≦CC≦30 指定方法 CCを型式末尾に追加 (例)~-CC10 | |||||||||||||||||||||||
| ¥/1Code |
| |||||||||||||||||||||||

| 型番 |
|---|
通常単価(税別)
(税込単価) | 通常出荷日 |
クリーン洗浄・梱包済みでお届けします
|
|---|
- ( - ) | 3日目 |
|
- ( - ) | 3日目 |
|
- ( - ) | 3日目 |
|
- ( - ) | 3日目 |
|
- ( - ) | 6日目 |
|
- ( - ) | 6日目 |
|
- ( - ) | 6日目 |
|
- ( - ) | 6日目 |
|
- ( - ) | 6日目 |
|
- ( - ) | 6日目 |
|
- ( - ) | 6日目 |
|
- ( - ) | 6日目 |
|
- ( - ) | 3日目 |
- |
- ( - ) | 3日目 |
- |
- ( - ) | 3日目 |
- |
- ( - ) | 3日目 |
- |
- ( - ) | 3日目 |
- |
- ( - ) | 5日目 |
- |
- ( - ) | 5日目 |
- |
- ( - ) | 5日目 |
- |
- ( - ) | 5日目 |
- |
- ( - ) | 5日目 |
- |
- ( - ) | 5日目 |
|
- ( - ) | 5日目 |
|
- ( - ) | 5日目 |
|
- ( - ) | 5日目 |
|
- ( - ) | 5日目 |
|
- ( - ) | 3日目 |
|
- ( - ) | 3日目 |
|
- ( - ) | 3日目 |
L型アングルはプレート2枚合わせと比較して組付、精度出しが不要な為、工数削減に貢献いたします。
◆◆関連商品◆◆
新商品:コンベヤスタンド(アングルタイプ)
特徴:直角度0.1/100保証で安価です。
詳細はこちら
| 本体価格 | + | 表面処理料金 | + | 長穴加工料金/D・DA穴加工料金 | = | 価格 |
1,900 | + | 230 | + | 400 | = | 2,530 |
| 材質 | D/DA穴加工 | ||
| 穴径31~40 | 穴径41~50 | 穴径51~60 | |
| SS400 | 600 | 800 | 1,000 |
| A6063 | |||
| SUS304 | |||
| T | A | B | 本体価格 ¥基準単価 | ¥表面処理料金(本体価格+) | |||||||
| LAFSS | 四三酸化鉄皮膜 | 無電解ニッケルメッキ | |||||||||
| SSB | SSM | ||||||||||
| L10~50 | L50.5~75 | L75.5~100 | L10~50 | L50.5~75 | L75.5~100 | L10~50 | L50.5~75 | L75.5~100 | |||
| 5・6 | 10~50 | 10~50 | 1,900 | 2,400 | 2,900 | 230 | 370 | 400 | 760 | 1,220 | 1,450 |
| 50.5~75 | 2,120 | 2,710 | 3,310 | 250 | 390 | 460 | 860 | 1,320 | 1,550 | ||
| 50.5~75 | 10~50 | 2,120 | 2,710 | 3,300 | 250 | 390 | 430 | 860 | 1,320 | 1,550 | |
| 50.5~75 | 2,340 | 3,020 | 3,710 | 300 | 450 | 510 | 1,030 | 1,520 | 1,750 | ||
| 10 | 10~50 | 10~50 | 1,890 | 2,380 | 2,880 | 250 | 390 | 430 | 860 | 1,320 | 1,550 |
| 50.5~75 | 2,100 | 2,670 | 3,240 | 280 | 420 | 450 | 960 | 1,420 | 1,650 | ||
| 75.5~100 | 2,450 | 3,150 | 3,860 | 330 | 460 | 490 | 1,090 | 1,550 | 1,790 | ||
| 100.5~125 | 2,650 | 3,410 | 4,190 | 370 | 500 | 540 | 1,220 | 1,680 | 1,930 | ||
| 50.5~75 | 10~50 | 2,100 | 2,670 | 3,240 | 280 | 420 | 450 | 960 | 1,420 | 1,650 | |
| 50.5~75 | 2,320 | 2,950 | 3,600 | 340 | 480 | 500 | 1,120 | 1,620 | 1,850 | ||
| 75.5~100 | 2,790 | 3,620 | 4,480 | 380 | 510 | 550 | 1,290 | 1,750 | 1,980 | ||
| 100.5~125 | 2,890 | 3,740 | 4,620 | 420 | 560 | 590 | 1,420 | 1,880 | 2,130 | ||
| 75.5~100 | 10~50 | 2,450 | 3,150 | 3,860 | 330 | 460 | 490 | 1,090 | 1,550 | 1,790 | |
| 50.5~75 | 2,790 | 3,620 | 4,480 | 380 | 510 | 550 | 1,290 | 1,750 | 1,980 | ||
| 75.5~100 | 2,870 | 3,700 | 4,560 | 420 | 560 | 590 | 1,420 | 1,880 | 2,130 | ||
| 100.5~125 | 3,080 | 3,990 | 4,920 | 460 | 600 | 620 | 1,550 | 2,020 | 2,260 | ||
| 100.5~125 | 10~50 | 2,650 | 3,410 | 4,190 | 370 | 500 | 540 | 2,140 | 2,140 | 2,480 | |
| 50.5~75 | 2,890 | 3,740 | 4,620 | 420 | 560 | 590 | 2,430 | 2,430 | 2,780 | ||
| 75.5~100 | 3,080 | 3,990 | 4,920 | 460 | 600 | 620 | 2,800 | 2,800 | 3,200 | ||
| 100.5~125 | 3,300 | 4,270 | 5,280 | 500 | 640 | 660 | 3,360 | 3,360 | 3,850 | ||
| 12 | 50~75 | 50.0~75 | 6,170 | 7,610 | 9,050 | 580 | 580 | 610 | 1,950 | 1,950 | 2,230 |
| 75.5~100 | 7,070 | 8,790 | 10,520 | 660 | 660 | 700 | 2,250 | 2,250 | 2,560 | ||
| 100.5~125 | 7,820 | 9,840 | 11,840 | 720 | 720 | 770 | 2,440 | 2,440 | 2,780 | ||
| 75.5~100 | 50.0~75 | 7,070 | 8,790 | 10,520 | 660 | 660 | 700 | 2,250 | 2,250 | 2,560 | |
| 75.5~100 | 7,320 | 9,070 | 10,790 | 770 | 770 | 810 | 2,580 | 2,580 | 2,950 | ||
| 100.5~125 | 8,020 | 10,020 | 12,020 | 830 | 830 | 880 | 2,800 | 2,800 | 3,210 | ||
| 100.5~125 | 50.0~75 | 7,820 | 9,840 | 11,840 | 720 | 720 | 770 | 2,440 | 2,440 | 2,780 | |
| 75.5~100 | 8,020 | 10,020 | 12,020 | 830 | 830 | 880 | 2,800 | 2,800 | 3,210 | ||
| 100.5~125 | 8,790 | 10,820 | 12,830 | 1,000 | 1,000 | 1,050 | 3,370 | 3,370 | 3,850 | ||
| 15 | 50~75 | 50.0~75 | 7,640 | 9,700 | 11,810 | 600 | 600 | 630 | 2,020 | 2,020 | 2,310 |
| 75.5~100 | 8,230 | 10,490 | 12,750 | 680 | 680 | 720 | 2,320 | 2,320 | 2,660 | ||
| 100.5~130 | 9,180 | 11,760 | 14,250 | 750 | 750 | 790 | 2,520 | 2,520 | 2,890 | ||
| 75.5~100 | 50.0~75 | 8,230 | 10,490 | 12,750 | 680 | 680 | 720 | 2,320 | 2,320 | 2,660 | |
| 75.5~100 | 8,650 | 10,990 | 13,400 | 790 | 790 | 840 | 2,670 | 2,670 | 3,070 | ||
| 100.5~130 | 9,660 | 12,230 | 14,810 | 860 | 860 | 910 | 2,900 | 2,900 | 3,330 | ||
| 100.5~130 | 50.0~75 | 9,180 | 11,760 | 14,250 | 750 | 750 | 790 | 2,520 | 2,520 | 2,890 | |
| 75.5~100 | 9,660 | 12,230 | 14,810 | 860 | 860 | 910 | 2,900 | 2,900 | 3,330 | ||
| 100.5~130 | 10,310 | 13,010 | 15,660 | 1,030 | 1,030 | 1,090 | 3,490 | 3,490 | 4,000 | ||
| T | A | B | 本体価格 ¥基準単価 | ¥表面処理料金(本体価格+) | |||||||
| LAFSS | アルマイト処理(白) | アルマイト処理(黒) | |||||||||
| ASW | ASB | ||||||||||
| L10~50 | L50.5~75 | L75.5~100 | L10~50 | L50.5~75 | L75.5~100 | L10~50 | L50.5~75 | L75.5~100 | |||
| 5・6 | 10~50 | 10~50 | 2,000 | 2,750 | 3,300 | 530 | 850 | 1,010 | 670 | 1,080 | 1,290 |
| 50.5~75 | 2,470 | 3,400 | 4,060 | 600 | 920 | 1,080 | 760 | 1,180 | 1,380 | ||
| 50.5~75 | 10~50 | 2,470 | 3,400 | 4,060 | 600 | 920 | 1,080 | 760 | 1,180 | 1,380 | |
| 50.5~75 | 2,880 | 3,820 | 4,610 | 710 | 1,060 | 1,220 | 900 | 1,340 | 1,550 | ||
| 10 | 10~50 | 10~50 | 2,350 | 3,060 | 3,490 | 550 | 850 | 920 | 700 | 1,080 | 1,180 |
| 50.5~75 | 3,050 | 3,980 | 4,770 | 610 | 910 | 1,060 | 780 | 1,170 | 1,350 | ||
| 75.5~100 | 3,480 | 4,520 | 5,420 | 700 | 1,000 | 1,140 | 1,170 | 1,540 | 1,740 | ||
| 50.5~75 | 10~50 | 3,050 | 3,980 | 4,770 | 610 | 910 | 1,060 | 790 | 1,170 | 1,350 | |
| 50.5~75 | 3,290 | 4,220 | 5,030 | 720 | 1,040 | 1,190 | 910 | 1,320 | 1,510 | ||
| 75.5~100 | 3,900 | 5,000 | 6,000 | 830 | 1,120 | 1,270 | 890 | 1,270 | 1,460 | ||
| 75.5~100 | 10~50 | 3,480 | 4,520 | 5,420 | 700 | 1,000 | 1,140 | 890 | 1,270 | 1,460 | |
| 50.5~75 | 3,900 | 5,000 | 6,000 | 830 | 1,120 | 1,270 | 1,050 | 1,430 | 1,630 | ||
| 75.5~100 | 4,200 | 5,360 | 6,370 | 910 | 1,210 | 1,370 | 1,050 | 1,430 | 1,630 | ||
| 12 | 50~75 | 50.0~75 | 7,230 | 9,240 | 10,940 | 1,100 | 1,100 | 1,300 | 1,410 | 1,410 | 1,660 |
| 75.5~100 | 8,230 | 10,590 | 12,670 | 1,380 | 1,380 | 1,600 | 1,750 | 1,750 | 2,030 | ||
| 100.5~125 | 8,910 | 11,360 | 13,490 | 1,500 | 1,500 | 1,730 | 1,910 | 1,910 | 2,210 | ||
| 75.5~100 | 50.0~75 | 8,230 | 10,590 | 12,670 | 1,380 | 1,380 | 1,600 | 1,750 | 1,750 | 2,030 | |
| 75.5~100 | 8,870 | 11,310 | 13,430 | 1,810 | 1,810 | 2,060 | 2,300 | 2,300 | 2,630 | ||
| 100.5~125 | 9,310 | 11,800 | 14,040 | 1,960 | 1,960 | 2,240 | 2,500 | 2,500 | 2,860 | ||
| 100.5~125 | 50.0~75 | 8,910 | 11,360 | 13,490 | 1,500 | 1,500 | 1,730 | 1,910 | 1,910 | 2,210 | |
| 75.5~100 | 9,310 | 11,800 | 14,040 | 1,960 | 1,960 | 2,240 | 2,500 | 2,500 | 2,860 | ||
| 100.5~125 | 9,700 | 12,290 | 14,580 | 2,350 | 2,350 | 2,690 | 2,990 | 2,990 | 3,420 | ||
| T | A | B | 本体価格 ¥基準単価 | ||
| LAFSS | |||||
| L10~50 | L50.5~75 | L75.5~100 | |||
| 5・6 | 10~50 | 10~50 | 4,270 | 5,820 | 7,370 |
| 50.5~75 | 5,000 | 6,520 | 8,440 | ||
| 75.5~90 | 6,290 | 8,040 | 10,340 | ||
| 50.5~75 | 10~50 | 5,000 | 6,720 | 8,440 | |
| 50.5~75 | 5,200 | 7,140 | 8,940 | ||
| 75.5~90 | 6,700 | 8,430 | 10,640 | ||
| 75.5~90 | 10~50 | 6,290 | 8,300 | 10,340 | |
| 50.5~75 | 6,700 | 8,430 | 10,790 | ||
| 75.5~90 | 7,250 | 8,730 | 11,030 | ||
| 8 | 10~50 | 10~50 | 5,430 | 7,320 | 9,210 |
| 50.5~75 | 6,030 | 7,970 | 9,940 | ||
| 75.5~90 | 6,650 | 8,630 | 10,640 | ||
| 50.5~75 | 10~50 | 5,990 | 7,730 | 9,940 | |
| 50.5~75 | 6,320 | 8,510 | 10,500 | ||
| 75.5~90 | 7,170 | 9,040 | 11,250 | ||
| 75.5~90 | 10~50 | 6,590 | 8,630 | 10,640 | |
| 50.5~75 | 7,170 | 9,180 | 11,250 | ||
| 75.5~90 | 7,720 | 9,300 | 11,630 | ||
| 数量区分 | 標準対応 | 個別対応 | ||||
| 小口 | 大口 | 大口 | ||||
| 数 量 | 1 | 2~4 | 5~15 | 16~19 | 20~40 | 41~ |
| 値引率 | 基準単価 | 10% | 15% | 20% | 25% | お見積り |
| 出荷日 | 通常 | +2日 | ||||



通常価格、通常出荷日が表示と異なる場合がございます
通常価格、通常出荷日が表示と異なる場合がございます

ミスミ
L型板金 取付板・ブラケット-フリー寸法タイプ- FAMAS・FAMAR
4.3
ミスミ
L型板金 取付板・ブラケット-センター振り分けタイプ- FSLAS
4.5
ミスミ
L型板金 取付板・ブラケット-センター振り分けタイプ- FSMAS
4.4
ミスミ
L型板金 取付板・ブラケット-フリー寸法タイプ- FACAS・FACAR
4.5
ミスミ
L型板金 取付板・ブラケット-フリー寸法タイプ- FALAS・FALAR
4.4
ミスミ
L型板金 取付板・ブラケット-フリー寸法タイプ- FALCS・FALCR
4.4
ミスミ
L型板金 取付板・ブラケット-フリー寸法タイプ- FALBS・FALBR
4.3
ミスミ
L型板金 取付板・ブラケット-フリー寸法タイプ- FAMBS・FAMBR
4.7
ミスミ
L型板金 取付板・ブラケット-フリー寸法タイプ- FAMCS・FAMCR
4.3