メカニカル部品技術窓口
ミスミ品のみ対象
FALDS FALDR

(共通寸法)

| コーナー形状仕様 | |
| コーナーカット | コーナーR |
| FALDS | FALDR |
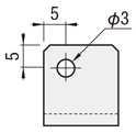
4×C2以下![]() | 4×R2以下![]() |
■穴種選択表
| 穴種 | ボルト通し穴 | ||
| Code | N・NA | ||
| 形状図 |
|
| 型式 | [ M ]材質 | [ S ]表面処理 | ||
| Type | 材質記号 | |||
| FALDS FALDR | SP | T0.8~3.2 T4.5~6.0 T9.0 | : SPCC : SPHC : SS400(黒皮) | - |
| SPB | 四三酸化鉄皮膜 | |||
| SPU | 三価クロメート(白) | |||
| SPK | 三価クロメート(黒) | |||
| AM | A5052 | - | ||
| AMW | アルマイト処理(白) | |||
| AMB | アルマイト処理(黒) | |||
| SUD | T0.8~6.0 T9.0 | : SUS304(2B) : SUS304(No.1) | - | |
| 型式 | - | T | - | A | - | B | - | L | - | X | - | H | - | 穴指定① Code・呼び径 | - | J | - | Y | - | S | - | 穴指定② Code・呼び径 | - | K | ||
| Type | - | 材質記号 | ||||||||||||||||||||||||
| FALDS | - | SP | - | T2.3 | - | A40 | - | B30 | - | L30 | - | X15 | - | H20 | - | N6 | - | J10 | - | Y15 | - | S20 | - | NA6 | - | K10 |
| 型式 | 選択 | 指定1mm単位 | X | H | 穴指定① | J | Y | S | 穴指定② | K | |||
| Type | 材質記号 | T | A | B | L | Code/指定方法 | Code/指定方法 | ||||||
| FALDS FALDR | SP SPB SPU SPK | 0.8 ・ 1.0 ・ 1.2 ・ 1.6 ・ 2.3 3.2 ・ 4.5 ・ 6.0 ・ 9.0 | 20 ~ 200 (300) [ ! ] | 15 ~ 200 [ ! ] | 10 ~ 200 [ ! ] | 指定 0.1mm単位 | N (ボルト通し穴)* 0(穴無し) 3・4・5 6・8・10 (選択) [ ! ] | 指定 0.1mm単位 [ ! ]J≦N×5 | NA (ボルト通し穴)* 0(穴無し) 3・4・5 6・8・10 (選択) [ ! ] | 指定 0.1mm単位 [ ! ]K≦NA×5 | |||
| AM AMW AMB | 1.0 ・ 1.5 ・ 2.0 ・ 3.0 ・ 4.0 ・ 5.0 | ||||||||||||
| SUD | 0.8 ・ 1.0 ・ 1.2 ・ 1.5 ・ 2.0 3.0 ・ 4.0 ・ 5.0 ・ 6.0 ・ 9.0 | ||||||||||||
| [ ! ]T6.0は、A≦300, B≧20, L≧20 [ ! ]T9.0は、A≦300, B≧32, L≧20 [ ! ]穴が端面や曲げ部に近すぎると穴が変形する可能性がありますが、加工限界内であればそのまま加工します。 | |||||||||||||
| N・NA指定値 | 通し穴径(d) |
| 0 | (穴無し) |
| 3 | 3.5 |
| 4 | 4.5 |
| 5 | 5.5 |
| 6 | 6.5 |
| 8 | 9 |
| 10 | 11 |
| T | N・NA(ボルト通し穴) |
| 0.8 | 0・3・4・5・6・8・10 |
| 1.0、1.2 | |
| 1.5、1.6 | |
| 2.0、2.3 | |
| 3.0、3.2 | |
| 4.0~6.0 | |
| 9.0 | 0・5・6・8・10 |
| Alterations | 長穴角度変更 | コーナーカット | コーナーR加工 |
![]() B面のみ適応 | ![]() A面のみ適応 | ![]() A面のみ適応 | |
| Code | RC | CC | CR |
| Spec. | 長穴を上図のように変更します。 [ ! ]寸法関係に注意 指定方法 RCを型式末尾に追加 (例)~-RC | CC=指定1mm単位 1≦CC≦10 指定方法 型式末尾に追加 (例)~-CC5 | CR=指定1mm単位 1≦CR≦10 指定方法 型式末尾に追加 (例)~-CR5 |
| ¥/1Code | 無料 | 600 | 600 |
| 商品 | 基準寸法の区分 (A・B寸法) | 6以下 | 6を超え 30以下 | 30を超え 120以下 | 120を超え 400以下 |
| 板金(曲げ加工品) | 許容差(a・b) | ±0.3 | ±0.5 | ±0.8 | ±1.2 |

[ ! ]穴無し仕様に変更した場合、アルマイト処理は下図のような吊るし穴があく場合があります。

[ ! ]長穴は寸法によっては下記形状となる可能性があります。
(取付穴の機能に支障がない程度です) 
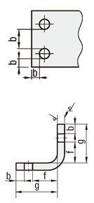
[ ! ]下図のf,b,gの各部には加工限界があります。
| T | f(穴と曲げの距離) | b (穴と断面 との距離) | g | ||||||
| SPCC SPHC SS400 | A5052 | SUS304 | 通し穴 | タップ穴 | 公差付穴 曲げと平行な 長穴 | ||||
| L曲げ | Z・凸曲げ | L曲げ | Z・凸曲げ | ||||||
| 0.8 | ー | 0.8 | 2 | 3 | ー | ー | 3.5 | 1 | 5 |
| 1.0 | 1.0 | 1.0 | 2 | 3 | 3 | 5.5 | 3.5 | 1 | 5.5 |
| 1.2 | ー | 1.2 | 2 | 3 | 3 | 5.5 | 3.5 | 1 | 5.5 |
| 1.6 | 1.5 | 1.5 | 2 | 3.5 | 3 | 6 | 4 | 1 | 6 |
| 2.3 | 2.0 | 2.0 | 2 | 4.5 | 3 | 7 | 5 | 1.5 | 7 |
| 3.2 | 3.0 | 3.0 | 2 | 6.5 | 3 | 9 | 7 | 1.5 | 9 |
| 4.5 | 4.0 | 4.0 | 3 | 7.5 | 4 | 11 | 8(9) | 2 | 11 |
| ー | 5.0 | 5.0 | 3 | 14 | 4 | 16 | 15 | 2.5 | 18 |
| 6.0 | ー | 6.0 | 3 | 14 | 4 | 16 | 15 | 2.5 | 18 |
| 9.0 | ー | 9.0 | 20 | ー | 20.5 | ー | 20 | 4 | 20 |

[ ! ]プレスブレーキのブレーキ押さえによるキズが付きます。r・e・d寸法は目安となります。
| T | 曲げ後R | ブレーキキズ | |||
| 位置 | 深さ | ||||
| SPCC SPHC SS400 | A5052 | SUS304 | (r) | (e) | (d) |
| 0.8 | ー | 0.8 | 0.8 | 5 | 0.1 |
| 1.0 | 1.0 | 1.0 | 1 | 5 | 0.1 |
| 1.2 | ー | 1.2 | 1.2 | 5 | 0.1 |
| 1.6 | 1.5 | 1.5 | 1.5 | 6 | 0.1 |
| 2.3 | 2.0 | 2.0 | 2.0 | 7.5 | 0.1 |
| 3.2 | 3.0 | 3.0 | 3.0 | 10.5 | 0.2 |
| 4.5 | 4.0 | 4.0 | 4.0 | 13.5 | 0.3 |
| ー | 5.0 | 5.0 | 5.0 | 17 | 0.5 |
| 6.0 | ー | 6.0 | 6.0 | 17 | 0.5 |
| 9.0 | ー | 9.0 | 9.0 | 27 | 0.8 |

[ ! ]曲げによる食い込み、及び膨らみが付きます。

| なし | 四三酸化鉄皮膜 | 三価クロメート(白) | 三価クロメート(黒) | |
| SP | SPB | SPU | SPK | |
| SPCC T0.8~3.2 | ![]() | ![]() | ![]() | ![]() |
| SPHC T4.5~6.0 | ![]() | ![]() | ![]() | ![]() |
| SS400 (黒皮) T9.0 | ![]() | ![]() | ![]() | ![]() |
| なし | アルマイト処理(白) | アルマイト処理(黒) | |
| AM | AMW | AMB | |
| A5052 | ![]() | ![]() | ![]() |
| なし | |
| SUD | |
| SUS304(2B) T0.8~6.0 | ![]() |
| SUS304(No.1) T9.0 | ![]() |
調整が必要なコンベアガイドの取付板


| 型番 |
|---|
通常単価(税別)
(税込単価) | 通常出荷日 |
クリーン洗浄・梱包済みでお届けします
|
|---|
- ( - ) | 3日目 |
- |
- ( - ) | 5日目 |
- |
- ( - ) | 5日目 |
- |
- ( - ) | 5日目 |
- |
- ( - ) | 3日目 |
- |
- ( - ) | 8日目 |
- |
- ( - ) | 5日目 |
- |
- ( - ) | 8日目 |
- |
- ( - ) | 3日目 |
- |
- ( - ) | 8日目 |
- |
- ( - ) | 3日目 |
- |
- ( - ) | 5日目 |
- |
- ( - ) | 3日目 |
- |
- ( - ) | 3日目 |
|
- ( - ) | 5日目 |
|
- ( - ) | 5日目 |
|
- ( - ) | 5日目 |
- |
- ( - ) | 3日目 |
- |
- ( - ) | 8日目 |
- |
- ( - ) | 5日目 |
- |
- ( - ) | 8日目 |
|
- ( - ) | 3日目 |
|
- ( - ) | 8日目 |
|
- ( - ) | 3日目 |
|
- ( - ) | 5日目 |
|
- ( - ) | 3日目 |
コーナーR形状を追加しました。追加工より大きさ変更可能です。
鉄・アルミ・ステンレスからご選定頂けるL型板金ブラケットです。
汎用的な穴パターンをご用意しております。寸法フリーにて指定可能です。
| A | B | T | ¥基準単価 | |||||||
| SPCC / SPHC / SS400 | A5052 | SUS304 | ||||||||
| 処理無し | 四三酸化 鉄皮膜 | 三価 クロメート (白) | 三価 クロメート (黒) | 処理無し | アルマイト 処理 (白) | アルマイト 処理 (黒) | 処理無し | |||
| SP | SPB | SPU | SPK | AM | AMW | AMB | SUD | |||
| 20~100 | 10~100 | 0.8~1.6 | 1,730 | 1,870 | 1,870 | 1,870 | 1,970 | 2,630 | 2,760 | 1,950 |
| 2.0~3.2 | 1,910 | 2,060 | 2,060 | 2,060 | 2,010 | 2,670 | 2,800 | 2,260 | ||
| 4.0~5.0 | 2,160 | 2,330 | 2,330 | 2,330 | 2,630 | 3,490 | 3,650 | 2,700 | ||
| 6.0 | 2,160 | 2,330 | 2,330 | 2,330 | - | - | - | 2,780 | ||
| 9.0 | 2,450 | 2,810 | 2,810 | 3,110 | - | - | - | 5,500 | ||
| 101~200 | 0.8~1.6 | 2,590 | 2,790 | 2,790 | 2,790 | 3,550 | 4,660 | 4,880 | 3,510 | |
| 2.0~3.2 | 2,860 | 3,080 | 3,080 | 3,080 | 3,630 | 4,740 | 4,950 | 4,070 | ||
| 4.0~5.0 | 3,240 | 3,490 | 3,490 | 3,490 | 4,720 | 6,170 | 6,430 | 4,870 | ||
| 6.0 | 3,240 | 3,490 | 3,490 | 3,490 | - | - | - | 4,870 | ||
| 9.0 | 3,680 | 3,960 | 3,960 | 4,210 | - | - | - | 8,830 | ||
| 101~200 | 10~100 | 0.8~1.6 | 2,340 | 2,530 | 2,530 | 2,530 | 3,190 | 4,210 | 4,380 | 3,170 |
| 2.0~3.2 | 2,590 | 2,800 | 2,800 | 2,800 | 3,280 | 4,290 | 4,460 | 3,660 | ||
| 4.0~5.0 | 2,890 | 3,210 | 3,210 | 3,210 | 4,250 | 5,550 | 5,800 | 4,390 | ||
| 6.0 | 2,890 | 3,210 | 3,210 | 3,210 | - | - | - | 4,390 | ||
| 9.0 | 3,230 | 3,690 | 3,690 | 3,740 | - | - | - | 7,380 | ||
| 101~200 | 0.8~1.6 | 3,280 | 3,500 | 3,500 | 3,500 | 4,800 | 6,320 | 6,590 | 4,760 | |
| 2.0~3.2 | 3,630 | 3,890 | 3,890 | 3,890 | 4,920 | 6,430 | 6,710 | 5,500 | ||
| 4.0~5.0 | 4,050 | 4,430 | 4,430 | 4,430 | 6,380 | 8,340 | 8,690 | 6,570 | ||
| 6.0 | 4,050 | 4,430 | 4,430 | 4,430 | - | - | - | 6,570 | ||
| 9.0 | 4,520 | 5,030 | 5,030 | 5,420 | - | - | - | 11,520 | ||
| 201~300 | 10~100 | 6.0 | 3,740 | 4,140 | 4,140 | 4,140 | - | - | - | 8,490 |
| 9.0 | 4,180 | 4,730 | 4,730 | 5,100 | - | - | - | 11,870 | ||
| 101~200 | 6.0 | 5,620 | 6,130 | 6,130 | 6,130 | - | - | - | 10,890 | |
| 9.0 | 6,280 | 6,980 | 6,980 | 7,600 | - | - | - | 16,080 | ||
| 数量区分 | 標準対応 | 個別対応 | ||||
| 小口 | 大口 | 大口 | ||||
| 数 量 | 1〜3 | 4〜7 | 8〜19 | 20〜39 | 40〜100 | 101~ |
| 値引率 | 基準価格 | 35% | 40% | 45% | 50% | お見積り |
| 出荷日 | 通常 | +2日 | +5日 | |||



通常価格、通常出荷日が表示と異なる場合がございます
通常価格、通常出荷日が表示と異なる場合がございます

ミスミ
L型板金 取付板・ブラケット-フリー寸法タイプ- FALCS・FALCR
4.4
ミスミ
L型板金 取付板・ブラケット-フリー寸法タイプ- FACAS・FACAR
4.5
ミスミ
L型板金 取付板・ブラケット-センター振り分けタイプ- FSLAS
4.5
ミスミ
L型板金 取付板・ブラケット-フリー寸法タイプ- FALAS・FALAR
4.4
ミスミ
L型板金 取付板・ブラケット-フリー寸法タイプ- FAMAS・FAMAR
4.3
ミスミ
L型板金 取付板・ブラケット-センター振り分けタイプ- FSMAS
4.4
ミスミ
L型板金 取付板・ブラケット-フリー寸法タイプ- FALBS・FALBR
4.3
ミスミ
L型板金 取付板・ブラケット-フリー寸法タイプ- FAMBS・FAMBR
4.7
ミスミ
L型板金 取付板・ブラケット-フリー寸法タイプ- FAMCS・FAMCR
4.3