メカニカル部品技術窓口
ミスミ品のみ対象
[ ! ]
(穴加工)
| 穴種 | タップ穴 | ボルト通し穴 | ザグリ表 | ザグリ裏 | 通し穴 | |||||||||||||||||||||||||||||||||||||||||||||
| Code | M・MA | N・NA | Z・ZF | ZB | DA | |||||||||||||||||||||||||||||||||||||||||||||
| 形状図 | ![]() | ![]() | ![]() | ![]() | ![]() | |||||||||||||||||||||||||||||||||||||||||||||
| 加工 仕様 | タップ有効長 最大M・MA×2 [ ! ]T≧M・MA×3のとき、 タップ下穴が貫通しない 場合があります。 |
|
| |||||||||||||||||||||||||||||||||||||||||||||||

| 型式 | [ M ]材質 | [ M ]表面処理 | |
| Type | 材質記号 | ||
| HFMCC | SC | S50C | - |
| SCB | 四三酸化鉄皮膜 | ||
| SCM | 無電解ニッケルメッキ | ||
| AM | A5052 | - | |
| AMW | アルマイト処理(白) | ||
| AMB | アルマイト処理(黒) | ||
| SU | SUS304 | - | |
| 型式 | − | A | − | B | − | T | − | X | − | V | − | Y | − | W | − | 穴指定① Code・ 呼び径 | − | K | − | L | − | H | − | D | − | F | − | S | − | G | − | 穴指定② Code・ 呼び径 | − | J | ||
| Type | − | 材質記号 | ||||||||||||||||||||||||||||||||||
| HFMCC | − | AMB | − | A100 | − | B80 | − | T10 | − | X15 | − | V70 | − | Y10 | − | W60 | − | Z6 | − | L50 | − | H40 | − | D30 | − | F50 | − | MA6 | ||||||||
| 型式 | 指定0.1mm単位 | X | V | Y | W | 穴指定① | L | H | F | D | 穴指定② | |||||
| Type | 材質記号 | A | B | T | Code | 呼び径 | Code | 呼び径 | ||||||||
| HFMCC | SC SCB SCM AM AMW AMB SU | 25.0 ~ 200.0 | 10.0 ~ 200.0 | 3.0 ~ 30.0 [ ! ] | 指定0.1mm 単位 | N [ ! ] M Z [ ! ] [ ! ] 加工寸法は 穴種選択表 参照 | 0 (穴なし) 3 4 5 6 8 10 12 14 16 | 指定0.1mm単位 | 3~30(0.5mm単位) 31~100(1mm単位) | NA [ ! ] MA ZF [ ! ] ZB [ ! ] [ ! ] 加工寸法は 穴種選択表 参照 | 0 (穴なし) 3 4 5 6 8 10 12 14 16 | |||||
| [ ! ]AMW・AMBはT≧5 [ ! ]SUはT≦25.0 | ||||||||||||||||
| Alterations | コーナーカット変更 | 板厚(T寸)公差変更 | センターD穴H7変更 | ||||||||||||||||||||
![]() | TKCTHC ![]() | ![]() | |||||||||||||||||||||
| Code | CC | TKC・THC | DC | ||||||||||||||||||||
| Spec. | コーナーカットを変更します。 CC=指定1mm単位 [ ! ]1≦CC≦50
(例)~-CC10 | 板厚(T寸)の公差を変更します。 TKC:公差±0.05 THC:公差±0.02 [ ! ]材質記号SC・SCB・SCMのみ適用 [ NG ]TKC・THCは同時指定不可
(例)~-TKC、~-THC | センターD穴を精度穴(H7)に変更します。 DC=指定1mm単位 [ ! ]3≦DC≦100
(例)~-DC30 | ||||||||||||||||||||
| ¥/1Code |
|
|
|
| 型番 |
|---|
通常単価(税別)
(税込単価) | 通常出荷日 |
クリーン洗浄・梱包済みでお届けします
|
|---|
- ( - ) | 3日目 |
|
- ( - ) | 7日目 |
|
- ( - ) | 7日目 |
|
- ( - ) | 3日目 |
- |
- ( - ) | 5日目 |
- |
- ( - ) | 5日目 |
|
- ( - ) | 3日目 |
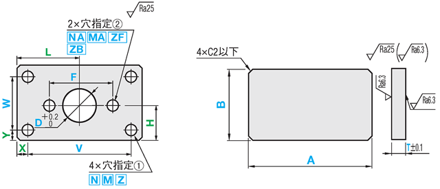
6面フライス加工のブラケットです。汎用的な穴パターンをご用意しております。寸法フリーにて指定可能です。板圧も寸法フリーにて指定可能です。
| 材質記号 | A | B | HFMCC ¥本体価格+穴加工料金 | ||||
| T3.0~7.0 | T7.1~10.0 | T10.1~15.0 | T15.1~25.0 | T25.1~30.0 | |||
| S50C処理無し SC | 25.0~50.0 | 10.0~50.0 | 2,650 | 2,760 | 2,880 | 3,000 | 3,060 |
| 50.1~100.0 | 2,800 | 2,870 | 2,980 | 3,110 | 3,390 | ||
| 100.1~150.0 | 2,880 | 2,990 | 3,150 | 3,290 | 3,710 | ||
| 150.1~200.0 | 3,130 | 3,290 | 3,500 | 3,720 | 4,040 | ||
| 50.1~100.0 | 10.0~50.0 | 2,650 | 2,930 | 3,160 | 3,290 | 3,380 | |
| 50.1~100.0 | 2,990 | 3,130 | 3,430 | 3,560 | 4,040 | ||
| 100.1~150.0 | 3,410 | 3,570 | 3,870 | 4,030 | 4,670 | ||
| 150.1~200.0 | 3,470 | 3,720 | 4,160 | 4,580 | 5,310 | ||
| 100.1~150.0 | 10.0~50.0 | 3,060 | 3,160 | 3,330 | 3,500 | 3,710 | |
| 50.1~100.0 | 3,490 | 3,580 | 3,770 | 3,920 | 4,670 | ||
| 100.1~150.0 | 3,810 | 3,930 | 4,330 | 4,800 | 5,640 | ||
| 150.1~200.0 | 3,820 | 4,160 | 4,810 | 5,460 | 6,590 | ||
| 150.1~200.0 | 10.0~50.0 | 3,180 | 3,290 | 3,500 | 3,720 | 4,040 | |
| 50.1~100.0 | 3,590 | 3,720 | 4,160 | 4,580 | 5,310 | ||
| 100.1~150.0 | 4,410 | 4,480 | 4,810 | 5,460 | 6,590 | ||
| 150.1~200.0 | 4,550 | 4,590 | 5,480 | 6,350 | 7,890 | ||
| S50C四三酸化鉄皮膜 SCB | 25.0~50.0 | 10.0~50.0 | 2,760 | 2,880 | 2,990 | 3,140 | 3,210 |
| 50.1~100.0 | 2,920 | 2,980 | 3,100 | 3,240 | 3,550 | ||
| 100.1~150.0 | 2,990 | 3,110 | 3,320 | 3,480 | 3,920 | ||
| 150.1~200.0 | 3,240 | 3,410 | 3,730 | 3,980 | 4,340 | ||
| 50.1~100.0 | 10.0~50.0 | 2,800 | 3,090 | 3,350 | 3,510 | 3,630 | |
| 50.1~100.0 | 3,150 | 3,290 | 3,620 | 3,780 | 4,290 | ||
| 100.1~150.0 | 3,570 | 3,760 | 4,170 | 4,380 | 5,070 | ||
| 150.1~200.0 | 3,620 | 3,980 | 4,550 | 5,040 | 5,860 | ||
| 100.1~150.0 | 10.0~50.0 | 3,210 | 3,350 | 3,620 | 3,840 | 4,110 | |
| 50.1~100.0 | 3,640 | 3,770 | 4,060 | 4,260 | 5,070 | ||
| 100.1~150.0 | 3,990 | 4,220 | 4,770 | 5,320 | 6,260 | ||
| 150.1~200.0 | 4,060 | 4,550 | 5,390 | 6,140 | 7,390 | ||
| 150.1~200.0 | 10.0~50.0 | 3,340 | 3,550 | 3,890 | 4,180 | 4,590 | |
| 50.1~100.0 | 3,750 | 3,980 | 4,550 | 5,040 | 5,860 | ||
| 100.1~150.0 | 4,650 | 4,870 | 5,390 | 6,140 | 7,390 | ||
| 150.1~200.0 | 4,850 | 5,100 | 6,260 | 7,280 | 8,980 | ||
| S50C無電解ニッケルメッキ SCM | 25.0~50.0 | 10.0~50.0 | 2,840 | 3,050 | 3,160 | 3,340 | 3,440 |
| 50.1~100.0 | 2,990 | 3,150 | 3,270 | 3,440 | 3,780 | ||
| 100.1~150.0 | 3,130 | 3,280 | 3,580 | 3,770 | 4,240 | ||
| 150.1~200.0 | 3,410 | 3,600 | 4,050 | 4,370 | 4,800 | ||
| 50.1~100.0 | 10.0~50.0 | 2,860 | 3,260 | 3,640 | 3,860 | 4,060 | |
| 50.1~100.0 | 3,200 | 3,450 | 3,920 | 4,140 | 4,730 | ||
| 100.1~150.0 | 3,740 | 4,050 | 4,620 | 4,910 | 5,710 | ||
| 150.1~200.0 | 3,860 | 4,370 | 5,150 | 5,750 | 6,710 | ||
| 100.1~150.0 | 10.0~50.0 | 3,380 | 3,640 | 4,070 | 4,380 | 4,750 | |
| 50.1~100.0 | 3,810 | 4,060 | 4,520 | 4,800 | 5,710 | ||
| 100.1~150.0 | 4,260 | 4,670 | 5,420 | 6,100 | 7,180 | ||
| 150.1~200.0 | 4,430 | 5,150 | 6,270 | 7,200 | 8,670 | ||
| 150.1~200.0 | 10.0~50.0 | 3,580 | 3,940 | 4,420 | 4,890 | 5,530 | |
| 50.1~100.0 | 3,990 | 4,370 | 5,150 | 5,750 | 6,710 | ||
| 100.1~150.0 | 5,020 | 5,470 | 6,270 | 7,200 | 8,670 | ||
| 150.1~200.0 | 5,320 | 5,890 | 7,430 | 8,670 | 10,640 | ||
| 材質記号 | A | B | HFMCC ¥本体価格+穴加工料金 | ||||
| T3.0~7.0 | T7.1~10.0 | T10.1~15.0 | T15.1~25.0 | T25.1~30.0 | |||
| A5052処理無し AM | 25.0~50.0 | 10.0~50.0 | 2,380 | 2,560 | 2,650 | 2,720 | 2,780 |
| 50.1~100.0 | 2,560 | 2,590 | 2,900 | 3,070 | 3,300 | ||
| 100.1~150.0 | 2,740 | 2,900 | 3,160 | 3,420 | 3,810 | ||
| 150.1~200.0 | 2,890 | 3,080 | 3,420 | 3,760 | 4,320 | ||
| 50.1~100.0 | 10.0~50.0 | 2,440 | 2,590 | 2,900 | 3,070 | 3,300 | |
| 50.1~100.0 | 2,860 | 3,020 | 3,420 | 3,760 | 4,320 | ||
| 100.1~150.0 | 2,950 | 3,420 | 3,940 | 4,460 | 5,340 | ||
| 150.1~200.0 | 3,380 | 3,760 | 4,470 | 5,170 | 6,350 | ||
| 100.1~150.0 | 10.0~50.0 | 2,740 | 2,900 | 3,160 | 3,420 | 3,810 | |
| 50.1~100.0 | 2,890 | 3,420 | 3,940 | 4,460 | 5,340 | ||
| 100.1~150.0 | 3,470 | 3,940 | 4,730 | 5,500 | 6,870 | ||
| 150.1~200.0 | 3,870 | 4,470 | 5,500 | 6,540 | 8,400 | ||
| 150.1~200.0 | 10.0~50.0 | 2,890 | 3,080 | 3,420 | 3,760 | 4,320 | |
| 50.1~100.0 | 3,270 | 3,760 | 4,470 | 5,170 | 6,350 | ||
| 100.1~150.0 | 3,870 | 4,470 | 5,500 | 6,540 | 8,400 | ||
| 150.1~200.0 | 4,370 | 5,170 | 6,550 | 7,940 | 10,430 | ||
| A5052アルマイト処理(白色) AMW | 25.0~50.0 | 10.0~50.0 | 2,540 | 2,800 | 2,900 | 3,010 | 3,120 |
| 50.1~100.0 | 2,720 | 2,840 | 3,150 | 3,360 | 3,630 | ||
| 100.1~150.0 | 2,950 | 3,150 | 3,530 | 3,840 | 4,280 | ||
| 150.1~200.0 | 3,140 | 3,350 | 3,920 | 4,330 | 4,970 | ||
| 50.1~100.0 | 10.0~50.0 | 2,610 | 2,870 | 3,320 | 3,570 | 3,900 | |
| 50.1~100.0 | 3,030 | 3,300 | 3,840 | 4,260 | 4,910 | ||
| 100.1~150.0 | 3,220 | 3,840 | 4,560 | 5,200 | 6,220 | ||
| 150.1~200.0 | 3,720 | 4,310 | 5,300 | 6,150 | 7,520 | ||
| 100.1~150.0 | 10.0~50.0 | 3,010 | 3,320 | 3,780 | 4,160 | 4,680 | |
| 50.1~100.0 | 3,160 | 3,840 | 4,560 | 5,200 | 6,220 | ||
| 100.1~150.0 | 3,850 | 4,560 | 5,650 | 6,600 | 8,180 | ||
| 150.1~200.0 | 4,390 | 5,300 | 6,730 | 8,000 | 10,130 | ||
| 150.1~200.0 | 10.0~50.0 | 3,220 | 3,620 | 4,250 | 4,750 | 5,480 | |
| 50.1~100.0 | 3,600 | 4,310 | 5,300 | 6,150 | 7,520 | ||
| 100.1~150.0 | 4,390 | 5,300 | 6,730 | 8,000 | 10,130 | ||
| 150.1~200.0 | 5,020 | 6,270 | 8,190 | 9,890 | 12,750 | ||
| A5052アルマイト処理(黒色) AMB | 25.0~50.0 | 10.0~50.0 | 2,580 | 2,880 | 2,960 | 3,100 | 3,230 |
| 50.1~100.0 | 2,760 | 2,910 | 3,210 | 3,440 | 3,750 | ||
| 100.1~150.0 | 3,020 | 3,210 | 3,630 | 3,960 | 4,410 | ||
| 150.1~200.0 | 3,200 | 3,420 | 4,050 | 4,470 | 5,120 | ||
| 50.1~100.0 | 10.0~50.0 | 2,670 | 2,960 | 3,440 | 3,720 | 4,060 | |
| 50.1~100.0 | 3,090 | 3,390 | 3,970 | 4,410 | 5,080 | ||
| 100.1~150.0 | 3,320 | 3,970 | 4,770 | 5,450 | 6,510 | ||
| 150.1~200.0 | 3,830 | 4,480 | 5,580 | 6,480 | 7,910 | ||
| 100.1~150.0 | 10.0~50.0 | 3,110 | 3,440 | 3,990 | 4,410 | 4,980 | |
| 50.1~100.0 | 3,260 | 3,970 | 4,770 | 5,450 | 6,510 | ||
| 100.1~150.0 | 3,970 | 4,770 | 5,950 | 6,960 | 8,600 | ||
| 150.1~200.0 | 4,560 | 5,580 | 7,140 | 8,490 | 10,720 | ||
| 150.1~200.0 | 10.0~50.0 | 3,340 | 3,800 | 4,530 | 5,070 | 5,870 | |
| 50.1~100.0 | 3,720 | 4,480 | 5,580 | 6,480 | 7,910 | ||
| 100.1~150.0 | 4,560 | 5,580 | 7,140 | 8,490 | 10,720 | ||
| 150.1~200.0 | 5,240 | 6,630 | 8,560 | 10,540 | 13,810 | ||
| 材質記号 | A | B | HFMCC ¥本体価格+穴加工料金 | |||
| T3.0~7.0 | T7.1~10.0 | T10.1~15.0 | T15.1~25.0 | |||
| SUS304処理無し SU | 25.0~50.0 | 10.0~50.0 | 3,950 | 4,260 | 4,630 | 4,760 |
| 50.1~100.0 | 4,330 | 4,940 | 5,340 | 5,850 | ||
| 100.1~150.0 | 4,690 | 5,210 | 6,180 | 6,870 | ||
| 150.1~200.0 | 5,090 | 5,680 | 6,720 | 7,760 | ||
| 50.1~100.0 | 10.0~50.0 | 4,330 | 4,640 | 5,600 | 6,150 | |
| 50.1~100.0 | 5,070 | 5,680 | 6,720 | 7,760 | ||
| 100.1~150.0 | 5,790 | 6,720 | 8,280 | 9,840 | ||
| 150.1~200.0 | 6,560 | 7,760 | 9,190 | 10,940 | ||
| 100.1~150.0 | 10.0~50.0 | 4,690 | 5,170 | 6,380 | 7,110 | |
| 50.1~100.0 | 5,790 | 6,720 | 8,280 | 9,840 | ||
| 100.1~150.0 | 6,880 | 8,280 | 10,620 | 12,960 | ||
| 150.1~200.0 | 8,040 | 9,850 | 12,980 | 16,070 | ||
| 150.1~200.0 | 10.0~50.0 | 5,090 | 5,680 | 7,260 | 8,270 | |
| 50.1~100.0 | 6,560 | 7,760 | 9,190 | 10,940 | ||
| 100.1~150.0 | 8,040 | 9,850 | 12,980 | 16,070 | ||
| 150.1~200.0 | 9,190 | 10,840 | 13,600 | 16,800 | ||
| 数量区分 | 標準対応 | 個別対応 | |||||
| 小口 | 大口 | 大口 | |||||
| 数 量 | 1 | 2~3 | 4~7 | 8~10 | 11~30 | 31~50 | 51~ |
| 値引率 | 基準価格 | 5% | 10% | 15% | 20% | 20% | お見積り |
| 出荷日 | 通常 | +2日 | +7日 | ||||



通常価格、通常出荷日が表示と異なる場合がございます
通常価格、通常出荷日が表示と異なる場合がございます

ミスミ
板金 取付板・ブラケット -フリー寸法タイプ- JTDAS・JTDAR
4.4
ミスミ
板金 取付板・ブラケット-センター振り分けタイプ- JSDAS
4.6
ミスミ
板金 取付板・ブラケット -フリー寸法タイプ- JTAAS・JTAAR
4.6
ミスミ
板金 取付板・ブラケット -フリー寸法タイプ- JTDZS・JTDZR
4.4
ミスミ
板金 取付板・ブラケット-センター振り分けタイプ- JSAAS
4.4
ミスミ
板金 取付板・ブラケット -フリー寸法タイプ- JTMAS・JTMAR
5
ミスミ
6面フライス 取付板・ブラケット-外径寸法フリー指定- HFMQA
4.9
ミスミ
板金 取付板・ブラケット -フリー寸法タイプ- JTNAS・JTNAR
4.6
ミスミ
板金 取付板・ブラケット -フリー寸法タイプ- JTBAS・JTBAR
4.6