メカニカル部品技術窓口
ミスミ品のみ対象
[ ! ]

| 穴種 | タップ穴 | ボルト通し穴 | ザグリ表 | ザグリ裏 | 通し穴 | |||||||||||||||||||||||||||||||||||||||||||||
| Code | M・MA | N・NA | Z・ZF | ZB | DA | |||||||||||||||||||||||||||||||||||||||||||||
| 形状図 | ![]() | ![]() | ![]() | ![]() | ![]() | |||||||||||||||||||||||||||||||||||||||||||||
| 加工 仕様 | タップ有効長 最大M・MA×2 [ ! ]T≧M・MA×3のとき、 タップ下穴が貫通しない 場合があります。 |
|
| |||||||||||||||||||||||||||||||||||||||||||||||

| 型式 | [ M ]材質 | [ S ]表面処理 | |
| Type | 材質記号 | ||
| HFCBA | SC | S50C | - |
| SCB | 四三酸化鉄皮膜 | ||
| SCM | 無電解ニッケルメッキ | ||
| AM | A5052 | - | |
| AMW | アルマイト処理(白) | ||
| AMB | アルマイト処理(黒) | ||
| SU | SUS304 | - | |
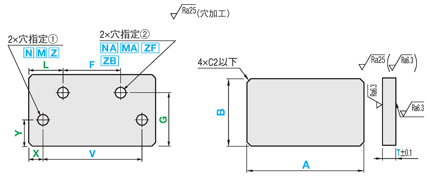
| 型式 | − | A | − | B | − | T | − | X | − | V | − | Y | − | W | − | 穴指定① Code・ 呼び径 | − | K | − | L | − | H | − | D | − | F | − | S | − | G | − | 穴指定② Code・ 呼び径 | − | J | ||
| Type | − | 材質記号 | ||||||||||||||||||||||||||||||||||
| HFMCC | − | AMB | − | A100 | − | B80 | − | T10 | − | X15 | − | V70 | − | Y10 | − | W60 | − | Z6 | − | L50 | − | H40 | − | D30 | − | F50 | − | MA6 | ||||||||
| 型式 | 指定0.1mm単位 | X | V | Y | 穴指定① | L | F | G | 穴指定② | |||||
| Type | 材質記号 | A | B | T | Code | 呼び径 | Code | 呼び径 | ||||||
| HFCBA | SC SCB SCM AM AMW AMB SU | 25.0 ~ 200.0 | 10.0 ~ 200.0 | 3.0 ~ 30.0 [ ! ] | 指定0.1mm単位 | N [ ! ] M Z [ ! ] [ ! ] 加工寸法は 穴種選択表 参照 | 0 (穴なし) 3 4 5 6 8 10 12 14 16 | 指定0.1mm単位 | NA [ ! ] MA ZF [ ! ] ZB [ ! ] [ ! ] 加工寸法は 穴種選択表 参照 | 0 (穴なし) 3 4 5 6 8 10 12 14 16 | ||||
| [ ! ]AMW・AMBはT≧5 [ ! ]SUはT≦25.0 | ||||||||||||||
| Alterations | コーナーカット変更 | 板厚(T寸)公差変更 | |||||||||||
![]() | ![]() | ||||||||||||
| Code | CC | TKC・THC | |||||||||||
| Spec. | コーナーカットを変更します。 CC=指定1mm単位 [ ! ]1≦CC≦50
(例)~-CC10 | 板厚(T寸)の公差を変更します。 TKC:公差±0.05 THC:公差±0.02 [ ! ]材質記号SC・SCB・SCMのみ適用 [ NG ]TKC・THCは同時指定不可
(例)~-TKC、~-THC | |||||||||||
| ¥/1Code |
|
|
| 型番 |
|---|
通常単価(税別)
(税込単価) | 通常出荷日 |
クリーン洗浄・梱包済みでお届けします
|
|---|
- ( - ) | 3日目 |
|
- ( - ) | 17日目 |
|
- ( - ) | 17日目 |
|
- ( - ) | 3日目 |
- |
- ( - ) | 15日目 |
- |
- ( - ) | 15日目 |
|
- ( - ) | 3日目 |
6面フライス加工のブラケットです。汎用的な穴パターンをご用意しております。寸法フリーにて指定可能です。板圧も寸法フリーにて指定可能です。
| 材質記号 | A | B | HFCBA ¥本体価格+穴加工料金 | ||||
| T3.0~7.0 | T7.1~10.0 | T10.1~15.0 | T15.1~25.0 | T25.1~30.0 | |||
| S50C処理無し SC | 25.0~50.0 | 10.0~50.0 | 1,900 | 2,020 | 2,130 | 2,260 | 2,310 |
| 50.1~100.0 | 2,060 | 2,120 | 2,240 | 2,360 | 2,650 | ||
| 100.1~150.0 | 2,130 | 2,250 | 2,400 | 2,540 | 2,960 | ||
| 150.1~200.0 | 2,380 | 2,540 | 2,750 | 2,970 | 3,300 | ||
| 50.1~100.0 | 10.0~50.0 | 1,900 | 2,180 | 2,420 | 2,540 | 2,640 | |
| 50.1~100.0 | 2,250 | 2,380 | 2,690 | 2,810 | 3,300 | ||
| 100.1~150.0 | 2,670 | 2,820 | 3,130 | 3,290 | 3,930 | ||
| 150.1~200.0 | 2,720 | 2,970 | 3,410 | 3,830 | 4,570 | ||
| 100.1~150.0 | 10.0~50.0 | 2,310 | 2,420 | 2,580 | 2,750 | 2,960 | |
| 50.1~100.0 | 2,740 | 2,840 | 3,020 | 3,170 | 3,930 | ||
| 100.1~150.0 | 3,070 | 3,180 | 3,580 | 4,050 | 4,890 | ||
| 150.1~200.0 | 3,080 | 3,410 | 4,060 | 4,710 | 5,850 | ||
| 150.1~200.0 | 10.0~50.0 | 2,440 | 2,540 | 2,750 | 2,970 | 3,300 | |
| 50.1~100.0 | 2,850 | 2,970 | 3,410 | 3,830 | 4,570 | ||
| 100.1~150.0 | 3,660 | 3,740 | 4,060 | 4,710 | 5,850 | ||
| 150.1~200.0 | 3,800 | 3,840 | 4,740 | 5,610 | 7,140 | ||
| S50C四三酸化鉄皮膜 SCB | 25.0~50.0 | 10.0~50.0 | 2,020 | 2,130 | 2,250 | 2,390 | 2,470 |
| 50.1~100.0 | 2,170 | 2,240 | 2,350 | 2,500 | 2,800 | ||
| 100.1~150.0 | 2,250 | 2,360 | 2,570 | 2,730 | 3,170 | ||
| 150.1~200.0 | 2,500 | 2,670 | 2,980 | 3,230 | 3,590 | ||
| 50.1~100.0 | 10.0~50.0 | 2,060 | 2,340 | 2,600 | 2,760 | 2,890 | |
| 50.1~100.0 | 2,400 | 2,540 | 2,880 | 3,030 | 3,550 | ||
| 100.1~150.0 | 2,820 | 3,010 | 3,420 | 3,630 | 4,330 | ||
| 150.1~200.0 | 2,880 | 3,230 | 3,800 | 4,290 | 5,110 | ||
| 100.1~150.0 | 10.0~50.0 | 2,470 | 2,600 | 2,880 | 3,100 | 3,360 | |
| 50.1~100.0 | 2,900 | 3,020 | 3,320 | 3,520 | 4,330 | ||
| 100.1~150.0 | 3,240 | 3,480 | 4,020 | 4,580 | 5,510 | ||
| 150.1~200.0 | 3,320 | 3,800 | 4,640 | 5,400 | 6,650 | ||
| 150.1~200.0 | 10.0~50.0 | 2,590 | 2,800 | 3,140 | 3,430 | 3,840 | |
| 50.1~100.0 | 3,000 | 3,230 | 3,800 | 4,290 | 5,110 | ||
| 100.1~150.0 | 3,910 | 4,130 | 4,640 | 5,400 | 6,650 | ||
| 150.1~200.0 | 4,110 | 4,360 | 5,510 | 6,530 | 8,230 | ||
| S50C無電解ニッケルメッキ SCM | 25.0~50.0 | 10.0~50.0 | 2,090 | 2,300 | 2,420 | 2,590 | 2,700 |
| 50.1~100.0 | 2,250 | 2,400 | 2,520 | 2,700 | 3,030 | ||
| 100.1~150.0 | 2,380 | 2,530 | 2,840 | 3,020 | 3,500 | ||
| 150.1~200.0 | 2,670 | 2,860 | 3,310 | 3,620 | 4,050 | ||
| 50.1~100.0 | 10.0~50.0 | 2,110 | 2,510 | 2,900 | 3,120 | 3,320 | |
| 50.1~100.0 | 2,460 | 2,710 | 3,170 | 3,390 | 3,980 | ||
| 100.1~150.0 | 2,990 | 3,310 | 3,870 | 4,170 | 4,970 | ||
| 150.1~200.0 | 3,120 | 3,620 | 4,400 | 5,010 | 5,960 | ||
| 100.1~150.0 | 10.0~50.0 | 2,640 | 2,900 | 3,330 | 3,630 | 4,000 | |
| 50.1~100.0 | 3,070 | 3,320 | 3,770 | 4,050 | 4,970 | ||
| 100.1~150.0 | 3,520 | 3,930 | 4,670 | 5,360 | 6,440 | ||
| 150.1~200.0 | 3,690 | 4,400 | 5,520 | 6,460 | 7,930 | ||
| 150.1~200.0 | 10.0~50.0 | 2,840 | 3,190 | 3,680 | 4,150 | 4,790 | |
| 50.1~100.0 | 3,240 | 3,620 | 4,400 | 5,010 | 5,960 | ||
| 100.1~150.0 | 4,270 | 4,730 | 5,520 | 6,460 | 7,930 | ||
| 150.1~200.0 | 4,580 | 5,150 | 6,690 | 7,930 | 9,890 | ||
| 材質記号 | A | B | HFCBA ¥本体価格+穴加工料金 | ||||
| T3.0~7.0 | T7.1~10.0 | T10.1~15.0 | T15.1~25.0 | T25.1~30.0 | |||
| A5052処理無し AM | 25.0~50.0 | 10.0~50.0 | 1,770 | 1,950 | 2,040 | 2,110 | 2,170 |
| 50.1~100.0 | 1,950 | 1,980 | 2,290 | 2,460 | 2,690 | ||
| 100.1~150.0 | 2,130 | 2,290 | 2,550 | 2,810 | 3,200 | ||
| 150.1~200.0 | 2,280 | 2,470 | 2,810 | 3,150 | 3,710 | ||
| 50.1~100.0 | 10.0~50.0 | 1,830 | 1,980 | 2,290 | 2,460 | 2,690 | |
| 50.1~100.0 | 2,250 | 2,420 | 2,810 | 3,150 | 3,710 | ||
| 100.1~150.0 | 2,340 | 2,810 | 3,330 | 3,850 | 4,740 | ||
| 150.1~200.0 | 2,770 | 3,150 | 3,860 | 4,560 | 5,740 | ||
| 100.1~150.0 | 10.0~50.0 | 2,130 | 2,290 | 2,550 | 2,810 | 3,200 | |
| 50.1~100.0 | 2,280 | 2,810 | 3,330 | 3,850 | 4,740 | ||
| 100.1~150.0 | 2,860 | 3,330 | 4,120 | 4,890 | 6,260 | ||
| 150.1~200.0 | 3,270 | 3,860 | 4,890 | 5,930 | 7,790 | ||
| 150.1~200.0 | 10.0~50.0 | 2,280 | 2,470 | 2,810 | 3,150 | 3,710 | |
| 50.1~100.0 | 2,660 | 3,150 | 3,860 | 4,560 | 5,740 | ||
| 100.1~150.0 | 3,270 | 3,860 | 4,890 | 5,930 | 7,790 | ||
| 150.1~200.0 | 3,760 | 4,560 | 5,940 | 7,330 | 9,820 | ||
| A5052アルマイト処理(白色) AMW | 25.0~50.0 | 10.0~50.0 | 1,930 | 2,190 | 2,290 | 2,400 | 2,510 |
| 50.1~100.0 | 2,110 | 2,230 | 2,540 | 2,750 | 3,020 | ||
| 100.1~150.0 | 2,340 | 2,540 | 2,920 | 3,230 | 3,680 | ||
| 150.1~200.0 | 2,530 | 2,740 | 3,310 | 3,720 | 4,360 | ||
| 50.1~100.0 | 10.0~50.0 | 2,010 | 2,260 | 2,710 | 2,960 | 3,290 | |
| 50.1~100.0 | 2,430 | 2,690 | 3,230 | 3,650 | 4,310 | ||
| 100.1~150.0 | 2,610 | 3,230 | 3,950 | 4,590 | 5,610 | ||
| 150.1~200.0 | 3,110 | 3,700 | 4,690 | 5,540 | 6,910 | ||
| 100.1~150.0 | 10.0~50.0 | 2,400 | 2,710 | 3,170 | 3,550 | 4,070 | |
| 50.1~100.0 | 2,550 | 3,230 | 3,950 | 4,590 | 5,610 | ||
| 100.1~150.0 | 3,240 | 3,950 | 5,040 | 6,000 | 7,570 | ||
| 150.1~200.0 | 3,780 | 4,690 | 6,120 | 7,390 | 9,520 | ||
| 150.1~200.0 | 10.0~50.0 | 2,610 | 3,010 | 3,640 | 4,140 | 4,870 | |
| 50.1~100.0 | 2,990 | 3,700 | 4,690 | 5,540 | 6,910 | ||
| 100.1~150.0 | 3,780 | 4,690 | 6,120 | 7,390 | 9,520 | ||
| 150.1~200.0 | 4,410 | 5,660 | 7,580 | 9,280 | 12,140 | ||
| A5052アルマイト処理(黒色) AMB | 25.0~50.0 | 10.0~50.0 | 1,970 | 2,270 | 2,350 | 2,490 | 2,630 |
| 50.1~100.0 | 2,150 | 2,300 | 2,600 | 2,840 | 3,140 | ||
| 100.1~150.0 | 2,420 | 2,600 | 3,020 | 3,350 | 3,800 | ||
| 150.1~200.0 | 2,590 | 2,810 | 3,440 | 3,860 | 4,520 | ||
| 50.1~100.0 | 10.0~50.0 | 2,060 | 2,350 | 2,840 | 3,110 | 3,450 | |
| 50.1~100.0 | 2,480 | 2,780 | 3,360 | 3,800 | 4,470 | ||
| 100.1~150.0 | 2,710 | 3,360 | 4,160 | 4,840 | 5,900 | ||
| 150.1~200.0 | 3,220 | 3,870 | 4,970 | 5,870 | 7,300 | ||
| 100.1~150.0 | 10.0~50.0 | 2,500 | 2,840 | 3,380 | 3,800 | 4,370 | |
| 50.1~100.0 | 2,650 | 3,360 | 4,160 | 4,840 | 5,900 | ||
| 100.1~150.0 | 3,360 | 4,160 | 5,340 | 6,350 | 7,990 | ||
| 150.1~200.0 | 3,950 | 4,970 | 6,530 | 7,890 | 10,110 | ||
| 150.1~200.0 | 10.0~50.0 | 2,730 | 3,190 | 3,920 | 4,460 | 5,260 | |
| 50.1~100.0 | 3,110 | 3,870 | 4,970 | 5,870 | 7,300 | ||
| 100.1~150.0 | 3,950 | 4,970 | 6,530 | 7,890 | 10,110 | ||
| 150.1~200.0 | 4,630 | 6,020 | 7,950 | 9,930 | 13,200 | ||
| 材質記号 | A | B | HFCBA ¥本体価格+穴加工料金 | |||
| T3.0~7.0 | T7.1~10.0 | T10.1~15.0 | T15.1~25.0 | |||
| SUS304処理無し SU | 25.0~50.0 | 10.0~50.0 | 2,760 | 3,080 | 3,440 | 3,570 |
| 50.1~100.0 | 3,140 | 3,750 | 4,160 | 4,660 | ||
| 100.1~150.0 | 3,510 | 4,020 | 5,000 | 5,680 | ||
| 150.1~200.0 | 3,910 | 4,490 | 5,530 | 6,570 | ||
| 50.1~100.0 | 10.0~50.0 | 3,140 | 3,450 | 4,410 | 4,970 | |
| 50.1~100.0 | 3,890 | 4,490 | 5,530 | 6,570 | ||
| 100.1~150.0 | 4,600 | 5,530 | 7,100 | 8,650 | ||
| 150.1~200.0 | 5,380 | 6,570 | 8,000 | 9,750 | ||
| 100.1~150.0 | 10.0~50.0 | 3,510 | 3,980 | 5,200 | 5,920 | |
| 50.1~100.0 | 4,600 | 5,530 | 7,100 | 8,650 | ||
| 100.1~150.0 | 5,690 | 7,100 | 9,430 | 11,770 | ||
| 150.1~200.0 | 6,860 | 8,660 | 11,790 | 14,880 | ||
| 150.1~200.0 | 10.0~50.0 | 3,910 | 4,490 | 6,070 | 7,090 | |
| 50.1~100.0 | 5,380 | 6,570 | 8,000 | 9,750 | ||
| 100.1~150.0 | 6,860 | 8,660 | 11,790 | 14,880 | ||
| 150.1~200.0 | 8,000 | 9,650 | 12,410 | 15,610 | ||
| 数量区分 | 標準対応 | 個別対応 | |||||
| 小口 | 大口 | 大口 | |||||
| 数 量 | 1 | 2~3 | 4~7 | 8~10 | 11~30 | 31~50 | 51~ |
| 値引率 | 基準価格 | 5% | 10% | 15% | 20% | 20% | お見積り |
| 出荷日 | 通常 | +2日 | +7日 | ||||



通常価格、通常出荷日が表示と異なる場合がございます
通常価格、通常出荷日が表示と異なる場合がございます

ミスミ
板金 取付板・ブラケット -フリー寸法タイプ- JTDAS・JTDAR
4.4
ミスミ
板金 取付板・ブラケット-センター振り分けタイプ- JSDAS
4.6
ミスミ
板金 取付板・ブラケット -フリー寸法タイプ- JTAAS・JTAAR
4.6
ミスミ
板金 取付板・ブラケット -フリー寸法タイプ- JTDZS・JTDZR
4.4
ミスミ
板金 取付板・ブラケット-センター振り分けタイプ- JSAAS
4.4
ミスミ
6面フライス 取付板・ブラケット-外径寸法フリー指定- HFMQA
4.9
ミスミ
板金 取付板・ブラケット -フリー寸法タイプ- JTMAS・JTMAR
5
ミスミ
板金 取付板・ブラケット -フリー寸法タイプ- JTNAS・JTNAR
4.6
ミスミ
板金 取付板・ブラケット -フリー寸法タイプ- JTABS・JTABR
4.4