メカニカル部品技術窓口
ミスミ品のみ対象
全長公差バラつき保証タイプは【長さ公差±0.05mm】と【長さバラつき±0.02mm】を標準で保証した...
詳細を確認
| 精度 | L寸 | L寸公差 | L寸バラつき |
| 全長公差バラつき保証タイプ | 8≦L≦130 | ±0.05 | ±0.02 |
| 標準タイプ | 8≦L≦300 | ±0.1 | - |
| 300<L≦600 | ±0.3 | ||
| 600<L≦1000 | ±0.4 |
■支柱 おねじ逃げ部寸法(参考値)

| M | MC | g |
| 2.5 | 2 | 0.8 |
| 2.6 | 2.1 | |
| 3 | 2.4 | 1 |
| 4 | 3.2 | 1.2 |
| 5 | 4.1 | 1.5 |
| 6 | 4.4 | 2 |
| 8 | 6 | 3 |
| 10 | 7.7 | |
| 12 | 9.4 | 4 |
| 16 | 13 | |
| 20 | 16.4 | 5 |
| 24 | 19.6 |
| 精度 | Type | [ M ]材質 | [ S ]表面処理 |
| 全長公差バラつき保証タイプ | VPETN | SS400相当 | 無電解ニッケルメッキ |
| VSETN | SUS304 | − | |
| 標準タイプ | NETN | SS400相当 | − |
| ETKN | 四三酸化鉄皮膜 | ||
| PETN | 無電解ニッケルメッキ | ||
| SETN | SUS304 | − | |
| AETN | A2017−T4 | 白アルマイト | |
| ABETN | 黒アルマイト |
| 型式 | − | L | − | SC | − | M |
| VPETN5 | − | 100 | − | SC50 | − | M2.5 |
| SETN20 | − | 350 | − | SC100 | − | M10 |
| 種類 | 型式 | 標準対応 | 個別対応 | ||
| 2〜 | 100〜 | 301〜 | 500〜 | ||
| 全長公差バラつき保証タイプ | VSETN8-100-SC10-M4 | 1,490 | 980 | 900 | 720 |
| 標準タイプ | SETN8-100-SC10-M4-LVC-LKC | 1,690 | 1,690 | 1,690 | 1,492 |
| プライスダウン率 | ▲12% | ▲42% | ▲47% | ▲52% | |
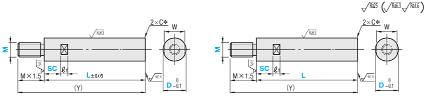
| 型式 | L 指定0.1mm単位 | SC 指定0.5mm単位 | M(並目) 選択 | W | ℓ1 | |||||||
| Type | D | |||||||||||
| SS400相当 VPETN SUS304 VSETN | 5 | 15.0-100.0 | 0-92.0 | 2.5 | 3 | 4 | 4 | 8 | ||||
| 6 | 15.0-130.0 | 0-122.0 | 3 | 4 | 5 | 5 | ||||||
| 8 | 15.0-130.0 | 0-122.0 | 3 | 4 | 5 | 6 | 7 | |||||
| 10 | 20.0-130.0 | 0-122.0 | 3 | 4 | 5 | 6 | 8 | 8 | ||||
| 12 | 25.0-130.0 | 0-120.0 | 4 | 5 | 6 | 8 | 10 | 10 | 10 | |||
| 15 | 30.0-130.0 | 0-120.0 | 5 | 6 | 8 | 10 | 13 | |||||
| 20 | 40.0-130.0 | 0-120.0 | 5 | 6 | 8 | 10 | 17 | |||||
型式 | L 指定0.1mm単位 *D=5,35,40,50は指定0.5mm単位 | SC 指定0.5mm単位 | M(並目) 選択 | W | ℓ1 | |||||||||||
Type | D | |||||||||||||||
片端おねじ SS400相当 NETN ETKN PETN SUS304 SETN(D≦30) A2017 AETN (6≦D≦20, Y≦500) ABETN (6≦D≦20, Y≦500) | *5 | 15.0〜100.0 | 0〜92.0 | 2.6 | 3 | 4 | 8 | |||||||||
6 | 15.0〜290.0 | 0〜282.0 | 3 | 4 | 5 | |||||||||||
8 | 20.0〜390.0 | 0〜382.0 | 3 | 4 | 5 | 7 | ||||||||||
10 | 20.0〜590.0(495.5) | 0〜582.0(487.5) | 3 | 4 | 5 | 6 | 8 | |||||||||
12 | 25.0〜680.0(494.0) | 0〜670.0(484.0) | 4 | 5 | 6 | 8 | 10 | 10 | ||||||||
15 | 35.0〜780.0(492.5) | 0〜770.0(482.5) | 5 | 6 | 8 | 10 | 13 | |||||||||
20 | 40.0〜780.0(492.5) | 0〜770.0(482.5) | 5 | 6 | 8 | 10 | 12 | 17 | ||||||||
25 | 55.0〜870.0 | 0〜860.0 | 5 | 6 | 8 | 10 | 12 | 16 | 22 | |||||||
30 | 65.0〜970.0 | 0〜955.0 | 5 | 6 | 8 | 10 | 12 | 16 | 20 | 27 | 15 | |||||
*35 | 80.0〜900.0 | 0〜885.0 | 6 | 8 | 10 | 12 | 16 | 20 | 30 | |||||||
*40 | 80.0〜1000.0 | 0〜980.0 | 8 | 10 | 12 | 16 | 20 | 24 | 36 | 20 | ||||||
*50 | 80.0〜1000.0 | 0〜980.0 | 10 | 12 | 16 | 20 | 24 | 41 | ||||||||
| 型式 | − | L | − | SC | − | M | − | (LKC・MLC) |
| NETN10 | − | 300.2 | − | SC250 | − | M5 | − | LKC |
| Alterations | L寸公差変更 | 全長(L寸)精度変更 | おねじ部長さ変更 | ||||||||
![]() | ![]() | ![]() | |||||||||
| Code | LKC | LVC | MLC | ||||||||
| Spec. | L寸法公差は以下のようになります。 指定方法 LKC LKC使用時、L寸単位0.1mm指定可
[ NG ]全長公差バラつき保証タイプは標準で | 複数注文時、各L寸法のバラつきを ±0.02mm以内に致します。 指定方法 LVC [ ! ]1明細行のご注文数量に上限があります。 [ NG ]全長公差バラつき保証タイプは標準で | おねじ部長さ変更 [ NG ]D=5は適用不可 [ ! ]MLC=指定0.1mm単位 M×1≦MLC<M×1.5 指定方法 MCL10 | ||||||||
| ¥/1Code | 400 | 50 | 200 |
| 材質 / 表面処理 | 対面幅B | 追加工LVC 1明細行あたり上限数量 |
| 一般構造用鋼 / 処理なし 一般構造用鋼 / 四三酸化鉄被膜 一般構造用鋼 / 無電解ニッケルメッキ SUS304 | 6~20 | 100本/明細行 |
| 5、25~50 | 20本/明細行 | |
| 一般構造用鋼 / 三価クロメート(黒色) A2017-T4 / 白アルマイト | 5~50 |
| 型番 |
|---|
通常単価(税別)
(税込単価) | 通常出荷日 |
クリーン洗浄・梱包済みでお届けします
|
|---|
- ( - ) | 16日目 |
- |
- ( - ) | 16日目 |
- |
- ( - ) | 16日目 |
- |
- ( - ) | 16日目 |
- |
- ( - ) | 16日目 |
- |
- ( - ) | 16日目 |
- |
- ( - ) | 17日目 |
- |
- ( - ) | 17日目 |
- |
- ( - ) | 17日目 |
- |
- ( - ) | 17日目 |
- |
- ( - ) | 17日目 |
- |
- ( - ) | 17日目 |
- |
- ( - ) | 2日目 |
- |
- ( - ) | 2日目 |
- |
- ( - ) | 2日目 |
- |
- ( - ) | 2日目 |
- |
- ( - ) | 2日目 |
- |
- ( - ) | 2日目 |
- |
- ( - ) | 2日目 |
- |
- ( - ) | 2日目 |
- |
- ( - ) | 2日目 |
- |
- ( - ) | 2日目 |
- |
- ( - ) | 2日目 |
- |
- ( - ) | 2日目 |
- |
- ( - ) | 2日目 |
- |
- ( - ) | 2日目 |
- |
- ( - ) | 2日目 |
- |
- ( - ) | 2日目 |
- |
- ( - ) | 2日目 |
- |
- ( - ) | 2日目 |
- |
- ( - ) | 2日目 |
- |
- ( - ) | 2日目 |
- |
- ( - ) | 2日目 |
- |
- ( - ) | 2日目 |
- |
- ( - ) | 2日目 |
- |
- ( - ) | 2日目 |
- |
- ( - ) | 2日目 |
|
- ( - ) | 2日目 |
|
- ( - ) | 2日目 |
|
- ( - ) | 2日目 |
|
- ( - ) | 2日目 |
|
- ( - ) | 2日目 |
|
- ( - ) | 2日目 |
|
- ( - ) | 2日目 |
|
- ( - ) | 2日目 |
|
- ( - ) | 2日目 |
|
- ( - ) | 2日目 |
|
- ( - ) | 2日目 |
|
- ( - ) | 2日目 |
|
- ( - ) | 2日目 |
|
- ( - ) | 2日目 |
|
- ( - ) | 2日目 |
|
- ( - ) | 2日目 |
|
- ( - ) | 2日目 |
|
- ( - ) | 2日目 |
|
- ( - ) | 2日目 |
|
- ( - ) | 2日目 |
|
- ( - ) | 3日目 |
- |
- ( - ) | 3日目 |
- |
- ( - ) | 3日目 |
- |
全長公差バラつき保証タイプは【長さ公差±0.05mm】と【長さバラつき±0.02mm】を標準で保証した規格となります。
既存追加工のLVC+LKCをご希望の場合は、全長公差バラつき保証タイプで安価にご購入いただけます。
| Type | D | ¥基準単価 | |||||
| SS400相当 無電解ニッケルメッキ VPETN | SUS304 VSETN | ||||||
| 最短L 〜50 | L50.1 ~100 | L100.1 ~130 | 最短L 〜50 | L50.1 ~100 | L100.1 ~130 | ||
| VPETN VSETN | 5 | 1,350 | 1,370 | - | 1,430 | 1,440 | - |
| 6 | 1,350 | 1,370 | 1,380 | 1,430 | 1,440 | 1,460 | |
| 8 | 1,380 | 1,400 | 1,430 | 1,470 | 1,490 | 1,500 | |
| 10 | 1,400 | 1,430 | 1,440 | 1,490 | 1,500 | 1,520 | |
| 12 | 1,440 | 1,470 | 1,500 | 1,620 | 1,650 | 1,680 | |
| 15 | 1,620 | 1,760 | 1,880 | 2,030 | 2,160 | 2,280 | |
| 20 | 2,090 | 2,220 | 2,370 | 2,630 | 2,780 | 2,910 | |
| 型式 | ¥基準単価 | |||||||||
| Type | D | 最短L ~50 | L50.1 ~100 | L100.1 ~150 | L150.1 ~200 | L200.1 ~300 | L300.1 ~400 | L400.1 ~600 | L600.1 ~800 | L800.1 ~1000 |
| SS400相当 NETN | 5 | 770 | 780 | 790 | 800 | - | - | - | - | - |
| 6 | 750 | 760 | 770 | 780 | 790 | - | - | - | - | |
| 8 | 770 | 780 | 790 | 800 | 810 | 820 | - | - | - | |
| 10 | 780 | 790 | 800 | 810 | 830 | 840 | 850 | - | - | |
| 12 | 810 | 830 | 850 | 870 | 1,200 | 1,350 | 1,760 | 2,170 | - | |
| 15 | 880 | 970 | 1,050 | 1,130 | 1,380 | 1,530 | 1,920 | 2,310 | - | |
| 20 | 1,030 | 1,120 | 1,220 | 1,310 | 1,610 | 1,830 | 2,110 | 2,390 | - | |
| 25 | - | 1,390 | 1,480 | 1,580 | 1,820 | 1,960 | 2,310 | 2,950 | 3,590 | |
| 30 | - | 1,700 | 1,830 | 1,950 | 2,280 | 2,550 | 3,210 | 3,600 | 3,990 | |
| 35 | - | 1,840 | 1,970 | 2,110 | 2,510 | 2,800 | 3,440 | 4,320 | 5,410 | |
| 40 | - | 2,190 | 2,340 | 2,490 | 3,030 | 3,480 | 4,350 | 5,490 | 6,640 | |
| 50 | - | 3,080 | 3,320 | 3,560 | 4,320 | 4,850 | 5,940 | 7,530 | 9,290 | |
| SS400相当 四三酸化鉄皮膜 ETKN | 5 | 830 | 840 | 850 | 860 | - | - | - | - | - |
| 6 | 800 | 810 | 820 | 830 | 840 | - | - | - | - | |
| 8 | 820 | 830 | 840 | 850 | 860 | 870 | - | - | - | |
| 10 | 830 | 840 | 850 | 860 | 890 | 900 | 910 | - | - | |
| 12 | 860 | 880 | 900 | 920 | 1,280 | 1,440 | 1,900 | 2,360 | - | |
| 15 | 960 | 1,040 | 1,120 | 1,210 | 1,500 | 1,660 | 2,090 | 2,520 | - | |
| 20 | 1,100 | 1,200 | 1,290 | 1,390 | 1,740 | 1,960 | 2,290 | 2,610 | - | |
| 25 | - | 1,490 | 1,590 | 1,680 | 2,070 | 2,220 | 2,750 | 3,680 | 4,600 | |
| 30 | - | 1,890 | 2,020 | 2,140 | 2,710 | 2,980 | 3,850 | 4,390 | 4,920 | |
| 35 | - | 2,140 | 2,280 | 2,420 | 3,200 | 3,500 | 4,470 | 5,730 | 7,340 | |
| 40 | - | 2,640 | 2,780 | 2,930 | 4,040 | 4,480 | 5,790 | 7,340 | 8,880 | |
| 50 | - | 3,720 | 3,960 | 4,200 | 5,750 | 6,290 | 8,190 | 10,290 | 12,730 | |
| SS400相当 無電解ニッケルメッキ PETN | 5 | 930 | 950 | 960 | 970 | - | - | - | - | - |
| 6 | 900 | 910 | 920 | 930 | 950 | - | - | - | - | |
| 8 | 920 | 930 | 950 | 960 | 970 | 980 | - | - | - | |
| 10 | 930 | 950 | 960 | 970 | 1,010 | 1,020 | 1,030 | - | - | |
| 12 | 960 | 980 | 1,000 | 1,020 | 1,470 | 1,630 | 2,260 | 2,890 | - | |
| 15 | 1,080 | 1,170 | 1,250 | 1,330 | 1,740 | 1,900 | 2,480 | 3,060 | - | |
| 20 | 1,390 | 1,480 | 1,580 | 1,670 | 2,290 | 2,510 | 3,180 | 3,850 | - | |
| 25 | - | 1,920 | 2,020 | 2,110 | 2,870 | 3,010 | 3,890 | 5,280 | 6,680 | |
| 30 | - | 2,440 | 2,560 | 2,690 | 3,710 | 3,980 | 5,320 | 6,270 | 7,210 | |
| 35 | - | 2,630 | 2,760 | 2,900 | 4,190 | 4,480 | 5,960 | 7,720 | 9,990 | |
| 40 | - | 3,310 | 3,450 | 3,600 | 5,330 | 5,780 | 7,700 | 9,820 | 12,000 | |
| 50 | - | 4,580 | 4,820 | 5,060 | 7,470 | 8,000 | 10,640 | 13,580 | 16,860 | |
| SUS304 SETN | 5 | 980 | 990 | 1,000 | 1,010 | - | - | - | - | - |
| 6 | 950 | 960 | 970 | 980 | 990 | - | - | - | - | |
| 8 | 980 | 990 | 1,000 | 1,010 | 1,020 | 1,030 | - | - | - | |
| 10 | 990 | 1,000 | 1,010 | 1,020 | 1,210 | 1,220 | 1,230 | - | - | |
| 12 | 1,080 | 1,100 | 1,120 | 1,140 | 1,880 | 2,040 | 3,300 | 4,560 | - | |
| 15 | 1,350 | 1,440 | 1,520 | 1,610 | 2,250 | 2,400 | 3,500 | 4,590 | - | |
| 20 | 1,750 | 1,850 | 1,940 | 2,040 | 3,030 | 3,260 | 4,150 | 5,040 | - | |
| 25 | - | 2,650 | 2,740 | 2,840 | 4,140 | 4,280 | 5,750 | 8,020 | 10,290 | |
| 30 | - | 3,700 | 3,820 | 3,950 | 5,540 | 5,820 | 8,370 | 9,680 | 10,990 | |
| 型式 | ¥基準単価 | |||||||
| Type | D | 最短L ~50 | L50.1 ~100 | L100.1 ~150 | L150.1 ~200 | L200.1 ~300 | L300.1 ~400 | L400.1 ~495.5 |
| A2017 白アルマイト(×1.0) AETN 黒アルマイト(×1.1) ABETN | 6 | 960 | 970 | 980 | 990 | 1,000 | - | - |
| 8 | 1,010 | 1,020 | 1,030 | 1,040 | 1,050 | 1,060 | - | |
| 10 | 1,130 | 1,140 | 1,140 | 1,160 | 1,510 | 1,510 | 1,530 | |
| 12 | 1,270 | 1,280 | 1,300 | 1,320 | 1,830 | 1,960 | 2,630 | |
| 15 | 1,480 | 1,550 | 1,620 | 1,690 | 2,030 | 2,170 | 2,860 | |
| 20 | 1,700 | 1,790 | 1,870 | 1,960 | 2,500 | 2,710 | 3,350 | |

通常価格、通常出荷日が表示と異なる場合がございます
通常価格、通常出荷日が表示と異なる場合がございます

ミスミ
六角支柱-片端おねじ片端めねじ【全長公差バラつき保証タイプ・標準タイプ】
4.5
ミスミ
六角支柱-両端めねじ【全長公差バラつき保証タイプ・標準タイプ】
4.6
ミスミ
円形支柱-両端めねじ【全長公差バラつき保証タイプ・標準タイプ】
4.6
ミスミ
円形支柱-片端おねじ片端めねじ【全長公差バラつき保証タイプ・標準タイプ】
4.5
ミスミ
六角支柱-並目ねじ径長さ指定片端おねじ片端めねじ-
4.5
ミスミ
【黄銅・SUS・鉄】 金属スペーサー(小径六角支柱) 片端おねじ片端めねじ
4.6通常価格(税別):31円~

ミスミ
円形支柱-片端おねじ-【全長公差バラつき保証タイプ・標準タイプ】
4.5
ミスミ
【エコノミーシリーズ】 RoHS対応 六角支柱 片端おねじ・片端めねじタイプ
4.7通常価格(税別):165円~

ミスミ
円形支柱-片端めねじ-【全長公差バラつき保証タイプ・標準タイプ】
4.5