メカニカル部品技術窓口
ミスミ品のみ対象
耐食性に優れたSUS316L材を追加しました。全長公差バラつき保証タイプは【長さ公差±0.05mm】と...
詳細を確認
| 精度 | L寸 | L寸公差 | L寸バラつき |
| 全長公差バラつき保証タイプ | 8≦L≦130 | ±0.05 | ±0.02 |
| 標準タイプ | 8≦L≦300 | ±0.1 | - |
| 300<L≦600 | ±0.3 | ||
| 600<L≦1000 | ±0.4 |
| 精度 | Type | [ M ]材質 | [ S ]表面処理 | |
| 標準 | スパナ溝付 | |||
| 全長公差バラつき保証タイプ | - | VPETMF | SS400相当 | 無電解ニッケルメッキ |
| - | VSETMF | SUS304 | − | |
| - | VUSETMF | SUS316L | − | |
| 標準タイプ | NETM | NETMF | SS400相当 | − |
| ETKM | ETKMF | 四三酸化鉄皮膜 | ||
| PETM | PETMF | 無電解ニッケルメッキ | ||
| SETM | SETMF | SUS304 | − | |
| AETM | AETMF | A2017−T4 | 白アルマイト | |
| ABETM | ABETMF | 黒アルマイト | ||
■支柱 おねじ逃げ部寸法(参考値)

| M | MC | g |
| 2.5 | 2 | 0.8 |
| 2.6 | 2.1 | |
| 3 | 2.4 | 1 |
| 4 | 3.2 | 1.2 |
| 5 | 4.1 | 1.5 |
| 6 | 4.4 | 2 |
| 8 | 6 | 3 |
| 10 | 7.7 | |
| 12 | 9.4 | 4 |
| 16 | 13 | |
| 20 | 16.4 | 5 |
| 24 | 19.6 |
[ ! ]推奨トルク(0.5T系列)の計算方法は技術データ>> こちらになります。
[ ! ]有効かかり山数は3山以上の場合となります。
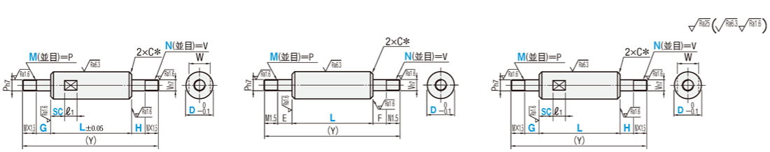
| 型式 | − | L | − | SC | − | M | − | N | − | G | − | H |
| VPETMF10 | − | 100 | − | SC50 | − | M5 | − | N5 | − | G4 | − | H2 |
| ETKM10 | − | 200 | − | M5 | − | N5 | ||||||
| ETKMF10 | − | 200 | − | SC150 | − | M5 | − | N5 | − | G4 | − | H2 |
| 種類 | 型式 | 標準対応 | 個別対応 | ||||
| 2〜 | 100〜 | 300〜 | 500〜 | 1000〜 | 3001〜 | ||
| 全長公差バラつき保証タイプ | VSETMF8-100-SC10-M4-N4-G3-H3 | 1,790 | 1,620 | 1,020 | 970 | 920 | 920 |
| 標準タイプ | SETMF8-100-SC10-M4-N4-G3-H3-LKC-LVC | 2,400 | 2,400 | 2,400 | 2,400 | 2,400 | 2,400 |
| プライスダウン率 | ▲25% | ▲33% | ▲58% | ▲60% | ▲62% | ▲62% | |
| 型式 | L | SC | M(並目)・N(並目)選択 | G | H | W | ℓ1 | ||||||
| タイプ | D | 指定0.1mm単位 | 指定0.5mm単位 | 指定1mm単位 | 指定1mm単位 | ||||||||
| SS400相当 VPETMF SUS304 VSETMF SUS316L VUSETMF | 8 | 15.0-130.0 | 0-122.0 | 3 | 4 | 5 | 6 | 2〜 4 | 2〜 4 | 7 | 8 | ||
| 10 | 20.0-130.0 | 0-122.0 | 3 | 4 | 5 | 6 | 8 | 2〜 5 | 2〜 5 | 8 | |||
| 12 | 25.0-130.0 | 0-120.0 | 4 | 5 | 6 | 8 | 10 | 2〜 6 | 2〜 6 | 10 | 10 | ||
| 15 | 30.0-130.0 | 0-120.0 | 5 | 6 | 8 | 10 | 2〜 8 | 2〜 8 | 13 | ||||
| 20 | 40.0-130.0 | 0-120.0 | 5 | 6 | 8 | 10 | 2〜10 | 2〜10 | 17 | ||||
| 型式 | L 指定0.1mm単位 | SC 指定0.5mm単位 [ ! ]スパナ溝付のみ | M(並目)・N(並目)選択 | G 指定1mm単位 [ ! ]インロー部指定のみ | H 指定1mm単位 [ ! ]インロー部指定のみ | E | F | W | ℓ1 | ||||||||||
| Type | D | ||||||||||||||||||
| インロー部固定 SS400相当 NETM ETKM PETM SUS304 SETM A2017 AETM (D≦20) ABETM (D≦20,Y≦500) | インロー部&スパナ溝指定 SS400相当 NETMF ETKMF PETMF SUS304 SETMF A2017 AETMF (D≦20) ABETMF (D≦20,Y≦500) | 8 | 20.0〜370.0 | 0〜362.0 | 3 | 4 | 5 | 6 | 2〜 4 | 2〜 4 | 4 | 4 | 7 | 8 | |||||
| 10 | 20.0〜560.0(487.0) | 0〜552.0(479.0) | 3 | 4 | 5 | 6 | 8 | 2〜 5 | 2〜 5 | 5 | 5 | 8 | |||||||
| 12 | 25.0〜650.0(484.0) | 0〜640.0(474.0) | 4 | 5 | 6 | 8 | 10 | 2〜 6 | 2〜 6 | 6 | 6 | 10 | 10 | ||||||
| 15 | 30.0〜740.0(481.0) | 0〜730.0(471.0) | 5 | 6 | 8 | 10 | 12 | 2〜 8 | 2〜 8 | 8 | 8 | 13 | |||||||
| 20 | 40.0〜730.0(481.0) | 0〜720.0(471.0) | 5 | 6 | 8 | 10 | 12 | 16 | 2〜10 | 2〜10 | 10 | 10 | 17 | ||||||
| 25 | 60.0〜810.0 | 0〜800.0 | 5 | 6 | 8 | 10 | 12 | 16 | 20 | 2〜12 | 2〜12 | 12 | 12 | 22 | |||||
| 30 | 60.0〜900.0 | 0〜885.0 | 5 | 6 | 8 | 10 | 12 | 16 | 20 | 2〜16 | 2〜16 | 16 | 16 | 27 | 15 | ||||
| 型式 | − | L | − | SC | − | M | − | N | − | G | − | H | − | (LKC・SC・MLC…etc.) |
| ETKM10 | − | 200.1 | − | M5 | − | N5 | − | LKC − MLC7 |
| Alterations | L寸公差変更 | 全長(L寸)精度変更 | おねじ部長さ変更 | スパナ溝加工 | インロー長さ変更 | 六角レンチ用通し穴 | ||||||||||||||||||||||||||||||||||||||||||||||||||||||||||||
![]() | ![]() | ![]() | ![]() | ![]() | ![]() | |||||||||||||||||||||||||||||||||||||||||||||||||||||||||||||
| Code | LKC | LVC | MLC NLC | SC | GLC HLC | HL | ||||||||||||||||||||||||||||||||||||||||||||||||||||||||||||
| Spec. | L寸法公差は以下のようになります。 指定方法 LKC LKC使用時、L寸単位0.1mm指定可
[ NG ]全長公差バラつき保証タイプは標準でL寸公差±0.05㎜以内のため適用不可 | 複数注文時、各L寸法のバラつきを ±0.02mm以内に致します。 指定方法 LVC [ ! ]1明細行のご注文数量に上限があります。 [ NG ]L≧200、L寸固定、黒アルマイトは適用不可 [ NG ]全長公差バラつき保証タイプは標準でL寸バラつき | ねじ部長さを変更します。 [ ! ]MLC=指定0.1mm単位 指定方法 MLC10 M×1≦MLC<M×1.5 N×1≦NLC<N×1.5 | SC=指定1mm単位 [ ! ]SC≧0 指定方法 SC10 [ ! ]インロー部固定のみ適用 |
| インロー部長さを指定できます。 指定0.5mm単位 指定方法 GLC15 HLC15 [ ! ]2.5≦GLC<Gmax×2.5 [ NG ]インロー固定は指定不可 | HL=指定1mm単位 指定方法 HL10 [ ! ]d/2+5≦HL≦L-(d/2+5)
[ ! ]SC加工併用時は、SCに対して90°の位置につきます。 | |||||||||||||||||||||||||||||||||||||||||||||||||||||||||||
| ¥/1Code | 400 | 50 | 200 | 400 | 200 | 400 | ||||||||||||||||||||||||||||||||||||||||||||||||||||||||||||
| 材質 / 表面処理 | 対面幅B | 追加工LVC 1明細行あたり上限数量 |
| 一般構造用鋼 / 処理なし 一般構造用鋼 / 四三酸化鉄被膜 一般構造用鋼 / 無電解ニッケルメッキ SUS304 | 6~20 | 100本/明細行 |
| 5、25~50 | 20本/明細行 | |
| 一般構造用鋼 / 三価クロメート(黒色) A2017-T4 / 白アルマイト | 5~50 |
| 型番 |
|---|
通常単価(税別)
(税込単価) | 通常出荷日 |
|---|
- ( - ) | 5日目 |
- ( - ) | 5日目 |
- ( - ) | 5日目 |
- ( - ) | 5日目 |
- ( - ) | 5日目 |
- ( - ) | 5日目 |
- ( - ) | 5日目 |
- ( - ) | 5日目 |
- ( - ) | 5日目 |
- ( - ) | 5日目 |
- ( - ) | 5日目 |
- ( - ) | 5日目 |
- ( - ) | 5日目 |
- ( - ) | 5日目 |
- ( - ) | 5日目 |
- ( - ) | 5日目 |
- ( - ) | 5日目 |
- ( - ) | 5日目 |
- ( - ) | 5日目 |
- ( - ) | 5日目 |
- ( - ) | 5日目 |
- ( - ) | 5日目 |
- ( - ) | 5日目 |
- ( - ) | 5日目 |
- ( - ) | 5日目 |
- ( - ) | 5日目 |
- ( - ) | 5日目 |
- ( - ) | 5日目 |
- ( - ) | 5日目 |
- ( - ) | 5日目 |
- ( - ) | 5日目 |
- ( - ) | 5日目 |
- ( - ) | 5日目 |
- ( - ) | 5日目 |
- ( - ) | 5日目 |
- ( - ) | 5日目 |
- ( - ) | 5日目 |
- ( - ) | 5日目 |
- ( - ) | 5日目 |
- ( - ) | 5日目 |
- ( - ) | 5日目 |
- ( - ) | 5日目 |
- ( - ) | 5日目 |
- ( - ) | 5日目 |
- ( - ) | 5日目 |
- ( - ) | 5日目 |
- ( - ) | 5日目 |
- ( - ) | 5日目 |
- ( - ) | 5日目 |
- ( - ) | 5日目 |
- ( - ) | 5日目 |
- ( - ) | 5日目 |
- ( - ) | 5日目 |
- ( - ) | 5日目 |
- ( - ) | 5日目 |
- ( - ) | 5日目 |
- ( - ) | 5日目 |
- ( - ) | 5日目 |
- ( - ) | 5日目 |
- ( - ) | 5日目 |
耐食性に優れたSUS316L材を追加しました。
全長公差バラつき保証タイプは【長さ公差±0.05mm】と【長さバラつき±0.02mm】を標準で保証した規格となります。
既存追加工のLVC+LKCをご希望の場合は、全長公差バラつき保証タイプで安価にご購入いただけます。
| Type | D | ¥基準単価 | ||||||||
| SS400相当 無電解ニッケルメッキ VPETMF | SUS304 VSETMF | SUS316L VUSETMF | ||||||||
| 最短L 〜50 | L50.1 ~100 | L100.1 ~130 | 最短L 〜50 | L50.1 ~100 | L100.1 ~130 | 最短L 〜50 | L50.1 ~100 | L100.1 ~130 | ||
| VPETMF VSETMF VUSETMF | 8 | 1,680 | 1,700 | 1,710 | 1,730 | 1,790 | 1,850 | 2,600 | 2,690 | 2,780 |
| 10 | 1,710 | 1,720 | 1,730 | 1,770 | 1,830 | 1,910 | 2,660 | 2,750 | 2,870 | |
| 12 | 1,730 | 1,850 | 1,990 | 1,980 | 2,210 | 2,440 | 2,970 | 3,320 | 3,660 | |
| 15 | 1,810 | 1,990 | 2,160 | 2,420 | 2,660 | 2,900 | 3,630 | 3,990 | 4,350 | |
| 20 | 2,200 | 2,430 | 2,650 | 3,010 | 3,350 | 3,710 | 4,520 | 5,030 | 5,570 | |
| 型式 | ¥基準単価 | |||||||||
| Type | D | 最短L ~50 | L50.1 ~100 | L100.1 ~150 | L150.1 ~200 | L200.1 ~300 | L300.1 ~400 | L400.1 ~600 | L600.1 ~800 | L800.1 ~1000 |
| SS400相当 NETM NETMF *インロー部& スパナ溝指定は 右記価格表に+420円 | 8 | 960 | 970 | 980 | 990 | 990 | 1,000 | - | - | - |
| 10 | 970 | 980 | 990 | 1,000 | 1,000 | 1,010 | 1,250 | - | - | |
| 12 | 1,000 | 1,090 | 1,190 | 1,280 | 1,370 | 1,620 | 1,860 | 2,360 | - | |
| 15 | 1,050 | 1,170 | 1,280 | 1,400 | 1,500 | 1,760 | 2,020 | 2,520 | - | |
| 20 | 1,200 | 1,330 | 1,470 | 1,610 | 1,740 | 1,980 | 2,220 | 2,720 | - | |
| 25 | - | 1,590 | 1,710 | 1,840 | 1,960 | 2,170 | 2,380 | 2,890 | 3,390 | |
| 30 | - | 2,010 | 2,160 | 2,320 | 2,480 | 2,910 | 3,330 | 3,590 | 3,850 | |
| SS400相当 四三酸化鉄皮膜 ETKM ETKMF *インロー部& スパナ溝指定は 右記価格表に+420円 | 8 | 1,050 | 1,060 | 1,070 | 1,080 | 1,080 | 1,090 | - | - | - |
| 10 | 1,060 | 1,070 | 1,080 | 1,090 | 1,090 | 1,100 | 1,390 | - | - | |
| 12 | 1,090 | 1,200 | 1,300 | 1,410 | 1,510 | 1,810 | 2,090 | 2,850 | - | |
| 15 | 1,170 | 1,290 | 1,420 | 1,540 | 1,660 | 1,940 | 2,230 | 2,980 | - | |
| 20 | 1,320 | 1,480 | 1,630 | 1,790 | 1,930 | 2,190 | 2,460 | 3,210 | - | |
| 25 | - | 1,770 | 1,940 | 2,110 | 2,270 | 2,570 | 2,870 | 3,620 | 4,380 | |
| 30 | - | 2,320 | 2,530 | 2,750 | 2,960 | 3,510 | 4,050 | 4,460 | 4,870 | |
| SS400相当 無電解ニッケルメッキ PETM PETMF *インロー部& スパナ溝指定は 右記価格表に+420円 | 8 | 1,180 | 1,190 | 1,200 | 1,210 | 1,210 | 1,220 | - | - | - |
| 10 | 1,200 | 1,210 | 1,220 | 1,230 | 1,230 | 1,240 | 1,590 | - | - | |
| 12 | 1,220 | 1,340 | 1,470 | 1,600 | 1,720 | 2,080 | 2,430 | 3,650 | - | |
| 15 | 1,300 | 1,470 | 1,630 | 1,800 | 1,950 | 2,320 | 2,690 | 3,920 | - | |
| 20 | 1,670 | 1,890 | 2,100 | 2,320 | 2,530 | 2,960 | 3,380 | 4,610 | - | |
| 25 | - | 2,320 | 2,580 | 2,850 | 3,110 | 3,580 | 4,050 | 5,280 | 6,510 | |
| 30 | - | 3,050 | 3,370 | 3,700 | 4,010 | 4,810 | 5,600 | 6,390 | 7,190 | |
| SUS304 SETM SETMF *インロー部& スパナ溝指定は 右記価格表に+420円 | 8 | 1,220 | 1,280 | 1,340 | 1,410 | 1,470 | 1,530 | - | - | - |
| 10 | 1,260 | 1,320 | 1,390 | 1,450 | 1,510 | 1,580 | 2,280 | - | - | |
| 12 | 1,460 | 1,680 | 1,900 | 2,120 | 2,340 | 3,050 | 3,750 | 5,870 | - | |
| 15 | 1,880 | 2,110 | 2,340 | 2,570 | 2,790 | 3,440 | 4,080 | 6,210 | - | |
| 20 | 2,440 | 2,770 | 3,110 | 3,440 | 3,770 | 4,310 | 4,840 | 6,960 | - | |
| 25 | - | 3,910 | 4,310 | 4,700 | 5,100 | 5,910 | 6,720 | 8,840 | 10,960 | |
| 30 | - | 5,390 | 5,860 | 6,340 | 6,810 | 8,250 | 9,680 | 10,790 | 11,910 | |
| A2017 白アルマイト(×1.0) AETM AETMF 黒アルマイト(×1.1) ABETM ABETMF *インロー部& スパナ溝指定は 右記価格表に+420円 | 8 | 1,290 | 1,300 | 1,300 | 1,310 | 1,310 | 1,320 | - | - | - |
| 10 | 1,450 | 1,460 | 1,470 | 1,470 | 1,840 | 1,850 | 2,350 | - | - | |
| 12 | 1,620 | 1,770 | 1,920 | 2,070 | 2,140 | 2,510 | 2,810 | 4,230 | - | |
| 15 | 1,790 | 1,950 | 2,110 | 2,280 | 2,270 | 2,660 | 3,100 | 4,490 | - | |
| 20 | 2,050 | 2,280 | 2,500 | 2,730 | 2,760 | 3,200 | 3,560 | 4,830 | - | |




通常価格、通常出荷日が表示と異なる場合がございます
通常価格、通常出荷日が表示と異なる場合がございます

ミスミ
六角支柱-片端おねじ片端めねじ【全長公差バラつき保証タイプ・標準タイプ】
4.5
ミスミ
六角支柱-両端めねじ【全長公差バラつき保証タイプ・標準タイプ】
4.6
ミスミ
円形支柱-両端めねじ【全長公差バラつき保証タイプ・標準タイプ】
4.6
ミスミ
円形支柱-片端おねじ片端めねじ【全長公差バラつき保証タイプ・標準タイプ】
4.5
ミスミ
六角支柱-並目ねじ径長さ指定片端おねじ片端めねじ-
4.5
ミスミ
【黄銅・SUS・鉄】 金属スペーサー(小径六角支柱) 片端おねじ片端めねじ
4.6通常価格(税別):31円~

ミスミ
円形支柱-片端おねじ-【全長公差バラつき保証タイプ・標準タイプ】
4.5
ミスミ
六角支柱-並目ねじ径長さ指定両端おねじ-
4.5
ミスミ
円形支柱 片端おねじ片端めねじ -ねじ径長さ指定-
4.3