メカニカル部品技術窓口
ミスミ品のみ対象
全長公差バラつき保証タイプは【長さ公差±0.05mm】と【長さバラつき±0.02mm】を標準で保証した...
詳細を確認
| 精度 | Type | [ M ]材質 | [ S ]表面処理 |
| 全長公差バラつき保証タイプ | VPLMN | SS400相当 | 無電解ニッケルメッキ |
| VSLMN | SUS304 | − | |
| 標準タイプ | NLMN | SS400相当 | - |
| LSMN | 四三酸化鉄皮膜 | ||
| PLMN | 無電解ニッケルメッキ | ||
| SLMN | SUS304 | - | |
| ALMN | A2017−T4 | 白アルマイト | |
| ABLMN | 黒アルマイト |
■公差表
| B | B寸公差 |
| 3を超え 6以下 | 0 -0.12 |
| 6を超え 10以下 | 0 -0.15 |
| 10を超え 18以下 | 0 -0.18 |
| 18を超え 30以下 | 0 -0.21 |
| 30を超え 50以下 | 0 -0.25 |
| B | B寸公差 |
| 10以下 | ±0.10 |
| 10を超え 18以下 | ±0.18 |
| 18を超え 30以下 | +0.12 -0.21 |
| 精度 | L寸 | L寸公差 | L寸バラつき |
| 全長公差バラつき保証タイプ | 8≦L≦130 | ±0.05 | ±0.02 |
| 標準タイプ | 8≦L≦300 | ±0.1 | - |
| 300<L≦600 | ±0.3 | ||
| 600<L≦1000 | ±0.4 |
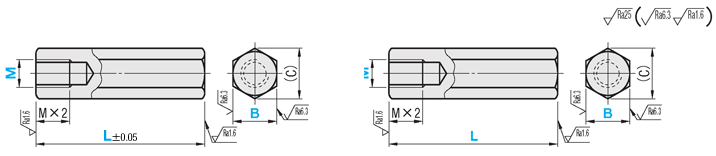
| 型式 | − | L | − | M |
| VPLMN5 | − | 100 | − | M2.5 |
| NLMN6 | − | 50 | − | M3 |
| 種類 | 型式 | 標準対応 | 個別対応 | ||
| 2〜 | 100〜 | 301〜 | 500〜 | ||
| 全長公差バラつき保証タイプ | VSLMN8-100-M4 | 1,200 | 720 | 680 | 540 |
| 標準タイプ | SLMN8-100-M4-LKC-LVC | 1,450 | 1,450 | 1,450 | 1,300 |
| プライスダウン率 | ▲17% | ▲50% | ▲53% | ▲58% | |
| 型式 | L 指定0.1mm単位 | M(並目)おねじ 選択 | (C) | ||||||||
| Type | B | ||||||||||
| SS400相当 VPLMN SUS304 VSLMN | 5 | 8.0~100.0 | 2 | 2.5 | 5.8 | ||||||
| 6 | 15.0~100.0 | 3 | 4 | 6.9 | |||||||
| 7 | 15.0~130.0 | 3 | 4 | 8.1 | |||||||
| 8 | 20.0~130.0 | 3 | 4 | 5 | 9.2 | ||||||
| 10 | 25.0~130.0 | 3 | 4 | 5 | 6 | 11.5 | |||||
| 12 | 25.0~130.0 | 3 | 4 | 5 | 6 | 8 | 13.9 | ||||
| 13 | 30.0~130.0 | 3 | 4 | 5 | 6 | 8 | 15.0 | ||||
| 14 | 30.0~130.0 | 3 | 4 | 5 | 6 | 8 | 10 | 16.2 | |||
| 17 | 35.0~130.0 | 4 | 5 | 6 | 8 | 10 | 19.6 | ||||
| 19 | 45.0~130.0 | 4 | 5 | 6 | 8 | 10 | 21.9 | ||||
| 型式 | L 指定0.5mm単位 | M(並目)めねじ選択 | (C) | ||||||||||||
| Type | B | ||||||||||||||
| 片端めねじ SS400相当 NLMN LSMN PLMN SUS304 SLMN A2011相当 ALMN (6≦B≦32, L≦500) ABLMN (6≦B≦19, L≦500) | 5 | 8.0〜100.0 | 2 | 2.6 | 5.8 | ||||||||||
| 6 | 15.0〜100.0 | 3 | 4 | 6.9 | |||||||||||
| 7 | 15.0〜200.0 | 3 | 4 | 8.1 | |||||||||||
| 8 | 20.0〜250.0 | 3 | 4 | 5 | 9.2 | ||||||||||
| 10 | 20.0〜350.0 | 3 | 4 | 5 | 6 | 11.5 | |||||||||
| 12 | 25.0〜500.0 | 3 | 4 | 5 | 6 | 8 | 13.9 | ||||||||
| 13 | 30.0〜500.0 | 3 | 4 | 5 | 6 | 8 | 15 | ||||||||
| 14 | 35.0〜600.0(500) | 3 | 4 | 5 | 6 | 8 | 10 | 16.2 | |||||||
| 17 | 35.0〜600.0(500) | 4 | 5 | 6 | 8 | 10 | 19.6 | ||||||||
| 19 | 45.0〜600.0(500) | 4 | 5 | 6 | 8 | 10 | 12 | 21.9 | |||||||
| 24 | 65.0〜700.0(500) | 5 | 6 | 8 | 10 | 12 | 16 | 20 | 27.7 | ||||||
| 27 | 65.0〜800.0(500) | 5 | 6 | 8 | 10 | 12 | 16 | 20 | 31.2 | ||||||
| 30 | 80.0〜1000.0(500) | 5 | 6 | 8 | 10 | 12 | 16 | 20 | 24 | 34.6 | |||||
| 32 | 80.0〜1000.0(500) | 5 | 6 | 8 | 10 | 12 | 16 | 20 | 24 | 36.9 | |||||
| 型式 | − | L | − | M | − | (LKC・MLC) |
| NLMN6 SLMN10 | − − | 50.3 300 | − − | M3 MD5 | − − | LKC MLC5.5 |
| Alterations | L寸公差変更 | 全長(L寸)精度変更 | めねじ部有効長変更 | ||||||||
![]() | ![]() | ![]() | |||||||||
| Code | LKC | LVC | MD | ||||||||
| Spec. | L寸法公差は以下のようになります。 指定方法 LKC LKC使用時、L寸単位0.1mm指定可
L寸公差±0.05㎜以内のため適用不可 | 複数注文時、各L寸法のバラつきを ±0.02mm以内に致します。 指定方法 LVC [ ! ]1明細行のご注文数量に上限があります。 詳細はLVC 1明細行あたり上限数量表を ご参照ください。 [ NG ]L≧200、L寸固定、黒アルマイトは 適用不可 [ NG ]全長公差バラつき保証タイプは標準で L寸バラつき±0.02㎜以内のため適用不可 | めねじ部の有効長をM×3に変更します。 指定方法 MD6 (MをMDに変更) [ ! ]MD×4≧Lの場合、めねじ下穴 が貫通する場合があります。 [ ! ]片端めねじのみ適用 [ NG ]M2・M2.6は適用不可 | ||||||||
| ¥/1Code | 400 | 50 | 200 |
| 材質 / 表面処理 | 対面幅B | 追加工LVC 1明細行あたり上限数量 |
| 一般構造用鋼 / 処理なし 一般構造用鋼 / 四三酸化鉄被膜 一般構造用鋼 / 無電解ニッケルメッキ SUS304 | 6~19 | 100本/明細行 |
| 5、24~32 | 20本/明細行 | |
| 一般構造用鋼 / 三価クロメート(黒色) A2011相当 / 白アルマイト | 5~32 |
| 型番 |
|---|
通常単価(税別)
(税込単価) | 通常出荷日 |
|---|
- ( - ) | 5日目 |
- ( - ) | 5日目 |
- ( - ) | 5日目 |
- ( - ) | 5日目 |
- ( - ) | 5日目 |
- ( - ) | 5日目 |
- ( - ) | 5日目 |
- ( - ) | 5日目 |
- ( - ) | 5日目 |
- ( - ) | 5日目 |
- ( - ) | 5日目 |
- ( - ) | 5日目 |
- ( - ) | 5日目 |
- ( - ) | 5日目 |
- ( - ) | 5日目 |
- ( - ) | 5日目 |
- ( - ) | 5日目 |
- ( - ) | 5日目 |
- ( - ) | 5日目 |
- ( - ) | 5日目 |
- ( - ) | 5日目 |
- ( - ) | 5日目 |
- ( - ) | 5日目 |
- ( - ) | 5日目 |
- ( - ) | 5日目 |
- ( - ) | 5日目 |
- ( - ) | 5日目 |
- ( - ) | 5日目 |
- ( - ) | 5日目 |
- ( - ) | 5日目 |
- ( - ) | 5日目 |
- ( - ) | 5日目 |
- ( - ) | 5日目 |
- ( - ) | 5日目 |
- ( - ) | 5日目 |
- ( - ) | 5日目 |
- ( - ) | 5日目 |
- ( - ) | 5日目 |
- ( - ) | 5日目 |
- ( - ) | 5日目 |
- ( - ) | 5日目 |
- ( - ) | 5日目 |
- ( - ) | 5日目 |
- ( - ) | 5日目 |
- ( - ) | 2日目 |
- ( - ) | 2日目 |
- ( - ) | 2日目 |
- ( - ) | 2日目 |
- ( - ) | 2日目 |
- ( - ) | 2日目 |
- ( - ) | 2日目 |
- ( - ) | 2日目 |
- ( - ) | 2日目 |
- ( - ) | 2日目 |
- ( - ) | 2日目 |
- ( - ) | 2日目 |
- ( - ) | 2日目 |
- ( - ) | 2日目 |
- ( - ) | 2日目 |
- ( - ) | 2日目 |
全長公差バラつき保証タイプは【長さ公差±0.05mm】と【長さバラつき±0.02mm】を標準で保証した規格となります。
既存追加工のLVC+LKCをご希望の場合は、全長公差バラつき保証タイプで安価にご購入いただけます。
| Type | B | ¥基準単価 | |||||
| SS400相当 無電解ニッケルメッキ VPLMN | SUS304 VSLMN | ||||||
| 最短L 〜50 | L50.1 ~100 | L100.1 ~130 | 最短L 〜50 | L50.1 ~100 | L100.1 ~130 | ||
| VPLMN VSLMN | 5 | 810 | 830 | - | 1,040 | 1,060 | - |
| 6 | 810 | 830 | - | 1,040 | 1,060 | - | |
| 7 | 920 | 930 | 950 | 1,060 | 1,080 | 1,090 | |
| 8 | 930 | 950 | 960 | 1,190 | 1,200 | 1,220 | |
| 10 | 1,010 | 1,020 | 1,040 | 1,250 | 1,270 | 1,280 | |
| 12 | 1,070 | 1,080 | 1,110 | 1,400 | 1,410 | 1,430 | |
| 13 | 1,130 | 1,140 | 1,160 | 1,460 | 1,480 | 1,490 | |
| 14 | 1,160 | 1,170 | 1,190 | 1,520 | 1,540 | 1,560 | |
| 17 | 1,260 | 1,290 | 1,320 | 1,780 | 1,810 | 1,860 | |
| 19 | 1,400 | 1,400 | 1,470 | 2,000 | 2,000 | 2,070 | |
| 型式 | ¥基準単価 | |||||||||
| Type | B | 最短L ~50 | L50.5 ~100 | L100.5 ~150 | L150.5 ~200 | L200.5 ~300 | L300.5 ~400 | L400.5 ~600 | L600.5 ~800 | L800.5 ~1000 |
| SS400相当 NLMN | 5 | 430 | 440 | - | - | - | - | - | - | - |
| 6 | 440 | 450 | - | - | - | - | - | - | - | |
| 7 | 450 | 460 | 470 | 480 | - | - | - | - | - | |
| 8 | 510 | 530 | 540 | 550 | 570 | 590 | - | - | - | |
| 10 | 570 | 580 | 590 | 600 | 640 | 660 | - | - | - | |
| 12 | 600 | 610 | 620 | 630 | 670 | 690 | 740 | - | - | |
| 13 | 630 | 640 | 650 | 660 | 710 | 760 | 800 | - | - | |
| 14 | 650 | 660 | 670 | 680 | 720 | 800 | 890 | - | - | |
| 17 | 690 | 710 | 740 | 760 | 890 | 990 | 1,110 | - | - | |
| 19 | 780 | 800 | 820 | 840 | 1,000 | 1,100 | 1,250 | - | - | |
| 24 | - | 880 | 910 | 950 | 1,090 | 1,220 | 1,410 | 1,810 | - | |
| 27 | - | 930 | 980 | 1,020 | 1,250 | 1,430 | 1,720 | 2,300 | - | |
| 30 | - | 1,130 | 1,240 | 1,340 | 1,530 | 1,700 | 1,950 | 2,560 | 3,350 | |
| 32 | - | 1,200 | 1,300 | 1,410 | 1,790 | 2,020 | 2,260 | 3,130 | 4,350 | |
| SS400相当 四三酸化鉄皮膜 LSMN | 5 | 480 | 490 | - | - | - | - | - | - | - |
| 6 | 480 | 490 | - | - | - | - | - | - | - | |
| 7 | 540 | 550 | 560 | 570 | - | - | - | - | - | |
| 8 | 550 | 560 | 570 | 580 | 610 | 630 | - | - | - | |
| 10 | 610 | 620 | 630 | 640 | 680 | 700 | - | - | - | |
| 12 | 650 | 660 | 670 | 680 | 710 | 740 | 770 | - | - | |
| 13 | 670 | 680 | 690 | 700 | 770 | 810 | 870 | - | - | |
| 14 | 690 | 700 | 710 | 720 | 780 | 850 | 970 | - | - | |
| 17 | 750 | 770 | 790 | 810 | 960 | 1,050 | 1,210 | - | - | |
| 19 | 840 | 860 | 880 | 900 | 1,070 | 1,180 | 1,340 | - | - | |
| 24 | - | 960 | 990 | 1,020 | 1,370 | 1,490 | 1,860 | 2,520 | - | |
| 27 | - | 1,020 | 1,060 | 1,100 | 1,620 | 1,800 | 2,250 | 2,910 | - | |
| 30 | - | 1,210 | 1,310 | 1,420 | 1,920 | 2,090 | 2,610 | 3,360 | 4,320 | |
| 32 | - | 1,280 | 1,390 | 1,490 | 2,190 | 2,430 | 3,070 | 3,970 | 5,150 | |
| SS400相当 無電解ニッケルメッキ PLMN | 5 | 540 | 550 | - | - | - | - | - | - | - |
| 6 | 540 | 550 | - | - | - | - | - | - | - | |
| 7 | 610 | 620 | 630 | 640 | - | - | - | - | - | |
| 8 | 620 | 630 | 640 | 650 | 690 | 710 | - | - | - | |
| 10 | 670 | 680 | 690 | 700 | 760 | 780 | - | - | - | |
| 12 | 710 | 720 | 740 | 750 | 820 | 840 | 920 | - | - | |
| 13 | 750 | 760 | 770 | 780 | 840 | 880 | 960 | - | - | |
| 14 | 770 | 780 | 790 | 800 | 1,010 | 1,080 | 1,350 | - | - | |
| 17 | 840 | 860 | 880 | 900 | 1,330 | 1,430 | 1,810 | - | - | |
| 19 | 930 | 960 | 980 | 1,000 | 1,550 | 1,660 | 2,130 | - | - | |
| 24 | - | 1,320 | 1,350 | 1,390 | 2,050 | 2,170 | 2,890 | 4,060 | - | |
| 27 | - | 1,500 | 1,540 | 1,590 | 2,490 | 2,670 | 3,540 | 4,620 | - | |
| 30 | - | 1,860 | 1,960 | 2,070 | 2,970 | 3,140 | 4,180 | 5,440 | 7,070 | |
| 32 | - | 2,030 | 2,130 | 2,240 | 3,410 | 3,640 | 4,840 | 6,350 | 8,340 | |
| SUS304 SLMN | 5 | 650 | 660 | - | - | - | - | - | - | - |
| 6 | 650 | 660 | - | - | - | - | - | - | - | |
| 7 | 660 | 670 | 680 | 690 | - | - | - | - | - | |
| 8 | 740 | 750 | 760 | 770 | 870 | 890 | - | - | - | |
| 10 | 780 | 790 | 800 | 810 | 970 | 990 | - | - | - | |
| 12 | 870 | 880 | 890 | 900 | 1,020 | 1,040 | 1,180 | - | - | |
| 13 | 910 | 920 | 930 | 950 | 1,110 | 1,160 | 1,350 | - | - | |
| 14 | 950 | 960 | 970 | 980 | 1,290 | 1,370 | 1,730 | - | - | |
| 17 | 1,110 | 1,130 | 1,160 | 1,180 | 1,790 | 1,880 | 2,280 | - | - | |
| 19 | 1,250 | 1,270 | 1,290 | 1,310 | 2,100 | 2,210 | 2,870 | - | - | |
| 24 | - | 1,760 | 1,800 | 1,830 | 2,860 | 2,980 | 4,170 | 6,080 | - | |
| 27 | - | 2,120 | 2,160 | 2,210 | 3,510 | 3,690 | 5,220 | 6,850 | - | |
| 30 | - | 2,500 | 2,600 | 2,710 | 4,060 | 4,230 | 5,930 | 7,750 | 10,110 | |
| 32 | - | 2,770 | 2,880 | 2,980 | 4,660 | 4,890 | 6,940 | 9,380 | 12,670 | |
| 型式 | ¥基準単価 | |||||||
| Type | B | 最短L ~50 | L50.5 ~100 | L100.5 ~150 | L150.5 ~200 | L200.5 ~300 | L300.5 ~400 | L400.5 ~500 |
| A2011相当 白アルマイト (×1.0) ALMN 黒アルマイト (×1.1) ABLMN | 6* | 650 | 660 | - | - | - | - | - |
| 7* | 780 | 790 | - | - | - | - | - | |
| 8* | 740 | 750 | 760 | 770 | 790 | 790 | - | |
| 10* | 780 | 790 | 800 | 810 | 1,020 | 1,040 | - | |
| 12* | 850 | 860 | 870 | 880 | 1,230 | 1,250 | 1,600 | |
| 13* | 880 | 890 | 900 | 910 | 1,260 | 1,280 | 1,820 | |
| 14* | 960 | 970 | 980 | 990 | 1,400 | 1,440 | 1,850 | |
| 17* | 1,130 | 1,140 | 1,160 | 1,170 | 1,680 | 1,760 | 2,290 | |
| 19* | 1,240 | 1,270 | 1,290 | 1,310 | 1,950 | 2,060 | 2,680 | |
| 24 | - | 1,610 | 1,630 | 1,650 | 2,540 | 2,650 | 3,520 | |
| 27 | - | 1,800 | 1,830 | 1,860 | 2,890 | 3,010 | 4,020 | |
| 30 | - | 2,230 | 2,270 | 2,310 | 3,710 | 3,890 | 5,260 | |
| 32 | - | 2,920 | 3,020 | 3,130 | 5,160 | 5,330 | 7,390 | |


通常価格、通常出荷日が表示と異なる場合がございます
通常価格、通常出荷日が表示と異なる場合がございます

ミスミ
六角支柱-片端おねじ片端めねじ【全長公差バラつき保証タイプ・標準タイプ】
4.5
ミスミ
六角支柱-両端めねじ【全長公差バラつき保証タイプ・標準タイプ】
4.6
ミスミ
円形支柱-片端おねじ片端めねじ【全長公差バラつき保証タイプ・標準タイプ】
4.5
ミスミ
円形支柱-両端めねじ【全長公差バラつき保証タイプ・標準タイプ】
4.6
ミスミ
六角支柱-並目ねじ径長さ指定片端おねじ片端めねじ-
4.5
ミスミ
【黄銅・SUS・鉄】 金属スペーサー(小径六角支柱) 片端おねじ片端めねじ
4.6通常価格(税別):31円~

ミスミ
円形支柱-片端おねじ-【全長公差バラつき保証タイプ・標準タイプ】
4.5
ミスミ
円形支柱-片端めねじ-【全長公差バラつき保証タイプ・標準タイプ】
4.5
ミスミ
【エコノミーシリーズ】 RoHS対応 六角支柱 片端おねじ・片端めねじタイプ
4.7通常価格(税別):165円~