メカニカル部品技術窓口
ミスミ品のみ対象
耐食性に優れたSUS316とSUS316L材を追加しました。全長公差バラつき保証タイプは【長さ公差±0...
詳細を確認
[ ! ]インロー部根元はR0.2~0.4
| 精度 | Type | [ M ]材質 | [ S ]表面処理 | |
| インロー部固定 | インロー部指定 | |||
| 全長公差バラつき保証タイプ | - | VPLSBMF | SS400相当 | 無電解ニッケルメッキ |
| - | VSLSBMF | SUS304 | − | |
| - | VUSLSBMF | 対面幅B寸=8 SUS316 | − | |
| 対面B寸=>10 SUS316L | ||||
| 標準タイプ | NLSBM | NLSBMF | SS400相当 | − |
| LSBM | LSBMF | 四三酸化鉄皮膜 | ||
| PLSBM | PLSBMF | 無電解ニッケルメッキ | ||
| SLSBM | SLSBMF | SUS304 | ー | |
| ALSBM | ALSBMF | A2011相当 | 白アルマイト | |
| ABLSBM | ABLSBMF | 黒アルマイト | ||
■公差表
| B | B寸公差 |
| 3を超え 6以下 | 0 −0.12 |
| 6を超え 10以下 | 0 −0.15 |
| 10を超え 18以下 | 0 −0.18 |
| 18を超え 30以下 | 0 −0.21 |
| 30を超え 50以下 | 0 −0.25 |
| B | B寸公差 |
| 10以下 | ±0.10 |
| 10を超え 18以下 | ±0.18 |
| 18を超え 30以下 | +0.12 −0.21 |
| 精度 | L寸 | L寸公差 | L寸バラつき |
| 全長公差バラつき保証タイプ | 8≦L≦130 | ±0.05 | ±0.02 |
| 標準タイプ | 8≦L≦300 | ±0.1 | - |
| 300<L≦600 | ±0.3 | ||
| 600<L≦1000 | ±0.4 |
■支柱 おねじ逃げ部寸法(参考値)

M | MC | g |
2 | 1.5 | 0.8 |
2.5 | 2 | |
2.6 | 2.1 | |
3 | 2.4 | 1 |
4 | 3.2 | 1.2 |
5 | 4.1 | 1.5 |
6 | 4.4 | 2 |
8 | 6 | 3 |
10 | 7.7 | |
12 | 9.4 | 4 |
16 | 13 | |
20 | 16.4 | 5 |
24 | 19.6 |
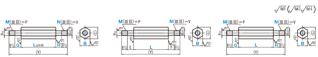
| 型式 | − | L | − | M | − | N | − | G | − | H |
| VPLSBMF10 | − | 100 | − | M5 | − | N5 | − | G4 | − | H2 |
| NLSBM10 | − | 200 | − | M5 | − | N5 | ||||
| NLSBMF10 | − | 200 | − | M5 | − | N5 | − | G4 | − | H2 |
| 種類 | 型式 | 標準対応 | 個別対応 | ||||
| 2〜 | 100〜 | 300〜 | 500〜 | 1000〜 | 3001〜 | ||
| 全長公差バラつき保証タイプ | VSLSBMF8-100-M4-N4-G3-H3 | 2,160 | 1,950 | 1,230 | 1,170 | 1,110 | 1,110 |
| 標準タイプ | SLSBMF8-100-M4-N4-G3-H3-LKC-LVC | 2,750 | 2,750 | 2,750 | 2,750 | 2,750 | 2,750 |
| プライスダウン率 | ▲21% | ▲29% | ▲55% | ▲57% | ▲60% | ▲60% | |
| 型式 | L 指定0.1mm単位 | M(並目)・N(並目)選択 | G 指定1mm単位 | H 指定1mm単位 | (C) | ||||||
| Type | B | ||||||||||
| SS400相当 VPLSBMF SUS304 VSLSBMF SUS316/SUS316L VUSLSBMF | 8 | 20.0〜 130.0 | 3 | 4 | 5 | 2〜 4 | 2〜 4 | 9.2 | |||
| 10 | 25.0〜 130.0 | 3 | 4 | 5 | 6 | 2〜 5 | 2〜 5 | 11.5 | |||
| 12 | 25.0〜 130.0 | 4 | 5 | 6 | 8 | 2〜 6 | 2〜 6 | 13.9 | |||
| 13 | 30.0〜 130.0 | 4 | 5 | 6 | 8 | 2〜 6 | 2〜 6 | 15.0 | |||
| 14 | 30.0〜 130.0 | 5 | 6 | 8 | 10 | 2〜 8 | 2〜 8 | 16.2 | |||
| 17 | 35.0〜 130.0 | 5 | 6 | 8 | 10 | 2〜 8 | 2〜 8 | 19.6 | |||
| 19 | 45.0〜 130.0 | 5 | 6 | 8 | 10 | 2〜10 | 2〜10 | 21.9 | |||
| 型式 | L 指定0.5mm単位 | M(並目)・N(並目)選択 | G 指定1mm単位 [ ! ]インロー部指定のみ | H 指定1mm単位 [ ! ]インロー部指定のみ | E | F | (C) | |||||||||||
| Type | B | |||||||||||||||||
| インロー部固定 SS400相当 NLSBM LSBM PLSBM SUS304 SLSBM A2011相当 ALSBM (B≦19) ABLSBM (B≦19,Y≦500) | インロー部指定 SS400相当 NLSBMF LSBMF PLSBMF SUS304 SLSBMF A2011相当 ALSBMF (B≦19) ABLSBMF (B≦19,Y≦500) | 8 | 20.0〜 250.0 | 3 | 4 | 5 | 6 | 2〜 4 | 2〜 4 | 4 | 4 | 9.2 | ||||||
| 10 | 20.0〜 350.0 | 3 | 4 | 5 | 6 | 8 | 2〜 5 | 2〜 5 | 5 | 5 | 11.5 | |||||||
| 12 | 25.0〜 500.0(484.0) | 4 | 5 | 6 | 8 | 10 | 2〜 6 | 2〜 6 | 6 | 6 | 13.9 | |||||||
| 13 | 25.0〜 500.0(484.0) | 4 | 5 | 6 | 8 | 10 | 2〜 6 | 2〜 6 | 6 | 6 | 15.0 | |||||||
| 14 | 30.0〜 600.0(481.0) | 5 | 6 | 8 | 10 | 12 | 2〜 8 | 2〜 8 | 8 | 8 | 16.2 | |||||||
| 17 | 30.0〜 600.0(481.0) | 5 | 6 | 8 | 10 | 12 | 2〜 8 | 2〜 8 | 8 | 8 | 19.6 | |||||||
| 19 | 45.0〜 600.0(481.0) | 5 | 6 | 8 | 10 | 12 | 16 | 2〜10 | 2〜10 | 10 | 10 | 21.9 | ||||||
| 24 | 55.0〜 700.0 | 5 | 6 | 8 | 10 | 12 | 16 | 20 | 2〜12 | 2〜12 | 12 | 12 | 27.7 | |||||
| 27 | 55.0〜 800.0 | 5 | 6 | 8 | 10 | 12 | 16 | 20 | 24 | 2〜16 | 2〜16 | 16 | 16 | 31.2 | ||||
| 30 | 65.0〜1000.0 | 5 | 6 | 8 | 10 | 12 | 16 | 20 | 24 | 2〜16 | 2〜16 | 16 | 16 | 34.6 | ||||
| 32 | 65.0〜1000.0 | 5 | 6 | 8 | 10 | 12 | 16 | 20 | 24 | 2〜20 | 2〜20 | 20 | 20 | 36.9 | ||||
| 型式 | − | L | − | M | − | N | − | G | − | H | − | (LKC・SC・MLC…etc.) |
| NLSBMF10 | − | 200.1 | − | M5 | − | N5 | − | G2 | − | H2 | − | LKC − MLC7 |
| Alterations | L寸公差変更 | 全長(L寸)精度変更 | おねじ部有効長変更 | インロー長さ変更 | ||||||||
![]() | ![]() | ![]() | ![]() | |||||||||
| Code | LKC | LVC | MLC NLC | GLC HLC | ||||||||
| Spec. | L寸法公差は以下のようになります。 指定方法 LKC LKC使用時、L寸単位0.1mm指定可
[ NG ]全長公差バラつき保証タイプは標準でL寸公差±0.05㎜以内のため適用不可 | 複数注文時、各L寸法のバラつきを ±0.02mm以内に致します。 指定方法 LVC [ ! ]1明細行のご注文数量に上限があります。 [ NG ]L≧200、L寸固定、黒アルマイトは適用不可 [ NG ]全長公差バラつき保証タイプは標準でL寸バラつき±0.02㎜以内のため適用不可 | ねじ部長さを変更します。 [ ! ]MLC=指定0.1mm単位 指定方法 MLC10 M×1≦MLC<M×1.5 N×1≦NLC<N×1.5 | インロー部長さを指定できます。 指定0.5mm単位 指定方法 GLC15 HLC15 [ ! ]2.5≦GLC<Gmax×2.5 2.5≦HLC<Hmax×2.5 [ NG ]インロー固定は指定不可 | ||||||||
| ¥/1Code | 400 | 50 | 200 | 200 |
| 材質 / 表面処理 | 対面幅B | 追加工LVC 1明細行あたり上限数量 |
| 一般構造用鋼 / 処理なし 一般構造用鋼 / 四三酸化鉄被膜 一般構造用鋼 / 無電解ニッケルメッキ SUS304 | 6~19 | 100本/明細行 |
| 5、24~32 | 20本/明細行 | |
| 一般構造用鋼 / 三価クロメート(黒色) A2011相当 / 白アルマイト | 5~32 |
| 型番 |
|---|
通常単価(税別)
(税込単価) | 通常出荷日 |
|---|
- ( - ) | 16日目 |
- ( - ) | 16日目 |
- ( - ) | 16日目 |
- ( - ) | 16日目 |
- ( - ) | 16日目 |
- ( - ) | 16日目 |
- ( - ) | 16日目 |
- ( - ) | 16日目 |
- ( - ) | 16日目 |
- ( - ) | 16日目 |
- ( - ) | 16日目 |
- ( - ) | 16日目 |
- ( - ) | 16日目 |
- ( - ) | 16日目 |
- ( - ) | 16日目 |
- ( - ) | 16日目 |
- ( - ) | 16日目 |
- ( - ) | 16日目 |
- ( - ) | 16日目 |
- ( - ) | 16日目 |
- ( - ) | 16日目 |
- ( - ) | 16日目 |
- ( - ) | 16日目 |
- ( - ) | 16日目 |
- ( - ) | 16日目 |
- ( - ) | 16日目 |
- ( - ) | 16日目 |
- ( - ) | 16日目 |
- ( - ) | 16日目 |
- ( - ) | 16日目 |
- ( - ) | 16日目 |
- ( - ) | 16日目 |
- ( - ) | 16日目 |
- ( - ) | 16日目 |
- ( - ) | 16日目 |
- ( - ) | 16日目 |
- ( - ) | 16日目 |
- ( - ) | 16日目 |
- ( - ) | 16日目 |
- ( - ) | 16日目 |
- ( - ) | 16日目 |
- ( - ) | 16日目 |
- ( - ) | 16日目 |
- ( - ) | 16日目 |
- ( - ) | 16日目 |
- ( - ) | 16日目 |
- ( - ) | 16日目 |
- ( - ) | 16日目 |
- ( - ) | 16日目 |
- ( - ) | 16日目 |
- ( - ) | 16日目 |
- ( - ) | 16日目 |
- ( - ) | 16日目 |
- ( - ) | 16日目 |
- ( - ) | 16日目 |
- ( - ) | 16日目 |
- ( - ) | 16日目 |
- ( - ) | 16日目 |
- ( - ) | 16日目 |
- ( - ) | 16日目 |
耐食性に優れたSUS316とSUS316L材を追加しました。
全長公差バラつき保証タイプは【長さ公差±0.05mm】と【長さバラつき±0.02mm】を標準で保証した規格となります。
既存追加工のLVC+LKCをご希望の場合は、全長公差バラつき保証タイプで安価にご購入いただけます。
| Type | B | ¥基準単価 | ||||||||
| SS400相当 無電解ニッケルメッキ VPLSBMF | SUS304 VSLSBMF | SUS316/SUS316L VUSLSBMF | ||||||||
| 最短L 〜50 | L50.1 ~100 | L100.1 ~130 | 最短L 〜50 | L50.1 ~100 | L100.1 ~130 | 最短L 〜50 | L50.1 ~100 | L100.1 ~130 | ||
| VPLSBMF VSLSBMF VUSLSBMF | 8 | 2,000 | 2,050 | 2,100 | 2,070 | 2,160 | 2,220 | 3,110 | 3,240 | 3,330 |
| 10 | 2,080 | 2,140 | 2,170 | 2,190 | 2,270 | 2,360 | 3,290 | 3,410 | 3,540 | |
| 12 | 2,160 | 2,200 | 2,240 | 2,240 | 2,340 | 2,420 | 3,360 | 3,510 | 3,630 | |
| 13 | 2,220 | 2,260 | 2,300 | 2,340 | 2,430 | 2,510 | 3,510 | 3,650 | 3,770 | |
| 14 | 2,300 | 2,420 | 2,520 | 2,490 | 2,680 | 2,860 | 3,740 | 4,020 | 4,290 | |
| 17 | 2,390 | 2,570 | 2,730 | 2,690 | 2,960 | 3,230 | 4,040 | 4,440 | 4,850 | |
| 19 | 2,620 | 2,620 | 3,040 | 3,010 | 3,010 | 3,630 | 4,520 | 4,520 | 5,450 | |
| 型式 | ¥基準単価 | |||||||||
| Type | B | 最短L ~50 | L50.5 ~100 | L100.5 ~150 | L150.5 ~200 | L200.5 ~300 | L300.5 ~400 | L400.5 ~600 | L600.5 ~800 | L800.5 ~1000 |
| SS400相当 NLSBM NLSBMF *インロー部指定は右記価格表に+420円 | 8 | 1,220 | 1,260 | 1,290 | 1,330 | 1,370 | - | - | - | - |
| 10 | 1,300 | 1,330 | 1,370 | 1,400 | 1,420 | 1,480 | - | - | - | |
| 12 | 1,320 | 1,370 | 1,400 | 1,440 | 1,470 | 1,550 | 1,630 | - | - | |
| 13 | 1,400 | 1,430 | 1,460 | 1,490 | 1,510 | 1,580 | 1,630 | - | - | |
| 14 | 1,450 | 1,510 | 1,560 | 1,630 | 1,680 | 1,790 | 1,890 | - | - | |
| 17 | 1,510 | 1,600 | 1,680 | 1,760 | 1,840 | 2,050 | 2,260 | - | - | |
| 19 | 1,690 | 1,770 | 1,860 | 1,940 | 2,030 | 2,260 | 2,480 | - | - | |
| 24 | - | 1,890 | 1,980 | 2,080 | 2,170 | 2,440 | 2,690 | 3,320 | - | |
| 27 | - | 2,040 | 2,180 | 2,340 | 2,490 | 2,870 | 3,230 | 4,010 | - | |
| 30 | - | 2,300 | 2,510 | 2,720 | 2,930 | 3,310 | 3,690 | 4,590 | 5,710 | |
| 32 | - | 2,600 | 2,850 | 3,100 | 3,340 | 3,790 | 4,230 | 5,260 | 6,530 | |
| SS400相当 四三酸化鉄皮膜 LSBM LSBMF *インロー部指定は右記価格表に+420円 | 8 | 1,310 | 1,350 | 1,400 | 1,440 | 1,480 | - | - | - | - |
| 10 | 1,410 | 1,440 | 1,470 | 1,500 | 1,530 | 1,600 | - | - | - | |
| 12 | 1,440 | 1,480 | 1,510 | 1,550 | 1,590 | 1,670 | 1,740 | - | - | |
| 13 | 1,510 | 1,540 | 1,580 | 1,610 | 1,640 | 1,710 | 1,770 | - | - | |
| 14 | 1,560 | 1,630 | 1,690 | 1,750 | 1,820 | 1,930 | 2,050 | - | - | |
| 17 | 1,640 | 1,730 | 1,820 | 1,910 | 2,000 | 2,230 | 2,450 | - | - | |
| 19 | 1,830 | 1,920 | 2,020 | 2,110 | 2,190 | 2,450 | 2,690 | - | - | |
| 24 | - | 2,100 | 2,250 | 2,390 | 2,540 | 2,900 | 3,260 | 4,170 | - | |
| 27 | - | 2,280 | 2,510 | 2,740 | 2,970 | 3,440 | 3,910 | 4,790 | - | |
| 30 | - | 2,560 | 2,860 | 3,150 | 3,440 | 3,980 | 4,500 | 5,580 | 6,900 | |
| 32 | - | 2,890 | 3,220 | 3,560 | 3,900 | 4,500 | 5,100 | 6,310 | 7,800 | |
| SS400相当 無電解ニッケルメッキ PLSBM PLSBMF *インロー部指定は右記価格表に+420円 | 8 | 1,480 | 1,530 | 1,580 | 1,620 | 1,660 | - | - | - | - |
| 10 | 1,560 | 1,610 | 1,640 | 1,680 | 1,710 | 1,770 | - | - | - | |
| 12 | 1,630 | 1,670 | 1,710 | 1,750 | 1,790 | 1,870 | 1,950 | - | - | |
| 13 | 1,690 | 1,730 | 1,770 | 1,820 | 1,850 | 1,930 | 2,020 | - | - | |
| 14 | 1,770 | 1,880 | 1,980 | 2,090 | 2,180 | 2,380 | 2,570 | - | - | |
| 17 | 1,850 | 2,020 | 2,180 | 2,350 | 2,520 | 2,890 | 3,260 | - | - | |
| 19 | 2,070 | 2,270 | 2,470 | 2,670 | 2,860 | 3,270 | 3,680 | - | - | |
| 24 | - | 2,720 | 2,960 | 3,200 | 3,440 | 3,990 | 4,530 | 5,940 | - | |
| 27 | - | 3,070 | 3,400 | 3,740 | 4,070 | 4,770 | 5,460 | 6,810 | - | |
| 30 | - | 3,530 | 3,940 | 4,350 | 4,760 | 5,590 | 6,420 | 8,070 | 10,150 | |
| 32 | - | 4,000 | 4,470 | 4,960 | 5,430 | 6,350 | 7,270 | 9,150 | 11,510 | |
| SUS304 SLSBM SLSBMF *インロー部指定は右記価格表に+420円 | 8 | 1,550 | 1,630 | 1,690 | 1,750 | 1,820 | - | - | - | - |
| 10 | 1,660 | 1,740 | 1,820 | 1,900 | 1,970 | 2,040 | - | - | - | |
| 12 | 1,710 | 1,800 | 1,880 | 1,960 | 2,050 | 2,250 | 2,450 | - | - | |
| 13 | 1,800 | 1,890 | 1,970 | 2,060 | 2,140 | 2,350 | 2,550 | - | - | |
| 14 | 1,950 | 2,130 | 2,300 | 2,480 | 2,650 | 2,940 | 3,230 | - | - | |
| 17 | 2,140 | 2,390 | 2,650 | 2,900 | 3,150 | 3,650 | 4,150 | - | - | |
| 19 | 2,440 | 2,740 | 3,030 | 3,340 | 3,630 | 4,220 | 4,800 | - | - | |
| 24 | - | 3,540 | 3,940 | 4,350 | 4,750 | 5,740 | 6,730 | 9,540 | - | |
| 27 | - | 4,360 | 4,860 | 5,370 | 5,860 | 7,200 | 8,550 | 10,920 | - | |
| 30 | - | 4,910 | 5,500 | 6,090 | 6,670 | 8,240 | 9,810 | 12,870 | 16,890 | |
| 32 | - | 5,470 | 6,120 | 6,780 | 7,430 | 9,160 | 10,880 | 14,520 | 19,380 | |
| A2011相当 白アルマイト (×1.0) ALSBM ALSBMF 黒アルマイト (×1.1) ABLSBM ABLSBMF *インロー部指定は右記価格表に+420円 | 8 | 1,770 | 1,830 | 1,880 | 1,920 | 1,900 | - | - | - | - |
| 10 | 1,830 | 1,870 | 1,900 | 1,940 | 2,320 | 2,390 | - | - | - | |
| 12 | 1,950 | 2,000 | 2,040 | 2,090 | 2,680 | 2,770 | 3,380 | - | - | |
| 13 | 2,010 | 2,060 | 2,100 | 2,140 | 2,780 | 2,810 | 3,830 | - | - | |
| 14 | 2,220 | 2,340 | 2,470 | 2,580 | 3,030 | 3,190 | 3,520 | - | - | |
| 17 | 2,500 | 2,690 | 2,870 | 3,050 | 3,190 | 3,560 | 4,140 | - | - | |
| 19 | 2,760 | 3,010 | 3,260 | 3,510 | 3,600 | 4,040 | 4,620 | - | - | |




通常価格、通常出荷日が表示と異なる場合がございます
通常価格、通常出荷日が表示と異なる場合がございます

ミスミ
六角支柱-片端おねじ片端めねじ【全長公差バラつき保証タイプ・標準タイプ】
4.5
ミスミ
六角支柱-両端めねじ【全長公差バラつき保証タイプ・標準タイプ】
4.6
ミスミ
円形支柱-両端めねじ【全長公差バラつき保証タイプ・標準タイプ】
4.6
ミスミ
円形支柱-片端おねじ片端めねじ【全長公差バラつき保証タイプ・標準タイプ】
4.5
ミスミ
六角支柱-並目ねじ径長さ指定片端おねじ片端めねじ-
4.5
ミスミ
【黄銅・SUS・鉄】 金属スペーサー(小径六角支柱) 片端おねじ片端めねじ
4.6通常価格(税別):31円~

ミスミ
円形支柱-片端おねじ-【全長公差バラつき保証タイプ・標準タイプ】
4.5
ミスミ
【エコノミーシリーズ】 RoHS対応 六角支柱 片端おねじ・片端めねじタイプ
4.7通常価格(税別):165円~

ミスミ
円形支柱-片端めねじ-【全長公差バラつき保証タイプ・標準タイプ】
4.5