メカニカル部品技術窓口
ミスミ品のみ対象
耐食性に優れたSUS316L材を追加しました。全長公差バラつき保証タイプは【長さ公差±0.05mm】と...
詳細を確認
[ ! ]インロー部根元はR0.2~0.4
| 精度 | Type | [ M ]材質 | [ S ]表面処理 | |
| インロー部固定 | インロー部指定 | |||
| 全長公差バラつき保証タイプ | − | VPLSBJF | SS400相当 | 無電解ニッケルメッキ |
| − | VSLSBJF | SUS304 | − | |
| − | VUSLSBJF | 対面幅B寸=8 SUS316 | − | |
| 対面B寸=>10 SUS316L | ||||
| 標準タイプ | NLSBJ | NLSBJF | SS400相当 | − |
| LSBJ | LSBJF | 四三酸化鉄皮膜 | ||
| PLSBJ | PLSBJF | 無電解ニッケルメッキ | ||
| SLSBJ | SLSBJF | SUS304 | ー | |
| ALSBJ | ALSBJF | A2011相当 | 白アルマイト | |
| ABLSBJ | ABLSBJF | 黒アルマイト | ||
■公差表
B | B寸公差 |
| 3を超え 6以下 | 0 |
| -0.12 | |
| 6を超え 10以下 | 0 |
| -0.15 | |
| 10を超え 18以下 | 0 |
| -0.18 | |
| 18を超え 30以下 | 0 |
| -0.21 | |
| 30を超え 50以下 | 0 |
| -0.25 |
| B | B寸公差 |
| 10以下 | ±0.10 |
| 10を超え 18以下 | ±0.18 |
| 18を超え 30以下 | +0.12 -0.21 |
| 精度 | L寸 | L寸公差 | L寸バラつき |
| 全長公差バラつき保証タイプ | 8≦L≦130 | ±0.05 | ±0.02 |
| 標準タイプ | 8≦L≦300 | ±0.1 | - |
| 300<L≦600 | ±0.3 | ||
| 600<L≦1000 | ±0.4 |
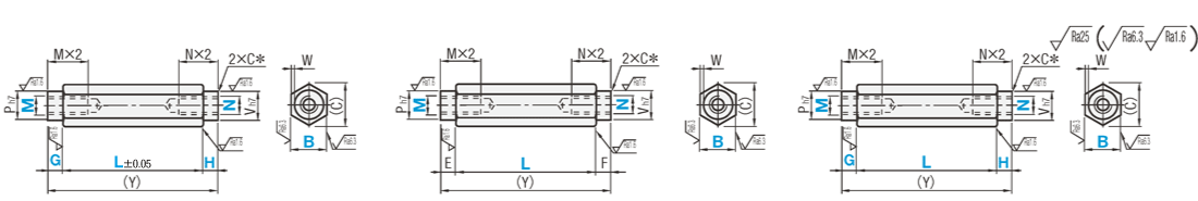
| 型式 | − | L | − | M | − | N | − | G | − | H |
| VPLSBJF10 | − | 100 | − | M5 | − | N5 | − | G4 | − | H2 |
| NLSBJ10 | − | 200 | − | M5 | − | N5 | ||||
| NLSBJF10 | − | 200 | − | M5 | − | N5 | − | G4 | − | H2 |
| 種類 | 型式 | 標準対応 | 個別対応 | ||||
| 2〜 | 100〜 | 300〜 | 500〜 | 1000〜 | 3001〜 | ||
| 全長公差バラつき保証タイプ | VSLSBJF8-100-M4-N4-G3-H3 | 1,800 | 1,630 | 1,030 | 980 | 930 | 930 |
| 標準タイプ | SLSBJF8-100-M4-N4-G3-H3-LKC-LVC | 2,410 | 2,410 | 2,410 | 2,410 | 2,410 | 2,410 |
| プライスダウン率 | ▲25% | ▲32% | ▲57% | ▲59% | ▲61% | ▲61% | |
| 型式 | L 指定0.1mm単位 | M(並目)・N(並目)選択 | G 指定1mm単位 | H 指定1mm単位 | P | V | W | (C) | ||||||
| Type | B | |||||||||||||
| SS400相当 VPLSBJF SUS304 VSLSBJF SUS316/SUS316L VUSLSBJF | 8 | 20.0〜 130.0 | 3 | 4 | 2〜 4 | 2〜 4 | 6 | 6 | 1.0 | 9.2 | ||||
| 10 | 25.0〜 130.0 | 3 | 4 | 5 | 2〜 5 | 2〜 5 | 8 | 8 | 1.0 | 11.5 | ||||
| 12 | 25.0〜 130.0 | 4 | 5 | 6 | 2〜 6 | 2〜 6 | 10 | 10 | 1.0 | 13.9 | ||||
| 13 | 30.0〜 130.0 | 4 | 5 | 6 | 2〜 6 | 2〜 6 | 10 | 10 | 1.5 | 15.0 | ||||
| 14 | 30.0〜 130.0 | 5 | 6 | 8 | 2〜 8 | 2〜 8 | 12 | 12 | 1.0 | 16.2 | ||||
| 17 | 35.0〜 130.0 | 5 | 6 | 8 | 2〜 8 | 2〜 8 | 12 | 12 | 2.5 | 19.6 | ||||
| 19 | 45.0〜 130.0 | 5 | 6 | 8 | 10 | 2〜10 | 2〜10 | 16 | 16 | 1.5 | 21.9 | |||
| 型式 | L 指定0.5mm単位 | M(並目)・N(並目)選択 | G 指定1mm単位 [ ! ]インロー部指定のみ | H 指定1mm単位 [ ! ]インロー部指定のみ | E | F | P | V | W | (C) | ||||||||||
| Type | B | |||||||||||||||||||
| インロー部固定 SS400相当 NLSBJ LSBJ PLSBJ SUS304 SLSBJ A2011相当 ALSBJ ABLSBJ (B≦19,Y≦500) | インロー部指定 SS400相当 NLSBJF LSBJF PLSBJF SUS304 SLSBJF A2011相当 ALSBJF ABLSBJF (B≦19,Y≦500) | 8 | 15.0〜 250.0 | 3 | 4 | 2〜 4 | 2〜 4 | 4 | 4 | 6 | 6 | 1 | 9.2 | |||||||
| 10 | 15.0〜 350.0 | 3 | 4 | 5 | 2〜 5 | 2〜 5 | 5 | 5 | 8 | 8 | 1 | 11.5 | ||||||||
| 12 | 20.0〜 500.0(496) | 4 | 5 | 6 | 2〜 6 | 2〜 6 | 6 | 6 | 10 | 10 | 1 | 13.9 | ||||||||
| 13 | 20.0〜 500.0(496) | 4 | 5 | 6 | 2〜 6 | 2〜 6 | 6 | 6 | 10 | 10 | 1.5 | 15 | ||||||||
| 14 | 25.0〜 600.0(496) | 5 | 6 | 8 | 2〜 8 | 2〜 8 | 8 | 8 | 12 | 12 | 1 | 16.2 | ||||||||
| 17 | 25.0〜 600.0(496) | 5 | 6 | 8 | 2〜 8 | 2〜 8 | 8 | 8 | 12 | 12 | 2.5 | 19.6 | ||||||||
| 19 | 40.0〜 600.0(496) | 5 | 6 | 8 | 10 | 12 | 2〜10 | 2〜10 | 10 | 10 | 16 | 16 | 1.5 | 21.9 | ||||||
| 24 | 50.0〜 700.0 | 5 | 6 | 8 | 10 | 12 | 16 | 2〜12 | 2〜12 | 12 | 12 | 20 | 20 | 2 | 27.7 | |||||
| 27 | 50.0〜 800.0 | 5 | 6 | 8 | 10 | 12 | 16 | 2〜16 | 2〜16 | 16 | 16 | 24 | 24 | 1.5 | 31.2 | |||||
| 27W | 20 | 20 | 3.5 | |||||||||||||||||
| 30 | 60.0〜1000.0 | 5 | 6 | 8 | 10 | 12 | 16 | 20 | 2〜16 | 2〜16 | 16 | 16 | 28 | 28 | 1 | 34.6 | ||||
| 30W | 24 | 24 | 3 | |||||||||||||||||
| 32 | 60.0〜1000.0 | 5 | 6 | 8 | 10 | 12 | 16 | 20 | 2〜20 | 2〜20 | 20 | 20 | 30 | 30 | 1 | 36.9 | ||||
| 32W | 24 | 24 | 4 | |||||||||||||||||
| 型式 | − | L | − | M | − | N | − | G | − | H | − | (LKC・NPC・NVC…etc.) |
| NLSBJF10 | − | 200 | − | M5 | − | N5 | − | G2 | − | H2 | − | LKC − PKH7 − VKH7 |
| Alterations | L寸公差変更 | 全長(L寸)精度変更 | めねじ部有効長変更 | V部インローカット | P部インローカット | インロー部径指定 | インロー長さ変更 | |||||||||||||||||||||||||||||||||
![]() | ![]() | ![]() | ![]() | ![]() | ![]() | ![]() | ||||||||||||||||||||||||||||||||||
| Code | LKC | LVC | MD・ND | NVC | NPC | PKH VKH | GLC HLC | |||||||||||||||||||||||||||||||||
| Spec. | L寸法公差は以下のように なります。 指定方法 LKC LKC使用時、L寸単位0.1mm指定可
[ NG ]全長公差バラつき保証タイプは標準でL寸公差±0.05㎜以内のため適用不可 | 複数注文時、各L寸法の バラつきを±0.02mm以内 に致します。 指定方法 LVC [ ! ]1明細行のご注文数量に上限があります。 [ NG ]L≧200、L寸固定、黒アルマイトは適用不可 [ NG ]全長公差バラつき保証タイプは標準でL寸バラつき±0.02㎜以内のため適用不可 | めねじ部の有効長をM(N)×3 に変更します。 指定方法 MD6/ND6 (MをMD・NをNDに変更) [ ! ]MD×3+ND×3≦L+E(G)+F(H) | Nねじ側のVインロー部の 加工を行いません。 指定方法 NVC [ ! ]インロー部指定寸法はH2で指定してください。 | Mねじ側のPインロー部の 加工を行いません。 指定方法 NPC [ ! ]インロー部指定寸法はG2で指定してください。 | インロー部径を指定できます。 指定1mm単位 指定方法 PHK8 VKH15
| インロー部長さを指定で きます。 指定0.5mm単位 指定方法 GLC15 HLC15 [ ! ]2.5≦GLC<Gmax×2.5 2.5≦HLC<Hmax×2.5 [ NG ]インロー固定は 指定不可 | |||||||||||||||||||||||||||||||||
| ¥/1Code | 400 | 50 | 200 | -300 | -300 | 200 | 200 |
| 材質 / 表面処理 | 対面幅B | 追加工LVC 1明細行あたり上限数量 |
| 一般構造用鋼 / 処理なし 一般構造用鋼 / 四三酸化鉄被膜 一般構造用鋼 / 無電解ニッケルメッキ SUS304 | 6~19 | 100本/明細行 |
| 5、24~32 | 20本/明細行 | |
| 一般構造用鋼 / 三価クロメート(黒色) A2011相当 / 白アルマイト | 5~32 |
| 型番 |
|---|
通常単価(税別)
(税込単価) | 通常出荷日 |
|---|
- ( - ) | 5日目 |
- ( - ) | 5日目 |
- ( - ) | 5日目 |
- ( - ) | 5日目 |
- ( - ) | 5日目 |
- ( - ) | 5日目 |
- ( - ) | 5日目 |
- ( - ) | 5日目 |
- ( - ) | 5日目 |
- ( - ) | 5日目 |
- ( - ) | 5日目 |
- ( - ) | 5日目 |
- ( - ) | 5日目 |
- ( - ) | 5日目 |
- ( - ) | 5日目 |
- ( - ) | 5日目 |
- ( - ) | 5日目 |
- ( - ) | 5日目 |
- ( - ) | 5日目 |
- ( - ) | 5日目 |
- ( - ) | 5日目 |
- ( - ) | 5日目 |
- ( - ) | 5日目 |
- ( - ) | 5日目 |
- ( - ) | 5日目 |
- ( - ) | 5日目 |
- ( - ) | 5日目 |
- ( - ) | 5日目 |
- ( - ) | 5日目 |
- ( - ) | 5日目 |
- ( - ) | 5日目 |
- ( - ) | 5日目 |
- ( - ) | 5日目 |
- ( - ) | 5日目 |
- ( - ) | 5日目 |
- ( - ) | 5日目 |
- ( - ) | 5日目 |
- ( - ) | 5日目 |
- ( - ) | 5日目 |
- ( - ) | 5日目 |
- ( - ) | 5日目 |
- ( - ) | 5日目 |
- ( - ) | 5日目 |
- ( - ) | 5日目 |
- ( - ) | 5日目 |
- ( - ) | 5日目 |
- ( - ) | 5日目 |
- ( - ) | 5日目 |
- ( - ) | 5日目 |
- ( - ) | 5日目 |
- ( - ) | 5日目 |
- ( - ) | 5日目 |
- ( - ) | 5日目 |
- ( - ) | 5日目 |
- ( - ) | 5日目 |
- ( - ) | 5日目 |
- ( - ) | 5日目 |
- ( - ) | 5日目 |
- ( - ) | 5日目 |
- ( - ) | 5日目 |
耐食性に優れたSUS316L材を追加しました。
全長公差バラつき保証タイプは【長さ公差±0.05mm】と【長さバラつき±0.02mm】を標準で保証した規格となります。
既存追加工のLVC+LKCをご希望の場合は、全長公差バラつき保証タイプで安価にご購入いただけます。
| Type | B | ¥基準単価 | ||||||||
| SS400相当 無電解ニッケルメッキ VPLSBJF | SUS304 VSLSBJF | SUS316/SUS316L VUSLSBJF | ||||||||
| 最短L 〜50 | L50.1 ~100 | L100.1 ~130 | 最短L 〜50 | L50.1 ~100 | L100.1 ~130 | 最短L 〜50 | L50.1 ~100 | L100.1 ~130 | ||
| VPLSBJF VSLSBJF VUSLSBJF | 8 | 1,680 | 1,730 | 1,760 | 1,750 | 1,800 | 1,850 | 2,630 | 2,700 | 2,780 |
| 10 | 1,760 | 1,790 | 1,820 | 1,830 | 1,910 | 1,970 | 2,750 | 2,870 | 2,960 | |
| 12 | 1,810 | 1,840 | 1,880 | 1,880 | 1,960 | 2,020 | 2,820 | 2,940 | 3,030 | |
| 13 | 1,860 | 1,910 | 1,940 | 1,960 | 2,030 | 2,100 | 2,940 | 3,050 | 3,150 | |
| 14 | 1,940 | 2,030 | 2,130 | 2,070 | 2,230 | 2,390 | 3,110 | 3,350 | 3,590 | |
| 17 | 2,000 | 2,160 | 2,300 | 2,240 | 2,470 | 2,690 | 3,360 | 3,710 | 4,040 | |
| 19 | 2,180 | 2,180 | 2,560 | 2,480 | 2,480 | 3,030 | 3,720 | 3,720 | 4,550 | |
| 型式 | ¥基準単価 | |||||||||
| Type | B | 最短L ~50 | L50.5 ~100 | L100.5 ~150 | L150.5 ~200 | L200.5 ~300 | L300.5 ~400 | L400.5 ~600 | L600.5 ~800 | L800.5 ~1000 |
| SS400相当 NLSBJ NLSBJF *インロー部 指定は右記 価格表に +420円 | 8 | 970 | 1,000 | 1,030 | 1,060 | 1,090 | - | - | - | - |
| 10 | 1,040 | 1,070 | 1,090 | 1,110 | 1,130 | 1,200 | - | - | - | |
| 12 | 1,060 | 1,090 | 1,120 | 1,160 | 1,180 | 1,240 | 1,300 | - | - | |
| 13 | 1,110 | 1,140 | 1,170 | 1,200 | 1,220 | 1,270 | 1,320 | - | - | |
| 14 | 1,160 | 1,210 | 1,250 | 1,290 | 1,330 | 1,430 | 1,510 | - | - | |
| 17 | 1,220 | 1,280 | 1,340 | 1,410 | 1,470 | 1,640 | 1,800 | - | - | |
| 19 | 1,340 | 1,420 | 1,480 | 1,550 | 1,620 | 1,810 | 1,980 | - | - | |
| 24 | 1,430 | 1,510 | 1,590 | 1,660 | 1,730 | 1,940 | 2,150 | 2,670 | - | |
| 27 | 1,500 | 1,630 | 1,740 | 1,870 | 1,980 | 2,300 | 2,600 | 3,260 | - | |
| 27W | 1,500 | 1,630 | 1,740 | 1,870 | 1,980 | 2,300 | 2,600 | 3,260 | - | |
| 30 | - | 1,850 | 2,020 | 2,190 | 2,360 | 2,680 | 2,980 | 3,730 | 4,650 | |
| 30W | - | 1,850 | 2,020 | 2,190 | 2,360 | 2,680 | 2,980 | 3,730 | 4,650 | |
| 32 | - | 2,090 | 2,290 | 2,490 | 2,690 | 3,060 | 3,410 | 4,280 | 5,380 | |
| 32W | - | 2,090 | 2,290 | 2,490 | 2,690 | 3,060 | 3,410 | 4,280 | 5,380 | |
| SS400相当 四三酸化鉄皮膜 LSBJ LSBJF *インロー部 指定は右記 価格表に +420円 | 8 | 1,040 | 1,080 | 1,110 | 1,140 | 1,180 | - | - | - | - |
| 10 | 1,110 | 1,140 | 1,170 | 1,200 | 1,220 | 1,280 | - | - | - | |
| 12 | 1,140 | 1,180 | 1,210 | 1,240 | 1,270 | 1,340 | 1,410 | - | - | |
| 13 | 1,200 | 1,230 | 1,260 | 1,290 | 1,310 | 1,380 | 1,440 | - | - | |
| 14 | 1,250 | 1,300 | 1,350 | 1,410 | 1,450 | 1,540 | 1,630 | - | - | |
| 17 | 1,310 | 1,390 | 1,450 | 1,520 | 1,590 | 1,770 | 1,950 | - | - | |
| 19 | 1,460 | 1,530 | 1,610 | 1,680 | 1,750 | 1,950 | 2,140 | - | - | |
| 24 | 1,540 | 1,680 | 1,810 | 1,940 | 2,070 | 2,370 | 2,670 | 3,430 | - | |
| 27 | 1,620 | 1,830 | 2,030 | 2,230 | 2,430 | 2,820 | 3,210 | 3,960 | - | |
| 27W | 1,620 | 1,830 | 2,030 | 2,230 | 2,430 | 2,820 | 3,210 | 3,960 | - | |
| 30 | - | 2,070 | 2,320 | 2,570 | 2,820 | 3,290 | 3,740 | 4,640 | 5,750 | |
| 30W | - | 2,070 | 2,320 | 2,570 | 2,820 | 3,290 | 3,740 | 4,640 | 5,750 | |
| 32 | - | 2,330 | 2,610 | 2,910 | 3,190 | 3,710 | 4,220 | 5,250 | 6,520 | |
| 32W | - | 2,330 | 2,610 | 2,910 | 3,190 | 3,710 | 4,220 | 5,250 | 6,520 | |
| SS400相当 無電解ニッケルメッキ PLSBJ PLSBJF *インロー部 指定は右記 価格表に +420円 | 8 | 1,180 | 1,220 | 1,250 | 1,290 | 1,320 | - | - | - | - |
| 10 | 1,250 | 1,280 | 1,310 | 1,340 | 1,370 | 1,430 | - | - | - | |
| 12 | 1,300 | 1,330 | 1,370 | 1,400 | 1,430 | 1,500 | 1,560 | - | - | |
| 13 | 1,350 | 1,390 | 1,420 | 1,450 | 1,480 | 1,550 | 1,620 | - | - | |
| 14 | 1,420 | 1,510 | 1,600 | 1,680 | 1,760 | 1,940 | 2,110 | - | - | |
| 17 | 1,480 | 1,630 | 1,770 | 1,920 | 2,070 | 2,380 | 2,690 | - | - | |
| 19 | 1,650 | 1,830 | 2,010 | 2,180 | 2,350 | 2,710 | 3,060 | - | - | |
| 24 | 2,030 | 2,250 | 2,470 | 2,690 | 2,900 | 3,380 | 3,850 | 5,120 | - | |
| 27 | 2,260 | 2,560 | 2,870 | 3,170 | 3,470 | 4,070 | 4,670 | 5,880 | - | |
| 27W | 2,260 | 2,560 | 2,870 | 3,170 | 3,470 | 4,070 | 4,670 | 5,880 | - | |
| 30 | - | 2,960 | 3,330 | 3,700 | 4,050 | 4,800 | 5,530 | 7,000 | 8,860 | |
| 30W | - | 2,960 | 3,330 | 3,700 | 4,050 | 4,800 | 5,530 | 7,000 | 8,860 | |
| 32 | - | 3,360 | 3,780 | 4,200 | 4,620 | 5,440 | 6,260 | 7,930 | 10,040 | |
| 32W | - | 3,360 | 3,780 | 4,200 | 4,620 | 5,440 | 6,260 | 7,930 | 10,040 | |
| SUS304 SLSBJ SLSBJF *インロー部 指定は右記 価格表に +420円 | 8 | 1,240 | 1,290 | 1,340 | 1,400 | 1,450 | - | - | - | - |
| 10 | 1,320 | 1,390 | 1,450 | 1,510 | 1,560 | 1,630 | - | - | - | |
| 12 | 1,370 | 1,440 | 1,500 | 1,580 | 1,640 | 1,810 | 1,960 | - | - | |
| 13 | 1,440 | 1,510 | 1,580 | 1,650 | 1,710 | 1,870 | 2,030 | - | - | |
| 14 | 1,550 | 1,700 | 1,850 | 2,000 | 2,140 | 2,390 | 2,640 | - | - | |
| 17 | 1,710 | 1,930 | 2,140 | 2,350 | 2,560 | 2,990 | 3,420 | - | - | |
| 19 | 1,940 | 2,210 | 2,460 | 2,710 | 2,960 | 3,450 | 3,950 | - | - | |
| 24 | 2,540 | 2,890 | 3,230 | 3,580 | 3,930 | 4,760 | 5,590 | 7,940 | - | |
| 27 | 3,140 | 3,570 | 4,000 | 4,430 | 4,850 | 5,970 | 7,090 | 9,070 | - | |
| 27W | 3,140 | 3,570 | 4,000 | 4,430 | 4,850 | 5,970 | 7,090 | 9,070 | - | |
| 30 | - | 4,050 | 4,560 | 5,060 | 5,570 | 6,880 | 8,190 | 10,770 | 14,160 | |
| 30W | - | 4,050 | 4,560 | 5,060 | 5,570 | 6,880 | 8,190 | 10,770 | 14,160 | |
| 32 | - | 4,520 | 5,080 | 5,650 | 6,210 | 7,650 | 9,090 | 12,120 | 16,140 | |
| 32W | - | 4,520 | 5,080 | 5,650 | 6,210 | 7,650 | 9,090 | 12,120 | 16,140 | |
| A2011相当 白アルマイト (×1.0) ALSBJ ALSBJF 黒アルマイト (×1.1) ABLSBJ ABLSBJF *インロー部 指定は右記 価格表に +420円 | 8* | 1,410 | 1,450 | 1,490 | 1,530 | 1,510 | - | - | - | - |
| 10* | 1,460 | 1,490 | 1,520 | 1,550 | 1,850 | 1,920 | - | - | - | |
| 12* | 1,550 | 1,600 | 1,630 | 1,660 | 2,140 | 2,230 | 2,710 | - | - | |
| 13* | 1,610 | 1,640 | 1,680 | 1,710 | 2,230 | 2,270 | 3,080 | - | - | |
| 14* | 1,760 | 1,880 | 1,980 | 2,080 | 2,460 | 2,590 | 2,890 | - | - | |
| 17* | 2,000 | 2,160 | 2,330 | 2,490 | 2,610 | 2,940 | 3,410 | - | - | |
| 19* | 2,190 | 2,430 | 2,650 | 2,870 | 2,960 | 3,360 | 3,840 | - | - | |
| 24 | 2,490 | 2,730 | 2,970 | 3,200 | 3,600 | 4,130 | 4,690 | 5,660 | - | |
| 27 | 2,710 | 3,070 | 3,390 | 3,720 | 4,010 | 4,600 | 5,310 | 6,620 | - | |
| 27W | 2,710 | 3,070 | 3,390 | 3,720 | 4,010 | 4,600 | 5,310 | 6,620 | - | |
| 30 | - | 3,540 | 3,840 | 4,130 | 5,050 | 5,940 | 6,970 | 8,800 | 10,220 | |
| 30W | - | 3,540 | 3,840 | 4,130 | 5,050 | 5,940 | 6,970 | 8,800 | 10,220 | |
| 32 | - | 4,840 | 5,370 | 5,880 | 6,980 | 7,960 | 9,560 | 12,190 | 15,540 | |
| 32W | - | 4,840 | 5,370 | 5,880 | 6,980 | 7,960 | 9,560 | 12,190 | 15,540 | |




通常価格、通常出荷日が表示と異なる場合がございます
通常価格、通常出荷日が表示と異なる場合がございます

ミスミ
六角支柱-片端おねじ片端めねじ【全長公差バラつき保証タイプ・標準タイプ】
4.5
ミスミ
六角支柱-両端めねじ【全長公差バラつき保証タイプ・標準タイプ】
4.6
ミスミ
円形支柱-両端めねじ【全長公差バラつき保証タイプ・標準タイプ】
4.6
ミスミ
円形支柱-片端おねじ片端めねじ【全長公差バラつき保証タイプ・標準タイプ】
4.5
ミスミ
六角支柱-並目ねじ径長さ指定片端おねじ片端めねじ-
4.5
ミスミ
円形支柱-片端おねじ-【全長公差バラつき保証タイプ・標準タイプ】
4.5
ミスミ
円形支柱-片端めねじ-【全長公差バラつき保証タイプ・標準タイプ】
4.5
ミスミ
【エコノミーシリーズ】 RoHS対応 六角支柱 片端おねじ・片端めねじタイプ
4.7通常価格(税別):165円~

ミスミ
六角支柱-両端めねじインロー固定・インロー部指定-【全長公差バラつき保証タイプ・標準タイプ】
4.8