メカニカル部品技術窓口
ミスミ品のみ対象
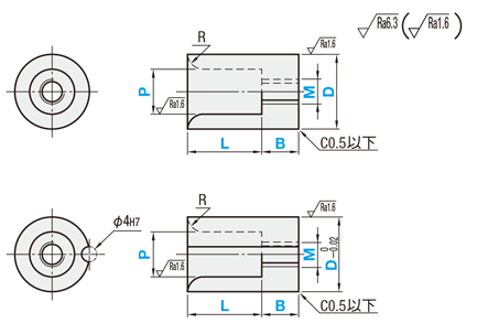
【特長】・段付きおねじストレートピンと合わせて使えるブッシュです。
[ ! ]1
[ ! ]2
[ ! ]2
[ ! ]3
[ ! ]4

■ストレート(ラウンド)
■ストレート(ノック回り止め)[ ! ]5
| P | H7 |
| 3.00 | +0.010 0 |
| 3.01〜6.00 | +0.012 0 |
| 6.01〜10.00 | +0.015 0 |
| 10.01〜18.00 | +0.018 0 |
| 18.01〜23.00 | +0.021 0 |
| D | p6 |
| 8 | +0.024 +0.015 |
| 10 | |
| 12 | +0.029 +0.018 |
| 16 | |
| 20 | +0.035 +0.022 |
| 25 |
寸法区分 | 公差 (㎜) | |
を超え | 以下 | |
0.5 | 3 | ±0.1 |
3 | 6 | ±0.1 |
6 | 30 | ±0.2 |
| [ M ]材質 | [ H ]硬度 | [ S ]表面処理 | 固定方法 | 外径公差 | Type | |||
| ラウンド | ノック回り止め | |||||||
| P+0.03 +0.01 | PH7 | P+0.03 +0.01 | PH7 | |||||
| SKS93相当 | 50~60HRC | ー | ノーマル | D0 −0.02 | KJBM | KJBHM | KJBKM | KJBKHM |
| 圧入 | Dp6 | KJBPM | KJBPHM | ー | ー | |||
| SKS93相当 | 50~60HRC | 無電解ニッケルメッキ | ノーマル | D0 −0.02 | KJBMM | KJBHMM | ー | ー |
| SUS304[ ! ]6 | ー | ー | ノーマル | D0 −0.02 | KJBMS | KJBHMS | KJBKMS | KJBKHMS |
| SUS440Cまたは 13Crステンレス | 45~50HRC | ー | ノーマル | D0 −0.02 | KJBMC | KJBHMC | ー | ー |
| 型式 | − | P | − | M | − | L | − | B | ||
| Type | D | |||||||||
| KJBM | 12 | − | P8.00 | − | M5 | − | L10 | − | B10 | |
| 型式 | P | M(P≧M) | L | B | R | 規格有無 | |||||||||||||||||||
| Type | D | ラウンド | ノック回り止め | ||||||||||||||||||||||
| ストレート | P+0.03 +0.01 | PH7 | P+0.03 +0.01 | PH7 | |||||||||||||||||||||
| ラウンド | ノック回り止め | KJBM KJBPM | KJBMM | KJBMS | KJBMC | KJBHM KJBPHM | KJBHMM | KJBHMS | KJBHMC | KJBKM | KJBKMS | KJBKHM | KJBKHMS | ||||||||||||
| P+0.03 +0.01 | PH7 | P+0.03 +0.01 | PH7 | 指定0.01mm単位 | 選択 | 指定1mm単位 | 指定1mm単位 | ||||||||||||||||||
| KJBM | KJBHM | KJBKM | KJBKHM | 8 | 3.00~ 6.00 | 3 | 4 | 0 L=0とする場合、 P=0としてください。 3〜25 P≦3.59の場合 L≦P×2.5 P≧3.6の場合 L≦P×3 | 5〜25 (M≦B≦M×3) ただしM3のとき (M≦B≦M×2) | 1.0 | ● | ● | ● | ● | ● | ● | ● | ● | − | − | − | − | |||
| KJBPM | KJBPHM | 10 | 4.00~ 8.00 | 4 | 5 | 6 | 8 | 2.0 | ● | ● | ● | ● | ● | ● | ● | ● | ● | ● | ● | ● | |||||
| KJBMM | KJBHMM | 12 | 4.00~10.00 | 4 | 5 | 6 | 8 | 10 | 2.0 | ● | ● | ● | ● | ● | ● | ● | ● | ● | ● | ● | ● | ||||
| KJBMS | KJBHMS | KJBKMS | KJBKHMS | 16 | 8.00~14.00 | 5 | 6 | 8 | 10 | 12 | 2.0 | ● | ● | ● | ● | ● | ● | ● | ● | ● | ● | ● | ● | ||
| 20 | 10.00~18.00 | 5 | 6 | 8 | 10 | 12 | 2.0 | ● | ● | ● | ● | ● | ● | ● | ● | ● | ● | ● | ● | ||||||
| KJBMC | KJBHMC | 25 | 15.00~23.00 | 5 | 6 | 8 | 10 | 12 | 2.0 | ● | ● | ● | ● | ● | ● | ● | ● | ● | ● | ● | ● | ||||
| 型式 | − | P | − | M | − | L | − | B | − | T | − | (FC・NC…etc.) |
| KJBM12 | − | P8.00 | − | M5 | − | L10 | − | B10 | − | FC |
| Alterations | Code | Spec. | ¥/1 Code | |
| 溝追加工 (接着剤溜まり用) | ![]() | FC | 接着剤溜まり用の溝加工を追加します。 [ ! ]D≧P+3:ブッシュの肉厚が1.5 [ ! ]ストレートはL+B≧10、 | 200 |
| 溝追加工 (抜け止め防止) | ![]() | NC | 抜け止め防止の溝加工を追加します。 [ ! ]D≧P+3:ブッシュの肉厚が1.5ミリ [ ! ]ストレートはL+B≧10、 | 300 |
| Alterations | Code | Spec. | ¥/1 Code | |
| 内径R C面取り | ![]() | RN | RをC面取り(0.5以下)にします。 | 無料 |
| 内径R ピン角 | ![]() | CRN | Rをピン角にします。 [ ! ]バリがでることがあります。 [ NG ]追加工TKCとの併用不可 | 無料 |
| 表面処理追加 (四三酸化鉄皮膜) | STC | 四三酸化鉄皮膜を追加します。 [ ! ]材質SKS93(無電解ニッケル | 200 | |
| ツバ厚公差変更 | ![]() | TKC | ツバ厚公差を±0.01に変更します。 [ ! ]ツバ付タイプのみ適用 [ NG ]追加工CRNとの併用不可 | 400 |
| 平取り 追加工 | ![]() | HT | ブッシュに平取りを追加します。 [ ! ]ラウンドタイプのみ適用 [ ! ]ツバ部は平取りしません。 | 200 |
| 型番 |
|---|
通常単価(税別)
(税込単価) | 通常出荷日 |
|---|
- ( - ) | 3日目 |
- ( - ) | 3日目 |
- ( - ) | 3日目 |
- ( - ) | 3日目 |
- ( - ) | 3日目 |
- ( - ) | 3日目 |
- ( - ) | 3日目 |
- ( - ) | 3日目 |
- ( - ) | 3日目 |
- ( - ) | 3日目 |
- ( - ) | 3日目 |
- ( - ) | 3日目 |
- ( - ) | 3日目 |
- ( - ) | 3日目 |
- ( - ) | 3日目 |
- ( - ) | 3日目 |
- ( - ) | 3日目 |
- ( - ) | 3日目 |
- ( - ) | 3日目 |
- ( - ) | 3日目 |
- ( - ) | 3日目 |
- ( - ) | 3日目 |
- ( - ) | 3日目 |
- ( - ) | 3日目 |
- ( - ) | 3日目 |
- ( - ) | 3日目 |
- ( - ) | 3日目 |
- ( - ) | 3日目 |
- ( - ) | 3日目 |
- ( - ) | 3日目 |
- ( - ) | 3日目 |
- ( - ) | 3日目 |
- ( - ) | 3日目 |
- ( - ) | 3日目 |
- ( - ) | 3日目 |
- ( - ) | 3日目 |
- ( - ) | 3日目 |
- ( - ) | 3日目 |
- ( - ) | 3日目 |
- ( - ) | 3日目 |
- ( - ) | 3日目 |
- ( - ) | 3日目 |
- ( - ) | 3日目 |
- ( - ) | 3日目 |
- ( - ) | 3日目 |
- ( - ) | 3日目 |
- ( - ) | 3日目 |
- ( - ) | 3日目 |
- ( - ) | 3日目 |
- ( - ) | 3日目 |
- ( - ) | 3日目 |
- ( - ) | 3日目 |
- ( - ) | 3日目 |
- ( - ) | 3日目 |
- ( - ) | 3日目 |
- ( - ) | 3日目 |
- ( - ) | 3日目 |
- ( - ) | 3日目 |
- ( - ) | 3日目 |
- ( - ) | 3日目 |
【特長】・段付きおねじストレートピンと合わせて使えるブッシュです。
| D | ¥基準単価 | |||||||||||
| ラウンド | ノック回り止め | |||||||||||
| P+0.03 +0.01 | PH7 | P+0.03 +0.01 | PH7 | |||||||||
| KJBM KJBPM | KJBMM | KJBMS | KJBMC | KJBHM KJBPHM | KJBHMM | KJBHMS | KJBHMC | KJBKM | KJBKMS | KJBKHM | KJBKHMS | |
| 8 | 1,310 | 1,470 | 1,580 | 1,790 | 1,420 | 1,580 | 1,680 | 1,890 | - | - | - | - |
| 10 | 1,310 | 1,470 | 1,580 | 1,790 | 1,420 | 1,580 | 1,680 | 1,890 | 1,790 | 2,050 | 1,890 | 2,150 |
| 12 | 1,390 | 1,540 | 1,660 | 1,870 | 1,490 | 1,650 | 1,760 | 1,970 | 1,860 | 2,130 | 1,960 | 2,240 |
| 16 | 1,470 | 1,630 | 1,760 | 1,980 | 1,580 | 1,730 | 1,870 | 2,090 | 1,940 | 2,240 | 2,050 | 2,340 |
| 20 | 1,630 | 1,790 | 1,950 | 2,190 | 1,730 | 1,890 | 2,060 | 2,300 | 2,100 | 2,430 | 2,210 | 2,530 |
| 25 | 1,890 | 2,050 | 2,270 | 2,550 | 2,000 | 2,150 | 2,370 | 2,660 | 2,360 | 2,740 | 2,470 | 2,850 |
| 数量区分 | 標準対応 | 個別対応 | |||
| 小口 | 大口 | ||||
| 数 量 | 1〜19 | 20〜34 | 35〜49 | 50〜100 | 101~ |
| 値引率 | 基準単価 | 5% | 10% | 18% | お見積り |
| 出荷日 | 通常 | ||||



通常価格、通常出荷日が表示と異なる場合がございます
通常価格、通常出荷日が表示と異なる場合がございます

ミスミ
検査治具用ブッシュ ストレート ノーマルタイプ
4.6通常価格(税別):940円~

ミスミ
検査治具用ブッシュ 欠円形状
5
ミスミ
検査治具用ブッシュ 段付おねじストレート用
4.7
ミスミ
検査治具用ブッシュ ツバ付 圧入タイプ
4.7
ミスミ
検査治具用ブッシュ ストレート 圧入タイプ
5
ミスミ
検査治具用ブッシュ ツバ付 ノーマルタイプ
4.8
ミスミ
検査治具用ブッシュ 長円形状
4.8
ミスミ
検査治具用ブッシュ 四角形状
4.8
ミスミ
検査治具用ブッシュ 段付おねじストレート用 ツバ付
4.7