メカニカル部品技術窓口
耐摩耗性、絶縁性に優れているため、スポット溶接に適しています。
(丸)
(ダイヤ)
研磨逃げ溝

| 止めねじ | 形状 | [ M ]材質 | [ S ]表面処理 | [ H ]硬度 |
| Z−LATA | 丸 | 特殊ステンレス (KCF) | アルミナ皮膜 | 1300HV程度 (内部200HV程度) |
| Z−LATD | ダイヤ |
| 型式 | − | P | − | B | ||
| Type | D | |||||
| Z-LATD | 10 | − | P11.5 | − | B20 | |
| 特殊ステンレス KCF (アルミナ皮膜処理後) | ステンレス SUS304 | セラミックス A1203 | ナイロン | ベークライト (紙系) | ベークライト (布系) | |
| 固有抵抗(Ω) | 2×108 | 72×10−6 | 1014 | 5×1012 | 1010 | 1012 |
| 絶縁破壊電圧(V) | 150 | − | 104 | 1.9×104 | − | − |
| 引張り強さ(MPa) | 421 | 520 | − | 88 | 80 | 100 |
| 伸び(%) | 10 | 40 | − | 50 | 2 | 2 |
| 曲げ強度(MPa) | − | − | 350 | 103 | 180 | 160 |
| ビッカース硬さ (HV) | 表面1300 内部200 | 200 | 1400 | − | − | − |
| 絶縁特性 | ○ | × | ◎ | ◎ | ◎ | ◎ |
| 耐熱性 | ○ | ○ | ◎ | × | △ | △ |
| 加工性 | ○ | ○ | × | ○ | ○ | ○ |
| コスト | ○ | ◎ | × | ○ | ○ | ○ |
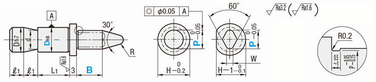
| 型式 | P 指定0.1mm単位 | B 指定1mm単位 | L1 | ℓ1 | H | d | R | 適用 止めねじ | W | ||
| Type | Dh8 | ||||||||||
| 止めねじ (丸) Z−LATA (ダイヤ) Z−LATD | 8 | 0 − 0.022 | 3.0〜 9.0 | 5〜30 (B≦P×4) | 8 | 8 | 11 | 5 | 1.5 | M5 | 1〜2 |
| 10 | 0 − 0.022 | 5.0〜12.0 | 10 | 8 | 13 | 7 | 2 | M6 | 2〜3 | ||
| 10T | 0 − 0.022 | 5.0〜12.0 | 5 | 8 | 13 | 7 | 2 | M6 | 2〜3 | ||
| 12 | 0 − 0.027 | 9.0〜13.0 | 12 | 10 | 15 | 9 | 3 | M8 | 4 | ||
| 16 | 0 − 0.027 | 13.0〜16.0 | 12 | 10 | 19 | 13 | 4 | M8 | 5 | ||
| 追加工 コード | 追加工内容 | 適用条件 | 指定例 | \/1Code | |||||||||||
| KC | 廻り止め位置変更![]() | 規格位置を0°とし90°移動した位置に廻り止め一面加工を行います。 | [ ! ]ダイヤ形状のみ適用 | Z-LATD10-P7.8-B6-KC | 200 | ||||||||||
| KD | 廻り止め加工![]() | 一面加工を行います。 | [ ! ]H-P≧2 [ ! ]丸形状のみ適用 | Z-LATA10-P7.8-B6-KD | 200 | ||||||||||
| SC | スパナ掛加工![]() | スパナ掛を追加工します。 指定方法:SC
| [ ! ]丸形状のみ適用 | Z-LATA10-P7.8-B6-SC | 500 | ||||||||||
| RC | 先端部角度変更![]() | 先端角度を変更します。 選択:60°、90°、120° 指定方法:RC60 | ー | Z-LATA10-P7.8-B6-RC60 | 200 | ||||||||||
| RTC | つば上部R変更![]() | 逃げ溝加工を下記選択Rに変更します。 選択:R1、R2、R3 指定方法:RTC2 | [ ! ]RTC≦(H-P)/2 | Z-LATA10-P7.8-B6-RTC1 | 無料 | ||||||||||
| 型番 |
|---|
通常単価(税別)
(税込単価) | 通常出荷日 |
|---|
- ( - ) | 3日目 |
- ( - ) | 3日目 |
- ( - ) | 3日目 |
- ( - ) | 3日目 |
- ( - ) | 3日目 |
- ( - ) | 3日目 |
- ( - ) | 3日目 |
- ( - ) | 3日目 |
- ( - ) | 3日目 |
- ( - ) | 3日目 |
耐摩耗性、絶縁性に優れているため、スポット溶接に適しています。
| 型式 | ¥基準単価 | ||
| Type | D | Z−LATA | Z−LATD |
| 止めねじ (丸) Z−LATA (ダイヤ) Z−LATD | 8 | 5,030 | 6,540 |
| 10 | 5,270 | 6,850 | |
| 10T | 5,270 | 6,850 | |
| 12 | 5,750 | 7,410 | |
| 16 | 6,410 | 8,140 | |
| 数量区分 | 標準対応 | 個別対応 | ||
| 小口 | 大口 | 大口 | ||
| 数 量 | 1〜19 | 20〜29 | 30~50 | 51~ |
| 値引率 | 基準単価 | 5% | 15% | お見積り |
| 出荷日 | 通常 | +4日 | ||

スパーク
スポット溶接
一般品
Z-LATA

通常価格、通常出荷日が表示と異なる場合がございます
通常価格、通常出荷日が表示と異なる場合がございます

ミスミ
治具用位置決めピン 並級ツバ付タイプ おねじタイプ
4.4
ミスミ
治具用位置決めピン 並級 ぼかしR付タイプ おねじ
5
ミスミ
治具用位置決めピン 並級ツバ付タイプ 先端形状選択おねじタイプ
4.3
ミスミ
治具用位置決めピン 並級ツバ付タイプ 止めねじタイプ
5
ミスミ
治具用高さ受けピン おねじ
4.6
ミスミ
治具用位置決めピン 並級ツバなしタイプ おねじタイプ
5
ミスミ
治具用位置決めピン 並級ツバなしタイプ 先端形状選択おねじタイプ
5
ミスミ
治具用位置決めピン 精級ツバ付タイプ 先端形状選択おねじタイプ
5
ミスミ
治具用位置決めピン 精級ツバ付タイプ おねじタイプ
4.3