メカニカル部品技術窓口
ミスミ品のみ対象
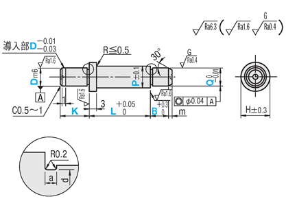
段付きタイプの支柱ピンの各部寸法がフリーでご指定いただけます。

| [ M ]材質 | [ S ]表面処理 | [ H ]硬度 | Type |
| ツバ付タイプ | |||
| 圧入 | |||
| ②SKS3相当 | 硬質クロムメッキ | 焼入硬度 50〜55HRC メッキ硬度 750HV〜 | GSHXJ |
| ⑤SUS440Cまたは 13Crステンレス | − | 焼入硬度 50〜55HRC | CSHXJ |
| 型式 | − | P | − | Q | − | K | − | L | − | B |
| GSHXJ5 | − | P6.0 | − | Q4.50 | − | K5 | − | L30.55 | − | B3.2 |
| D | H | m |
| 3 | 6 | 1 |
| 4 | 6 | 1 |
| 5 | 8 | 1 |
| 6 | 8 | 2 |
| 8 | 11 | 2 |
| 10 | 13 | 3 |
| 12 | 15 | 3 |
| 型式 | P 指定0.1mm単位 | Q 指定 0.01mm単位 | K 指定 1mm単位 | L 指定 0.01mm単位 | B 指定 0.1mm単位 | |
| Type | D | |||||
| ツバ付 GSHXJ CSHXJ | 3 | 3.0〜5.0 | 2.00〜4.00 | 3〜6 | 10.00〜60.00 | 2.0〜5.0 |
| 4 | 3.0〜5.0 | 2.00〜4.00 | 4〜8 | 10.00〜60.00 | 2.0〜10.0 | |
| 5 | 3.0〜7.0 | 2.00〜6.00 | 5〜10 | 10.00〜60.00 | 2.0〜10.0 | |
| 6 | 5.0〜7.0 | 4.00〜6.00 | 6〜12 | 10.00〜80.00 | 2.0〜12.0 | |
| 8 | 5.0〜8.0 | 4.00〜7.00 | 8〜16 | 10.00〜80.00 | 2.0〜15.0 | |
| 10 | 6.0〜11.0 | 5.00〜10.00 | 10〜20 | 10.00〜100.00 | 2.0〜20.0 | |
| 12 | 6.0〜13.0 | 5.00〜12.00 | 12〜24 | 10.00〜100.00 | 2.0〜20.0 | |
| 型式 | − | P | − | Q | − | K | − | L | − | B | − | (SC・HC・DRC・NNC) | 5 | 日目出荷 | |
| GSHXJ5 | − | P6.0 | − | Q4.50 | − | K5 | − | L30.55 | − | B3.2 | − | HC8 |
| Alterations | 2面幅追加工 |
![]() | |
| Code | HC |
| Spec. | HC=指定0.5mm単位 HC>P HC>D H-1≧HC 指定方法 HC10 [ ! ]ツバ付タイプのみ適用 |
| ¥/1Code | 400 |
| 型番 |
|---|
通常単価(税別)
(税込単価) | 通常出荷日 |
|---|
- ( - ) | 3日目 |
- ( - ) | 3日目 |
- ( - ) | 3日目 |
- ( - ) | 3日目 |
- ( - ) | 3日目 |
- ( - ) | 3日目 |
- ( - ) | 3日目 |
- ( - ) | 5日目 |
- ( - ) | 5日目 |
- ( - ) | 5日目 |
- ( - ) | 5日目 |
- ( - ) | 5日目 |
- ( - ) | 5日目 |
- ( - ) | 5日目 |
段付きタイプの支柱ピンの各部寸法がフリーでご指定いただけます。
| 型式 | ¥基準単価 ツバ付タイプ | ||
| Type | D | ② GSHXJ | ⑤ CSHXJ |
| ツバ付 GSHXJ CSHXJ | 3 | 1,090 | 1,250 |
| 4 | 1,120 | 1,280 | |
| 5 | 1,180 | 1,350 | |
| 6 | 1,210 | 1,380 | |
| 8 | 1,330 | 1,520 | |
| 10 | 1,330 | 1,520 | |
| 12 | 1,330 | 1,520 | |
| 数量区分 | 標準対応 | 個別対応 | ||||
| 小口 | 大口 | 大口 | ||||
| 数 量 | 1〜19 | 20〜34 | 35〜49 | 50〜100 | 101~200 | 201〜 |
| 値引率 | 基準単価 | 5% | 10% | 18% | 18% | お見積り |
| 出荷日 | 通常 | +7日 | ||||



通常価格、通常出荷日が表示と異なる場合がございます
通常価格、通常出荷日が表示と異なる場合がございます

ミスミ
高さ調整ピン 六角タイプ -高精度おねじタイプー
4.6
ミスミ
高さ調整ピン 丸・二面幅 おねじタイプ
3.9
ミスミ
高さ調整ピン フラットタイプ・先端止めねじタイプ -おねじ-
4.4
ミスミ
高さ調整ピン ツバ付 おねじタイプ
4.8
ミスミ
高さ調整ピン ザグリタイプ
4.6
ミスミ
高さ調整ピン 六角タイプ -中精度めねじタイプー
4
ミスミ
高さ調整ピン 圧入タイプ
5
ミスミ
高さ調整ピン 六角タイプ -中精度おねじタイプー
4.6
ミスミ
支柱ピン 段付タイプ -めねじ-
4.7