メカニカル部品技術窓口
ミスミ品のみ対象
【まとめ買いでお得】501個以上から大幅割引き!中精度用途に特化したベアリングです。お客様のコストダウ...
詳細を確認| 型式 |
| C–B6001ZZ |
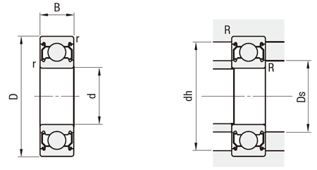
| 型番 | d | D | B | r (min) | 基本定格荷重 | 許容回転数 rpm (参考) | 取付寸法 | 質量 (g) (参考) | ¥基準単価 | ||||
| Ds | dh (max) | R (max) | |||||||||||
| Cr(動)kN | Cor(静)kN | (min) | (max) | ||||||||||
| C−B6700ZZ | 10 | 15 | 4 | 0.2 | 0.6 | 0.3 | 15000 | 10.4 | 11.21 | 14.2 | 0.2 | 2 | 368 |
| C−B6800ZZ | 19 | 5 | 0.3 | 1.28 | 0.65 | 34000 | 12 | 12.5 | 17 | 0.3 | 5 | 252 | |
| C−B6900ZZ | 22 | 6 | 1.89 | 0.89 | 32000 | 13 | 20 | 9 | 210 | ||||
| C−B6000ZZ | 26 | 8 | 3.19 | 1.37 | 30000 | 12 | 13.5 | 24 | 19 | 126 | |||
| C−B6200ZZ | 30 | 9 | 0.6 | 3.57 | 1.67 | 24000 | 14 | 16 | 26 | 0.6 | 32 | 84 | |
| C−B6300ZZ | 35 | 11 | 5.74 | 2.45 | 21000 | 16.5 | 31 | 52 | 158 | ||||
| C−B6701ZZ | 12 | 18 | 4 | 0.2 | 0.64 | 0.37 | 13000 | 12.4 | 13.86 | 16.7 | 0.2 | 3 | 420 |
| C−B6801ZZ | 21 | 5 | 0.3 | 1.34 | 0.73 | 32000 | 14 | 14.5 | 19 | 0.3 | 6 | 257 | |
| C−B6901ZZ | 24 | 6 | 2.02 | 1.02 | 30000 | 15 | 22 | 11 | 221 | ||||
| C−B6001ZZ | 28 | 8 | 3.57 | 1.67 | 27000 | 16 | 26 | 21 | 137 | ||||
| C−B6201ZZ | 32 | 10 | 0.6 | 4.27 | 1.93 | 22000 | 16 | 17 | 28 | 0.6 | 37 | 116 | |
| C−B6301ZZ | 37 | 12 | 1 | 6.79 | 2.94 | 19000 | 17 | 18 | 32 | 1 | 60 | 168 | |
| C−B6702ZZ | 15 | 21 | 4 | 0.2 | 0.66 | 0.41 | 11000 | 15.4 | 16.86 | 19.7 | 0.2 | 4 | 494 |
| C−B6802ZZ | 24 | 5 | 0.3 | 1.46 | 0.88 | 27000 | 17 | 17.5 | 22 | 0.3 | 7 | 284 | |
| C−B6902ZZ | 28 | 7 | 2.56 | 1.4 | 26000 | 26 | 16 | 242 | |||||
| C−B6002ZZ | 32 | 9 | 3.92 | 1.98 | 23000 | 19 | 30 | 30 | 116 | ||||
| C−B6202ZZ | 35 | 11 | 0.6 | 5.43 | 2.52 | 19000 | 19 | 20 | 31 | 0.6 | 45 | 126 | |
| C−B6302ZZ | 42 | 13 | 1 | 7.98 | 3.82 | 17000 | 20 | 22.5 | 37 | 1 | 83 | 168 | |
| C−B6703ZZ | 17 | 23 | 4 | 0.2 | 0.7 | 0.46 | 9500 | 17.4 | 18.86 | 21.1 | 0.2 | 4 | 735 |
| C−B6803ZZ | 26 | 5 | 0.3 | 1.56 | 1.02 | 25000 | 19 | 19.5 | 24 | 0.3 | 8 | 294 | |
| C−B6903ZZ | 30 | 7 | 3.26 | 1.81 | 23000 | 20 | 28 | 18 | 252 | ||||
| C−B6003ZZ | 35 | 10 | 4.76 | 2.35 | 20000 | 21 | 33 | 39 | 168 | ||||
| C−B6203ZZ | 40 | 12 | 0.6 | 6.72 | 3.22 | 17000 | 21 | 23 | 36 | 0.6 | 66 | ||
| C−B6303ZZ | 47 | 14 | 1 | 9.45 | 4.59 | 15000 | 22 | 25.5 | 42 | 1 | 113 | 210 | |
| C−B6704ZZ | 20 | 27 | 4 | 0.2 | 0.73 | 0.51 | 8500 | 20.4 | 22.36 | 25.5 | 0.2 | 6 | 683 |
| C−B6804ZZ | 32 | 7 | 0.3 | 2.8 | 1.73 | 20000 | 22 | 22.5 | 30 | 0.3 | 19 | 315 | |
| C−B6904ZZ | 37 | 9 | 4.48 | 2.59 | 19000 | 24 | 35 | 36 | 263 | ||||
| C−B6004ZZ | 42 | 12 | 0.6 | 6.58 | 3.54 | 17000 | 24 | 26 | 38 | 0.6 | 69 | 137 | |
| C−B6204ZZ | 47 | 14 | 1 | 8.96 | 4.66 | 14000 | 25 | 28 | 42 | 1 | 106 | 189 | |
| C−B6304ZZ | 52 | 15 | 1.1 | 11.13 | 5.53 | 13000 | 26.5 | 45.5 | 145 | 242 | |||
| C−B6805ZZ | 25 | 37 | 7 | 0.3 | 3.01 | 2.07 | 18000 | 27 | 35 | 0.3 | 22 | 357 | |
| C−B6905ZZ | 42 | 9 | 4.94 | 3.19 | 16000 | 29 | 40 | 42 | 294 | ||||
| C−B6005ZZ | 47 | 12 | 0.6 | 7.07 | 4.1 | 15000 | 29 | 30.5 | 43 | 0.6 | 80 | 200 | |
| C−B6205ZZ | 52 | 15 | 1 | 9.8 | 5.5 | 12000 | 30 | 32 | 47 | 1 | 128 | 221 | |
| C−B6305ZZ | 62 | 17 | 1.1 | 14.84 | 7.63 | 11000 | 31.5 | 36 | 55.5 | 235 | 315 | ||
| C−B6006ZZ | 30 | 55 | 13 | 1 | 9.24 | 5.81 | 12000 | 35 | 37 | 50 | 1 | 116 | 242 |
| C−B6206ZZ | 62 | 16 | 13.65 | 7.91 | 10000 | 39 | 57 | 199 | 294 | ||||
| C−B6808ZZ | 40 | 52 | 7 | 0.3 | 3.57 | 3.08 | 12000 | 42 | 43 | 50 | 0.3 | 33 | 578 |
| 内径d(mm) | ミスミ類似部品すきま(μm) | エコノミー部品すきま(μm) | |||
| を超え | 以下 | 最小 | 最大 | 最小 | 最大 |
| 10のみ | 2 | 13 | 4 | 18 | |
| 10 | 18 | 3 | 18 | 6 | 23 |
| 18 | 24 | 5 | 20 | 8 | 25 |
| 24 | 30 | 5 | 20 | 8 | 25 |
| 当社類似品 B6800ZZ | エコノミーシリーズ 「軽荷重」 C−B6800ZZ | エコノミーシリーズ 「軽荷重・低速」 C−E6800ZZ | ||
| 基本定格荷重 | Cr(動)kN | 1.72 | 1.28 | 1.28 |
| Cor(静)kN | 0.84 | 0.65 | 0.65 | |
| ベアリング内部隙間 | 最小 μm | 2 | 4 | 4 |
| 最大 μm | 13 | 18 | 18 | |
| (参考)許容回転数 rpm | 34000 | 34000 | 24000 | |
| RoHS10 | 対応 | 対応 | 対応 | |
![]() | d 内径公差
| D 外径公差
| B 幅公差
| |||||||||||||||||||||||||||||||||||||||||||||||||||||||||||||||||||||
・軸
| ・ハウジング
| |||||||||||||||||||||||||||||||||||||||||||||||||||||||||||||||||||||||||||||||||||||||||||||||||||||||||
| [ ! ]JIS B 1566(2015)付属書B(参考)に準拠。 [ ! ]荷重の性質 ・内輪回転荷重:内輪の荷重位置が変化する。 ・内輪静止荷重:内輪の荷重位置が変化しない。 ・外輪回転荷重:外輪の荷重位置が変化する。 ・外輪静止荷重:外輪の荷重位置が変化しない。 ・方向不定荷重:荷重位置が不確定。 (参考:はめあいの組合せの検討を参照) | [ ! ]荷重の大きさ ・軽荷重:基本動定格荷重の6%以下。 ・普通荷重:基本動定格荷重の6%を超え12%以下。 ・重荷重:基本動定格荷重の12%を超える。 |
| 型番 |
|---|
通常単価(税別)
(税込単価) | 通常出荷日 |
高品質の代替品
|
|---|
126円 ( 139円 ) | 在庫品1日目当日出荷可能 |
|
137円 ( 151円 ) | 在庫品1日目当日出荷可能 |
|
116円 ( 128円 ) | 在庫品1日目当日出荷可能 |
|
168円 ( 185円 ) | 在庫品1日目当日出荷可能 |
|
137円 ( 151円 ) | 在庫品1日目当日出荷可能 |
|
200円 ( 220円 ) | 在庫品1日目当日出荷可能 |
|
242円 ( 266円 ) | 在庫品1日目当日出荷可能 |
|
84円 ( 92円 ) | 在庫品1日目当日出荷可能 |
|
116円 ( 128円 ) | 在庫品1日目当日出荷可能 |
|
126円 ( 139円 ) | 在庫品1日目当日出荷可能 |
|
168円 ( 185円 ) | 在庫品1日目当日出荷可能 |
|
189円 ( 208円 ) | 在庫品1日目当日出荷可能 |
|
221円 ( 243円 ) | 在庫品1日目当日出荷可能 |
|
294円 ( 323円 ) | 在庫品1日目当日出荷可能 |
|
158円 ( 174円 ) | 在庫品1日目当日出荷可能 |
|
168円 ( 185円 ) | 在庫品1日目当日出荷可能 |
|
168円 ( 185円 ) | 在庫品1日目当日出荷可能 |
|
210円 ( 231円 ) | 在庫品1日目当日出荷可能 |
|
242円 ( 266円 ) | 在庫品1日目当日出荷可能 |
|
315円 ( 347円 ) | 在庫品1日目当日出荷可能 |
|
368円 ( 405円 ) | 在庫品1日目当日出荷可能 |
|
420円 ( 462円 ) | 在庫品1日目当日出荷可能 |
|
494円 ( 543円 ) | 在庫品1日目当日出荷可能 |
|
735円 ( 809円 ) | 在庫品1日目当日出荷可能 |
|
683円 ( 751円 ) | 在庫品1日目当日出荷可能 |
|
252円 ( 277円 ) | 在庫品1日目当日出荷可能 |
|
257円 ( 283円 ) | 在庫品1日目当日出荷可能 |
|
284円 ( 312円 ) | 在庫品1日目当日出荷可能 |
|
315円 ( 347円 ) | 在庫品1日目当日出荷可能 |
|
357円 ( 393円 ) | 在庫品1日目当日出荷可能 |
|
578円 ( 636円 ) | 在庫品1日目当日出荷可能 |
|
210円 ( 231円 ) | 在庫品1日目当日出荷可能 |
|
221円 ( 243円 ) | 在庫品1日目当日出荷可能 |
|
242円 ( 266円 ) | 在庫品1日目当日出荷可能 |
|
252円 ( 277円 ) | 在庫品1日目当日出荷可能 |
|
263円 ( 289円 ) | 在庫品1日目当日出荷可能 |
|
294円 ( 323円 ) | 在庫品1日目当日出荷可能 |
【まとめ買いでお得】501個以上から大幅割引き!
中精度用途に特化したベアリングです。お客様のコストダウンに貢献します。
ミスミの低価格新ブランド【エコノミーシリーズ】順次商品拡大中!特集ページはこちら商品ラインナップ



通常価格、通常出荷日が表示と異なる場合がございます
通常価格、通常出荷日が表示と異なる場合がございます

NSK
単列深溝玉軸受(開放形/シール形/シールド形)
4.8通常価格(税別):195円~

ミスミ
深溝玉軸受 両シールド形
4.5通常価格(税別):180円~

NTN
深溝玉軸受
4.8通常価格(税別):319円~

ミスミ
小径玉軸受 両シールド形
4.8通常価格(税別):130円~

ミスミ
小径玉軸受 フランジ付両シールド形
4.7通常価格(税別):430円~

ミスミ
小径玉軸受 フランジ付両シールド形 ステンレス
4.3通常価格(税別):370円~

ミスミ
深溝玉軸受 両シールド形-ステンレス-
4.8通常価格(税別):500円~

ミスミ
ステンレス小径玉軸受 両シールド形
4.8通常価格(税別):220円~

ミスミ
【エコノミーシリーズ】フランジ付玉軸受(小径・深溝) 両シールド形 軽荷重タイプ
4.5通常価格(税別):125円~