メカニカル部品技術窓口
ミスミ品のみ対象
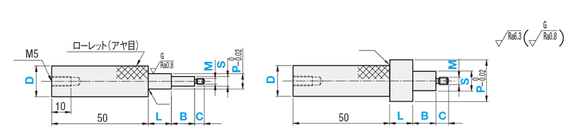
おねじ部でクランプし、ストレート部でワークの径を測定する場合にご利用下さい。
[ ! ]2
[ ! ]3
[ ! ]5
[ ! ]3
[ ! ]5

小頭型:D=8~25
大頭型:D=10L~20L[ ! ]4
| [ M ]材質[ ! ]1 | [ H ]硬度 | TYPE | |
| S 0 −0.02 | Sg6 | ||
| S45C相当 | ー | KJPMD | KJPGMD |
| S45C相当 | 45HRC~ | KJPMDH | KJPGMDH |
| SUS304 | ー | KJPMDS | KJPGMDS |
| 型式(TYPE・D) | − | P | − | S | − | M | − | L | − | B | − | C |
| KJPMD12L | − | P18.50 | − | S13.5 | − | M8 | − | L10 | − | B10 | − | C10 |
| 型式 | 指定0.01mm単位 | 指定0.1mm単位 | M(S≧M) 選択 | 指定1mm単位 | |||||||||||
| Type | D | P | S(P≧S) | L | B | C | |||||||||
| (S 0 −0.02) | (Sg6) | ||||||||||||||
| (S45C) KJPMD (S45C 焼入) KJPMDH (SUS304) KJPMDS | (S45C) KJPGMD (S45C 焼入) KJPGMDH (SUS304) KJPGMDS | 8 | 4.00~ 6.00 | 3.0~ 5.0 | 3 | 4 | 2~20 (L≦P×3) P≦10の時 (L≦P×2) | 2~20 (B≦S×3) S≦9の時 (B≦S×2) | 5~20 (M≦C≦M×3) M≦5の時 (M≦C≦M×2) | ||||||
| 10 | 5.00~ 8.00 | 4.0~ 7.0 | 4 | 5 | 6 | ||||||||||
| 12 | 5.00~10.00 | 4.0~ 9.0 | 4 | 5 | 6 | 8 | |||||||||
| 16 | 8.00~14.00 | 7.0~13.0 | 4 | 5 | 6 | 8 | 10 | S10 | 12 | ||||||
| 20 | 10.00~18.00 | 9.0~17.0 | 5 | 6 | 8 | 10 | S10 | 12 | |||||||
| 25 | 15.00~23.00 | 14.0~22.0 | 5 | 6 | 8 | 10 | S10 | 12 | |||||||
| 10L | 10.00~16.00 | 5.0~15.0 | 4 | 5 | 6 | 8 | 10 | S10 | |||||||
| 12L | 12.00~20.00 | 6.0~19.0 | 5 | 6 | 8 | 10 | S10 | 12 | |||||||
| 16L | 16.00~25.00 | 8.0~24.0 | 6 | 8 | 10 | S10 | 12 | ||||||||
| 20L | 20.00~30.00 | 10.0~29.0 | 6 | 8 | 10 | S10 | 12 | ||||||||
| 型式 | − | P | − | S | − | M | − | L | − | B | − | C | − | (CH・KH・KF…etc.) |
| KJPMDS10 | − | P7.00 | − | S4 | − | M4 | − | L10 | − | B24 | − | C8 | − | MN |
| 3 | 日目出荷 |
| Alterations | Code | Spec. | ¥/1Code | |||||||||||||||
チェーン追加工 ![]() | CH | 紛失防止用のチェーン(長さ600mm)をゲージ本体にセットします。[ ! ]チェーン単体のみはこちらをご利用ください。 | 500 | |||||||||||||||
持ち手長さ変更![]() | ZC | 持ち手長さ50を10,20,30,40に変更します。 指定方法 ZC20 [ ! ]持ち手長さ10および20は、P≧5かつピン全長L+B(+C)≦30の場合のみ適用。 [ ! ]大頭型は持ち手長さ30、40のみ適用[ NG ]持ち手長さ10のときはタップ穴はつきません。 [ NG ]持ち手長さ10のときKHとの併用不可。 | 200 | |||||||||||||||
P寸刻印![]() | KH | ローレット部に平取りをしてP寸法を刻印します。(文字の向きは任意となります。) [ NG ]持ち手長さ10は適用不可 [ ! ]KF併用時には裏側に刻印します | 300 | |||||||||||||||
指定文字刻印![]() | KF | アルファベットまたは数字の刻印を記入します。 指定方法 KF−MISUMI0034 印字種類:アルファベット・数字・.(ピリオド) [ NG ]持ち手長さ10は適用不可 [ ! ]刻印にハイフン(ー)等、上記以外の記号は使用できません。 [ ! ]刻印の文字に対してピンの向きは任意になります。 [ ! ]KH併用時には、裏側に刻印します。 [ ! ]数字は連続最大8文字まで適用
| 800 | |||||||||||||||
| Alterations | Code | Spec. | ¥/1Code |
L寸公差変更![]() | LKC | L寸公差を±0.05に変更します。 指定方法 LKC [ ! ]LKC使用の場合、L寸0.1mm単位指定可 [ ! ]L≦30 [ ! ]P≧4 | 500 |
ニゲ溝なし追加工![]() | NMN | ローレットとストレート部の間にあるニゲ溝を無しにします。 [ NG ]大頭型は適用不可 | 300 |
| 表面処理追加 (無電解ニッケルメッキ) | MN | 無電解ニッケルメッキを追加します。 [ ! ]材質S45Cのみ適用 [ NG ]STCとの併用不可 | 300 |
| 表面処理追加 (四三酸化鉄皮膜) | STC | 四三酸化鉄皮膜を追加します。 [ ! ]材質S45Cのみ適用 [ NG ]MNとの併用不可 | 200 |
| 型番 |
|---|
通常単価(税別)
(税込単価) | 通常出荷日 |
クリーン洗浄・梱包済みでお届けします
|
|---|
- ( - ) | 3日目 |
- |
- ( - ) | 3日目 |
- |
- ( - ) | 3日目 |
- |
- ( - ) | 3日目 |
- |
- ( - ) | 3日目 |
- |
- ( - ) | 3日目 |
- |
- ( - ) | 3日目 |
- |
- ( - ) | 3日目 |
- |
- ( - ) | 3日目 |
- |
- ( - ) | 3日目 |
- |
- ( - ) | 3日目 |
- |
- ( - ) | 3日目 |
- |
- ( - ) | 3日目 |
- |
- ( - ) | 3日目 |
- |
- ( - ) | 3日目 |
- |
- ( - ) | 3日目 |
- |
- ( - ) | 3日目 |
- |
- ( - ) | 3日目 |
- |
- ( - ) | 3日目 |
- |
- ( - ) | 3日目 |
- |
- ( - ) | 3日目 |
- |
- ( - ) | 3日目 |
- |
- ( - ) | 3日目 |
- |
- ( - ) | 3日目 |
- |
- ( - ) | 3日目 |
- |
- ( - ) | 3日目 |
- |
- ( - ) | 3日目 |
- |
- ( - ) | 3日目 |
- |
- ( - ) | 3日目 |
- |
- ( - ) | 3日目 |
- |
- ( - ) | 3日目 |
- |
- ( - ) | 3日目 |
- |
- ( - ) | 3日目 |
- |
- ( - ) | 3日目 |
- |
- ( - ) | 3日目 |
|
- ( - ) | 3日目 |
|
- ( - ) | 3日目 |
|
- ( - ) | 3日目 |
|
- ( - ) | 3日目 |
|
- ( - ) | 3日目 |
|
- ( - ) | 3日目 |
|
- ( - ) | 3日目 |
|
- ( - ) | 3日目 |
|
- ( - ) | 3日目 |
- |
- ( - ) | 3日目 |
- |
- ( - ) | 3日目 |
- |
- ( - ) | 3日目 |
- |
- ( - ) | 3日目 |
- |
- ( - ) | 3日目 |
- |
- ( - ) | 3日目 |
- |
- ( - ) | 3日目 |
- |
- ( - ) | 3日目 |
- |
- ( - ) | 3日目 |
- |
- ( - ) | 3日目 |
- |
- ( - ) | 3日目 |
- |
- ( - ) | 3日目 |
- |
- ( - ) | 3日目 |
- |
- ( - ) | 3日目 |
- |
- ( - ) | 3日目 |
- |
- ( - ) | 3日目 |
- |
おねじ部でクランプし、ストレート部でワークの径を測定する場合にご利用下さい。
| D | ¥基準単価 | ||||||
| S 0 −0.02 | Sg6 | ||||||
| KJPMD | KJPMDH | KJPMDS | KJPGMD | KJPGMDH | KJPGMDS | ||
| 小頭型 | 8 | 2,650 | 3,150 | 3,760 | 2,750 | 3,260 | 3,860 |
| 10 | 2,650 | 3,150 | 3,760 | 2,750 | 3,260 | 3,860 | |
| 12 | 2,730 | 3,260 | 3,860 | 2,840 | 3,360 | 3,970 | |
| 16 | 2,990 | 3,360 | 3,990 | 3,100 | 3,470 | 4,100 | |
| 20 | 3,150 | 3,570 | 4,240 | 3,260 | 3,680 | 4,350 | |
| 25 | 3,340 | 3,830 | 4,560 | 3,440 | 3,940 | 4,660 | |
| 大頭型 | 10L | 3,430 | 3,930 | - | 3,540 | 4,030 | - |
| 12L | 3,750 | 4,240 | - | 3,910 | 4,400 | - | |
| 16L | 4,120 | 4,610 | - | 4,330 | 4,820 | - | |
| 20L | 4,540 | 5,030 | - | 4,800 | 5,290 | - | |
| 数量区分 | 標準対応 | 個別対応 | ||||
| 小口 | 大口 | 大口 | ||||
| 数 量 | 1〜19 | 20〜34 | 35〜49 | 50〜99 | 100~200 | 201~ |
| 値引率 | 基準単価 | 5% | 10% | 18% | 28% | お見積り |
| 出荷日 | 通常 | +9日 | ||||
2段タイプ大頭型で、1段目をツバがわりに使うこともできます。




通常価格、通常出荷日が表示と異なる場合がございます
通常価格、通常出荷日が表示と異なる場合がございます

ミスミ
検査治具用差し込みピン 段付ストレート 持ち手長さ固定タイプ
4.5
ミスミ
検査治具用差し込みピン ストレート 持ち手長さ固定タイプ
4.6
ミスミ
検査治具用差し込みピン ストレート 持ち手長さ選択タイプ
4.4
ミスミ
検査治具用差し込みピン 段付ストレート 持ち手長さ選択タイプ
4.8
ミスミ
検査治具用差し込みピン テーパ・テーパ段差なし
5
ミスミ
検査冶具用差し込みピン 段付きおねじストレート
4.8
ミスミ
検査治具用差し込みピン 長円ストレート
4.3
ミスミ
検査治具用差し込みピン 四角ストレート
4
ミスミ
検査治具用差し込みピン GO・NOGOピン リバーシブルタイプ
4.7