メカニカル部品技術窓口
ミスミ品のみ対象
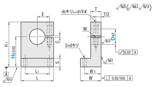
サイドにスペースがない場合に最適です。側方スリットは全てのボルトを上から固定可能。

| 高さH選択 タイプ | 高さH指定 タイプ | [ M ]材質 | [ S ]表面処理 | [ A ]付属品 |
| SHKWB | SHKWBH | S45C相当 | 四三酸化鉄皮膜 | 六角穴付ボルト1本 |
| SHKWM | SHKWMH | 無電解ニッケルメッキ | 六角穴付ボルト1本 (SUS) | |
| SHKWS | SHKWSH | SUS304 | − | |
| SHKWA | SHKWAH | アルミ合金 | 白アルマイト | |
| SHKWD | − | 黒アルマイト | 六角穴付ボルト1本 |
| 型式 | − | H | |
SHKWS20 SHKWMH20 [oil]SF−SHKWS30 | − − − | 30 30.6 40 |
| 型式 | H | L | H1 | T | S | W | W1 | L1 | d | E | 締付ボルト M | d2 | d1 | ℓ | C | ¥基準単価 | ||||||||||||||
| Type | D | 高さH選択タイプ | 高さH指定タイプ 0.1mm単位 | 高さH選択タイプ | 高さH指定タイプ | |||||||||||||||||||||||||
| SHKWB | SHKWM | SHKWS | SHKWA | SHKWD | SHKWBH | SHKWMH | SHKWSH | SHKWAH | ||||||||||||||||||||||
| 高さH選択タイプ SHKWB SHKWM SHKWS SHKWA SHKWD 高さH指定タイプ SHKWBH SHKWMH SHKWSH SHKWAH | 8 | 15 | 20 | 25 | 30 | 40 | 15.0〜50.0 | 32 | H+8 | 10 | 6 | 22 | 16 | 22 | 4.5 | 11 | M4深8 | 4.5 | 8 | 4.5 | 2 | 1,790 | 1,840 | 3,530 | 1,530 | 2,610 | 2,290 | 3,960 | 6,660 | 2,960 |
| 10 | 20 | 25 | 30 | 20.0〜50.0 | H+9 | 1,790 | 1,840 | 3,530 | 1,530 | 2,530 | 2,660 | 3,960 | 6,660 | 2,880 | ||||||||||||||||
| 12 | 20 | 25 | 30 | H+10 | 1,850 | 1,900 | 3,780 | 1,590 | 2,680 | 2,850 | 4,080 | 7,140 | 3,020 | |||||||||||||||||
| 13 | 20 | 25 | 30 | 38 | H+11 | 28 | 13 | 1,850 | 1,900 | 3,780 | 1,590 | 2,680 | 3,360 | 4,080 | 7,140 | 3,020 | ||||||||||||||
| 15 | 20 | 25 | 30 | 40 | H+13 | 14 | 2,020 | 2,060 | 3,870 | 1,750 | - | 3,860 | 4,430 | 7,320 | 3,400 | |||||||||||||||
| 16 | 20 | 25 | 30 | 40 | 2,020 | 2,060 | 3,870 | 1,750 | 2,990 | 3,860 | 4,430 | 7,320 | 3,400 | |||||||||||||||||
| 20 | 25 | 30 | 40 | 50 | 60 | 25.0〜60.0 | 50 | H+15 | 16 | 8 | 32 | 24 | 36 | 6.5 | 17 | M6深12 | 6.6 | 11 | 6.5 | 2,730 | 2,780 | 5,530 | 2,360 | 4,080 | 4,470 | 5,970 | 10,450 | 4,620 | ||
| 25 | 30 | 40 | 50 | 60 | 30.0〜60.0 | H+18 | 18 | 2,910 | 2,960 | 5,720 | 2,550 | 4,370 | 4,840 | 6,360 | 10,800 | 4,950 | ||||||||||||||
| 30 | 30 | 40 | 50 | 60 | 30.0〜60.0 | 73 | H+21 | 20 | 10 | 38 | 29 | 55 | 9 | 26 | M8深16 | 9 | 14 | 9 | 3 | 3,360 | 3,400 | 7,350 | 2,970 | 5,120 | 5,200 | 7,310 | 13,890 | 5,810 | ||
| 35 | 40 | 50 | 60 | 40.0〜60.0 | H+24 | 3,680 | 3,730 | 8,620 | 3,210 | 5,520 | 5,570 | 8,000 | 16,290 | 6,260 | ||||||||||||||||
| 40 | 40 | 50 | 60 | 80 | 40.0〜80.0 | H+27 | 27 | 4,610 | 4,660 | 9,700 | 4,020 | 6,920 | 5,930 | 10,020 | 18,340 | 7,840 | ||||||||||||||
| 50 | 40 | 50 | 60 | 80 | 40.0〜80.0 | 104 | H+34 | 24 | 12 | 48 | 37 | 64 | 14 | 36 | M12深24 | 14 | 20 | 13 | 6,000 | 6,070 | 12,620 | 5,230 | - | 7,720 | 13,040 | 23,860 | 10,200 | |||
| 型番 |
|---|
通常単価(税別)
(税込単価) | 通常出荷日 |
クリーン洗浄・梱包済みでお届けします
|
|---|
- ( - ) | 10日目 |
|
- ( - ) | 10日目 |
|
- ( - ) | 10日目 |
|
- ( - ) | 10日目 |
|
- ( - ) | 10日目 |
|
- ( - ) | 10日目 |
|
- ( - ) | 10日目 |
|
- ( - ) | 10日目 |
|
- ( - ) | 7日目 |
- |
- ( - ) | 10日目 |
|
- ( - ) | 10日目 |
|
- ( - ) | 10日目 |
|
- ( - ) | 10日目 |
|
- ( - ) | 10日目 |
|
- ( - ) | 10日目 |
|
- ( - ) | 10日目 |
|
- ( - ) | 10日目 |
|
- ( - ) | 10日目 |
|
- ( - ) | 10日目 |
|
- ( - ) | 10日目 |
|
- ( - ) | 9日目 |
- |
- ( - ) | 12日目 |
|
- ( - ) | 12日目 |
|
- ( - ) | 12日目 |
|
- ( - ) | 12日目 |
|
- ( - ) | 7日目 |
- |
- ( - ) | 12日目 |
|
- ( - ) | 12日目 |
|
- ( - ) | 12日目 |
|
- ( - ) | 12日目 |
|
- ( - ) | 12日目 |
|
- ( - ) | 12日目 |
|
- ( - ) | 9日目 |
- |
- ( - ) | 10日目 |
- |
- ( - ) | 10日目 |
- |
- ( - ) | 10日目 |
- |
- ( - ) | 10日目 |
- |
- ( - ) | 7日目 |
- |
- ( - ) | 10日目 |
- |
- ( - ) | 10日目 |
- |
- ( - ) | 10日目 |
- |
- ( - ) | 10日目 |
- |
- ( - ) | 10日目 |
- |
- ( - ) | 10日目 |
- |
- ( - ) | 9日目 |
- |
- ( - ) | 12日目 |
- |
- ( - ) | 12日目 |
- |
- ( - ) | 12日目 |
- |
- ( - ) | 12日目 |
- |
- ( - ) | 7日目 |
- |
- ( - ) | 12日目 |
- |
- ( - ) | 12日目 |
- |
- ( - ) | 12日目 |
- |
- ( - ) | 12日目 |
- |
- ( - ) | 12日目 |
- |
- ( - ) | 12日目 |
- |
- ( - ) | 9日目 |
- |
- ( - ) | 7日目 |
|
- ( - ) | 7日目 |
|
- ( - ) | 7日目 |
サイドにスペースがない場合に最適です。側方スリットは全てのボルトを上から固定可能。
| 数量区分 | 標準対応 | 個別対応 | ||||
| 小口 | 大口 | 大口 | ||||
| 数 量 | 1〜9 | 10〜12 | 13・14 | 15〜20 | 21〜50 | 51〜 |
| 値引率 | 基準単価 | 5% | 10% | 18% | 23% | お見積り |
| 出荷日 | 通常 | +8日 | ||||
■SHK□B・SHK□M・SHK□A
| 3 | 日目出荷 |
| ご注文締切 | |||||
| 急 | ストーク A早割 | 翌日出荷 | 200円/1明細行 | PM 3:00迄 | >>こちら |
ストークA | 翌日出荷 | 200円/1本 | PM 6:00迄 |
■SHK□S・SHK□D
| 3 | 日目出荷 |
| ご注文締切 | |||||
| 急 | ストークA | 翌日出荷 | 200円/1本 | PM 6:00迄 | >>こちら |
■高さH指定タイプ
| 5 | 日目出荷 |
| ご注文締切 | |||||
| 急 | ストークB | 3日目出荷 | 200円/1本 | PM 8:00迄 | >>こちら |
| 大 口 出荷日 | +8 | 日目出荷 | 数量 21~50 |



ミスミ
シャフトホルダ -T型(鋳造品) スリット・スタンダードタイプ-
ノック穴付きタイプは、組み立て時の位置決めが容易となります。メンテナンス時の取外しの際、位置決めの再現性があります。精度を必要とする使用の場合は機械加工品をおすすめします。

通常価格、通常出荷日が表示と異なる場合がございます
通常価格、通常出荷日が表示と異なる場合がございます

ミスミ
シャフトホルダ -フランジ型(鋳造品) スリット・スタンダードタイプ-
4.5通常価格(税別):900円~

ミスミ
シャフトホルダ -ブラケット型スタンダードタイプ- -取付穴キリ穴/取付穴タップ穴-
4.6通常価格(税別):860円~

ミスミ
シャフトホルダ -T型(鋳造品) スリット・スタンダードタイプ-
4.3通常価格(税別):760円~

ミスミ
シャフトホルダ -ブラケット型スリットタイプ- -スタンダードタイプ-
4.5通常価格(税別):1,650円~

ミスミ
シャフトホルダ -フランジ型(鋳造品) スリット・ガイドロングタイプ-
4.8通常価格(税別):1,630円~

ミスミ
シャフトホルダ -ブラケット型スリットタイプ- -ガイドロングタイプ-
4.4通常価格(税別):2,220円~

ミスミ
【エコノミーシリーズ】 RoHS対応 シャフトホルダ T型スリット・薄型
5通常価格(税別):600円~

ミスミ
シャフトホルダ -T型(鋳造品) スリット・肉厚タイプ-
4.5通常価格(税別):1,850円~

ミスミ
シャフトホルダ -ブラケット型ガイドロングタイプ- -ガイドロングタイプ-
4.6通常価格(税別):1,440円~