メカニカル部品技術窓口
【販売終了のお知らせ】本商品と同等仕様の代替品があり、型番統合のため2025年7月31日をもって販売終...
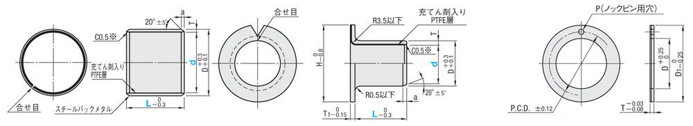
詳細を確認LFZB(ストレートタイプ)LFZF(ツバ付タイプ)LFZW

| 型式 | - | L |
| LFZB8 | - | 5 |
| LFZF12 | - | 15 |
| LFZW6 |
型式 | L | LFZB | LFZF | ※軸径 | |||||||||||||||||||||
Type | d | D | T | D | H | T・T1 | |||||||||||||||||||
許容差 | 許容差 | 基準寸法 | 許容差 | ||||||||||||||||||||||
| ストレートタイプ LFZB ツバ付きタイプ LFZF [ ! ]L寸()は LFZBのみ [ ! ]L寸*は LFZFのみ | 3 | 3 | (4) | 5 | (6) | 5 | 1.0 | 0 -0.025 | 4.6 | 7 | 0.8 | 0 -0.025 | 3 | -0.025 -0.034 | |||||||||||
4 | (3) | 4 | (5) | 6 | (8) | 6 | 5.6 | 9 | 4 | -0.025 -0.037 | |||||||||||||||
5 | (3) | 4 | 5 | 6 | (8) | 7 | 7 | 10 | 1.0 | 5 | |||||||||||||||
6 | (3) | (4) | 5 | 6 | 8 | (10) | (12) | 8 | 8 | 12 | 6 | ||||||||||||||
8 | (5) | 6 | 8 | 10 | 12 | (15) | 10 | 10 | 15 | 8 | -0.025 -0.040 | ||||||||||||||
10 | 6 | 8 | 10 | 12 | 15 | (20) | 12 | 12 | 18 | 10 | |||||||||||||||
12 | 6 | 8 | 10 | 12 | 15 | (20) | 14 | 14 | 20 | 12 | -0.025 -0.043 | ||||||||||||||
13 | (8) | 10 | (12) | 15 | (20) | 15 | 15 | 21 | 13 | ||||||||||||||||
15 | (8) | 10 | 12 | 15 | 20 | (25) | 17 | 17 | 23 | 15 | |||||||||||||||
16 | 10 | (12) | 15 | 20 | (25) | 18 | 18 | 24 | 16 | ||||||||||||||||
18 | 10 | 12 | 15 | 20 | (25) | (30) | 20 | 20 | 26 | 18 | |||||||||||||||
20 | 10 | 12 | 15 | 20 | 25 | (30) | 23 | 1.5 | 0 -0.030 | 23 | 31 | 1.5 | 0 -0.030 | 20 | -0.025 -0.046 | ||||||||||
22 | 10 | 12 | 15 | 20 | (25) | (30) | 25 | 25 | 33 | 22 | |||||||||||||||
25 | 10 | 12 | 15 | 20 | 25 | (30) | (35) | 28 | 28 | 36 | 25 | ||||||||||||||
30 | 12 | 15 | 20 | 25 | 30 | (35) | (40) | (50) | 34 | 2 | 34 | 42 | 2.0 | 30 | |||||||||||
35 | 12* | 20 | 25 | 30 | (35) | 40 | (50) | 39 | 39 | 49 | 35 | -0.025 -0.050 | |||||||||||||
40 | 12 | (15) | 20 | 25 | 30 | (35) | 40 | (50) | 44 | 44 | 54 | 40 | |||||||||||||
50 | 20 | (25) | 30 | (35) | 40 | (50) | (60) | 55 | 2.5 | 0 -0.040 | 55 | 65 | 2.5 | 0 -0.040 | 50 | ||||||||||
D | *ハウジング径 | 圧入後内径公差 (参考値) |
H7 | ||
3〜6 | + 0.012 | + 0.062 |
| 0 | 0 | |
7〜10 | + 0.015 | + 0.065 |
| 0 | 0 | |
11〜18 | + 0.018 | + 0.068 |
| 0 | 0 | |
19〜20 | + 0.071 | |
+ 0.021 | 0 | |
21〜30 | 0 | + 0.081 |
| 0 | ||
31〜50 | + 0.025 | + 0.085 |
| 0 | 0 | |
51〜80 | + 0.030 | + 0.110 |
| 0 | 0 |
型式 | T | D | D1 | 取付穴 | 適用ブッシュ | |||
Type | No. | P | 許容差 | P.C.D. | 内径 | |||
LFZW | 6 | 1.5 | 8 | 16 | 1.0 | +0.30 +0.10 | 12 | 6 |
8 | 10 | 18 | 14 | 8 | ||||
10 | 12 | 24 | 1.5 | +0.375 +0.125 | 18 | 10 | ||
12 | 14 | 26 | 2.0 | 20 | 12 | |||
14 | 16 | 30 | 23 | 13 | ||||
16 | 18 | 32 | 25 | 15・16 | ||||
18 | 20 | 36 | 3.0 | 28 | 18 | |||
20 | 22 | 38 | 30 | 20 | ||||
22 | 24 | 42 | 33 | 22 | ||||
25 | 28 | 48 | 4.0 | 38 | 25 | |||
30 | 32 | 54 | 43 | 30 | ||||
35 | 38 | 62 | 50 | 35 | ||||
40 | 42 | 66 | 54 | 40 | ||||
50 | 2.0 | 52 | 78 | 65 | 50 | |||
| 型番 |
|---|
通常単価(税別)
(税込単価) | 通常出荷日 |
|---|
230円 ( 253円 ) | 在庫品1日目当日出荷可能 |
260円 ( 286円 ) | 在庫品1日目当日出荷可能 |
280円 ( 308円 ) | 在庫品1日目当日出荷可能 |
360円 ( 396円 ) | 在庫品1日目当日出荷可能 |
420円 ( 462円 ) | 在庫品1日目当日出荷可能 |
490円 ( 539円 ) | 在庫品1日目当日出荷可能 |
740円 ( 814円 ) | 在庫品1日目当日出荷可能 |
1,330円 ( 1,463円 ) | 在庫品1日目当日出荷可能 |
2,230円 ( 2,453円 ) | 在庫品1日目当日出荷可能 |
230円 ( 253円 ) | 在庫品1日目当日出荷可能 |
240円 ( 264円 ) | 在庫品1日目当日出荷可能 |
340円 ( 374円 ) | 在庫品1日目当日出荷可能 |
580円 ( 638円 ) | 在庫品1日目当日出荷可能 |
1,140円 ( 1,254円 ) | 在庫品1日目当日出荷可能 |
320円 ( 352円 ) | 在庫品1日目当日出荷可能 |
340円 ( 374円 ) | 在庫品1日目当日出荷可能 |
410円 ( 451円 ) | 在庫品1日目当日出荷可能 |
710円 ( 781円 ) | 在庫品1日目当日出荷可能 |
【販売終了のお知らせ】本商品と同等仕様の代替品があり、型番統合のため2025年7月31日をもって販売終了いたします。代替品につきましては、ご注意欄をご確認ください。
通常価格、通常出荷日が表示と異なる場合がございます
通常価格、通常出荷日が表示と異なる場合がございます

ミスミ
ドライブッシュ ストレート
4.5通常価格(税別):330円~

ミスミ
無給油ブッシュ 銅合金 スタンダード内径F7外径m6タイプ
4.6通常価格(税別):400円~

ミスミ
ドライブッシュ ツバ付き
4.3通常価格(税別):250円~

ミスミ
無給油ブッシュ ポリアセタール樹脂タイプ ツバ付
4.4通常価格(税別):300円~

ミスミ
無給油ブッシュ 銅合金 ツバ付 内径E7外径r6タイプ
4.3通常価格(税別):500円~

オイレス工業
ドライメットLF ブッシュ(LFB)
4.6通常価格(税別):115円~

ミスミ
無給油ブッシュ 銅合金 薄肉内径F7外径m6タイプ
4.2通常価格(税別):670円~

ミスミ
無給油ブッシュ ポリアセタール樹脂タイプ ストレート
4.4通常価格(税別):300円~

オイレス工業
#80 フランジブッシュ(80F)
4.9通常価格(税別):59円~