メカニカル部品技術窓口
日本製の品質にそん色ない海外製ベアリングです。数量をまとめて使用する際にご利用下さい

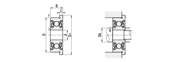
CFL6□□ZZ
(取付関係図)
軸受精度 JIS B 1514 0級
| 型式 |
| CFL683ZZ |
| 型式 | d | D | B | D1 | C | r (min) | 基本定格荷重 | 許容回転数rpm (参考) | 取付関係寸法 | 質量 (g) (参考) | ¥基準単価 | ||
| Cr(動)N | Cor(静)N | Ds (min) | R (max) | ||||||||||
| CFL682ZZ | 2 | 5 | 2.3 | 6.1 | 0.6 | 0.08 | 165 | 48 | 85000 | 2.7 | 0.08 | 0.22 | 340 |
| CFL673ZZ | 3 | 6 | 2.5 | 7.2 | 0.6 | 0.1 | 208 | 74 | 71000 | 3.6 | 0.33 | ||
| CFL683ZZ | 7 | 3 | 8.1 | 0.8 | 390 | 130 | 63000 | 3.9 | 0.1 | 0.53 | |||
| CFL693ZZ | 8 | 4 | 9.5 | 0.9 | 0.15 | 560 | 179 | 60000 | 4.2 | 0.15 | 0.97 | ||
| CFL674ZZ | 4 | 7 | 2.5 | 8.2 | 0.6 | 0.1 | 220 | 88 | 4.6 | 0.08 | 0.35 | ||
| CFL684ZZ | 9 | 4 | 10.3 | 1 | 640 | 220 | 53000 | 5 | 0.1 | 1.14 | |||
| CFL694ZZ | 11 | 12.5 | 0.15 | 710 | 276 | 48000 | 5.2 | 0.15 | 1.96 | ||||
| CFL675ZZ | 5 | 8 | 2.5 | 9.2 | 0.6 | 0.1 | 217 | 91 | 53000 | 5.6 | 0.08 | 0.41 | |
| CFL685ZZ | 11 | 5 | 12.5 | 1 | 0.15 | 715 | 281 | 45000 | 6.2 | 0.15 | 2.18 | ||
| CFL695ZZ | 13 | 4 | 15 | 0.2 | 1080 | 430 | 43000 | 6.6 | 0.2 | 2.84 | 290 | ||
| CFL676ZZ | 6 | 10 | 3 | 11.2 | 0.6 | 0.1 | 465 | 196 | 45000 | 0.1 | 0.77 | 340 | |
| CFL686ZZ | 13 | 5 | 15 | 1.1 | 0.15 | 1080 | 440 | 40000 | 7 | 0.15 | 3.04 | 320 | |
| CFL696ZZ | 15 | 17 | 1.2 | 0.2 | 1350 | 530 | 7.6 | 0.2 | 4.26 | 290 | |||
| CFL678ZZ | 8 | 12 | 3.5 | 13.6 | 0.8 | 0.1 | 515 | 252 | 8.8 | 0.1 | 1.15 | 340 | |
| CFL688ZZ | 16 | 5 | 18 | 1.1 | 0.2 | 1610 | 710 | 36000 | 9.6 | 0.2 | 4.47 | ||
| CFL698ZZ | 19 | 6 | 22 | 1.5 | 0.3 | 1700 | 1990 | 10 | 0.3 | 8.3 | |||
通常価格、通常出荷日が表示と異なる場合がございます

NSK
単列深溝玉軸受(開放形/シール形/シールド形)
4.8通常価格(税別):195円~

ミスミ
深溝玉軸受 両シールド形
4.5通常価格(税別):180円~

NTN
深溝玉軸受
4.8通常価格(税別):319円~

ミスミ
小径玉軸受 両シールド形
4.8通常価格(税別):130円~

ミスミ
小径玉軸受 フランジ付両シールド形
4.7通常価格(税別):430円~

ミスミ
ステンレス小径玉軸受 両シールド形
4.8通常価格(税別):220円~

ミスミ
小径玉軸受 フランジ付両シールド形 ステンレス
4.3通常価格(税別):370円~

ミスミ
深溝玉軸受 両シールド形-ステンレス-
4.8通常価格(税別):500円~

NTN
ミニチュア玉軸受・小径玉軸受
4.6通常価格(税別):187円~