メカニカル部品技術窓口
クリーンルームを構成したい際のフィルタです。アルミフレームに取付可能です。
| 型式 | − | 風量 |
| SHEPAS100 | − | 0.20 |
| 型式 | 風量 m3/min | 吹出 風速 (m/s) | 外形寸法 | カバー高さ | 取付フランジ | 底面取付ピッチ | 底面吹出口サイズ | 質量 (kg) | 騒音 (dBA) | ¥基準単価 | ¥スライド単価 | |||||||
| Type | 電源 単相(V) | A | H | G | F | X | Y | タップ穴数 | P | S | W | V | 1〜4コ | 5〜10 | ||||
| SHEPAS SHEPAS | 100 200 | 0.20 | 0.41 | 100 | 84 | 40 | 5 | 130 | 80 | 4 | 115 | 60 | 90 | 90 | 0.7 | 31(38) | 39,192 | 37,232 |
| 0.28 | 0.38 | 120 | 150 | 100 | 135 | 80 | 110 | 110 | 0.8 | 44(48) | 39,192 | 37,232 | ||||||
| 型式 | − | 風量 |
| SHEPA | − | 0.20 |
型式 | 風量 m3/min | 吹出 風速 (m/s) | 外形寸法 | カバー高さ | 取付フランジ | 底面取付ピッチ | 底面吹出口サイズ | 質量 (kg) | 騒音 (dBA) | ¥基準単価 | ¥スライド単価 | |||||||
Type | 電源 単相(V) | A | H | G | F | X | Y | タップ穴数 | P | S | W | V | 1〜4コ | 5〜10 | ||||
SHEPA | 100~240 | 0.20 | 0.41 | 100 | 84 | 40 | 5 | 130 | 80 | 4 | 115 | 60 | 90 | 90 | 0.6 | 31(38) | 39,192 | 37,232 |
(ヘパフィルタ) | 0.28 | 0.38 | 120 | 150 | 100 | 135 | 80 | 110 | 110 | 0.7 | 44(48) | 39,192 | 37,232 | |||||
クリーンルームを構成したい際のフィルタです。アルミフレームに取付可能です。
| 3 | 日目出荷 |
| 数量区分 | 標準対応 | 個別対応 |
| 小口 | 大口 | |
| 数 量 | 1~5 | 6~ |
| 出荷日 | 通常 | お見積り |

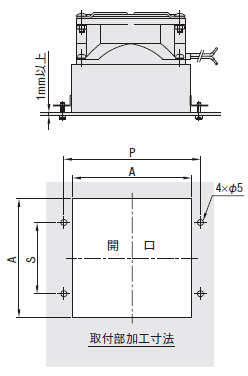
■取付部開口寸法

[ ! ]取付ビスは付属しておりません。
駆動部などの発塵源をケースで囲い、クリーン排気ユニットを取り付ければ、クリーンルームの汚染を低減します。
取り付けには、気流路を確保し、吹入・吹出に大きな抵抗が発生しないように設計ください。
[ ! ]この商品を輸出する際には、経済産業省への輸出申請が必要です。
■吸気用開口寸法
次の計算式にもとづき吸気用開口を設け、気流路を確保してください。
吸気用開口面積(m2)=
クリーン排気ユニット風量(m3/min)×台数吸い込み風速(m/s)×60s
アルミフレームで発塵源を囲うケースを作成することもできます。

通常価格、通常出荷日が表示と異なる場合がございます
通常価格、通常出荷日が表示と異なる場合がございます

タキゲン製造
プラスチック盤用グリル FE-460
5通常価格(税別):89円~

ミスミ
風量調整機能付ヘパフィルタユニット
0通常価格(税別):43,404円~

ミスミ
ヘパ・ウルパフィルタユニット
0通常価格(税別):51,417円~

ミスミ
ヘパフイルタユニット交換用メインフィルタ
4通常価格(税別):28,413円~

ミスミ
パネルサポートブラケット 樹脂タイプ
4.3通常価格(税別):108円

ミスミ
パネルサポートブラケット アルミタイプ
4.1通常価格(税別):168円~

ミスミ
引戸用アルミフレーム/スライドレール2列・3列/スライドスペーサ
4.8通常価格(税別):193円~

ミスミ
PETプレート (筐体専用樹脂プレート)
3.8
ミスミ
パネルサポートブラケット スチールタイプ/ステンレスタイプ
4.3通常価格(税別):134円~