メカニカル部品技術窓口
ミスミ品のみ対象
汎用的な定番のローレットノブです。めねじタイプ・おねじタイプで、M3~M10までのご用意です。

| Type | [ M ]材質 | [ S ]表面処理 | ||
| おねじタイプ | めねじ タイプ | |||
| L寸固定 | L寸指定 | |||
| NOB | − | NOM | SUM23 | バフ研磨 クロムメッキ |
| NOOS | NOOSF | NOMS | SUS303 | NOOS、NOOSF:ヘアライン NOMS:なし |
| NOBB | − | NOMB | SUM23 | 四三酸化鉄皮膜 |
| Type | [ M ]材質 | [ S ]表面処理 | ||
| おねじタイプ | めねじ タイプ | |||
| L寸固定 | L寸指定 | |||
| NKB | − | NKM | SUM23 | バフ研磨 クロムメッキ |
| NKOS | NKOSF | NKMS | SUS303 | NKOS、NKOSF:ヘアライン NKMS:なし |
| NKBB | − | NKMB | SUM23 | 四三酸化鉄皮膜 |
| 型式 | − | L | − | A |
| NOB3 NOBA4 | − − | 10 6 | − | 7 |
| 型式 | L(おねじタイプ) | D | d | A | T | H | S | ℓ | ¥基準単価 | |||||||||||||||||||
| Type | M (並目) | 固定タイプ | 指定タイプ 指定1mm単位 | NOB | NKB | NOBB NKBB | NOOS NKOS | NOM | NKM | NOMB NKMB | NOMS NKMS | NOOSF | NKOSF | |||||||||||||||
| (おねじL寸固定) NOB NOOS NOBB 段付タイプ NKB NKOS NKBB | (おねじL寸指定) NOOSF NKOSF | (めねじ) NOM NOMS NOMB NKM NKMS NKMB | 3 | 6 | 10 | 16 | 6〜16 | 12 | 6 | 2.5 | 3 | 7.5 | 5 | 1 | 210 | 174 | 200 | 378 | 168 | 168 | 158 | 189 | 494 | 504 | ||||
| 4 | 6 | 10 | 16 | 20 | 6〜20 | 16 | 8 | 3.5 | 4 | 9.5 | 6 | 1.2 | 305 | 243 | 294 | 473 | 179 | 179 | 168 | 231 | 557 | 567 | ||||||
| 5 | 10 | 16 | 20 | 25 | 10〜25 | 20 | 10 | 4 | 5 | 11.5 | 7.5 | 1.4 | 315 | 258 | 347 | 578 | 200 | 200 | 200 | 326 | 630 | 641 | ||||||
| 6 | 10 | 16 | 20 | 25 | 30 | 10〜30 | 24 | 12 | 5 | 6 | 15 | 10 | 1.5 | 462 | 379 | 462 | 704 | 252 | 252 | 263 | 420 | 788 | 798 | |||||
| 8 | 16 | 20 | 25 | 30 | 16〜30 | 30 | 16 | 6 | 8 | 18 | 12 | 2 | 588 | 485 | 557 | 977 | 399 | 399 | 336 | 536 | 1,260 | 1,155 | ||||||
| 10 | 20 | 25 | 30 | 40 | 20〜40 | 36 | 20 | 8 | 10 | 23 | 15 | 2.5 | 977 | 830 | 945 | 1,208 | 588 | 588 | 557 | 945 | 2,079 | 1,838 | ||||||
| Alteration | Code | Spec. | ¥/1Code | |||||
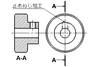
![]() | MC | めねじタイプNKMS(ステンレスタイプ) に止めねじ用のタップ加工をします。 | 400 | |||||
|
| 型番 |
|---|
通常単価(税別)
(税込単価) | 通常出荷日 |
|---|
209円 ( 230円 ) | 在庫品1日目当日出荷可能 |
209円 ( 230円 ) | 在庫品1日目当日出荷可能 |
209円 ( 230円 ) | 在庫品1日目当日出荷可能 |
292円 ( 321円 ) | 在庫品1日目当日出荷可能 |
292円 ( 321円 ) | 在庫品1日目当日出荷可能 |
292円 ( 321円 ) | 在庫品1日目当日出荷可能 |
292円 ( 321円 ) | 在庫品1日目当日出荷可能 |
310円 ( 341円 ) | 在庫品1日目当日出荷可能 |
310円 ( 341円 ) | 在庫品1日目当日出荷可能 |
310円 ( 341円 ) | 在庫品1日目当日出荷可能 |
310円 ( 341円 ) | 在庫品1日目当日出荷可能 |
455円 ( 501円 ) | 在庫品1日目当日出荷可能 |
455円 ( 501円 ) | 在庫品1日目当日出荷可能 |
455円 ( 501円 ) | 在庫品1日目当日出荷可能 |
455円 ( 501円 ) | 在庫品1日目当日出荷可能 |
455円 ( 501円 ) | 在庫品1日目当日出荷可能 |
582円 ( 640円 ) | 在庫品1日目当日出荷可能 |
582円 ( 640円 ) | 在庫品1日目当日出荷可能 |
582円 ( 640円 ) | 在庫品1日目当日出荷可能 |
582円 ( 640円 ) | 在庫品1日目当日出荷可能 |
996円 ( 1,096円 ) | 在庫品1日目当日出荷可能 |
996円 ( 1,096円 ) | 在庫品1日目当日出荷可能 |
996円 ( 1,096円 ) | 在庫品1日目当日出荷可能 |
996円 ( 1,096円 ) | 在庫品1日目当日出荷可能 |
240円 ( 264円 ) | 在庫品1日目当日出荷可能 |
240円 ( 264円 ) | 在庫品1日目当日出荷可能 |
240円 ( 264円 ) | 在庫品1日目当日出荷可能 |
353円 ( 388円 ) | 在庫品1日目当日出荷可能 |
353円 ( 388円 ) | 在庫品1日目当日出荷可能 |
353円 ( 388円 ) | 在庫品1日目当日出荷可能 |
353円 ( 388円 ) | 在庫品1日目当日出荷可能 |
416円 ( 458円 ) | 在庫品1日目当日出荷可能 |
416円 ( 458円 ) | 在庫品1日目当日出荷可能 |
416円 ( 458円 ) | 在庫品1日目当日出荷可能 |
416円 ( 458円 ) | 在庫品1日目当日出荷可能 |
554円 ( 609円 ) | 在庫品1日目当日出荷可能 |
554円 ( 609円 ) | 在庫品1日目当日出荷可能 |
554円 ( 609円 ) | 在庫品1日目当日出荷可能 |
554円 ( 609円 ) | 在庫品1日目当日出荷可能 |
554円 ( 609円 ) | 在庫品1日目当日出荷可能 |
668円 ( 735円 ) | 在庫品1日目当日出荷可能 |
668円 ( 735円 ) | 在庫品1日目当日出荷可能 |
668円 ( 735円 ) | 在庫品1日目当日出荷可能 |
668円 ( 735円 ) | 在庫品1日目当日出荷可能 |
1,134円 ( 1,247円 ) | 在庫品1日目当日出荷可能 |
1,134円 ( 1,247円 ) | 在庫品1日目当日出荷可能 |
1,134円 ( 1,247円 ) | 在庫品1日目当日出荷可能 |
1,134円 ( 1,247円 ) | 在庫品1日目当日出荷可能 |
202円 ( 222円 ) | 在庫品1日目当日出荷可能 |
215円 ( 237円 ) | 在庫品1日目当日出荷可能 |
240円 ( 264円 ) | 在庫品1日目当日出荷可能 |
302円 ( 332円 ) | 在庫品1日目当日出荷可能 |
479円 ( 527円 ) | 在庫品1日目当日出荷可能 |
706円 ( 777円 ) | 在庫品1日目当日出荷可能 |
190円 ( 209円 ) | 在庫品1日目当日出荷可能 |
202円 ( 222円 ) | 在庫品1日目当日出荷可能 |
240円 ( 264円 ) | 在庫品1日目当日出荷可能 |
316円 ( 348円 ) | 在庫品1日目当日出荷可能 |
403円 ( 443円 ) | 在庫品1日目当日出荷可能 |
668円 ( 735円 ) | 在庫品1日目当日出荷可能 |
汎用的な定番のローレットノブです。めねじタイプ・おねじタイプで、M3~M10までのご用意です。



通常価格、通常出荷日が表示と異なる場合がございます
通常価格、通常出荷日が表示と異なる場合がございます

ミスミ
ローレットノブ
4.6通常価格(税別):190円~

ミスミ
小径ローレットノブ
4.7通常価格(税別):215円~

ミスミ
厚型ローレットノブ
4.6通常価格(税別):208円~

ミスミ
つまみノブ ローレットタイプ
4.5通常価格(税別):252円~

ミスミ
ローレットつまみノブ
4.8通常価格(税別):145円~

ミスミ
マッシュルームノブ
4.6通常価格(税別):277円~

ミスミ
セブンロブノブ
4.8通常価格(税別):151円~

ミスミ
クランプノブ
4.5通常価格(税別):202円~

ミスミ
つまみノブ ダイヤモンドカットタイプ
4.6通常価格(税別):252円~