メカニカル部品技術窓口
ミスミ品のみ対象


| ℓ1 | ℓ2 | ℓ3 | ||
| 長さ比率 | 1 | 1 | 1 | |
| 巻数比* | A | 1.1 | 1 | 1.1 |
| B | 1.3 | 1 | 1.3 | |
| 型式 | − | L | − | V | − | W | − | Fリード線 | − | リード線保護 | − | 端子 | ||
| リード線種類 | 長さ | |||||||||||||
| MCHXA10 | − | 170 | − | V200 | − | W450 | − | T | 1000 | − | S | − | M | |
| 型式 | − | L | − | V | − | W | − | Fリード線 | − | リード線保護 | − | 端子 | ||
| リード線種類 | 長さ | |||||||||||||
| MCHXACA10 | − | 170 | − | V200 | − | W450 | − | T | 1000 | − | S | − | M | |
| 型式 | L 指定1mm単位 | V(電圧) 選択 | W(電力) 指定10W単位 | F(リード線) | リード線保護 選択 | 端子 選択 | 電力密度 (W/cm2) | ||
| Type | D | リード線種類 | リード線長さ | ||||||
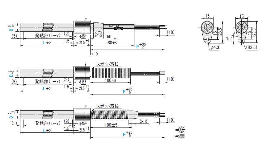
| MCHXA MCHXB | 6 | 35〜250 | 100 | 30〜500 | B G T M | 100〜1000 (指定10mm単位) 2000 3000 4000 5000 (固定寸) ※公差0~+50 | N S C | N M Y | 2≦W/cm2≦15 [ ! ]W/cm2=W/{D x π x (L-7)/100} (全長ではなく、発熱部(L-7)の電力密度で計算してください) |
| 200 | 80〜600 | ||||||||
| 8 | 35〜450 | 100 | 30〜600 | ||||||
| 200 | 80〜1200 | ||||||||
| 10 | 40〜700 | 100 | 30〜600 | ||||||
| 200 | 80〜1200 | ||||||||
| 12 | 100 | 50〜800 | |||||||
| 200 | 100〜1600 | ||||||||
| 14 | 40〜700 | 100 | 50〜800 | ||||||
| 200 | 100〜1600 | ||||||||
| 型式 | L 指定1mm単位 | V(電圧) 選択 | W(電力) 指定10W単位 | F(リード線) | リード線保護 選択 | 端子 選択 | 電力密度 (W/cm2) | |||
| Type | 巻線比 | D | リード線種類 | リード線長さ | ||||||
| MCHXAC MCHXBC | A (1.1:1:1.1) B (1.3:1:1.3) | 6 | 150〜250 | 100 | 70〜500 | B G T M | 100〜1000 (指定10mm単位) 2000 3000 4000 5000 (固定寸) ※公差0~+50 | N S C | N M Y | 2≦W/cm2≦15 [ ! ]W/cm2=W/{D x π x (L-7)/100} (全長ではなく、発熱部(L-7)の電力密度で計算してください) |
| 200 | 120〜600 | |||||||||
| 8 | 150〜300 | 100 | 70〜600 | |||||||
| 200 | 80〜1000 | |||||||||
| 10 | 100 | 90〜600 | ||||||||
| 200 | 90〜1000 | |||||||||
| 12 | 100 | 110〜600 | ||||||||
| 200 | 110〜1200 | |||||||||
| 14 | 100 | 130〜800 | ||||||||
| 200 | 130〜1600 | |||||||||
| 記号 | 端子種類 | ねじ呼び |
| N | 圧着端子無し | − |
| M | 圧着端子 -丸型- | M4 |
| Y | 圧着端子 -Y型- | M4 |
| 記号 | リード線種類 | 耐熱温度 | 特長 |
| B | すずメッキ軟銅ガラス編組線 | 180℃ | 一般用 |
| G | シリコンゴム+すずメッキ軟銅線 | 180℃ | 耐薬品、耐水用 |
| T | ふっ素樹脂+ニッケルメッキ軟銅線 | 260℃ | 耐薬品、耐水、耐候用 |
| M | マイカポリイミド巻シリカ+ニッケル覆銅線 | 400℃ | 高耐熱用 |
| 記号 | リード線保護 | 材質 | 取付部 |
| N | リード線保護無し | − | − |
| S | スプリング保護 | SUS材 | スプリング100mm |
| C | SUS製フレキチューブ | SUS材 | SUS製フレキチューブ100mm |
・カートリッジヒータが取付穴から抜けないようにする際は、下記のように固定してください。
①ビスでシースを固定する(シース非発熱部の中心に設置することを推奨)
②アングル等にリード線を固定する

■使用例

■定格電圧(V)以外での使用
定格電圧でのご使用を推奨致します。
定格電圧以上で使用した場合、異常加熱により出火、故障、破損等が起こるため絶対に避けてください。
定格電圧以下で使用した場合、出力が低下し性能の確保ができない為、非推奨となります。
■カードリッジヒータの寿命
使用環境によって寿命は変わるため明確な基準等はありません。
カートリッジヒータが使用不可となる理由は基本的に下記2点が挙げられます。
| 原因 | ①ニクロム線またはリード線が断線 | ②シース(保護管)がダメージを受け、穴・亀裂・浸水が発生 | ||||||
|---|---|---|---|---|---|---|---|---|
| 例 | ・リード線への繰り返しの曲げなどによる外力の影響。 | ・化学的・物理的に穴が開き、異常加熱で断線。 | ||||||
| ・定格電流値以上の電流を加えた場合。 | ・シース内部に水や結露などの電流を通す液体が浸入し漏電・感電が発生。 | |||||||
| ・使用温度上限で使用し、内部ニクロム線が細くなった場合。 | ||||||||
※ヒータ部分が断線した場合、修復はできません。 危険ですので再利用を試みるのはお避け下さい。
※またカートリッジヒータにとっての悪条件を避けられない場合は、お客様の環境での故障頻度を記録し、交換手順に追記いただき交換運用をせざるを得ないことがあります。
■リード線を曲げる場合
・極端に曲げての使用(折り曲げる等)でなければ可能です。
リード線やターミナルピンを何度も屈曲させると折れる可能性があります。
リード線を根本で曲げる場合は下記商品をご選定ください。
| 耐屈曲タイプ | L型タイプ |
|---|---|
■リード線を延長/短縮する場合
下記の通り対応可能です。
・延長する場合
リード線の延長は一般的なリード線で問題ありませんが、延長する電線は「同じ種類/同じ長さ」として下さい。
また、高温にさらされる環境では耐熱電線を推奨致します。
・短縮する場合
短縮する場合はお客様任意の位置でカット可能です。
スリーブ内に導線が格納されており、被膜を剥いで端子を取り付けご使用ください。
■その他注意点
| 商品名 | 熱伝導用グリス | 焼付防止剤 | ホットプレート タップ付 | カートリッジヒータ取付ボルト |
|---|---|---|---|---|
| 画像 | ||||
| 特徴 | 金属プレートに効率良く熱を伝導 | すき間に充填し、焼付による固着を防止 | ヒータ挿入用の穴とセンサ穴が開いたプレート | カートリッジヒータの取り付けに最適な専用取付ボルト |
■ヒータの種類と特長については、こちらをご覧ください。
■カートリッジヒータの概要については、こちらをご覧ください。
■規格外品サービスのご案内
特注お見積もりおよびご注文を承っております。
製作可否を含めたお見積もりとなるため、製作が不可能な場合もございます。予めご了承ください。
※お見積もりご回答までに2~7営業日(土日・祝日含まず)をいただいております。
| 型番 |
|---|
通常単価(税別)
(税込単価) | 通常出荷日 |
|---|
- ( - ) | 8日目 |
- ( - ) | 8日目 |
- ( - ) | 8日目 |
- ( - ) | 8日目 |
- ( - ) | 8日目 |
- ( - ) | 8日目 |
- ( - ) | 8日目 |
- ( - ) | 8日目 |
- ( - ) | 8日目 |
- ( - ) | 8日目 |
- ( - ) | 8日目 |
- ( - ) | 8日目 |
- ( - ) | 8日目 |
- ( - ) | 8日目 |
- ( - ) | 8日目 |
- ( - ) | 8日目 |
- ( - ) | 8日目 |
- ( - ) | 8日目 |
- ( - ) | 8日目 |
- ( - ) | 8日目 |
- ( - ) | 8日目 |
- ( - ) | 8日目 |
- ( - ) | 8日目 |
- ( - ) | 8日目 |
- ( - ) | 8日目 |
- ( - ) | 8日目 |
- ( - ) | 8日目 |
- ( - ) | 8日目 |
- ( - ) | 8日目 |
- ( - ) | 8日目 |
- ( - ) | 8日目 |
- ( - ) | 8日目 |
- ( - ) | 8日目 |
- ( - ) | 8日目 |
- ( - ) | 8日目 |
- ( - ) | 8日目 |
- ( - ) | 8日目 |
- ( - ) | 8日目 |
- ( - ) | 8日目 |
- ( - ) | 8日目 |
- ( - ) | 8日目 |
- ( - ) | 8日目 |
- ( - ) | 8日目 |
- ( - ) | 8日目 |
- ( - ) | 8日目 |
- ( - ) | 8日目 |
- ( - ) | 8日目 |
- ( - ) | 8日目 |
- ( - ) | 8日目 |
- ( - ) | 8日目 |
- ( - ) | 8日目 |
- ( - ) | 8日目 |
- ( - ) | 8日目 |
- ( - ) | 8日目 |
- ( - ) | 8日目 |
- ( - ) | 8日目 |
- ( - ) | 8日目 |
- ( - ) | 8日目 |
- ( - ) | 8日目 |
- ( - ) | 8日目 |
【特長】
・ストレート形状のヒータに、手で回して簡単に固定できるローレットフランジを追加したモデルです
・リード線の根元を衝撃や曲げから保護するため、スプリングまたはSUS製フレキシブルチューブによる保護構造を選択できます
・最高使用温度は600℃で、均熱タイプもラインナップされています
| D | ¥ヒータ本体価格 基準単価 | ¥リード線追加価格(本体+) | ¥リード線保護追加価格 (本体+) | ¥端子追加価格 (本体+) | ||||||||||||||||||
| リード線長さ 100〜1000mm時の定価 | リード線長さ 2000mm以上時のm単価 | |||||||||||||||||||||
| MCHXA・MCHXB | ||||||||||||||||||||||
| L35〜49 | L50〜100 | L101〜200 | L201〜300 | L301〜400 | L401〜500 | L501〜600 | L601〜700 | B | G | T | M | B | G | T | M | N | S | C | N | M | Y | |
| 6 | 9,880 | 9,880 | 11,160 | 12,220 | - | - | - | - | 380 | 580 | 1,020 | 1,660 | 1,780 | 2,040 | 2,540 | 3,310 | 0 | 700 | 890 | 0 | 380 | 380 |
| 8 | 9,880 | 9,880 | 11,160 | 12,220 | 12,710 | 13,340 | - | - | ||||||||||||||
| 10 | 10,360 | 10,360 | 11,450 | 12,580 | 13,630 | 14,000 | 14,230 | 15,460 | ||||||||||||||
| 12 | 10,560 | 10,560 | 11,640 | 12,890 | 14,000 | 14,270 | 14,380 | 15,580 | ||||||||||||||
| 14 | 7,960 | 7,960 | 8,940 | 9,920 | 10,900 | 11,890 | 12,860 | 13,840 | ||||||||||||||
| D | ¥ヒータ本体価格 基準単価 | ¥リード線追加価格(本体+) | ¥リード線保護追加価格 (本体+) | ¥端子追加価格 (本体+) | ||||||||||||
| リード線長さ 100〜1000mm時の定価 | リード線長さ 2000mm以上時のm単価 | |||||||||||||||
| MCHXAC MCHXBC | ||||||||||||||||
| L150〜200 | L201〜300 | B | G | T | M | B | G | T | M | N | S | C | N | M | Y | |
| 6 | 14,590 | 15,670 | 380 | 580 | 1,020 | 1,660 | 1,780 | 2,040 | 2,540 | 3,310 | 0 | 700 | 890 | 0 | 380 | 380 |
| 8 | 14,590 | 15,670 | ||||||||||||||
| 10 | 14,900 | 16,040 | ||||||||||||||
| 12 | 15,100 | 16,310 | ||||||||||||||
| 14 | 11,490 | 12,480 | ||||||||||||||
| 数量区分 | 標準対応 | 個別対応 | ||
| 小口 | 大口 | |||
| 数 量 | 1〜10 | 11〜15 | 16〜20 | 21~ |
| 値引率 | 基準単価 | 5% | 10% | お見積り |
| 数量区分 | 標準対応 | 個別対応 | ||
| 小口 | 大口 | |||
| 数 量 | 1〜10 | 11〜15 | 16〜20 | 21~ |
| 値引率 | 基準単価 | 5% | 10% | お見積り |

通常価格、通常出荷日が表示と異なる場合がございます
通常価格、通常出荷日が表示と異なる場合がございます

ミスミ
カートリッジヒータ-L寸・W数・フランジ選択-
4.2
ミスミ
カートリッジヒータ 固定タイプ
3.9通常価格(税別):2,260円~

ミスミ
カートリッジヒータ 高温インチタイプ/ミリタイプ
4.7通常価格(税別):4,850円~

ミスミ
カートリッジヒータ 指定・リード線選択タイプ
5
ミスミ
カートリッジヒータ-L寸・W数・フランジ選択・リード線保護カバー付-
4.3
ミスミ
熱伝導用グリス
4通常価格(税別):3,280円

ミスミ
カートリッジヒータL型タイプ -L寸・W数・フランジ選択-
4.5
ミスミ
カートリッジヒータ L型タイプ(均熱、断線防止)Φ6~Φ16
4
ミスミ
カートリッジヒータ 発熱部長さ指定タイプ(均熱)Φ6~Φ16
4